вконтакте

Контактный телефон: +7 (981) 121-46-93, +7 (800) 200-90-76 , Email: parts-katalog@yandex.ru, где купить

 
 

  Логин:

Пароль:

Регистрация

www.partskatalog.ru Все каталоги Запчасти Mercury Запчасти Suzuki Запчасти Tohatsu Запчасти Honda Контакты


Выбрать другую модель

назад Раздел:   вперёд

вернуться к списку узлов и деталей

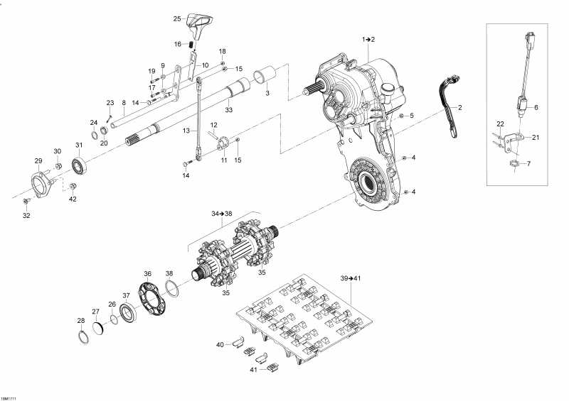
ДЕТАЛИРОВКА ДЛЯ МОДЕЛИ: SKIDOO EXPEDITION - 4-STROKE - LE-SE, 2017

Раздел: Drive System | Drive System


EXPEDITION - 4-STROKE - LE-SE, 2017 раздел - Drive System

Номер на
рисунке
АртикулНаименованиеКол-во
на складе
Цена
1 619230078

Трансмиссия в сборе (Fast Ratio) Includes 1 To 2 (Transmission Assy (Fast Ratio). Includes 1 To 2)

под заказ179900 руб.
2 504152896

Датчик (Sensor)

под заказ2570 руб.
2 504152732

SENSOR ASS

под заказ1650 руб.
2 SM-01253

     (не оригинальная запчасть) Датчик скорости BRP SM-01253

под заказ3 120 руб.
3 504153054

Protective Rubber (Protective Rubber)

под заказ1240 руб.
3 504152989

PROTECTIVE RUBBER

под заказпо запросу
4 233281414

Hex. Фланецd Elastic Гайка M8 (Hex. Flanged Elastic Nut M8)

под заказ284 руб.
5 232581414

Hex. Эластичная гайка со стопором M8 (Hex. Elastic Stop Nut M8)

под заказ136 руб.
5 420942030

NUT-LOCK M8

под заказ110 руб.
6 515176472

Переключатель в сборе (Switch Assy)

под заказ5140 руб.
6 515175967

SWITCH-ASSY

под заказ5590 руб.
7 250000373

Brass Гайка (Brass Nut)

под заказ529 руб.
8 504153288

Рычаг Переключательer (Lever Shifter)

под заказ9970 руб.
9 504152787

Гильза (Sleeve)

под заказ2070 руб.
10 504153287

Переключательer Рычаг (Shifter Arm)

под заказ3640 руб.
11 504153280

Welded Рычаг (Welded Lever)

под заказ5640 руб.
12 41012

Штифт (Pin)

под заказ375 руб.
12 063030

GOUP.RETENUE *PIN-RETAINER

под заказ20 руб.
13 504153258

Переключательer Тяга (Shifter Rod)

под заказ3280 руб.
14 250000677

Carriage Болт M6 X 20 (Carriage Bolt M6 X 20)

под заказ189 руб.
15 232561434

Эластичная гайка со стопором M6 (Elastic Stop Nut M6)

под заказ263 руб.
16 504152882

Пружина (Spring)

под заказ2500 руб.
17 205052544

Socket Винт M5 X 25 (Socket Screw M5 X 25)

под заказ284 руб.
18 233251434

Фланецd Elastic Гайка M5 (Flanged Elastic Nut M5)

под заказ284 руб.
18 33062

NUT M5

под заказ230 руб.
19 250000676

дляming Винт M5 x 16 (Forming Screw M5 x 16)

под заказ98 руб.
19 732600030

SCREW-FORMING

под заказпо запросу
20 504152890

Подшипник (Bearing)

под заказ3280 руб.
21 504152902

Датчик Кронштейн (Sensor Bracket)

под заказ1060 руб.
22 293150163

Заклёпка Hucklok 4, 8 mm HKLP-R6-5GAT (Rivet Hucklok 4,8 mm HKLP-R6-5GAT)

под заказ223 руб.
23 250400035

Шплинт (Cotter Pin)

под заказ263 руб.
24 503189273

Шайба (Washer)

под заказ428 руб.
25 504152837

Handle (Handle)

под заказ5210 руб.
26 293300122

Уплотнительное кольцо (O-Ring)

под заказ146 руб.
26 SM-03178

     (не оригинальная запчасть) Комплект подшипников BRP SM-03178

под заказ2 620 руб.
27 504152619

Magnetic Колпачок (Magnetic Cap)

под заказ1930 руб.
27 504152620

CAPUCHON *CAP

под заказ1260 руб.
28 504152572

Стопорное кольцо (Circlip)

под заказ452 руб.
29 504153187

Подшипник Корпус (Bearing Housing)

под заказ1640 руб.
30 233281414

Hex. Фланецd Elastic Гайка M8 (Hex. Flanged Elastic Nut M8)

под заказ284 руб.
31 293350074

Шариковый подшипник (Ball Bearing)

под заказ3000 руб.
31 CS205LLU X AS3S5

     (не оригинальная запчасть) Подшипник CS205LLU (CS205LLU X AS3S5)

под заказ1 150 руб.
32 235381646

Torx Винт M8 X 16, Scotch Рукоятка (Torx Screw M8 X 16, Scotch Grip)

под заказ284 руб.
32 250000025

SCREW-TORX CTSK.FL.HD.S.GRIP M8 X 16

под заказ230 руб.
33 504152963

Counter Вал. Двигатель 900 ACE (Counter Shaft. Engine 900 ACE)

под заказ17550 руб.
33 504153292

Counter Вал. Двигатель 1200 4-TEC (Counter Shaft. Engine 1200 4-TEC)

под заказ18870 руб.
34 504153584

Drive Axle в сборе. Includes 34 To 38 (Drive Axle Assy. Includes 34 To 38)

под заказ50100 руб.
35 XXX

RH Цепное колесо ЗВЕЗДОЧКА (8 T) (RH Sprocket (8 T))

35 XXX

LH Цепное колесо ЗВЕЗДОЧКА (8 T) (LH Sprocket (8 T))

36 504152949

Корпус Подшипник (Housing Bearing)

под заказ1150 руб.
37 293350059

Шариковый подшипник (Ball Bearing)

под заказ3950 руб.
37 504152573

ROULEMENT BILLE*BALL BEARING

под заказпо запросу
37 6010DUCM D 5

     (не оригинальная запчасть) Подшипник 6010DUCM (6010DUCM D 5)

под заказ1 270 руб.
37 SM-03178

     (не оригинальная запчасть) Комплект подшипников BRP SM-03178

под заказ2 620 руб.
38 504153207

Регулировочная шайба (Shim)

под заказ689 руб.
39 605613004

Track 500x39xx (38) Model Европа. Includes 39 To 41 (Track 500x39xx (38). Model Europe. Includes 39 To 41)

под заказ101100 руб.
39 504152817

Track в сборе. Model North America. Includes 39 To 41 (Track Assy. Model North America. Includes 39 To 41)

под заказ91700 руб.
40 415129528

Track Направляющая. Model Европа (Track Guide. Model Europe)

под заказ223 руб.
40 504152410

GUIDE *CLIP

под заказ140 руб.
40 XXX

Направляющая. Model North America (Guide. Model North America)

41 504152651

Cleat. Model Европа (Cleat. Model Europe)

под заказ601 руб.
41 504151839

AGRAFE PLATE *CLEAT

под заказ230 руб.
41 XXX

Cleat. Model North America (Cleat. Model North America)

42 233261414

Hex. Фланецd Elastic Гайка M6 (Hex. Flanged Elastic Nut M6)

под заказ284 руб.
ski-doo

Время выполнения запроса 1.1513891220093 сек.


 
 

данный сайт носит информационный характер и не является публичной офертой

склад запчастей для водомоторной техники