вконтакте

Контактный телефон: +7 (981) 121-46-93, +7 (800) 200-90-76 , Email: parts-katalog@yandex.ru, где купить

 
 

  Логин:

Пароль:

Регистрация

www.partskatalog.ru Все каталоги Запчасти Mercury Запчасти Suzuki Запчасти Tohatsu Запчасти Honda Контакты



УВАЖАЕМЫЕ КЛИЕНТЫ!
C 19 ДЕКАБРЯ 2025 ПО 02 МАРТА 2026 ГОДА ОТДЕЛ ЗАПЧАСТЕЙ И СЕРВИС РАБОТАТЬ НЕ БУДУТ
ПРОДАЖА ЛОДОЧНЫХ МОТОРОВ В ШТАТНОМ РЕЖИМЕ
ОБ ИЗМЕНЕНИЯХ В ГРАФИКЕ РАБОТЫ ЧИТАЙТЕ НА САЙТА




Выбрать другую модель

назад Раздел:   вперёд

вернуться к списку узлов и деталей

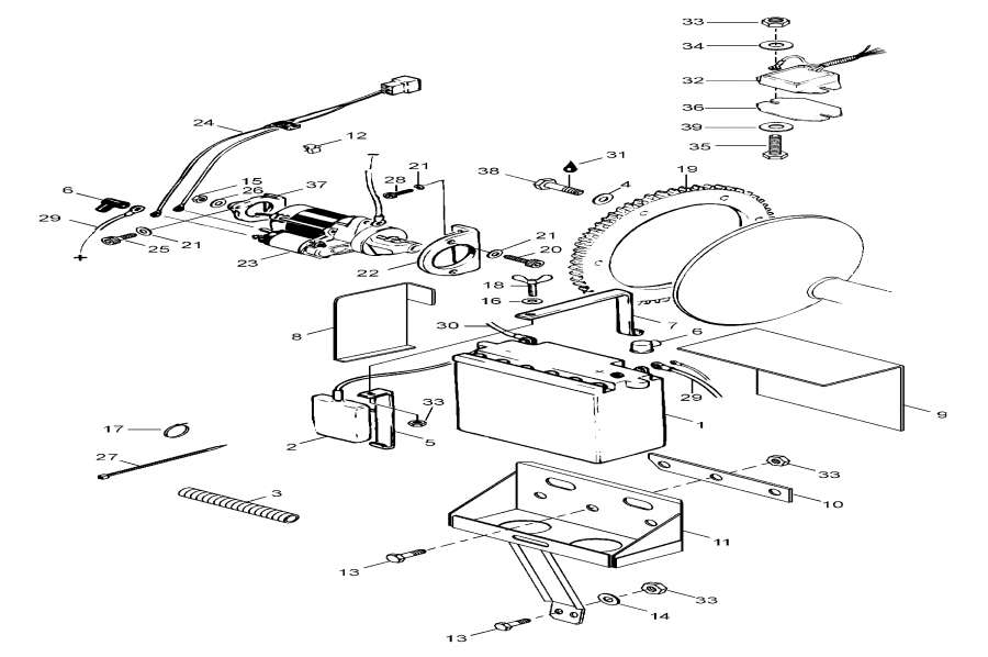
ДЕТАЛИРОВКА ДЛЯ МОДЕЛИ: LYNX Sport XR 500F, 1999


Snowmobile lynx  - Комплект для установки электростартера

Номер на
рисунке
АртикулНаименованиеКол-во
на складе
Цена
142200

Battery (Battery)

8 шт8110 руб.
14299200

(последний код) BATTERIE *BATTERY

под заказ7420 руб.
21461402

Owerflow bottle (Owerflow bottle)

под заказ440 руб.
2281461402

(последний код) RESERVOIR *TANK-OVERFLOW

под заказ410 руб.
328012

Кабели Крышка (Cable cover)

под заказ440 руб.
3605356081

(последний код) Cover Tube (1pac=1M)

под заказ340 руб.
431081

Регулировочная шайба (Shim)

под заказ40 руб.
5547274

Steel strip (Steel strip)

под заказпо запросу
6570151000

Кабели Крышка (Cable cover)

под заказ1350 руб.
6673580

(последний код) CAPUCHON PROT. *CAP-PROTECTION

под заказ810 руб.
7547273

Steel strip (Steel strip)

под заказ630 руб.
8537271

Heat Крышка (Heat cover)

под заказпо запросу
9527272

Rubber (Rubber)

под заказ1670 руб.
10546264

Rear sвышеport (Rear support)

под заказ630 руб.
11537248

Sвышеport (Support)

под заказпо запросу
12414227300

Зажим (Clip)

под заказ290 руб.
12414943400

(последний код) PINCE *CLIP

под заказ230 руб.
1340029

Винт M6x16 (Screw M6x16)

под заказ30 руб.
1420009

Шайба (Washer)

под заказпо запросу
14542376

(последний код) WASHER

под заказпо запросу
1533009

Гайка elastic M5 (Nut elastic M5)

под заказпо запросу
15

(последний код)

под заказпо запросу
1620052

Пружинная шайба (Spring washer)

под заказ120 руб.
16234161471

(последний код) WASHER-LOCK BLACK DIN.127B

под заказ130 руб.
1727100

Fastening (Fastening)

под заказпо запросу
1840108

Винт M6x20 (Screw M6x20)

под заказ150 руб.
19415043100

Кольцо Шестерня Z=86 (Ring gear Z=86)

под заказ9390 руб.
19417222858

(последний код) COUR.LANCEMENT *GEAR-RING

под заказ12000 руб.
2040289

Allen Винт M8x25 (Allen screw M8x25)

под заказ100 руб.
2120014

Шайба с блокировкой (Lock Washer)

под заказ20 руб.
22420951415

Держатель front (Holder front)

под заказ5710 руб.
23410212400

Стартер (Starter)

под заказ40400 руб.
23410209200

(последний код) DEMARREUR *STARTER

под заказ36300 руб.
23SM-01215

     (не оригинальная запчасть) Стартер электрический BRP SM-01215

под заказ18 060 руб.
245440682

Кабели (Cable)

под заказ1760 руб.
245444382

(последний код) PORTE FUSIBLE *HOLDER-FUSE

под заказ3010 руб.
2540066

Allen Винт M8x16 (Allen screw M8x16)

под заказ50 руб.
25

(последний код)

под заказпо запросу
2620008

Шайба (Washer)

под заказ30 руб.
26

(последний код)

под заказпо запросу
2727026

Fastening (Fastening)

под заказ110 руб.
27414115200

(последний код) Гарантийный комплект TIE-RAP 180 MM

под заказ130 руб.
2840305

Allen Винт M8x20 (Allen screw M8x20)

под заказ60 руб.
28

(последний код)

под заказпо запросу
295440661

Кабели, + (Cable, +)

под заказпо запросу
305440660

Кабели, - (Cable, -)

под заказ640 руб.
31413707400

Loctite 271, 10cc (Loctite 271, 10cc)

под заказ1680 руб.
31293800005

(последний код) LOCTITE 271 *LOCTITE-271

под заказ2150 руб.
32549264

Выпрямитель (Rectifier)

под заказ7160 руб.
32515175546

(последний код) Voltage Regulator Skandic, 2000

под заказ11030 руб.
3333010

Гайка elastic M6 (Nut elastic M6)

под заказ20 руб.
33842042

(последний код) LOCKING NUT (USE 33010)

под заказ20 руб.
3420003

Шайба (Washer)

под заказ20 руб.
34

(последний код)

под заказпо запросу
3540030

Винт M6x20 (Screw M6x20)

под заказ60 руб.
3540075

(последний код) VIS *SCREW

под заказ50 руб.
36544741

Охлаждение Пластина (Cooling plate)

под заказ580 руб.
37420951426

Sвышеport rear (Support rear)

под заказ2320 руб.
38732601246

Винт M8x16 (Screw M8x16)

под заказ900 руб.
38236281684

(последний код) SCREW-FORMING BN.HD.TORX

под заказ1150 руб.
3920033

Шайба (Washer)

под заказ60 руб.
lynx

 
 

данный сайт носит информационный характер и не является публичной офертой

склад запчастей для водомоторной техники