вконтакте

Контактный телефон: +7 (981) 121-46-93, +7 (800) 200-90-76 , Email: parts-katalog@yandex.ru, где купить

 
 

  Логин:

Пароль:

Регистрация

www.partskatalog.ru Все каталоги Запчасти Mercury Запчасти Suzuki Запчасти Tohatsu Запчасти Honda Контакты



УВАЖАЕМЫЕ КЛИЕНТЫ!
C 19 ДЕКАБРЯ 2025 ПО 02 МАРТА 2026 ГОДА ОТДЕЛ ЗАПЧАСТЕЙ И СЕРВИС РАБОТАТЬ НЕ БУДУТ
ПРОДАЖА ЛОДОЧНЫХ МОТОРОВ В ШТАТНОМ РЕЖИМЕ
ОБ ИЗМЕНЕНИЯХ В ГРАФИКЕ РАБОТЫ ЧИТАЙТЕ НА САЙТА




Выбрать другую модель

назад Раздел:   вперёд

вернуться к списку узлов и деталей

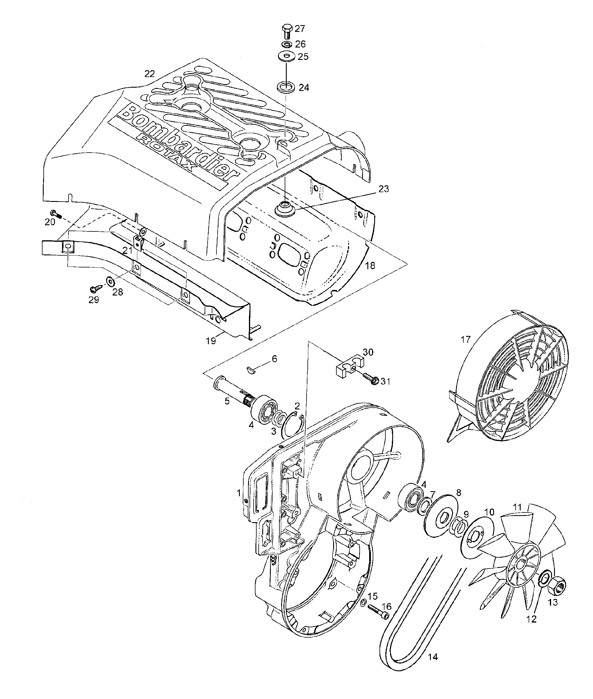
ДЕТАЛИРОВКА ДЛЯ МОДЕЛИ: LYNX Sport XR 500F, 1999


Снегоходы lynx  - Fan Housing - Fan Корпус

Номер на
рисунке
АртикулНаименованиеКол-во
на складе
Цена
1420912204

Fan Корпус (Fan housing)

под заказ20900 руб.
1912202

(последний код) FAN HOUSING(USE 420912204)

под заказ19230 руб.
2420945880

Locking Кольцо (Locking ring)

под заказ310 руб.
2945880

(последний код) LOCK RING (USE420945880)

под заказ140 руб.
3420244585

Регулировочная шайба (Shim)

под заказ130 руб.
3244585

(последний код) VALILEVY 17.5/24/1.0

под заказ140 руб.
4420832160

Подшипник (Bearing)

под заказпо запросу
4711832675

(последний код) ROULEMENT BILLE*BEARING-BALL

под заказпо запросу
46203DDUC3E NS7S5

     (не оригинальная запчасть) Подшипник 6203DDUC3E (6203DDUC3E NS7S5)

под заказ300 руб.
46203DDUC3E & NS7SX

     (не оригинальная запчасть) Подшипник 6203DDUC3E (6203DDUC3E & NS7SX)

под заказ440 руб.
5420937940

Вал (Shaft)

под заказпо запросу
5937940

(последний код) TUULETTIMEN AKSELI

под заказпо запросу
6420246015

Ключ (Key)

под заказ230 руб.
6420246011

(последний код) CLAVETTE *KEY-WOODRUFF

под заказ140 руб.
7420827650

Distance Гильза (Distance sleeve)

под заказ840 руб.
7827650

(последний код) HYLSY 17,3/28/2,8

под заказ830 руб.
8420980496

Belt disk (Belt disk)

под заказ980 руб.
8980495

(последний код) BELT PLATE (USE 420980495)

под заказ550 руб.
9420827080

Adj.Шайба 0.5 (Adj.washer 0.5)

под заказ290 руб.
9827080

(последний код) TASAUSLEVY 17.5/27/0.5

под заказ230 руб.
9420827082

Adj.Шайба 0.2 (Adj.washer 0.2)

под заказ230 руб.
9827082

(последний код) ADJUSTMENT PLATE 17.7 (K.420827082)

под заказ140 руб.
10420980523

Sвышеport Шайба (Support washer)

под заказ840 руб.
10420980522

(последний код) RONDELLE PROT. *WASHER-PROTEC.

под заказ470 руб.
11420866292

Fan (Fan)

под заказ7360 руб.
11866292

(последний код) TUULETINPYORA(USE 420866292)

под заказ4490 руб.
12420945756

Пружинная шайба (Spring washer)

под заказ230 руб.
12945756

(последний код) JOUSIRENGAS (USE 420945756)

под заказ140 руб.
13420942285

Гайка M16 (Nut M16)

под заказ450 руб.
13942285

(последний код) NUT (USE 420942285)

под заказ410 руб.
14414630800

Клиновидный ремень (V-belt)

под заказ1850 руб.
1000 руб.
14980511

(последний код) V-BELT Z24 (USE 414630800)

под заказ1150 руб.
1409-330

     (не оригинальная запчасть) Ремень вентилятора BRP 09-330

под заказ380 руб.
15420945751

Пружинная шайба (Spring washer)

под заказ140 руб.
15540802026

(последний код) RONDELLE-FREIN *WASHER-LOCK

под заказ110 руб.
16420840880

Allen Винт M6x30 (Allen screw M6x30)

под заказ230 руб.
16205063044

(последний код) SCREW-SOCKET HD.DIN.912

под заказ290 руб.
17420975695

Крышка вентилятора (Fan cover)

под заказ1920 руб.
17975695

(последний код) FAN HOUSING (USE 420975695)

под заказ1500 руб.
18420810543

нижний case (Выхлоп) (Lower case (exhaust))

под заказ9520 руб.
19420810546

нижний case (carb.) (Lower case (carb.))

под заказпо запросу
20420240385

Винт M6x12 (Screw M6x12)

под заказ290 руб.
21420842390

Гайка Пружина (Nut spring)

под заказ140 руб.
22420811295

верхний case (Upper case)

под заказ15630 руб.
22420811290

(последний код) DEFLECTEUR CYL.*COWL-CYL.

под заказ12220 руб.
23420827817

Cвыше Шайба (Cup washer)

под заказ980 руб.
24420960865

Rubber Шайба (Rubber washer)

под заказ150 руб.
24960865

(последний код) RUBBER RING (USE 420960865)

под заказ140 руб.
25420227935

Шайба (Washer)

под заказ370 руб.
26420945752

Шайба с блокировкой (Lock washer)

под заказ120 руб.
26402001600

(последний код) RONDELLE-FREIN *WASHER-LOCK#8

под заказ110 руб.
27420940581

Винт M8x16 (Screw M8x16)

под заказ230 руб.
27207181644

(последний код) SCREW-HEX.CAP DIN.933

под заказ290 руб.
28420926180

Шайба (Washer)

под заказ140 руб.
29420841495

Self Саморез (Self tapping screw)

под заказ170 руб.
29417300006

(последний код) SCREW-TAPPING 4,8 X 16

под заказ60 руб.
30420860940

Кабели Струбцина (Cable clamp)

под заказ350 руб.
31420941250

Винт M6x20 (Screw M6x20)

под заказ380 руб.
lynx

 
 

данный сайт носит информационный характер и не является публичной офертой

склад запчастей для водомоторной техники