вконтакте

Контактный телефон: +7 (981) 121-46-93, +7 (800) 200-90-76 , Email: parts-katalog@yandex.ru, где купить

 
 

  Логин:

Пароль:

Регистрация

www.partskatalog.ru Все каталоги Запчасти Mercury Запчасти Suzuki Запчасти Tohatsu Запчасти Honda Контакты



УВАЖАЕМЫЕ КЛИЕНТЫ!
C 19 ДЕКАБРЯ 2025 ПО 02 МАРТА 2026 ГОДА ОТДЕЛ ЗАПЧАСТЕЙ И СЕРВИС РАБОТАТЬ НЕ БУДУТ
ПРОДАЖА ЛОДОЧНЫХ МОТОРОВ В ШТАТНОМ РЕЖИМЕ
ОБ ИЗМЕНЕНИЯХ В ГРАФИКЕ РАБОТЫ ЧИТАЙТЕ НА САЙТА




Выбрать другую модель

назад Раздел:   вперёд

вернуться к списку узлов и деталей

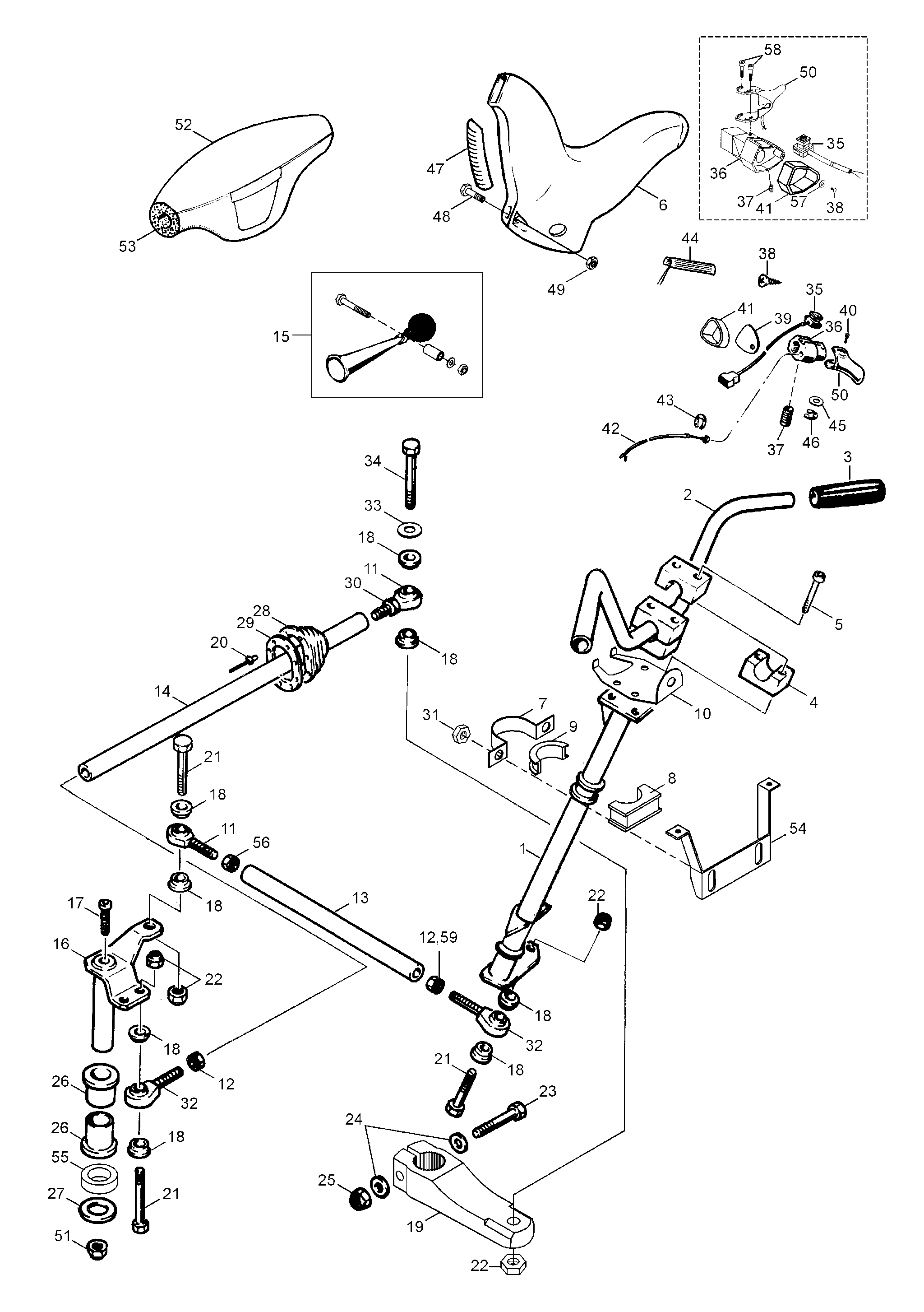
ДЕТАЛИРОВКА ДЛЯ МОДЕЛИ: LYNX Racing, 1999


Snow mobile Лункс  - Передняя подвеска / Front Suspension

Номер на
рисунке
АртикулНаименованиеКол-во
на складе
Цена
123085

Shock LYNX, ski. Includes items 1 thru 37 (Shock LYNX, ski. Includes items 1 thru 37)

под заказпо запросу
1WP361206701

Креплениеing дляk (Mounting fork)

под заказпо запросу
2WP36120709

Поршень Тяга (Piston rod)

под заказпо запросу
3WP36120548

Bumprubber (Bumprubber)

под заказпо запросу
4WP36120711

Винт Колпачок (Screw cap)

под заказпо запросу
5WP46810011

Уплотнительное кольцо (O-ring)

под заказпо запросу
6WP46810027

Пыльник (Dust seal)

под заказпо запросу
7WP36120064

Уплотнительное кольцо (O-ring)

под заказпо запросу
8WP36120712S

Адаптер (Adaptor)

под заказпо запросу
9WP36120710

Rebound Втулка (Rebound bush)

под заказпо запросу
10WP36120071

Поршень (Piston)

под заказпо запросу
11WP36120040

ПоршеньКольцо (Pistonring)

под заказпо запросу
12WP36120052

Гайка (Nut)

под заказпо запросу
13WP36120467

Protection Гильза (Protection sleeve)

под заказпо запросу
14WP40540015

Стопорное кольцо (Circlip)

под заказпо запросу
15WP36120106

Трубка (Tube)

под заказпо запросу
16WP36120019

Threaded Втулка (Threaded bush)

под заказпо запросу
17WP40540037

Уплотнительное кольцо (O-ring)

под заказпо запросу
18WP36120525

Bottom (Bottom)

под заказпо запросу
19WP36120643

Фиксатор пружины (Spring retainer)

под заказпо запросу
20WP93010112

Пружина d=9.25 (Spring d=9.25)

под заказпо запросу
21WP36120418

Фиксатор пружины (Spring retainer)

под заказпо запросу
22WP36120015

Фиксатор пружины (Spring retainer)

под заказпо запросу
23WP46811208

Резиновый колпачок (Rubber cap)

под заказпо запросу
24WP36120151

Nitrogen Заглушка (Nitrogen plug)

под заказпо запросу
25WP46810893

Уплотнительное кольцо (O-ring)

под заказпо запросу
26WP36120552

РезервуарКолпачок (Reservoircap)

под заказпо запросу
27WP40540037

Уплотнительное кольцо (O-ring)

под заказпо запросу
28WP36120556

Резервуар Трубка (Reservoir tube)

под заказпо запросу
29WP36120024

SeparationsПоршень (Separationspiston)

под заказпо запросу
30WP40540037

Уплотнительное кольцо (O-ring)

под заказпо запросу
31WP46810850S

Клапан Корпус (Valve housing)

под заказпо запросу
32WP36120466

Уплотнительное кольцо (O-ring)

под заказпо запросу
33WP46810022

Поршневые кольца (Piston ring)

под заказпо запросу
34WP46810334

Шайба с блокировкой (Lock washer)

под заказпо запросу
35WP46810327S

Регулятор Ручка (Adjuster knob)

под заказпо запросу
36WP46810208

Oil (Oil)

под заказпо запросу
37WP52000039

Lynx Наклейка (Lynx decal)

под заказпо запросу
38WP46811735

Silentblock (Silentblock)

под заказпо запросу
39413707400

Loctite 271, 10cc (Loctite 271, 10cc)

под заказ1680 руб.
39293800005

(последний код) LOCTITE 271 *LOCTITE-271

под заказ2150 руб.
40WP46811656

Диск (Disc)

под заказпо запросу
lynx

 
 

данный сайт носит информационный характер и не является публичной офертой

склад запчастей для водомоторной техники