вконтакте

Контактный телефон: +7 (981) 121-46-93, +7 (800) 200-90-76 , Email: parts-katalog@yandex.ru, где купить

 
 

  Логин:

Пароль:

Регистрация

www.partskatalog.ru Все каталоги Запчасти Mercury Запчасти Suzuki Запчасти Tohatsu Запчасти Honda Контакты



УВАЖАЕМЫЕ КЛИЕНТЫ!
C 19 ДЕКАБРЯ 2025 ПО 02 МАРТА 2026 ГОДА ОТДЕЛ ЗАПЧАСТЕЙ И СЕРВИС РАБОТАТЬ НЕ БУДУТ
ПРОДАЖА ЛОДОЧНЫХ МОТОРОВ В ШТАТНОМ РЕЖИМЕ
ОБ ИЗМЕНЕНИЯХ В ГРАФИКЕ РАБОТЫ ЧИТАЙТЕ НА САЙТА




Выбрать другую модель

назад Раздел:   вперёд

вернуться к списку узлов и деталей

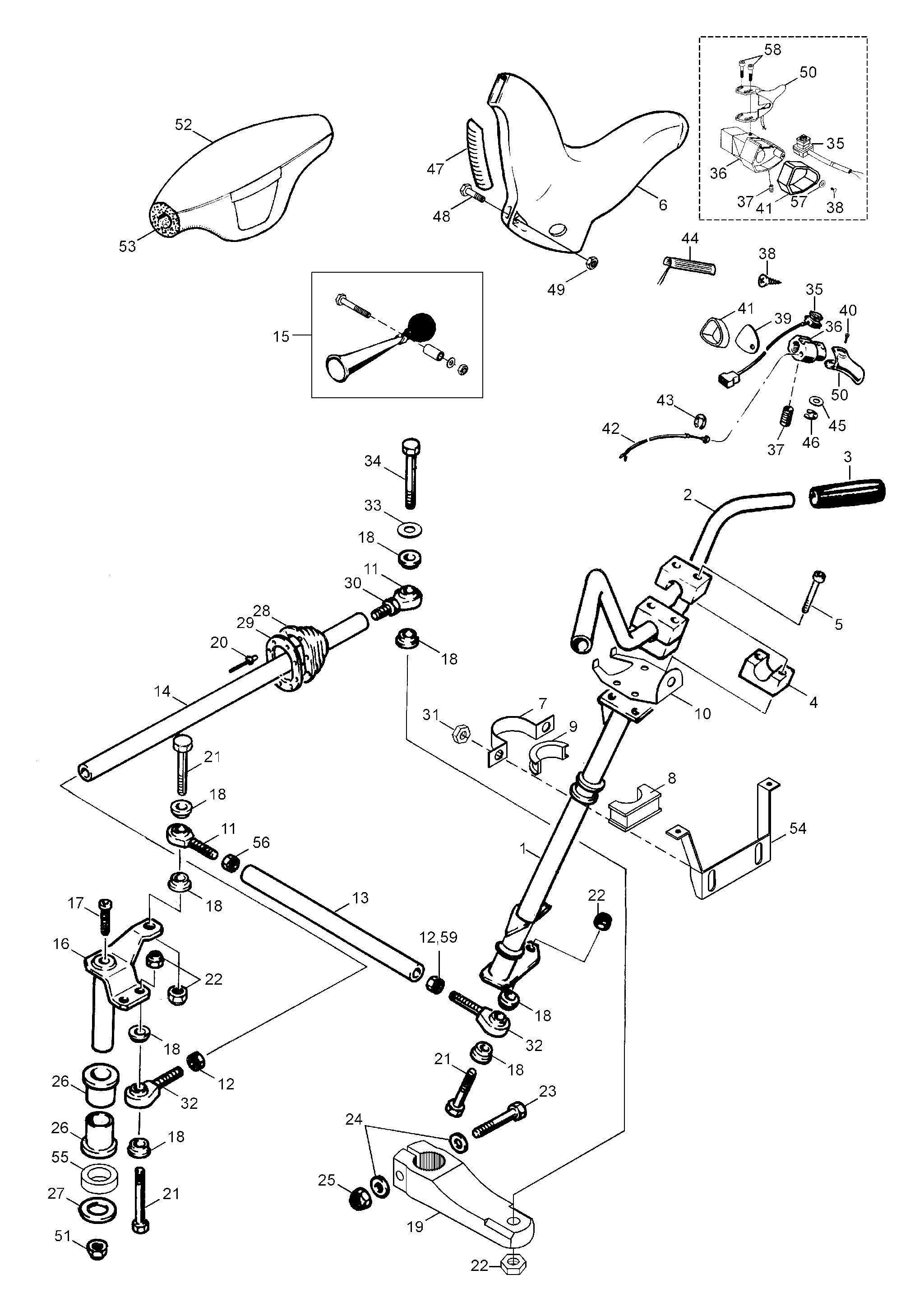
ДЕТАЛИРОВКА ДЛЯ МОДЕЛИ: LYNX G-Touring 700, 2000


Снегоходы Lynx  - Steering

Номер на
рисунке
АртикулНаименованиеКол-во
на складе
Цена
15343486

Подшипник (Bearing)

под заказ5370 руб.
240012

Винт M8x80 (Screw M8x80)

под заказ310 руб.
2

(последний код)

под заказпо запросу
3570068300

Tie-Тяга Колпачок (Tie-rod cap)

под заказ2430 руб.
45343720

Кронштейн (Bracket)

под заказ1100 руб.
55343597

Sвышеport для Подшипник (Support for bearing)

под заказ780 руб.
65344649

Рулевая система beam (Steering beam)

под заказпо запросу
75441549

Пластина (Plate)

под заказпо запросу
840290

Allen Винт M8x55 (Allen screw M8x55)

под заказ130 руб.
8M40290

(последний код) SCREW ALLEN M8 X 55

под заказ140 руб.
933011

Гайка elastic M8 (Nut elastic M8)

под заказ30 руб.
9232581414

(последний код) NUT-STOP ELASTIC DIN.985

под заказ140 руб.
1040042

Винт M10x35 (Screw M10x35)

под заказ230 руб.
10207103544

(последний код) SCREW-HEX.CAP ISO.4017

под заказ290 руб.
1133012

Гайка elastic M10 (Nut elastic M10)

под заказ40 руб.
11

(последний код)

под заказпо запросу
12311031L

Соединитель Шарик L.H. (Joint ball L.H.)

под заказ3180 руб.
133310934L

Гайка M10 (Nut M10)

под заказпо запросу
145343556

Tie Тяга (Tie Rod)

под заказ1150 руб.
15311031R

Соединитель Шарик, R.H. (Joint ball, R.H.)

под заказ3180 руб.
1640014

Винт M10x40 (Screw M10x40)

под заказ100 руб.
1731084

Glide Подшипник (Glide bearing)

под заказ1300 руб.
1832123

Spray oil (Spray oil)

под заказпо запросу
1931035

Стопорное кольцо (Circlip)

под заказ130 руб.
2033004

Гайка elastic M10 (Nut elastic M10)

под заказ20 руб.
20232006414

(последний код) NUT-HEXAGONAL DIN.934

под заказ290 руб.
215344322

Tie Тяга (Tie Rod)

под заказпо запросу
215343557

(последний код) ARM

под заказпо запросу
225343558

Tie Тяга (Tie Rod)

под заказпо запросу
2333069

Гайка M10 (Nut M10)

под заказ100 руб.
24413701700

Dielectric Смазка (Dielectric grease)

под заказпо запросу
255343040

Main Трубка (Main tube)

под заказ7300 руб.
2620005

Шайба (Washer)

под заказ140 руб.
26

(последний код)

под заказпо запросу
2731038

Стопорное кольцо (Circlip)

под заказ30 руб.
27

(последний код)

под заказпо запросу
2820010

Шайба (Washer)

под заказ210 руб.
28234082410

(последний код) WASHER-FLAT DIN.9021B

под заказ270 руб.
2927121

Tie rap (Tie rap)

под заказ60 руб.
305243030

Main Трубка верхний (Main tube upper)

под заказ4580 руб.
3134011

Смазочный фиттинг (Grease Fitting)

под заказ820 руб.
31

(последний код)

под заказпо запросу
3240305

Allen Винт M8x20 (Allen screw M8x20)

под заказ60 руб.
32

(последний код)

под заказпо запросу
3320014

Шайба с блокировкой (Lock washer)

под заказ20 руб.
345244519

Handle bar (Handle bar)

под заказ4800 руб.
3520105

Шайба, hardened (Washer, hardened)

под заказ110 руб.
3520005

(последний код) RONDELLE *WASHER

под заказ140 руб.
36515175387

Heating element (Heating element)

под заказ2910 руб.
36515175573

(последний код) ELEMENT CHAUFF.*HEATER

под заказ4140 руб.
375340464

Рукоятка (Grip)

под заказ610 руб.
37541662

(последний код) GAINE POIGNEE *GRIP-HANDLE

под заказ470 руб.
38548448

Рулевая система Струбцина (Steering clamp)

под заказ400 руб.
38

(последний код)

под заказпо запросу
3940131

Allen Винт M8x40 (Allen screw M8x40)

под заказ100 руб.
405242077

Рулевая колодка foam (Steering pad foam)

под заказ2610 руб.
415244989

Крышка (Cover)

под заказпо запросу
42414612700

Переключатель kill (Switch kill)

под заказпо запросу
42515176725

(последний код) INTER.URGENCE *SWITCH-KILL

под заказпо запросу
42SM-01572

     (не оригинальная запчасть) Кнопка выключения двигателя BRP SM-01572

под заказ3 390 руб.
43414440800

Винт M8x10 (Screw M8x10)

под заказ290 руб.
43114144408

(последний код) SCREW

под заказ220 руб.
44414473200

Винт (Screw)

под заказ230 руб.
44211000098

(последний код) SCREW-THREAD CUT.PH.PAN TYPE25

под заказ290 руб.
45732601143

Винт (Screw)

под заказ260 руб.
45732601055

(последний код) SCREW-SHOULDER

под заказ240 руб.
4620026

Шайба (Washer)

под заказпо запросу
462099026

(последний код) RONDELLE *WASHER

под заказпо запросу
475341802

Heated Дроссель handle (Heated throttle handle)

под заказпо запросу
49572028600

Дроссель handle hous. (Throttle handle hous.)

под заказпо запросу
49572014100

(последний код) LOGEMENT ACC. *HOUSING-THROTT

под заказпо запросу
50547068

Шайба (Washer)

под заказпо запросу
5140134

Allen Винт M10x45 (Allen screw M10x45)

под заказ230 руб.
51

(последний код)

под заказпо запросу
535241349

Тросик дросселя (Throttle cable)

под заказ9300 руб.
5421003

Condor Horn (Condor Horn)

под заказпо запросу
54415040700

(последний код) AVERTISSEUR *HORN

под заказ1980 руб.
5520105

Шайба (washer)

под заказ110 руб.
5520005

(последний код) RONDELLE *WASHER

под заказ140 руб.
lynx

 
 

данный сайт носит информационный характер и не является публичной офертой

склад запчастей для водомоторной техники