вконтакте

Контактный телефон: +7 (981) 121-46-93, +7 (800) 200-90-76 , Email: parts-katalog@yandex.ru, где купить

 
 

  Логин:

Пароль:

Регистрация

www.partskatalog.ru Все каталоги Запчасти Mercury Запчасти Suzuki Запчасти Tohatsu Запчасти Honda Контакты



УВАЖАЕМЫЕ КЛИЕНТЫ!
C 19 ДЕКАБРЯ 2025 ПО 02 МАРТА 2026 ГОДА ОТДЕЛ ЗАПЧАСТЕЙ И СЕРВИС РАБОТАТЬ НЕ БУДУТ
ПРОДАЖА ЛОДОЧНЫХ МОТОРОВ В ШТАТНОМ РЕЖИМЕ
ОБ ИЗМЕНЕНИЯХ В ГРАФИКЕ РАБОТЫ ЧИТАЙТЕ НА САЙТА




Выбрать другую модель

назад Раздел:   вперёд

вернуться к списку узлов и деталей

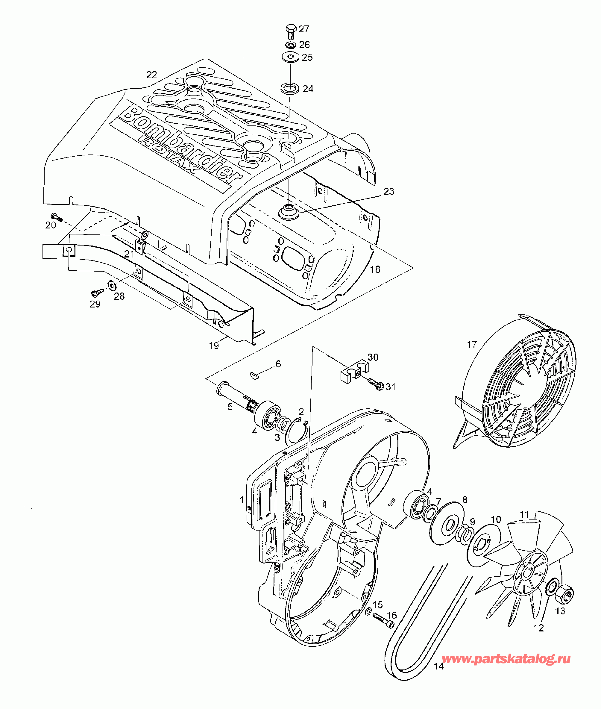
ДЕТАЛИРОВКА ДЛЯ МОДЕЛИ: LYNX G-Touring 600, 2000


Snowmobile Lynx  - Battery / Battery

Номер на
рисунке
АртикулНаименованиеКол-во
на складе
Цена
1420995430

Электростартер в сборе (Electric starter assy)

под заказпо запросу
1995430

(последний код) ELECTRIC STARTER ASSY

под заказпо запросу
25345743

Back fastening (Back fastening)

под заказпо запросу
35245742

Держатель (Holder)

под заказ5470 руб.
420002

Шайба (Washer)

под заказ120 руб.
4827800

(последний код) WASHER

под заказ90 руб.
533009

Гайка elastic M5 (Nut elastic M5)

под заказпо запросу
5

(последний код)

под заказпо запросу
6415043100

Кольцо Шестерня (Ring gear)

под заказ9390 руб.
6417222858

(последний код) COUR.LANCEMENT *GEAR-RING

под заказ12000 руб.
7732601246

Винт M8x16 (Screw M8x16)

под заказ900 руб.
7236281684

(последний код) SCREW-FORMING BN.HD.TORX

под заказ1150 руб.
831081

Шайба (Washer)

под заказ40 руб.
9420899788

Loctite 648, зелёный (Loctite 648, green)

под заказпо запросу
9899788

(последний код) LOCTITE 648, VUHREA 5 G

под заказпо запросу
105243970

Battery sвышеport. Includes items 10 thru 17 (Battery support. Includes items 10 thru 17)

под заказпо запросу
105342069

Battery bottom (Battery bottom)

под заказ550 руб.
115342070

Battery Крышка (Battery cover)

под заказ520 руб.
125341035

Battery fix (Battery fix)

под заказ2040 руб.
135343968

Bottom fastening of batte (Bottom fastening of batte)

под заказпо запросу
14549888

Fastening welded (Fastening welded)

под заказпо запросу
1540031

Винт M6x25 (Screw M6x25)

под заказ30 руб.
1620052

Пружинная шайба (Spring washer)

под заказ120 руб.
16234161471

(последний код) WASHER-LOCK BLACK DIN.127B

под заказ130 руб.
1736083

Заклёпка (Rivet)

под заказ30 руб.
1736108

(последний код) RIVET STEEL 4.8X8 ZN BRIGHT PASSIVETED

под заказ40 руб.
18420992817

Relais (Relais)

под заказ10230 руб.
18992817

(последний код) RALAIS *RELAY-STARTER

под заказ9390 руб.
19549264

Выпрямитель (Rectifier)

под заказ7160 руб.
19515175546

(последний код) Voltage Regulator Skandic, 2000

под заказ11030 руб.
2040066

Allen Винт M8x16 (Allen screw M8x16)

под заказ50 руб.
20

(последний код)

под заказпо запросу
2133010

Гайка elastic M6 (Nut elastic M6)

под заказ20 руб.
21842042

(последний код) LOCKING NUT (USE 33010)

под заказ20 руб.
2220009

Шайба (Washer)

под заказпо запросу
22542376

(последний код) WASHER

под заказпо запросу
2342215

Battery (Battery)

под заказ4810 руб.
23

(последний код)

под заказпо запросу
2439055

Шланг (Hose)

под заказ270 руб.
255445079

Shelter Пластина (Shelter plate)

под заказ790 руб.
2627036

Tie rap (Tie rap)

под заказ110 руб.
2727010

Tie rap (Tie rap)

под заказпо запросу
2820014

Шайба с блокировкой (Lock washer)

под заказ20 руб.
29570151000

Защита Колпачок (Protector cap)

под заказ1350 руб.
29673580

(последний код) CAPUCHON PROT. *CAP-PROTECTION

под заказ810 руб.
3027026

Tie rap (Tie rap)

под заказ110 руб.
30414115200

(последний код) Гарантийный комплект TIE-RAP 180 MM

под заказ130 руб.
31414227300

Струбцина (Clamp)

под заказ290 руб.
31414943400

(последний код) PINCE *CLIP

под заказ230 руб.
32413706400

Lithium-Смазка (Lithium-grease)

под заказпо запросу
33413703000

Loctite 242, 10cc (Loctite 242, 10cc)

под заказ1680 руб.
33293800060

(последний код) LOCTITE 243 *LOCTITE-243

под заказ2150 руб.
345445807

Кабели, - (Cable, -)

под заказ1180 руб.
355442150

Кабели, relais -> Стартер (Cable, relais -> starter)

под заказпо запросу
36542519

Кабели, + -> relais (Cable, + -> relais)

под заказ1300 руб.
3740839

Винт (Screw)

под заказ70 руб.
37

(последний код)

под заказпо запросу
3820009

Шайба (Washer)

под заказпо запросу
38542376

(последний код) WASHER

под заказпо запросу
3920008

Шайба (Washer)

под заказ30 руб.
39

(последний код)

под заказпо запросу
4020013

Пружинная шайба (Spring washer)

под заказпо запросу
4140115

Винт M6x12 (Screw M6x12)

под заказ30 руб.
41061010

(последний код) SCREW-HEX. M6X10 DIN 933 M8.8 ZNE

под заказ20 руб.
4220003

Шайба (Washer)

под заказ20 руб.
42

(последний код)

под заказпо запросу
435442082

Провод (Wire)

под заказпо запросу
4440305

Allen Винт M8x20 (Allen screw M8x20)

под заказ60 руб.
44

(последний код)

под заказпо запросу
4520014

Шайба с блокировкой (Lock washer)

под заказ20 руб.
lynx

 
 

данный сайт носит информационный характер и не является публичной офертой

склад запчастей для водомоторной техники