вконтакте

Контактный телефон: +7 (981) 121-46-93, +7 (800) 200-90-76 , Email: parts-katalog@yandex.ru, где купить

 
 

  Логин:

Пароль:

Регистрация

www.partskatalog.ru Все каталоги Запчасти Mercury Запчасти Suzuki Запчасти Tohatsu Запчасти Honda Контакты



УВАЖАЕМЫЕ КЛИЕНТЫ!
C 19 ДЕКАБРЯ 2025 ПО 02 МАРТА 2026 ГОДА ОТДЕЛ ЗАПЧАСТЕЙ И СЕРВИС РАБОТАТЬ НЕ БУДУТ
ПРОДАЖА ЛОДОЧНЫХ МОТОРОВ В ШТАТНОМ РЕЖИМЕ
ОБ ИЗМЕНЕНИЯХ В ГРАФИКЕ РАБОТЫ ЧИТАЙТЕ НА САЙТА




Выбрать другую модель

назад Раздел:   вперёд

вернуться к списку узлов и деталей

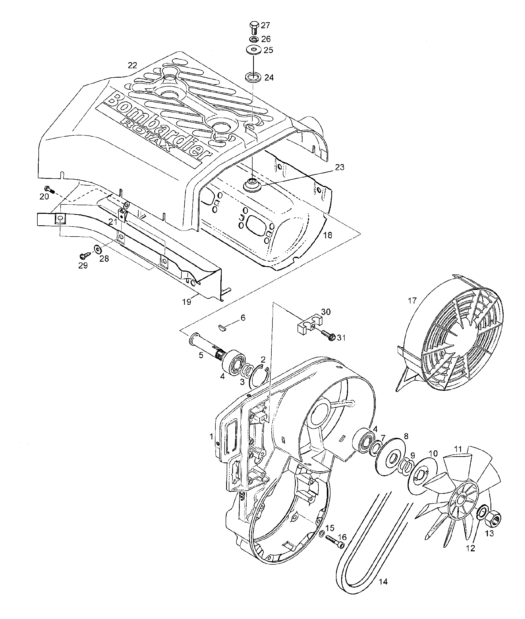
ДЕТАЛИРОВКА ДЛЯ МОДЕЛИ: LYNX 5900 ST, 2000


Снегоход Лункс  - Battery - Battery

Номер на
рисунке
АртикулНаименованиеКол-во
на складе
Цена
1410301100

Battery. Includes items 1 thru 5 (Battery. Includes items 1 thru 5)

под заказ5730 руб.
1410301201

(последний код) BATTERY (DRY) Y50-N18L-A

под заказ8110 руб.
1FTX24HL-BS

     (не оригинальная запчасть) Аккумулятор FTX24HL-BS (YTX24HL-BS)

под заказ10 260 руб.
1F50-N18L-A

     (не оригинальная запчасть) Аккумулятор F50-N18L-A (Y50-N18L-A)

под заказ7 960 руб.
2410300800

Колпачок (Cap)

под заказ320 руб.
3391302100

Шайба (Washer)

под заказ130 руб.
3399901500

(последний код) WASHER-FLAT

под заказ110 руб.
433002

Гайка M6 (Nut M6)

под заказ20 руб.
4081200

(последний код) NUT (USE 33002)

под заказ20 руб.
5222061665

Винт M6x16 (Screw M6x16)

под заказпо запросу
5702000778

(последний код) VIS *BOLT

под заказпо запросу
6570022000

Battery Крышка (Battery cover)

под заказпо запросу
740035

Винт M8x16 (Screw M8x16)

под заказ60 руб.
7

(последний код)

под заказпо запросу
839055

Шланг (Hose)

под заказ270 руб.
927025

Кабели Защелка (Cable Fastener)

под заказ170 руб.
1040066

Allen Винт M8x16 (Allen screw M8x16)

под заказ50 руб.
10

(последний код)

под заказпо запросу
115442811

Battery Кронштейн (Battery Bracket)

под заказ600 руб.
1240031

Винт M6x25 (Screw M6x25)

под заказ30 руб.
135443516

Chargening Кабели (Chargening cable)

под заказпо запросу
1427026

Tie Rap (Tie Rap)

под заказ110 руб.
14414115200

(последний код) Гарантийный комплект TIE-RAP 180 MM

под заказ130 руб.
1520009

Шайба (Washer)

под заказпо запросу
15542376

(последний код) WASHER

под заказпо запросу
16549264

Выпрямитель ass’y (Rectifier ass’y)

под заказ7160 руб.
16515175546

(последний код) Voltage Regulator Skandic, 2000

под заказ11030 руб.
17420992817

Стартер Реле (Starter relay)

под заказ10230 руб.
17992817

(последний код) RALAIS *RELAY-STARTER

под заказ9390 руб.
18413706400

Litium-Смазка (Litium-grease)

под заказпо запросу
1933200

Гайка M6 (Nut M6)

под заказпо запросу
1933072

(последний код) NUT-FLANGE HEX. M6 DIN 6927 8.8 YIC

под заказпо запросу
205443514

Провод заземления (Ground wire)

под заказпо запросу
21570151000

Колпачок protection (Cap protection)

под заказ1350 руб.
21673580

(последний код) CAPUCHON PROT. *CAP-PROTECTION

под заказ810 руб.
22236281684

Винт M8x16 (Screw M8x16)

под заказ1150 руб.
22732601246

(последний код) SCREW-FORMING BN.HD.TORX

под заказ900 руб.
23413707400

Loctite 271, 10cc (Loctite 271, 10cc)

под заказ1680 руб.
23293800005

(последний код) LOCTITE 271 *LOCTITE-271

под заказ2150 руб.
24415043100

Кольцо-Шестерня (Ring-gear)

под заказ9390 руб.
24417222858

(последний код) COUR.LANCEMENT *GEAR-RING

под заказ12000 руб.
2540036

Винт M8x20 (Screw M8x20)

под заказ60 руб.
25528801382

(последний код) SCREW

под заказ50 руб.
2620014

Шайба с блокировкой (Lock washer)

под заказ20 руб.
27539431

Стартер Кронштейн (Starter bracket)

под заказпо запросу
2840305

Allen Винт M8x20 (Allen screw M8x20)

под заказ60 руб.
28

(последний код)

под заказпо запросу
29420995430

Стартер в сборе (Starter assy)

под заказпо запросу
29995430

(последний код) ELECTRIC STARTER ASSY

под заказпо запросу
30539432

Стартер Кронштейн (MAG) (Starter bracket (MAG))

под заказ1910 руб.
3133009

Гайка elastic M5 (Nut elastic M5)

под заказпо запросу
31

(последний код)

под заказпо запросу
3220002

Шайба (Washer)

под заказ120 руб.
32827800

(последний код) WASHER

под заказ90 руб.
3333010

Гайка elastic M6 (Nut elastic M6)

под заказ20 руб.
33842042

(последний код) LOCKING NUT (USE 33010)

под заказ20 руб.
3420013

Шайба с блокировкой (Lock washer)

под заказпо запросу
3520008

Шайба (Washer)

под заказ30 руб.
35

(последний код)

под заказпо запросу
365440815

Battery Провод + Трубопровод (Battery wire + tubing)

под заказпо запросу
375443515

+Кабели для Реле (+Cable for relay)

под заказпо запросу
lynx

 
 

данный сайт носит информационный характер и не является публичной офертой

склад запчастей для водомоторной техники