вконтакте

Контактный телефон: +7 (981) 121-46-93, +7 (800) 200-90-76 , Email: parts-katalog@yandex.ru, где купить

 
 

  Логин:

Пароль:

Регистрация

www.partskatalog.ru Все каталоги Запчасти Mercury Запчасти Suzuki Запчасти Tohatsu Запчасти Honda Контакты



УВАЖАЕМЫЕ КЛИЕНТЫ!
C 19 ДЕКАБРЯ 2025 ПО 02 МАРТА 2026 ГОДА ОТДЕЛ ЗАПЧАСТЕЙ И СЕРВИС РАБОТАТЬ НЕ БУДУТ
ПРОДАЖА ЛОДОЧНЫХ МОТОРОВ В ШТАТНОМ РЕЖИМЕ
ОБ ИЗМЕНЕНИЯХ В ГРАФИКЕ РАБОТЫ ЧИТАЙТЕ НА САЙТА




Выбрать другую модель

назад Раздел:   вперёд

вернуться к списку узлов и деталей

ДЕТАЛИРОВКА ДЛЯ МОДЕЛИ: LYNX Rave 800 Special, 2001


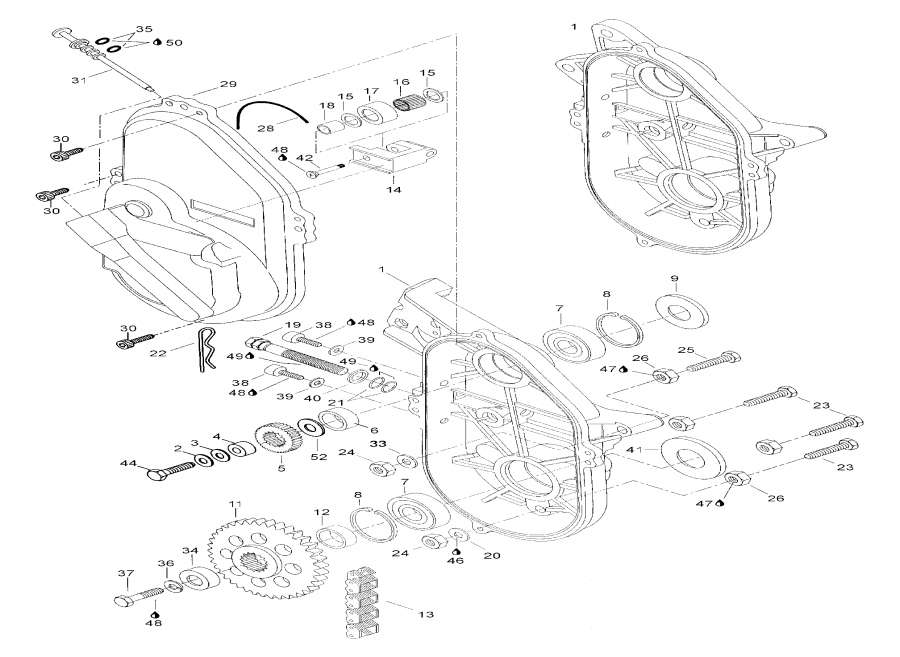
Snowmobile lynx  - Ведомый шкив

Номер на
рисунке
АртикулНаименованиеКол-во
на складе
Цена
1206263044

Винт (Screw)

под заказ580 руб.
1223563065

(последний код) SCREW-SET SOCKET DIN.913

под заказ450 руб.
2232061414

Гайка (Nut)

под заказ290 руб.
2540802021

(последний код) NUT-HEX.M6

под заказ230 руб.
3504141800

Шайба (Washer)

под заказ410 руб.
4413703100

Loctite 609 10cc (Loctite 609 10cc)

под заказ2150 руб.
5420245370

Шайба (Washer)

под заказ80 руб.
5245370

(последний код) KITKALEVY(USE 420245370)

под заказ60 руб.
6417126486

Sliding Шкив в сборе. Includes items 6 thru 9 (Sliding pulley assy. Includes items 6 thru 9)

под заказ25800 руб.
6504144000

(последний код) FLASQUE COUL.AS*FLANGE-SLID.AS

под заказ23700 руб.
7414918000

Cam slide shoe (Cam slide shoe)

под заказ380 руб.
7414579300

(последний код) GLISSIERE CAME *SHOE-CAM SLIDE

под заказ450 руб.
8415011200

Втулка (Bushing)

под заказ2850 руб.
9414876600

Втулка garlock (Bushing garlock)

под заказ2920 руб.
10417126477

Fixed half Шкив в сборе (Fixed half pulley assy)

под заказ23600 руб.
10417010200

(последний код) FLASQUE FIXE US*FLANGE-FIX.MAC

под заказ21600 руб.
11210251180

Hex. Саморез (Hex. tapping screw)

под заказ290 руб.
11732601067

(последний код) SCREW-FORMING HEX.HD.FL.GM6174

под заказ230 руб.
12AT-08541

     (не оригинальная запчасть) Пыльник шрус AT-08541

под заказ1 460 руб.
12201-409F-01B.001

     (не оригинальная запчасть) Привод для Yamaha 201-409F-01B.001

под заказ17 260 руб.
12201-410R-01L.001

     (не оригинальная запчасть) Привод для Yamaha 201-410R-01L.001

под заказ17 260 руб.
12201-423R-01B.001

     (не оригинальная запчасть) Привод для Yamaha 201-423R-01B.001

под заказ17 260 руб.
12201-410R-01R.001

     (не оригинальная запчасть) Привод для Yamaha 201-410R-01R.001

под заказ17 260 руб.
12AT-08540

     (не оригинальная запчасть) Пыльник шрус AT-08540

под заказ1 390 руб.
12010-824PK

     (не оригинальная запчасть) Поршневой к-т Yamaha 1300R (номинал) 010-824PK

под заказ12 950 руб.
126A0-24421-01

     (не оригинальная запчасть) Клапаны в топливный насос Yamaha 6A0-24421-01

под заказнет данных
12AT-01100

     (не оригинальная запчасть) Реле стартера Yamaha AT-01100

под заказ2 810 руб.
12SM-01109

     (не оригинальная запчасть) Задний фонарь Yamaha SM-01109

под заказ3 300 руб.
126H3-11181-A0

     (не оригинальная запчасть) Прокладка под головку Yamaha 6H3-11181-A0

под заказнет данных
12010-495-01K

     (не оригинальная запчасть) Ремкомплект RAVE клапана BRP 787RFI 010-495-01K

под заказ19 400 руб.
12SM-01364

     (не оригинальная запчасть) Статор BRP SM-01364

под заказ23 730 руб.
1218-3551

     (не оригинальная запчасть) Термостат Mercruiser 18-3551

под заказ1 990 руб.
12NW-40006

     (не оригинальная запчасть) Поршневой к-т Yamaha 1300R (номинал) NW-40006

под заказ10 870 руб.
12SM-07213

     (не оригинальная запчасть) Топливный насос BRP SM-07213

под заказ9 930 руб.
12SM-07214

     (не оригинальная запчасть) Топливный насос Yamaha SM-07214

под заказ6 890 руб.
12SM-03287

     (не оригинальная запчасть) Ремкомплект ведомого вариатора Arctic Cat SM-03287

под заказ3 130 руб.
12ATV-YA-804

     (не оригинальная запчасть) Привод для квадроцикла Yamaha ATV-YA-804

под заказ14 400 руб.
12ATV-YA-809

     (не оригинальная запчасть) Привод для квадроцикла Yamaha ATV-YA-809

под заказ14 400 руб.
12SC-GS090

     (не оригинальная запчасть) Прокладка под головку Yamaha SC-GS090

под заказ1 740 руб.
12ATV-YA-808

     (не оригинальная запчасть) Привод для Yamaha ATV-YA-808

под заказ14 400 руб.
12ATV-YA-803

     (не оригинальная запчасть) Привод для Yamaha ATV-YA-803

под заказ14 400 руб.
12SM-10108

     (не оригинальная запчасть) Ремкомплект помпы охлаждения Polaris SM-10108

под заказ10 800 руб.
12SM-10107

     (не оригинальная запчасть) Ремкомплект помпы охлаждения Polaris SM-10107

под заказ15 300 руб.
13414820800

Ключ (Key)

под заказ480 руб.
14371903100

Стопорное кольцо (Circlip)

под заказ800 руб.
14140004

(последний код) CIRCLIP

под заказ630 руб.
15504152070

Пружина, белый (Spring, white)

под заказ2640 руб.
15415092800

(последний код) RESSORT *SPRING

под заказ1700 руб.
16504141900

Упорная шайба (Thrust washer)

под заказ520 руб.
16504091500

(последний код) RONDELLE BUTEE *WASHER-STOPPER

под заказ470 руб.
17504142000

Cвыше (Cup)

под заказ3130 руб.
17504136700

(последний код) COUPOLE *CUP

под заказ2450 руб.
18504142100

Кольцо (Ring)

под заказпо запросу
18504137000

(последний код) CERCEAU *RING

под заказпо запросу
2040089

Винт M8x75 (Screw M8x75)

под заказ90 руб.
20

(последний код)

под заказпо запросу
21517302322

Шайба (Washer)

под заказ840 руб.
21517293300

(последний код) RONDELLE *WASHER

под заказ950 руб.
lynx

 
 

данный сайт носит информационный характер и не является публичной офертой

склад запчастей для водомоторной техники