вконтакте

Контактный телефон: +7 (981) 121-46-93, +7 (800) 200-90-76 , Email: parts-katalog@yandex.ru, где купить

 
 

  Логин:

Пароль:

Регистрация

www.partskatalog.ru Все каталоги Запчасти Mercury Запчасти Suzuki Запчасти Tohatsu Запчасти Honda Контакты



УВАЖАЕМЫЕ КЛИЕНТЫ!
C 19 ДЕКАБРЯ 2025 ПО 02 МАРТА 2026 ГОДА ОТДЕЛ ЗАПЧАСТЕЙ И СЕРВИС РАБОТАТЬ НЕ БУДУТ
ПРОДАЖА ЛОДОЧНЫХ МОТОРОВ В ШТАТНОМ РЕЖИМЕ
ОБ ИЗМЕНЕНИЯХ В ГРАФИКЕ РАБОТЫ ЧИТАЙТЕ НА САЙТА




Выбрать другую модель

назад Раздел:   вперёд

вернуться к списку узлов и деталей

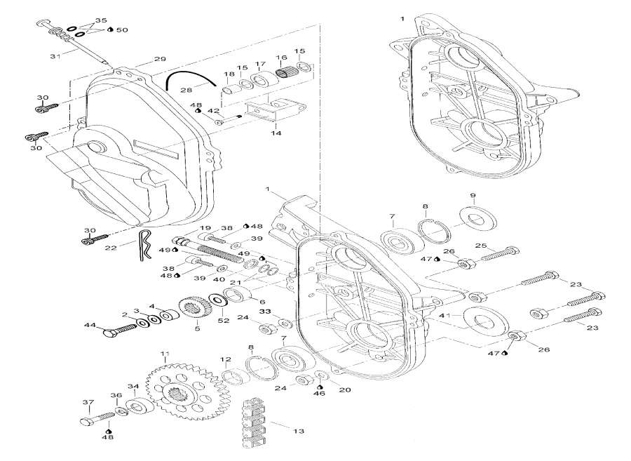
ДЕТАЛИРОВКА ДЛЯ МОДЕЛИ: LYNX Enduro 700 Special, 2001


Snowmobiles lynx  - Driven Pulley / Ведомый шкив

Номер на
рисунке
АртикулНаименованиеКол-во
на складе
Цена
1206263044

Винт (Screw)

под заказ580 руб.
1223563065

(последний код) SCREW-SET SOCKET DIN.913

под заказ450 руб.
2232061414

Гайка (Nut)

под заказ290 руб.
2540802021

(последний код) NUT-HEX.M6

под заказ230 руб.
3504141800

Шайба (Washer)

под заказ410 руб.
4413703100

Loctite 609 10cc (Loctite 609 10cc)

под заказ2150 руб.
5420245370

Шайба (Washer)

под заказ80 руб.
5245370

(последний код) KITKALEVY(USE 420245370)

под заказ60 руб.
6417126486

Sliding Шкив в сборе. Includes items 6 thru 9 (Sliding pulley assy. Includes items 6 thru 9)

под заказ25800 руб.
6504144000

(последний код) FLASQUE COUL.AS*FLANGE-SLID.AS

под заказ23700 руб.
7414918000

Cam slide shoe (Cam slide shoe)

под заказ380 руб.
7414579300

(последний код) GLISSIERE CAME *SHOE-CAM SLIDE

под заказ450 руб.
8415011200

Втулка (Bushing)

под заказ2850 руб.
9414876600

Втулка garlock (Bushing garlock)

под заказ2920 руб.
10417126477

Fixed half Шкив в сборе (Fixed half pulley assy)

под заказ23600 руб.
10417010200

(последний код) FLASQUE FIXE US*FLANGE-FIX.MAC

под заказ21600 руб.
11210251180

Hex. Саморез (Hex. tapping screw)

под заказ290 руб.
11732601067

(последний код) SCREW-FORMING HEX.HD.FL.GM6174

под заказ230 руб.
12417126343

Cam 50 градусовr. (Cam 50 degr.)

под заказ11090 руб.
12504096100

(последний код) CAME USINE 50 *CAM-MACH.50

под заказ10190 руб.
13414820800

Ключ (Key)

под заказ480 руб.
14371903100

Стопорное кольцо (Circlip)

под заказ800 руб.
14140004

(последний код) CIRCLIP

под заказ630 руб.
15504152070

Пружина, белый (Spring, white)

под заказ2640 руб.
15415092800

(последний код) RESSORT *SPRING

под заказ1700 руб.
16504141900

Упорная шайба (Thrust washer)

под заказ520 руб.
16504091500

(последний код) RONDELLE BUTEE *WASHER-STOPPER

под заказ470 руб.
17504142000

Cвыше (Cup)

под заказ3130 руб.
17504136700

(последний код) COUPOLE *CUP

под заказ2450 руб.
18504142100

Кольцо (Ring)

под заказпо запросу
18504137000

(последний код) CERCEAU *RING

под заказпо запросу
2040089

Винт M8x75 (Screw M8x75)

под заказ90 руб.
20

(последний код)

под заказпо запросу
21517302322

Шайба (Washer)

под заказ840 руб.
21517293300

(последний код) RONDELLE *WASHER

под заказ950 руб.
lynx

 
 

данный сайт носит информационный характер и не является публичной офертой

склад запчастей для водомоторной техники