вконтакте

Контактный телефон: +7 (981) 121-46-93, +7 (800) 200-90-76 , Email: parts-katalog@yandex.ru, где купить

 
 

  Логин:

Пароль:

Регистрация

www.partskatalog.ru Все каталоги Запчасти Mercury Запчасти Suzuki Запчасти Tohatsu Запчасти Honda Контакты



УВАЖАЕМЫЕ КЛИЕНТЫ!
C 19 ДЕКАБРЯ 2025 ПО 02 МАРТА 2026 ГОДА ОТДЕЛ ЗАПЧАСТЕЙ И СЕРВИС РАБОТАТЬ НЕ БУДУТ
ПРОДАЖА ЛОДОЧНЫХ МОТОРОВ В ШТАТНОМ РЕЖИМЕ
ОБ ИЗМЕНЕНИЯХ В ГРАФИКЕ РАБОТЫ ЧИТАЙТЕ НА САЙТА




Выбрать другую модель

назад Раздел:   вперёд

вернуться к списку узлов и деталей

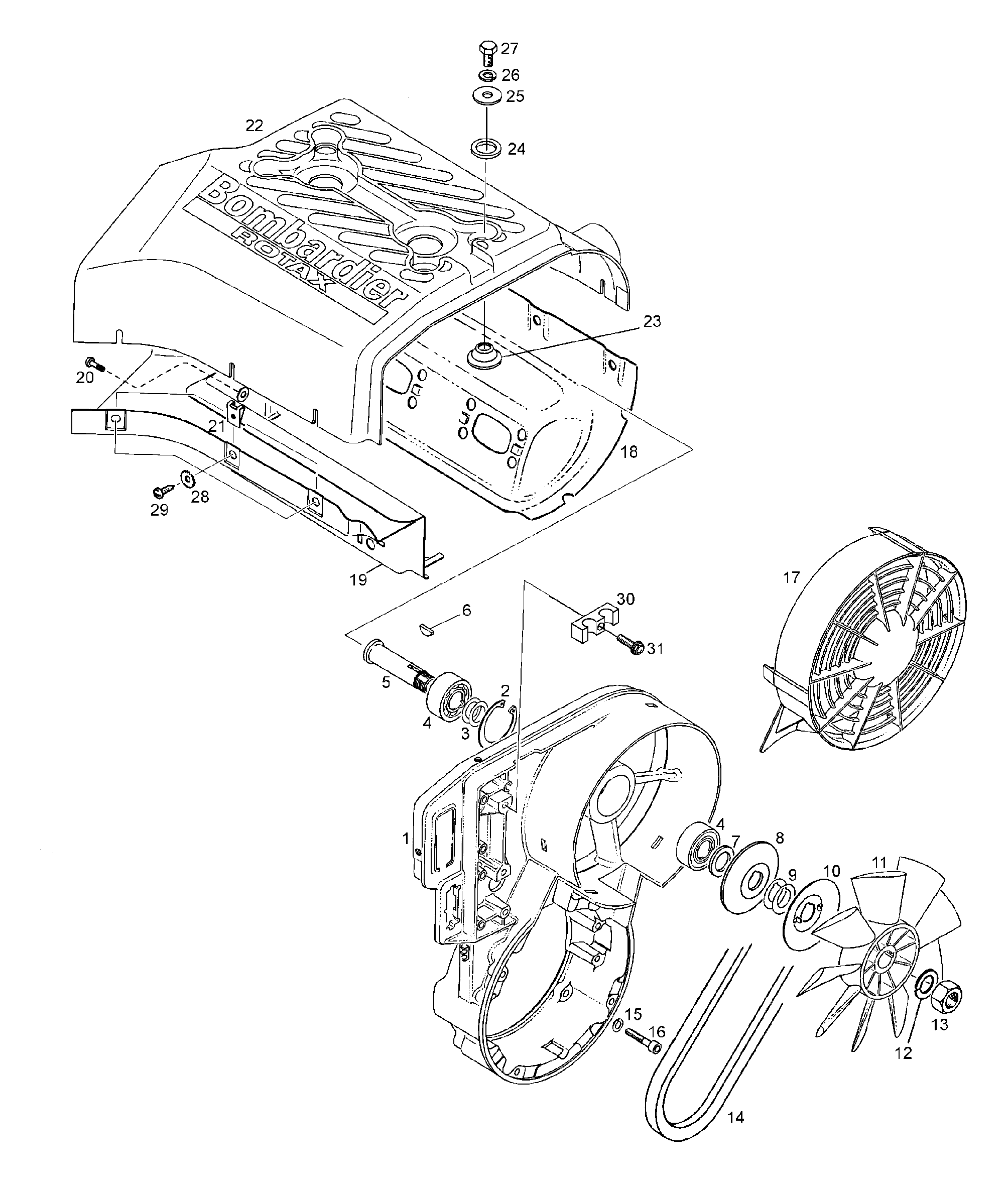
ДЕТАЛИРОВКА ДЛЯ МОДЕЛИ: LYNX Enduro 700 Special, 2001


Snowmobile Лункс  - Radiator, Hoses - Radiator, Шлангs

Номер на
рисунке
АртикулНаименованиеКол-во
на складе
Цена
15246130

Radiator (Radiator)

под заказ12720 руб.
236489

Заклёпка (Rivet)

под заказ80 руб.
2

(последний код)

под заказпо запросу
3509000115

Coolant-tank (Coolant-tank)

под заказ3950 руб.
3509000134

(последний код) RES.ANTIGEL *TANK-COOLANT

под заказ6280 руб.
4509000001

Шланг (Hose)

под заказ1900 руб.
4509000135

(последний код) BOYAU ENTRE MOT*HOSE-INLET ENG

под заказ2430 руб.
5509000046

Двигатель выход Шланг (Engine outlet hose)

под заказ3220 руб.
65346350

Radiator вход Шланг (Radiator inlet hose)

под заказ4150 руб.
75346349

Шланг (Hose)

под заказ5050 руб.
8509000005

Шланг (Hose)

под заказпо запросу
8509000112

(последний код) BOYAU *HOSE

под заказпо запросу
9517297100

Front radiator (Front radiator)

под заказпо запросу
10408800400

Шланг Струбцина (Hose clamp)

под заказ1150 руб.
10740002006

(последний код) COLLIER SERRAGE*CLAMP-GEAR

под заказ900 руб.
11509000045

Шланг Струбцина (Hose clamp)

под заказ720 руб.
12414684700

Колпачок pressure (Cap pressure)

под заказ1680 руб.
12509000187

(последний код) BOUCHON RADIAT.*PRESSURE CAP

под заказ2150 руб.
12SM-10005

     (не оригинальная запчасть) Крышка расширительного бачка BRP/Polaris SM-10005

под заказ890 руб.
1339038

Overflow Шланг 9.5 / 6.5 (Overflow hose 9.5/6.5)

под заказ580 руб.
14390003

Protective shield (Protective shield)

под заказ840 руб.
15512047000

Датчик температура (Sender temperature)

под заказ3640 руб.
16293800018

Loctite 592, 50ml (Loctite 592, 50ml)

под заказ2800 руб.
16413702300

(последний код) ENDUIT ETANCHE *SEALANT-TEFLON

под заказ2360 руб.
1736083

Заклёпка (Rivet)

под заказ30 руб.
1736108

(последний код) RIVET STEEL 4.8X8 ZN BRIGHT PASSIVETED

под заказ40 руб.
1827100

Tie rap (Tie rap)

под заказпо запросу
19XXX

Струбцина. Parts Маркировкаed with <> are Не доступно as spare parts (Clamp. Parts marked with <> are not available as spare parts)

20512059324

Клапан (Valve)

под заказ3280 руб.
21509000093

Шланг (Hose)

под заказпо запросу
22414655700

Шланг Струбцина (Hose clamp)

под заказ140 руб.
2227414655700

(последний код) SPRING CLAMP

под заказ110 руб.
23293710082

Коннектор (Connector)

под заказ720 руб.
24404161956

Шланг (Hose)

под заказ1400 руб.
lynx

 
 

данный сайт носит информационный характер и не является публичной офертой

склад запчастей для водомоторной техники