вконтакте

Контактный телефон: +7 (981) 121-46-93, +7 (800) 200-90-76 , Email: parts-katalog@yandex.ru, где купить

 
 

  Логин:

Пароль:

Регистрация

www.partskatalog.ru Все каталоги Запчасти Mercury Запчасти Suzuki Запчасти Tohatsu Запчасти Honda Контакты



УВАЖАЕМЫЕ КЛИЕНТЫ!
C 19 ДЕКАБРЯ 2025 ПО 02 МАРТА 2026 ГОДА ОТДЕЛ ЗАПЧАСТЕЙ И СЕРВИС РАБОТАТЬ НЕ БУДУТ
ПРОДАЖА ЛОДОЧНЫХ МОТОРОВ В ШТАТНОМ РЕЖИМЕ
ОБ ИЗМЕНЕНИЯХ В ГРАФИКЕ РАБОТЫ ЧИТАЙТЕ НА САЙТА




Выбрать другую модель

назад Раздел:   вперёд

вернуться к списку узлов и деталей

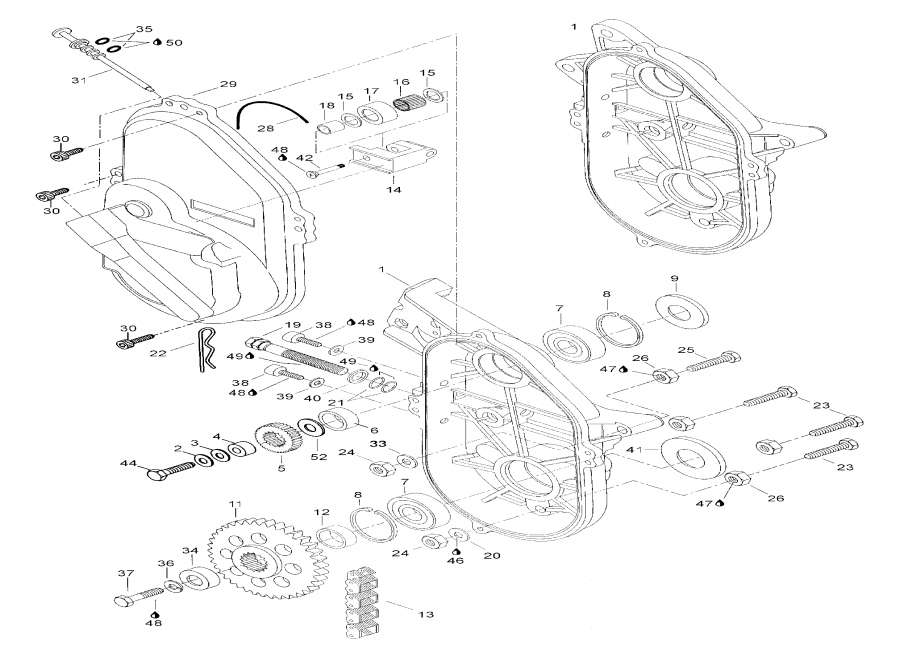
ДЕТАЛИРОВКА ДЛЯ МОДЕЛИ: LYNX GLX ST 500, 2002


Снегоход Лункс  - Топливный бак - Fuel Tank

Номер на
рисунке
АртикулНаименованиеКол-во
на складе
Цена
1519393

Топливный бак 42 l (Fuel tank 42 l)

под заказ10760 руб.
1

(последний код)

под заказпо запросу
2533535

Коннектор-male (Connector-male)

под заказ1420 руб.
2

(последний код)

под заказпо запросу
328037

Пыльник (Grommet)

под заказ340 руб.
3

(последний код)

под заказпо запросу
439035

AirТрубка 5 / 3 (Airpipe 5/3)

под заказ190 руб.
5572161200

Колпачок (Cap)

под заказ2920 руб.
5SM-07224

     (не оригинальная запчасть) Крышка топливного бака BRP/Polaris SM-07224

под заказ2 050 руб.
639001

Топливный шланг 11 / 6 (Fuel hose 11/6)

под заказ900 руб.
6415080200

(последний код) BOYAU POLYURE *POLYURETHANE HOSE

под заказ1150 руб.
7414872100

Топливный фильтр (Fuel Filter)

под заказ1150 руб.
707-241-02

     (не оригинальная запчасть) Фильтр топливный в бак BRP/Polaris 07-241-02

под заказ720 руб.
839048

Топливный шланг 12.5 / 7.5 (Fuel hose 12.5/7.5)

под заказ950 руб.
8513033332

(последний код) BOYAU *HOSE

под заказ1380 руб.
95341709

Коннектор-male (Connector-male)

под заказ980 руб.
9

(последний код)

под заказпо запросу
10414536500

Топливный фильтр (Fuel filter)

под заказ310 руб.
1007-246-05

     (не оригинальная запчасть) Фильтр масляный универсальный 07-246-05

под заказ370 руб.
1007-246-06

     (не оригинальная запчасть) Фильтр масляный BRP 07-246-06

под заказ470 руб.
1007-246-08

     (не оригинальная запчасть) Масляный фильтр 07-246-08

под заказ470 руб.
1139004

Топливный шланг 8 / 5 (Fuel hose 8/5)

под заказ1500 руб.
11

(последний код)

под заказпо запросу
1227086

Струбцина (Clamp)

под заказ310 руб.
12

(последний код)

под заказпо запросу
13AT-08541

     (не оригинальная запчасть) Пыльник шрус AT-08541

под заказ1 460 руб.
13201-409F-01B.001

     (не оригинальная запчасть) Привод для Yamaha 201-409F-01B.001

под заказ17 260 руб.
13201-410R-01L.001

     (не оригинальная запчасть) Привод для Yamaha 201-410R-01L.001

под заказ17 260 руб.
13201-423R-01B.001

     (не оригинальная запчасть) Привод для Yamaha 201-423R-01B.001

под заказ17 260 руб.
13201-410R-01R.001

     (не оригинальная запчасть) Привод для Yamaha 201-410R-01R.001

под заказ17 260 руб.
13AT-08540

     (не оригинальная запчасть) Пыльник шрус AT-08540

под заказ1 390 руб.
13010-824PK

     (не оригинальная запчасть) Поршневой к-т Yamaha 1300R (номинал) 010-824PK

под заказ12 950 руб.
136A0-24421-01

     (не оригинальная запчасть) Клапаны в топливный насос Yamaha 6A0-24421-01

под заказнет данных
13AT-01100

     (не оригинальная запчасть) Реле стартера Yamaha AT-01100

под заказ2 810 руб.
13SM-01109

     (не оригинальная запчасть) Задний фонарь Yamaha SM-01109

под заказ3 300 руб.
136H3-11181-A0

     (не оригинальная запчасть) Прокладка под головку Yamaha 6H3-11181-A0

под заказнет данных
13010-495-01K

     (не оригинальная запчасть) Ремкомплект RAVE клапана BRP 787RFI 010-495-01K

под заказ19 400 руб.
13SM-01364

     (не оригинальная запчасть) Статор BRP SM-01364

под заказ23 730 руб.
1318-3551

     (не оригинальная запчасть) Термостат Mercruiser 18-3551

под заказ1 990 руб.
13NW-40006

     (не оригинальная запчасть) Поршневой к-т Yamaha 1300R (номинал) NW-40006

под заказ10 870 руб.
13SM-07213

     (не оригинальная запчасть) Топливный насос BRP SM-07213

под заказ9 930 руб.
13SM-07214

     (не оригинальная запчасть) Топливный насос Yamaha SM-07214

под заказ6 890 руб.
13SM-03287

     (не оригинальная запчасть) Ремкомплект ведомого вариатора Arctic Cat SM-03287

под заказ3 130 руб.
13ATV-YA-804

     (не оригинальная запчасть) Привод для квадроцикла Yamaha ATV-YA-804

под заказ14 400 руб.
13ATV-YA-809

     (не оригинальная запчасть) Привод для квадроцикла Yamaha ATV-YA-809

под заказ14 400 руб.
13SC-GS090

     (не оригинальная запчасть) Прокладка под головку Yamaha SC-GS090

под заказ1 740 руб.
13ATV-YA-808

     (не оригинальная запчасть) Привод для Yamaha ATV-YA-808

под заказ14 400 руб.
13ATV-YA-803

     (не оригинальная запчасть) Привод для Yamaha ATV-YA-803

под заказ14 400 руб.
13SM-10108

     (не оригинальная запчасть) Ремкомплект помпы охлаждения Polaris SM-10108

под заказ10 800 руб.
13SM-10107

     (не оригинальная запчасть) Ремкомплект помпы охлаждения Polaris SM-10107

под заказ15 300 руб.
13AT-08541

     (не оригинальная запчасть) Пыльник шрус AT-08541

под заказ1 460 руб.
13201-409F-01B.001

     (не оригинальная запчасть) Привод для Yamaha 201-409F-01B.001

под заказ17 260 руб.
13201-410R-01L.001

     (не оригинальная запчасть) Привод для Yamaha 201-410R-01L.001

под заказ17 260 руб.
13201-423R-01B.001

     (не оригинальная запчасть) Привод для Yamaha 201-423R-01B.001

под заказ17 260 руб.
13201-410R-01R.001

     (не оригинальная запчасть) Привод для Yamaha 201-410R-01R.001

под заказ17 260 руб.
13AT-08540

     (не оригинальная запчасть) Пыльник шрус AT-08540

под заказ1 390 руб.
13010-824PK

     (не оригинальная запчасть) Поршневой к-т Yamaha 1300R (номинал) 010-824PK

под заказ12 950 руб.
136A0-24421-01

     (не оригинальная запчасть) Клапаны в топливный насос Yamaha 6A0-24421-01

под заказнет данных
13AT-01100

     (не оригинальная запчасть) Реле стартера Yamaha AT-01100

под заказ2 810 руб.
13SM-01109

     (не оригинальная запчасть) Задний фонарь Yamaha SM-01109

под заказ3 300 руб.
136H3-11181-A0

     (не оригинальная запчасть) Прокладка под головку Yamaha 6H3-11181-A0

под заказнет данных
13010-495-01K

     (не оригинальная запчасть) Ремкомплект RAVE клапана BRP 787RFI 010-495-01K

под заказ19 400 руб.
13SM-01364

     (не оригинальная запчасть) Статор BRP SM-01364

под заказ23 730 руб.
1318-3551

     (не оригинальная запчасть) Термостат Mercruiser 18-3551

под заказ1 990 руб.
13NW-40006

     (не оригинальная запчасть) Поршневой к-т Yamaha 1300R (номинал) NW-40006

под заказ10 870 руб.
13SM-07213

     (не оригинальная запчасть) Топливный насос BRP SM-07213

под заказ9 930 руб.
13SM-07214

     (не оригинальная запчасть) Топливный насос Yamaha SM-07214

под заказ6 890 руб.
13SM-03287

     (не оригинальная запчасть) Ремкомплект ведомого вариатора Arctic Cat SM-03287

под заказ3 130 руб.
13ATV-YA-804

     (не оригинальная запчасть) Привод для квадроцикла Yamaha ATV-YA-804

под заказ14 400 руб.
13ATV-YA-809

     (не оригинальная запчасть) Привод для квадроцикла Yamaha ATV-YA-809

под заказ14 400 руб.
13SC-GS090

     (не оригинальная запчасть) Прокладка под головку Yamaha SC-GS090

под заказ1 740 руб.
13ATV-YA-808

     (не оригинальная запчасть) Привод для Yamaha ATV-YA-808

под заказ14 400 руб.
13ATV-YA-803

     (не оригинальная запчасть) Привод для Yamaha ATV-YA-803

под заказ14 400 руб.
13SM-10108

     (не оригинальная запчасть) Ремкомплект помпы охлаждения Polaris SM-10108

под заказ10 800 руб.
13SM-10107

     (не оригинальная запчасть) Ремкомплект помпы охлаждения Polaris SM-10107

под заказ15 300 руб.
13AT-08541

     (не оригинальная запчасть) Пыльник шрус AT-08541

под заказ1 460 руб.
13201-409F-01B.001

     (не оригинальная запчасть) Привод для Yamaha 201-409F-01B.001

под заказ17 260 руб.
13201-410R-01L.001

     (не оригинальная запчасть) Привод для Yamaha 201-410R-01L.001

под заказ17 260 руб.
13201-423R-01B.001

     (не оригинальная запчасть) Привод для Yamaha 201-423R-01B.001

под заказ17 260 руб.
13201-410R-01R.001

     (не оригинальная запчасть) Привод для Yamaha 201-410R-01R.001

под заказ17 260 руб.
13AT-08540

     (не оригинальная запчасть) Пыльник шрус AT-08540

под заказ1 390 руб.
13010-824PK

     (не оригинальная запчасть) Поршневой к-т Yamaha 1300R (номинал) 010-824PK

под заказ12 950 руб.
136A0-24421-01

     (не оригинальная запчасть) Клапаны в топливный насос Yamaha 6A0-24421-01

под заказнет данных
13AT-01100

     (не оригинальная запчасть) Реле стартера Yamaha AT-01100

под заказ2 810 руб.
13SM-01109

     (не оригинальная запчасть) Задний фонарь Yamaha SM-01109

под заказ3 300 руб.
136H3-11181-A0

     (не оригинальная запчасть) Прокладка под головку Yamaha 6H3-11181-A0

под заказнет данных
13010-495-01K

     (не оригинальная запчасть) Ремкомплект RAVE клапана BRP 787RFI 010-495-01K

под заказ19 400 руб.
13SM-01364

     (не оригинальная запчасть) Статор BRP SM-01364

под заказ23 730 руб.
1318-3551

     (не оригинальная запчасть) Термостат Mercruiser 18-3551

под заказ1 990 руб.
13NW-40006

     (не оригинальная запчасть) Поршневой к-т Yamaha 1300R (номинал) NW-40006

под заказ10 870 руб.
13SM-07213

     (не оригинальная запчасть) Топливный насос BRP SM-07213

под заказ9 930 руб.
13SM-07214

     (не оригинальная запчасть) Топливный насос Yamaha SM-07214

под заказ6 890 руб.
13SM-03287

     (не оригинальная запчасть) Ремкомплект ведомого вариатора Arctic Cat SM-03287

под заказ3 130 руб.
13ATV-YA-804

     (не оригинальная запчасть) Привод для квадроцикла Yamaha ATV-YA-804

под заказ14 400 руб.
13ATV-YA-809

     (не оригинальная запчасть) Привод для квадроцикла Yamaha ATV-YA-809

под заказ14 400 руб.
13SC-GS090

     (не оригинальная запчасть) Прокладка под головку Yamaha SC-GS090

под заказ1 740 руб.
13ATV-YA-808

     (не оригинальная запчасть) Привод для Yamaha ATV-YA-808

под заказ14 400 руб.
13ATV-YA-803

     (не оригинальная запчасть) Привод для Yamaha ATV-YA-803

под заказ14 400 руб.
13SM-10108

     (не оригинальная запчасть) Ремкомплект помпы охлаждения Polaris SM-10108

под заказ10 800 руб.
13SM-10107

     (не оригинальная запчасть) Ремкомплект помпы охлаждения Polaris SM-10107

под заказ15 300 руб.
13AT-08541

     (не оригинальная запчасть) Пыльник шрус AT-08541

под заказ1 460 руб.
13201-409F-01B.001

     (не оригинальная запчасть) Привод для Yamaha 201-409F-01B.001

под заказ17 260 руб.
13201-410R-01L.001

     (не оригинальная запчасть) Привод для Yamaha 201-410R-01L.001

под заказ17 260 руб.
13201-423R-01B.001

     (не оригинальная запчасть) Привод для Yamaha 201-423R-01B.001

под заказ17 260 руб.
13201-410R-01R.001

     (не оригинальная запчасть) Привод для Yamaha 201-410R-01R.001

под заказ17 260 руб.
13AT-08540

     (не оригинальная запчасть) Пыльник шрус AT-08540

под заказ1 390 руб.
13010-824PK

     (не оригинальная запчасть) Поршневой к-т Yamaha 1300R (номинал) 010-824PK

под заказ12 950 руб.
136A0-24421-01

     (не оригинальная запчасть) Клапаны в топливный насос Yamaha 6A0-24421-01

под заказнет данных
13AT-01100

     (не оригинальная запчасть) Реле стартера Yamaha AT-01100

под заказ2 810 руб.
13SM-01109

     (не оригинальная запчасть) Задний фонарь Yamaha SM-01109

под заказ3 300 руб.
136H3-11181-A0

     (не оригинальная запчасть) Прокладка под головку Yamaha 6H3-11181-A0

под заказнет данных
13010-495-01K

     (не оригинальная запчасть) Ремкомплект RAVE клапана BRP 787RFI 010-495-01K

под заказ19 400 руб.
13SM-01364

     (не оригинальная запчасть) Статор BRP SM-01364

под заказ23 730 руб.
1318-3551

     (не оригинальная запчасть) Термостат Mercruiser 18-3551

под заказ1 990 руб.
13NW-40006

     (не оригинальная запчасть) Поршневой к-т Yamaha 1300R (номинал) NW-40006

под заказ10 870 руб.
13SM-07213

     (не оригинальная запчасть) Топливный насос BRP SM-07213

под заказ9 930 руб.
13SM-07214

     (не оригинальная запчасть) Топливный насос Yamaha SM-07214

под заказ6 890 руб.
13SM-03287

     (не оригинальная запчасть) Ремкомплект ведомого вариатора Arctic Cat SM-03287

под заказ3 130 руб.
13ATV-YA-804

     (не оригинальная запчасть) Привод для квадроцикла Yamaha ATV-YA-804

под заказ14 400 руб.
13ATV-YA-809

     (не оригинальная запчасть) Привод для квадроцикла Yamaha ATV-YA-809

под заказ14 400 руб.
13SC-GS090

     (не оригинальная запчасть) Прокладка под головку Yamaha SC-GS090

под заказ1 740 руб.
13ATV-YA-808

     (не оригинальная запчасть) Привод для Yamaha ATV-YA-808

под заказ14 400 руб.
13ATV-YA-803

     (не оригинальная запчасть) Привод для Yamaha ATV-YA-803

под заказ14 400 руб.
13SM-10108

     (не оригинальная запчасть) Ремкомплект помпы охлаждения Polaris SM-10108

под заказ10 800 руб.
13SM-10107

     (не оригинальная запчасть) Ремкомплект помпы охлаждения Polaris SM-10107

под заказ15 300 руб.
14414420700

Струбцина (Clamp)

под заказ140 руб.
1427414420700

(последний код) SPRING CLIP 414420700

под заказ110 руб.
15535482

Choke (Choke)

под заказ5280 руб.
151460400

(последний код) RIKASTINV.+VAI.GLS(USE535482)

под заказ3270 руб.
1505-146-15

     (не оригинальная запчасть) Трос подсоса BRP 05-146-15

под заказ2 170 руб.
16414977200

пластиковый Гайка (Plastic nut)

под заказ450 руб.
16512059364

(последний код) ECROU PLASTIQUE*NUT-PLASTIC

под заказ580 руб.
17CAT-08541

     (не оригинальная запчасть) Пыльник шрус AT-08541

под заказ1 460 руб.
17C201-409F-01B.001

     (не оригинальная запчасть) Привод для Yamaha 201-409F-01B.001

под заказ17 260 руб.
17C201-410R-01L.001

     (не оригинальная запчасть) Привод для Yamaha 201-410R-01L.001

под заказ17 260 руб.
17C201-423R-01B.001

     (не оригинальная запчасть) Привод для Yamaha 201-423R-01B.001

под заказ17 260 руб.
17C201-410R-01R.001

     (не оригинальная запчасть) Привод для Yamaha 201-410R-01R.001

под заказ17 260 руб.
17CAT-08540

     (не оригинальная запчасть) Пыльник шрус AT-08540

под заказ1 390 руб.
17C010-824PK

     (не оригинальная запчасть) Поршневой к-т Yamaha 1300R (номинал) 010-824PK

под заказ12 950 руб.
17C6A0-24421-01

     (не оригинальная запчасть) Клапаны в топливный насос Yamaha 6A0-24421-01

под заказнет данных
17CAT-01100

     (не оригинальная запчасть) Реле стартера Yamaha AT-01100

под заказ2 810 руб.
17CSM-01109

     (не оригинальная запчасть) Задний фонарь Yamaha SM-01109

под заказ3 300 руб.
17C6H3-11181-A0

     (не оригинальная запчасть) Прокладка под головку Yamaha 6H3-11181-A0

под заказнет данных
17C010-495-01K

     (не оригинальная запчасть) Ремкомплект RAVE клапана BRP 787RFI 010-495-01K

под заказ19 400 руб.
17CSM-01364

     (не оригинальная запчасть) Статор BRP SM-01364

под заказ23 730 руб.
17C18-3551

     (не оригинальная запчасть) Термостат Mercruiser 18-3551

под заказ1 990 руб.
17CNW-40006

     (не оригинальная запчасть) Поршневой к-т Yamaha 1300R (номинал) NW-40006

под заказ10 870 руб.
17CSM-07213

     (не оригинальная запчасть) Топливный насос BRP SM-07213

под заказ9 930 руб.
17CSM-07214

     (не оригинальная запчасть) Топливный насос Yamaha SM-07214

под заказ6 890 руб.
17CSM-03287

     (не оригинальная запчасть) Ремкомплект ведомого вариатора Arctic Cat SM-03287

под заказ3 130 руб.
17CATV-YA-804

     (не оригинальная запчасть) Привод для квадроцикла Yamaha ATV-YA-804

под заказ14 400 руб.
17CATV-YA-809

     (не оригинальная запчасть) Привод для квадроцикла Yamaha ATV-YA-809

под заказ14 400 руб.
17CSC-GS090

     (не оригинальная запчасть) Прокладка под головку Yamaha SC-GS090

под заказ1 740 руб.
17CATV-YA-808

     (не оригинальная запчасть) Привод для Yamaha ATV-YA-808

под заказ14 400 руб.
17CATV-YA-803

     (не оригинальная запчасть) Привод для Yamaha ATV-YA-803

под заказ14 400 руб.
17CSM-10108

     (не оригинальная запчасть) Ремкомплект помпы охлаждения Polaris SM-10108

под заказ10 800 руб.
17CSM-10107

     (не оригинальная запчасть) Ремкомплект помпы охлаждения Polaris SM-10107

под заказ15 300 руб.
17AAT-08541

     (не оригинальная запчасть) Пыльник шрус AT-08541

под заказ1 460 руб.
17A201-409F-01B.001

     (не оригинальная запчасть) Привод для Yamaha 201-409F-01B.001

под заказ17 260 руб.
17A201-410R-01L.001

     (не оригинальная запчасть) Привод для Yamaha 201-410R-01L.001

под заказ17 260 руб.
17A201-423R-01B.001

     (не оригинальная запчасть) Привод для Yamaha 201-423R-01B.001

под заказ17 260 руб.
17A201-410R-01R.001

     (не оригинальная запчасть) Привод для Yamaha 201-410R-01R.001

под заказ17 260 руб.
17AAT-08540

     (не оригинальная запчасть) Пыльник шрус AT-08540

под заказ1 390 руб.
17A010-824PK

     (не оригинальная запчасть) Поршневой к-т Yamaha 1300R (номинал) 010-824PK

под заказ12 950 руб.
17A6A0-24421-01

     (не оригинальная запчасть) Клапаны в топливный насос Yamaha 6A0-24421-01

под заказнет данных
17AAT-01100

     (не оригинальная запчасть) Реле стартера Yamaha AT-01100

под заказ2 810 руб.
17ASM-01109

     (не оригинальная запчасть) Задний фонарь Yamaha SM-01109

под заказ3 300 руб.
17A6H3-11181-A0

     (не оригинальная запчасть) Прокладка под головку Yamaha 6H3-11181-A0

под заказнет данных
17A010-495-01K

     (не оригинальная запчасть) Ремкомплект RAVE клапана BRP 787RFI 010-495-01K

под заказ19 400 руб.
17ASM-01364

     (не оригинальная запчасть) Статор BRP SM-01364

под заказ23 730 руб.
17A18-3551

     (не оригинальная запчасть) Термостат Mercruiser 18-3551

под заказ1 990 руб.
17ANW-40006

     (не оригинальная запчасть) Поршневой к-т Yamaha 1300R (номинал) NW-40006

под заказ10 870 руб.
17ASM-07213

     (не оригинальная запчасть) Топливный насос BRP SM-07213

под заказ9 930 руб.
17ASM-07214

     (не оригинальная запчасть) Топливный насос Yamaha SM-07214

под заказ6 890 руб.
17ASM-03287

     (не оригинальная запчасть) Ремкомплект ведомого вариатора Arctic Cat SM-03287

под заказ3 130 руб.
17AATV-YA-804

     (не оригинальная запчасть) Привод для квадроцикла Yamaha ATV-YA-804

под заказ14 400 руб.
17AATV-YA-809

     (не оригинальная запчасть) Привод для квадроцикла Yamaha ATV-YA-809

под заказ14 400 руб.
17ASC-GS090

     (не оригинальная запчасть) Прокладка под головку Yamaha SC-GS090

под заказ1 740 руб.
17AATV-YA-808

     (не оригинальная запчасть) Привод для Yamaha ATV-YA-808

под заказ14 400 руб.
17AATV-YA-803

     (не оригинальная запчасть) Привод для Yamaha ATV-YA-803

под заказ14 400 руб.
17ASM-10108

     (не оригинальная запчасть) Ремкомплект помпы охлаждения Polaris SM-10108

под заказ10 800 руб.
17ASM-10107

     (не оригинальная запчасть) Ремкомплект помпы охлаждения Polaris SM-10107

под заказ15 300 руб.
1719113

Топливный насос (Fuel pump)

под заказ7240 руб.
17

(последний код)

под заказпо запросу
17BAT-08541

     (не оригинальная запчасть) Пыльник шрус AT-08541

под заказ1 460 руб.
17B201-409F-01B.001

     (не оригинальная запчасть) Привод для Yamaha 201-409F-01B.001

под заказ17 260 руб.
17B201-410R-01L.001

     (не оригинальная запчасть) Привод для Yamaha 201-410R-01L.001

под заказ17 260 руб.
17B201-423R-01B.001

     (не оригинальная запчасть) Привод для Yamaha 201-423R-01B.001

под заказ17 260 руб.
17B201-410R-01R.001

     (не оригинальная запчасть) Привод для Yamaha 201-410R-01R.001

под заказ17 260 руб.
17BAT-08540

     (не оригинальная запчасть) Пыльник шрус AT-08540

под заказ1 390 руб.
17B010-824PK

     (не оригинальная запчасть) Поршневой к-т Yamaha 1300R (номинал) 010-824PK

под заказ12 950 руб.
17B6A0-24421-01

     (не оригинальная запчасть) Клапаны в топливный насос Yamaha 6A0-24421-01

под заказнет данных
17BAT-01100

     (не оригинальная запчасть) Реле стартера Yamaha AT-01100

под заказ2 810 руб.
17BSM-01109

     (не оригинальная запчасть) Задний фонарь Yamaha SM-01109

под заказ3 300 руб.
17B6H3-11181-A0

     (не оригинальная запчасть) Прокладка под головку Yamaha 6H3-11181-A0

под заказнет данных
17B010-495-01K

     (не оригинальная запчасть) Ремкомплект RAVE клапана BRP 787RFI 010-495-01K

под заказ19 400 руб.
17BSM-01364

     (не оригинальная запчасть) Статор BRP SM-01364

под заказ23 730 руб.
17B18-3551

     (не оригинальная запчасть) Термостат Mercruiser 18-3551

под заказ1 990 руб.
17BNW-40006

     (не оригинальная запчасть) Поршневой к-т Yamaha 1300R (номинал) NW-40006

под заказ10 870 руб.
17BSM-07213

     (не оригинальная запчасть) Топливный насос BRP SM-07213

под заказ9 930 руб.
17BSM-07214

     (не оригинальная запчасть) Топливный насос Yamaha SM-07214

под заказ6 890 руб.
17BSM-03287

     (не оригинальная запчасть) Ремкомплект ведомого вариатора Arctic Cat SM-03287

под заказ3 130 руб.
17BATV-YA-804

     (не оригинальная запчасть) Привод для квадроцикла Yamaha ATV-YA-804

под заказ14 400 руб.
17BATV-YA-809

     (не оригинальная запчасть) Привод для квадроцикла Yamaha ATV-YA-809

под заказ14 400 руб.
17BSC-GS090

     (не оригинальная запчасть) Прокладка под головку Yamaha SC-GS090

под заказ1 740 руб.
17BATV-YA-808

     (не оригинальная запчасть) Привод для Yamaha ATV-YA-808

под заказ14 400 руб.
17BATV-YA-803

     (не оригинальная запчасть) Привод для Yamaha ATV-YA-803

под заказ14 400 руб.
17BSM-10108

     (не оригинальная запчасть) Ремкомплект помпы охлаждения Polaris SM-10108

под заказ10 800 руб.
17BSM-10107

     (не оригинальная запчасть) Ремкомплект помпы охлаждения Polaris SM-10107

под заказ15 300 руб.
17FAT-08541

     (не оригинальная запчасть) Пыльник шрус AT-08541

под заказ1 460 руб.
17F201-409F-01B.001

     (не оригинальная запчасть) Привод для Yamaha 201-409F-01B.001

под заказ17 260 руб.
17F201-410R-01L.001

     (не оригинальная запчасть) Привод для Yamaha 201-410R-01L.001

под заказ17 260 руб.
17F201-423R-01B.001

     (не оригинальная запчасть) Привод для Yamaha 201-423R-01B.001

под заказ17 260 руб.
17F201-410R-01R.001

     (не оригинальная запчасть) Привод для Yamaha 201-410R-01R.001

под заказ17 260 руб.
17FAT-08540

     (не оригинальная запчасть) Пыльник шрус AT-08540

под заказ1 390 руб.
17F010-824PK

     (не оригинальная запчасть) Поршневой к-т Yamaha 1300R (номинал) 010-824PK

под заказ12 950 руб.
17F6A0-24421-01

     (не оригинальная запчасть) Клапаны в топливный насос Yamaha 6A0-24421-01

под заказнет данных
17FAT-01100

     (не оригинальная запчасть) Реле стартера Yamaha AT-01100

под заказ2 810 руб.
17FSM-01109

     (не оригинальная запчасть) Задний фонарь Yamaha SM-01109

под заказ3 300 руб.
17F6H3-11181-A0

     (не оригинальная запчасть) Прокладка под головку Yamaha 6H3-11181-A0

под заказнет данных
17F010-495-01K

     (не оригинальная запчасть) Ремкомплект RAVE клапана BRP 787RFI 010-495-01K

под заказ19 400 руб.
17FSM-01364

     (не оригинальная запчасть) Статор BRP SM-01364

под заказ23 730 руб.
17F18-3551

     (не оригинальная запчасть) Термостат Mercruiser 18-3551

под заказ1 990 руб.
17FNW-40006

     (не оригинальная запчасть) Поршневой к-т Yamaha 1300R (номинал) NW-40006

под заказ10 870 руб.
17FSM-07213

     (не оригинальная запчасть) Топливный насос BRP SM-07213

под заказ9 930 руб.
17FSM-07214

     (не оригинальная запчасть) Топливный насос Yamaha SM-07214

под заказ6 890 руб.
17FSM-03287

     (не оригинальная запчасть) Ремкомплект ведомого вариатора Arctic Cat SM-03287

под заказ3 130 руб.
17FATV-YA-804

     (не оригинальная запчасть) Привод для квадроцикла Yamaha ATV-YA-804

под заказ14 400 руб.
17FATV-YA-809

     (не оригинальная запчасть) Привод для квадроцикла Yamaha ATV-YA-809

под заказ14 400 руб.
17FSC-GS090

     (не оригинальная запчасть) Прокладка под головку Yamaha SC-GS090

под заказ1 740 руб.
17FATV-YA-808

     (не оригинальная запчасть) Привод для Yamaha ATV-YA-808

под заказ14 400 руб.
17FATV-YA-803

     (не оригинальная запчасть) Привод для Yamaha ATV-YA-803

под заказ14 400 руб.
17FSM-10108

     (не оригинальная запчасть) Ремкомплект помпы охлаждения Polaris SM-10108

под заказ10 800 руб.
17FSM-10107

     (не оригинальная запчасть) Ремкомплект помпы охлаждения Polaris SM-10107

под заказ15 300 руб.
17EAT-08541

     (не оригинальная запчасть) Пыльник шрус AT-08541

под заказ1 460 руб.
17E201-409F-01B.001

     (не оригинальная запчасть) Привод для Yamaha 201-409F-01B.001

под заказ17 260 руб.
17E201-410R-01L.001

     (не оригинальная запчасть) Привод для Yamaha 201-410R-01L.001

под заказ17 260 руб.
17E201-423R-01B.001

     (не оригинальная запчасть) Привод для Yamaha 201-423R-01B.001

под заказ17 260 руб.
17E201-410R-01R.001

     (не оригинальная запчасть) Привод для Yamaha 201-410R-01R.001

под заказ17 260 руб.
17EAT-08540

     (не оригинальная запчасть) Пыльник шрус AT-08540

под заказ1 390 руб.
17E010-824PK

     (не оригинальная запчасть) Поршневой к-т Yamaha 1300R (номинал) 010-824PK

под заказ12 950 руб.
17E6A0-24421-01

     (не оригинальная запчасть) Клапаны в топливный насос Yamaha 6A0-24421-01

под заказнет данных
17EAT-01100

     (не оригинальная запчасть) Реле стартера Yamaha AT-01100

под заказ2 810 руб.
17ESM-01109

     (не оригинальная запчасть) Задний фонарь Yamaha SM-01109

под заказ3 300 руб.
17E6H3-11181-A0

     (не оригинальная запчасть) Прокладка под головку Yamaha 6H3-11181-A0

под заказнет данных
17E010-495-01K

     (не оригинальная запчасть) Ремкомплект RAVE клапана BRP 787RFI 010-495-01K

под заказ19 400 руб.
17ESM-01364

     (не оригинальная запчасть) Статор BRP SM-01364

под заказ23 730 руб.
17E18-3551

     (не оригинальная запчасть) Термостат Mercruiser 18-3551

под заказ1 990 руб.
17ENW-40006

     (не оригинальная запчасть) Поршневой к-т Yamaha 1300R (номинал) NW-40006

под заказ10 870 руб.
17ESM-07213

     (не оригинальная запчасть) Топливный насос BRP SM-07213

под заказ9 930 руб.
17ESM-07214

     (не оригинальная запчасть) Топливный насос Yamaha SM-07214

под заказ6 890 руб.
17ESM-03287

     (не оригинальная запчасть) Ремкомплект ведомого вариатора Arctic Cat SM-03287

под заказ3 130 руб.
17EATV-YA-804

     (не оригинальная запчасть) Привод для квадроцикла Yamaha ATV-YA-804

под заказ14 400 руб.
17EATV-YA-809

     (не оригинальная запчасть) Привод для квадроцикла Yamaha ATV-YA-809

под заказ14 400 руб.
17ESC-GS090

     (не оригинальная запчасть) Прокладка под головку Yamaha SC-GS090

под заказ1 740 руб.
17EATV-YA-808

     (не оригинальная запчасть) Привод для Yamaha ATV-YA-808

под заказ14 400 руб.
17EATV-YA-803

     (не оригинальная запчасть) Привод для Yamaha ATV-YA-803

под заказ14 400 руб.
17ESM-10108

     (не оригинальная запчасть) Ремкомплект помпы охлаждения Polaris SM-10108

под заказ10 800 руб.
17ESM-10107

     (не оригинальная запчасть) Ремкомплект помпы охлаждения Polaris SM-10107

под заказ15 300 руб.
17DAT-08541

     (не оригинальная запчасть) Пыльник шрус AT-08541

под заказ1 460 руб.
17D201-409F-01B.001

     (не оригинальная запчасть) Привод для Yamaha 201-409F-01B.001

под заказ17 260 руб.
17D201-410R-01L.001

     (не оригинальная запчасть) Привод для Yamaha 201-410R-01L.001

под заказ17 260 руб.
17D201-423R-01B.001

     (не оригинальная запчасть) Привод для Yamaha 201-423R-01B.001

под заказ17 260 руб.
17D201-410R-01R.001

     (не оригинальная запчасть) Привод для Yamaha 201-410R-01R.001

под заказ17 260 руб.
17DAT-08540

     (не оригинальная запчасть) Пыльник шрус AT-08540

под заказ1 390 руб.
17D010-824PK

     (не оригинальная запчасть) Поршневой к-т Yamaha 1300R (номинал) 010-824PK

под заказ12 950 руб.
17D6A0-24421-01

     (не оригинальная запчасть) Клапаны в топливный насос Yamaha 6A0-24421-01

под заказнет данных
17DAT-01100

     (не оригинальная запчасть) Реле стартера Yamaha AT-01100

под заказ2 810 руб.
17DSM-01109

     (не оригинальная запчасть) Задний фонарь Yamaha SM-01109

под заказ3 300 руб.
17D6H3-11181-A0

     (не оригинальная запчасть) Прокладка под головку Yamaha 6H3-11181-A0

под заказнет данных
17D010-495-01K

     (не оригинальная запчасть) Ремкомплект RAVE клапана BRP 787RFI 010-495-01K

под заказ19 400 руб.
17DSM-01364

     (не оригинальная запчасть) Статор BRP SM-01364

под заказ23 730 руб.
17D18-3551

     (не оригинальная запчасть) Термостат Mercruiser 18-3551

под заказ1 990 руб.
17DNW-40006

     (не оригинальная запчасть) Поршневой к-т Yamaha 1300R (номинал) NW-40006

под заказ10 870 руб.
17DSM-07213

     (не оригинальная запчасть) Топливный насос BRP SM-07213

под заказ9 930 руб.
17DSM-07214

     (не оригинальная запчасть) Топливный насос Yamaha SM-07214

под заказ6 890 руб.
17DSM-03287

     (не оригинальная запчасть) Ремкомплект ведомого вариатора Arctic Cat SM-03287

под заказ3 130 руб.
17DATV-YA-804

     (не оригинальная запчасть) Привод для квадроцикла Yamaha ATV-YA-804

под заказ14 400 руб.
17DATV-YA-809

     (не оригинальная запчасть) Привод для квадроцикла Yamaha ATV-YA-809

под заказ14 400 руб.
17DSC-GS090

     (не оригинальная запчасть) Прокладка под головку Yamaha SC-GS090

под заказ1 740 руб.
17DATV-YA-808

     (не оригинальная запчасть) Привод для Yamaha ATV-YA-808

под заказ14 400 руб.
17DATV-YA-803

     (не оригинальная запчасть) Привод для Yamaha ATV-YA-803

под заказ14 400 руб.
17DSM-10108

     (не оригинальная запчасть) Ремкомплект помпы охлаждения Polaris SM-10108

под заказ10 800 руб.
17DSM-10107

     (не оригинальная запчасть) Ремкомплект помпы охлаждения Polaris SM-10107

под заказ15 300 руб.
17EAT-08541

     (не оригинальная запчасть) Пыльник шрус AT-08541

под заказ1 460 руб.
17E201-409F-01B.001

     (не оригинальная запчасть) Привод для Yamaha 201-409F-01B.001

под заказ17 260 руб.
17E201-410R-01L.001

     (не оригинальная запчасть) Привод для Yamaha 201-410R-01L.001

под заказ17 260 руб.
17E201-423R-01B.001

     (не оригинальная запчасть) Привод для Yamaha 201-423R-01B.001

под заказ17 260 руб.
17E201-410R-01R.001

     (не оригинальная запчасть) Привод для Yamaha 201-410R-01R.001

под заказ17 260 руб.
17EAT-08540

     (не оригинальная запчасть) Пыльник шрус AT-08540

под заказ1 390 руб.
17E010-824PK

     (не оригинальная запчасть) Поршневой к-т Yamaha 1300R (номинал) 010-824PK

под заказ12 950 руб.
17E6A0-24421-01

     (не оригинальная запчасть) Клапаны в топливный насос Yamaha 6A0-24421-01

под заказнет данных
17EAT-01100

     (не оригинальная запчасть) Реле стартера Yamaha AT-01100

под заказ2 810 руб.
17ESM-01109

     (не оригинальная запчасть) Задний фонарь Yamaha SM-01109

под заказ3 300 руб.
17E6H3-11181-A0

     (не оригинальная запчасть) Прокладка под головку Yamaha 6H3-11181-A0

под заказнет данных
17E010-495-01K

     (не оригинальная запчасть) Ремкомплект RAVE клапана BRP 787RFI 010-495-01K

под заказ19 400 руб.
17ESM-01364

     (не оригинальная запчасть) Статор BRP SM-01364

под заказ23 730 руб.
17E18-3551

     (не оригинальная запчасть) Термостат Mercruiser 18-3551

под заказ1 990 руб.
17ENW-40006

     (не оригинальная запчасть) Поршневой к-т Yamaha 1300R (номинал) NW-40006

под заказ10 870 руб.
17ESM-07213

     (не оригинальная запчасть) Топливный насос BRP SM-07213

под заказ9 930 руб.
17ESM-07214

     (не оригинальная запчасть) Топливный насос Yamaha SM-07214

под заказ6 890 руб.
17ESM-03287

     (не оригинальная запчасть) Ремкомплект ведомого вариатора Arctic Cat SM-03287

под заказ3 130 руб.
17EATV-YA-804

     (не оригинальная запчасть) Привод для квадроцикла Yamaha ATV-YA-804

под заказ14 400 руб.
17EATV-YA-809

     (не оригинальная запчасть) Привод для квадроцикла Yamaha ATV-YA-809

под заказ14 400 руб.
17ESC-GS090

     (не оригинальная запчасть) Прокладка под головку Yamaha SC-GS090

под заказ1 740 руб.
17EATV-YA-808

     (не оригинальная запчасть) Привод для Yamaha ATV-YA-808

под заказ14 400 руб.
17EATV-YA-803

     (не оригинальная запчасть) Привод для Yamaha ATV-YA-803

под заказ14 400 руб.
17ESM-10108

     (не оригинальная запчасть) Ремкомплект помпы охлаждения Polaris SM-10108

под заказ10 800 руб.
17ESM-10107

     (не оригинальная запчасть) Ремкомплект помпы охлаждения Polaris SM-10107

под заказ15 300 руб.
17DAT-08541

     (не оригинальная запчасть) Пыльник шрус AT-08541

под заказ1 460 руб.
17D201-409F-01B.001

     (не оригинальная запчасть) Привод для Yamaha 201-409F-01B.001

под заказ17 260 руб.
17D201-410R-01L.001

     (не оригинальная запчасть) Привод для Yamaha 201-410R-01L.001

под заказ17 260 руб.
17D201-423R-01B.001

     (не оригинальная запчасть) Привод для Yamaha 201-423R-01B.001

под заказ17 260 руб.
17D201-410R-01R.001

     (не оригинальная запчасть) Привод для Yamaha 201-410R-01R.001

под заказ17 260 руб.
17DAT-08540

     (не оригинальная запчасть) Пыльник шрус AT-08540

под заказ1 390 руб.
17D010-824PK

     (не оригинальная запчасть) Поршневой к-т Yamaha 1300R (номинал) 010-824PK

под заказ12 950 руб.
17D6A0-24421-01

     (не оригинальная запчасть) Клапаны в топливный насос Yamaha 6A0-24421-01

под заказнет данных
17DAT-01100

     (не оригинальная запчасть) Реле стартера Yamaha AT-01100

под заказ2 810 руб.
17DSM-01109

     (не оригинальная запчасть) Задний фонарь Yamaha SM-01109

под заказ3 300 руб.
17D6H3-11181-A0

     (не оригинальная запчасть) Прокладка под головку Yamaha 6H3-11181-A0

под заказнет данных
17D010-495-01K

     (не оригинальная запчасть) Ремкомплект RAVE клапана BRP 787RFI 010-495-01K

под заказ19 400 руб.
17DSM-01364

     (не оригинальная запчасть) Статор BRP SM-01364

под заказ23 730 руб.
17D18-3551

     (не оригинальная запчасть) Термостат Mercruiser 18-3551

под заказ1 990 руб.
17DNW-40006

     (не оригинальная запчасть) Поршневой к-т Yamaha 1300R (номинал) NW-40006

под заказ10 870 руб.
17DSM-07213

     (не оригинальная запчасть) Топливный насос BRP SM-07213

под заказ9 930 руб.
17DSM-07214

     (не оригинальная запчасть) Топливный насос Yamaha SM-07214

под заказ6 890 руб.
17DSM-03287

     (не оригинальная запчасть) Ремкомплект ведомого вариатора Arctic Cat SM-03287

под заказ3 130 руб.
17DATV-YA-804

     (не оригинальная запчасть) Привод для квадроцикла Yamaha ATV-YA-804

под заказ14 400 руб.
17DATV-YA-809

     (не оригинальная запчасть) Привод для квадроцикла Yamaha ATV-YA-809

под заказ14 400 руб.
17DSC-GS090

     (не оригинальная запчасть) Прокладка под головку Yamaha SC-GS090

под заказ1 740 руб.
17DATV-YA-808

     (не оригинальная запчасть) Привод для Yamaha ATV-YA-808

под заказ14 400 руб.
17DATV-YA-803

     (не оригинальная запчасть) Привод для Yamaha ATV-YA-803

под заказ14 400 руб.
17DSM-10108

     (не оригинальная запчасть) Ремкомплект помпы охлаждения Polaris SM-10108

под заказ10 800 руб.
17DSM-10107

     (не оригинальная запчасть) Ремкомплект помпы охлаждения Polaris SM-10107

под заказ15 300 руб.
17CAT-08541

     (не оригинальная запчасть) Пыльник шрус AT-08541

под заказ1 460 руб.
17C201-409F-01B.001

     (не оригинальная запчасть) Привод для Yamaha 201-409F-01B.001

под заказ17 260 руб.
17C201-410R-01L.001

     (не оригинальная запчасть) Привод для Yamaha 201-410R-01L.001

под заказ17 260 руб.
17C201-423R-01B.001

     (не оригинальная запчасть) Привод для Yamaha 201-423R-01B.001

под заказ17 260 руб.
17C201-410R-01R.001

     (не оригинальная запчасть) Привод для Yamaha 201-410R-01R.001

под заказ17 260 руб.
17CAT-08540

     (не оригинальная запчасть) Пыльник шрус AT-08540

под заказ1 390 руб.
17C010-824PK

     (не оригинальная запчасть) Поршневой к-т Yamaha 1300R (номинал) 010-824PK

под заказ12 950 руб.
17C6A0-24421-01

     (не оригинальная запчасть) Клапаны в топливный насос Yamaha 6A0-24421-01

под заказнет данных
17CAT-01100

     (не оригинальная запчасть) Реле стартера Yamaha AT-01100

под заказ2 810 руб.
17CSM-01109

     (не оригинальная запчасть) Задний фонарь Yamaha SM-01109

под заказ3 300 руб.
17C6H3-11181-A0

     (не оригинальная запчасть) Прокладка под головку Yamaha 6H3-11181-A0

под заказнет данных
17C010-495-01K

     (не оригинальная запчасть) Ремкомплект RAVE клапана BRP 787RFI 010-495-01K

под заказ19 400 руб.
17CSM-01364

     (не оригинальная запчасть) Статор BRP SM-01364

под заказ23 730 руб.
17C18-3551

     (не оригинальная запчасть) Термостат Mercruiser 18-3551

под заказ1 990 руб.
17CNW-40006

     (не оригинальная запчасть) Поршневой к-т Yamaha 1300R (номинал) NW-40006

под заказ10 870 руб.
17CSM-07213

     (не оригинальная запчасть) Топливный насос BRP SM-07213

под заказ9 930 руб.
17CSM-07214

     (не оригинальная запчасть) Топливный насос Yamaha SM-07214

под заказ6 890 руб.
17CSM-03287

     (не оригинальная запчасть) Ремкомплект ведомого вариатора Arctic Cat SM-03287

под заказ3 130 руб.
17CATV-YA-804

     (не оригинальная запчасть) Привод для квадроцикла Yamaha ATV-YA-804

под заказ14 400 руб.
17CATV-YA-809

     (не оригинальная запчасть) Привод для квадроцикла Yamaha ATV-YA-809

под заказ14 400 руб.
17CSC-GS090

     (не оригинальная запчасть) Прокладка под головку Yamaha SC-GS090

под заказ1 740 руб.
17CATV-YA-808

     (не оригинальная запчасть) Привод для Yamaha ATV-YA-808

под заказ14 400 руб.
17CATV-YA-803

     (не оригинальная запчасть) Привод для Yamaha ATV-YA-803

под заказ14 400 руб.
17CSM-10108

     (не оригинальная запчасть) Ремкомплект помпы охлаждения Polaris SM-10108

под заказ10 800 руб.
17CSM-10107

     (не оригинальная запчасть) Ремкомплект помпы охлаждения Polaris SM-10107

под заказ15 300 руб.
1833010

Гайка elastic M6 (Nut elastic M6)

под заказ20 руб.
18842042

(последний код) LOCKING NUT (USE 33010)

под заказ20 руб.
1925006

Пружина (Spring)

под заказ240 руб.
20AT-08541

     (не оригинальная запчасть) Пыльник шрус AT-08541

под заказ1 460 руб.
20201-409F-01B.001

     (не оригинальная запчасть) Привод для Yamaha 201-409F-01B.001

под заказ17 260 руб.
20201-410R-01L.001

     (не оригинальная запчасть) Привод для Yamaha 201-410R-01L.001

под заказ17 260 руб.
20201-423R-01B.001

     (не оригинальная запчасть) Привод для Yamaha 201-423R-01B.001

под заказ17 260 руб.
20201-410R-01R.001

     (не оригинальная запчасть) Привод для Yamaha 201-410R-01R.001

под заказ17 260 руб.
20AT-08540

     (не оригинальная запчасть) Пыльник шрус AT-08540

под заказ1 390 руб.
20010-824PK

     (не оригинальная запчасть) Поршневой к-т Yamaha 1300R (номинал) 010-824PK

под заказ12 950 руб.
206A0-24421-01

     (не оригинальная запчасть) Клапаны в топливный насос Yamaha 6A0-24421-01

под заказнет данных
20AT-01100

     (не оригинальная запчасть) Реле стартера Yamaha AT-01100

под заказ2 810 руб.
20SM-01109

     (не оригинальная запчасть) Задний фонарь Yamaha SM-01109

под заказ3 300 руб.
206H3-11181-A0

     (не оригинальная запчасть) Прокладка под головку Yamaha 6H3-11181-A0

под заказнет данных
20010-495-01K

     (не оригинальная запчасть) Ремкомплект RAVE клапана BRP 787RFI 010-495-01K

под заказ19 400 руб.
20SM-01364

     (не оригинальная запчасть) Статор BRP SM-01364

под заказ23 730 руб.
2018-3551

     (не оригинальная запчасть) Термостат Mercruiser 18-3551

под заказ1 990 руб.
20NW-40006

     (не оригинальная запчасть) Поршневой к-т Yamaha 1300R (номинал) NW-40006

под заказ10 870 руб.
20SM-07213

     (не оригинальная запчасть) Топливный насос BRP SM-07213

под заказ9 930 руб.
20SM-07214

     (не оригинальная запчасть) Топливный насос Yamaha SM-07214

под заказ6 890 руб.
20SM-03287

     (не оригинальная запчасть) Ремкомплект ведомого вариатора Arctic Cat SM-03287

под заказ3 130 руб.
20ATV-YA-804

     (не оригинальная запчасть) Привод для квадроцикла Yamaha ATV-YA-804

под заказ14 400 руб.
20ATV-YA-809

     (не оригинальная запчасть) Привод для квадроцикла Yamaha ATV-YA-809

под заказ14 400 руб.
20SC-GS090

     (не оригинальная запчасть) Прокладка под головку Yamaha SC-GS090

под заказ1 740 руб.
20ATV-YA-808

     (не оригинальная запчасть) Привод для Yamaha ATV-YA-808

под заказ14 400 руб.
20ATV-YA-803

     (не оригинальная запчасть) Привод для Yamaha ATV-YA-803

под заказ14 400 руб.
20SM-10108

     (не оригинальная запчасть) Ремкомплект помпы охлаждения Polaris SM-10108

под заказ10 800 руб.
20SM-10107

     (не оригинальная запчасть) Ремкомплект помпы охлаждения Polaris SM-10107

под заказ15 300 руб.
21AT-08541

     (не оригинальная запчасть) Пыльник шрус AT-08541

под заказ1 460 руб.
21201-409F-01B.001

     (не оригинальная запчасть) Привод для Yamaha 201-409F-01B.001

под заказ17 260 руб.
21201-410R-01L.001

     (не оригинальная запчасть) Привод для Yamaha 201-410R-01L.001

под заказ17 260 руб.
21201-423R-01B.001

     (не оригинальная запчасть) Привод для Yamaha 201-423R-01B.001

под заказ17 260 руб.
21201-410R-01R.001

     (не оригинальная запчасть) Привод для Yamaha 201-410R-01R.001

под заказ17 260 руб.
21AT-08540

     (не оригинальная запчасть) Пыльник шрус AT-08540

под заказ1 390 руб.
21010-824PK

     (не оригинальная запчасть) Поршневой к-т Yamaha 1300R (номинал) 010-824PK

под заказ12 950 руб.
216A0-24421-01

     (не оригинальная запчасть) Клапаны в топливный насос Yamaha 6A0-24421-01

под заказнет данных
21AT-01100

     (не оригинальная запчасть) Реле стартера Yamaha AT-01100

под заказ2 810 руб.
21SM-01109

     (не оригинальная запчасть) Задний фонарь Yamaha SM-01109

под заказ3 300 руб.
216H3-11181-A0

     (не оригинальная запчасть) Прокладка под головку Yamaha 6H3-11181-A0

под заказнет данных
21010-495-01K

     (не оригинальная запчасть) Ремкомплект RAVE клапана BRP 787RFI 010-495-01K

под заказ19 400 руб.
21SM-01364

     (не оригинальная запчасть) Статор BRP SM-01364

под заказ23 730 руб.
2118-3551

     (не оригинальная запчасть) Термостат Mercruiser 18-3551

под заказ1 990 руб.
21NW-40006

     (не оригинальная запчасть) Поршневой к-т Yamaha 1300R (номинал) NW-40006

под заказ10 870 руб.
21SM-07213

     (не оригинальная запчасть) Топливный насос BRP SM-07213

под заказ9 930 руб.
21SM-07214

     (не оригинальная запчасть) Топливный насос Yamaha SM-07214

под заказ6 890 руб.
21SM-03287

     (не оригинальная запчасть) Ремкомплект ведомого вариатора Arctic Cat SM-03287

под заказ3 130 руб.
21ATV-YA-804

     (не оригинальная запчасть) Привод для квадроцикла Yamaha ATV-YA-804

под заказ14 400 руб.
21ATV-YA-809

     (не оригинальная запчасть) Привод для квадроцикла Yamaha ATV-YA-809

под заказ14 400 руб.
21SC-GS090

     (не оригинальная запчасть) Прокладка под головку Yamaha SC-GS090

под заказ1 740 руб.
21ATV-YA-808

     (не оригинальная запчасть) Привод для Yamaha ATV-YA-808

под заказ14 400 руб.
21ATV-YA-803

     (не оригинальная запчасть) Привод для Yamaha ATV-YA-803

под заказ14 400 руб.
21SM-10108

     (не оригинальная запчасть) Ремкомплект помпы охлаждения Polaris SM-10108

под заказ10 800 руб.
21SM-10107

     (не оригинальная запчасть) Ремкомплект помпы охлаждения Polaris SM-10107

под заказ15 300 руб.
22AT-08541

     (не оригинальная запчасть) Пыльник шрус AT-08541

под заказ1 460 руб.
22201-409F-01B.001

     (не оригинальная запчасть) Привод для Yamaha 201-409F-01B.001

под заказ17 260 руб.
22201-410R-01L.001

     (не оригинальная запчасть) Привод для Yamaha 201-410R-01L.001

под заказ17 260 руб.
22201-423R-01B.001

     (не оригинальная запчасть) Привод для Yamaha 201-423R-01B.001

под заказ17 260 руб.
22201-410R-01R.001

     (не оригинальная запчасть) Привод для Yamaha 201-410R-01R.001

под заказ17 260 руб.
22AT-08540

     (не оригинальная запчасть) Пыльник шрус AT-08540

под заказ1 390 руб.
22010-824PK

     (не оригинальная запчасть) Поршневой к-т Yamaha 1300R (номинал) 010-824PK

под заказ12 950 руб.
226A0-24421-01

     (не оригинальная запчасть) Клапаны в топливный насос Yamaha 6A0-24421-01

под заказнет данных
22AT-01100

     (не оригинальная запчасть) Реле стартера Yamaha AT-01100

под заказ2 810 руб.
22SM-01109

     (не оригинальная запчасть) Задний фонарь Yamaha SM-01109

под заказ3 300 руб.
226H3-11181-A0

     (не оригинальная запчасть) Прокладка под головку Yamaha 6H3-11181-A0

под заказнет данных
22010-495-01K

     (не оригинальная запчасть) Ремкомплект RAVE клапана BRP 787RFI 010-495-01K

под заказ19 400 руб.
22SM-01364

     (не оригинальная запчасть) Статор BRP SM-01364

под заказ23 730 руб.
2218-3551

     (не оригинальная запчасть) Термостат Mercruiser 18-3551

под заказ1 990 руб.
22NW-40006

     (не оригинальная запчасть) Поршневой к-т Yamaha 1300R (номинал) NW-40006

под заказ10 870 руб.
22SM-07213

     (не оригинальная запчасть) Топливный насос BRP SM-07213

под заказ9 930 руб.
22SM-07214

     (не оригинальная запчасть) Топливный насос Yamaha SM-07214

под заказ6 890 руб.
22SM-03287

     (не оригинальная запчасть) Ремкомплект ведомого вариатора Arctic Cat SM-03287

под заказ3 130 руб.
22ATV-YA-804

     (не оригинальная запчасть) Привод для квадроцикла Yamaha ATV-YA-804

под заказ14 400 руб.
22ATV-YA-809

     (не оригинальная запчасть) Привод для квадроцикла Yamaha ATV-YA-809

под заказ14 400 руб.
22SC-GS090

     (не оригинальная запчасть) Прокладка под головку Yamaha SC-GS090

под заказ1 740 руб.
22ATV-YA-808

     (не оригинальная запчасть) Привод для Yamaha ATV-YA-808

под заказ14 400 руб.
22ATV-YA-803

     (не оригинальная запчасть) Привод для Yamaha ATV-YA-803

под заказ14 400 руб.
22SM-10108

     (не оригинальная запчасть) Ремкомплект помпы охлаждения Polaris SM-10108

под заказ10 800 руб.
22SM-10107

     (не оригинальная запчасть) Ремкомплект помпы охлаждения Polaris SM-10107

под заказ15 300 руб.
23AT-08541

     (не оригинальная запчасть) Пыльник шрус AT-08541

под заказ1 460 руб.
23201-409F-01B.001

     (не оригинальная запчасть) Привод для Yamaha 201-409F-01B.001

под заказ17 260 руб.
23201-410R-01L.001

     (не оригинальная запчасть) Привод для Yamaha 201-410R-01L.001

под заказ17 260 руб.
23201-423R-01B.001

     (не оригинальная запчасть) Привод для Yamaha 201-423R-01B.001

под заказ17 260 руб.
23201-410R-01R.001

     (не оригинальная запчасть) Привод для Yamaha 201-410R-01R.001

под заказ17 260 руб.
23AT-08540

     (не оригинальная запчасть) Пыльник шрус AT-08540

под заказ1 390 руб.
23010-824PK

     (не оригинальная запчасть) Поршневой к-т Yamaha 1300R (номинал) 010-824PK

под заказ12 950 руб.
236A0-24421-01

     (не оригинальная запчасть) Клапаны в топливный насос Yamaha 6A0-24421-01

под заказнет данных
23AT-01100

     (не оригинальная запчасть) Реле стартера Yamaha AT-01100

под заказ2 810 руб.
23SM-01109

     (не оригинальная запчасть) Задний фонарь Yamaha SM-01109

под заказ3 300 руб.
236H3-11181-A0

     (не оригинальная запчасть) Прокладка под головку Yamaha 6H3-11181-A0

под заказнет данных
23010-495-01K

     (не оригинальная запчасть) Ремкомплект RAVE клапана BRP 787RFI 010-495-01K

под заказ19 400 руб.
23SM-01364

     (не оригинальная запчасть) Статор BRP SM-01364

под заказ23 730 руб.
2318-3551

     (не оригинальная запчасть) Термостат Mercruiser 18-3551

под заказ1 990 руб.
23NW-40006

     (не оригинальная запчасть) Поршневой к-т Yamaha 1300R (номинал) NW-40006

под заказ10 870 руб.
23SM-07213

     (не оригинальная запчасть) Топливный насос BRP SM-07213

под заказ9 930 руб.
23SM-07214

     (не оригинальная запчасть) Топливный насос Yamaha SM-07214

под заказ6 890 руб.
23SM-03287

     (не оригинальная запчасть) Ремкомплект ведомого вариатора Arctic Cat SM-03287

под заказ3 130 руб.
23ATV-YA-804

     (не оригинальная запчасть) Привод для квадроцикла Yamaha ATV-YA-804

под заказ14 400 руб.
23ATV-YA-809

     (не оригинальная запчасть) Привод для квадроцикла Yamaha ATV-YA-809

под заказ14 400 руб.
23SC-GS090

     (не оригинальная запчасть) Прокладка под головку Yamaha SC-GS090

под заказ1 740 руб.
23ATV-YA-808

     (не оригинальная запчасть) Привод для Yamaha ATV-YA-808

под заказ14 400 руб.
23ATV-YA-803

     (не оригинальная запчасть) Привод для Yamaha ATV-YA-803

под заказ14 400 руб.
23SM-10108

     (не оригинальная запчасть) Ремкомплект помпы охлаждения Polaris SM-10108

под заказ10 800 руб.
23SM-10107

     (не оригинальная запчасть) Ремкомплект помпы охлаждения Polaris SM-10107

под заказ15 300 руб.
24AT-08541

     (не оригинальная запчасть) Пыльник шрус AT-08541

под заказ1 460 руб.
24201-409F-01B.001

     (не оригинальная запчасть) Привод для Yamaha 201-409F-01B.001

под заказ17 260 руб.
24201-410R-01L.001

     (не оригинальная запчасть) Привод для Yamaha 201-410R-01L.001

под заказ17 260 руб.
24201-423R-01B.001

     (не оригинальная запчасть) Привод для Yamaha 201-423R-01B.001

под заказ17 260 руб.
24201-410R-01R.001

     (не оригинальная запчасть) Привод для Yamaha 201-410R-01R.001

под заказ17 260 руб.
24AT-08540

     (не оригинальная запчасть) Пыльник шрус AT-08540

под заказ1 390 руб.
24010-824PK

     (не оригинальная запчасть) Поршневой к-т Yamaha 1300R (номинал) 010-824PK

под заказ12 950 руб.
246A0-24421-01

     (не оригинальная запчасть) Клапаны в топливный насос Yamaha 6A0-24421-01

под заказнет данных
24AT-01100

     (не оригинальная запчасть) Реле стартера Yamaha AT-01100

под заказ2 810 руб.
24SM-01109

     (не оригинальная запчасть) Задний фонарь Yamaha SM-01109

под заказ3 300 руб.
246H3-11181-A0

     (не оригинальная запчасть) Прокладка под головку Yamaha 6H3-11181-A0

под заказнет данных
24010-495-01K

     (не оригинальная запчасть) Ремкомплект RAVE клапана BRP 787RFI 010-495-01K

под заказ19 400 руб.
24SM-01364

     (не оригинальная запчасть) Статор BRP SM-01364

под заказ23 730 руб.
2418-3551

     (не оригинальная запчасть) Термостат Mercruiser 18-3551

под заказ1 990 руб.
24NW-40006

     (не оригинальная запчасть) Поршневой к-т Yamaha 1300R (номинал) NW-40006

под заказ10 870 руб.
24SM-07213

     (не оригинальная запчасть) Топливный насос BRP SM-07213

под заказ9 930 руб.
24SM-07214

     (не оригинальная запчасть) Топливный насос Yamaha SM-07214

под заказ6 890 руб.
24SM-03287

     (не оригинальная запчасть) Ремкомплект ведомого вариатора Arctic Cat SM-03287

под заказ3 130 руб.
24ATV-YA-804

     (не оригинальная запчасть) Привод для квадроцикла Yamaha ATV-YA-804

под заказ14 400 руб.
24ATV-YA-809

     (не оригинальная запчасть) Привод для квадроцикла Yamaha ATV-YA-809

под заказ14 400 руб.
24SC-GS090

     (не оригинальная запчасть) Прокладка под головку Yamaha SC-GS090

под заказ1 740 руб.
24ATV-YA-808

     (не оригинальная запчасть) Привод для Yamaha ATV-YA-808

под заказ14 400 руб.
24ATV-YA-803

     (не оригинальная запчасть) Привод для Yamaha ATV-YA-803

под заказ14 400 руб.
24SM-10108

     (не оригинальная запчасть) Ремкомплект помпы охлаждения Polaris SM-10108

под заказ10 800 руб.
24SM-10107

     (не оригинальная запчасть) Ремкомплект помпы охлаждения Polaris SM-10107

под заказ15 300 руб.
24AT-08541

     (не оригинальная запчасть) Пыльник шрус AT-08541

под заказ1 460 руб.
24201-409F-01B.001

     (не оригинальная запчасть) Привод для Yamaha 201-409F-01B.001

под заказ17 260 руб.
24201-410R-01L.001

     (не оригинальная запчасть) Привод для Yamaha 201-410R-01L.001

под заказ17 260 руб.
24201-423R-01B.001

     (не оригинальная запчасть) Привод для Yamaha 201-423R-01B.001

под заказ17 260 руб.
24201-410R-01R.001

     (не оригинальная запчасть) Привод для Yamaha 201-410R-01R.001

под заказ17 260 руб.
24AT-08540

     (не оригинальная запчасть) Пыльник шрус AT-08540

под заказ1 390 руб.
24010-824PK

     (не оригинальная запчасть) Поршневой к-т Yamaha 1300R (номинал) 010-824PK

под заказ12 950 руб.
246A0-24421-01

     (не оригинальная запчасть) Клапаны в топливный насос Yamaha 6A0-24421-01

под заказнет данных
24AT-01100

     (не оригинальная запчасть) Реле стартера Yamaha AT-01100

под заказ2 810 руб.
24SM-01109

     (не оригинальная запчасть) Задний фонарь Yamaha SM-01109

под заказ3 300 руб.
246H3-11181-A0

     (не оригинальная запчасть) Прокладка под головку Yamaha 6H3-11181-A0

под заказнет данных
24010-495-01K

     (не оригинальная запчасть) Ремкомплект RAVE клапана BRP 787RFI 010-495-01K

под заказ19 400 руб.
24SM-01364

     (не оригинальная запчасть) Статор BRP SM-01364

под заказ23 730 руб.
2418-3551

     (не оригинальная запчасть) Термостат Mercruiser 18-3551

под заказ1 990 руб.
24NW-40006

     (не оригинальная запчасть) Поршневой к-т Yamaha 1300R (номинал) NW-40006

под заказ10 870 руб.
24SM-07213

     (не оригинальная запчасть) Топливный насос BRP SM-07213

под заказ9 930 руб.
24SM-07214

     (не оригинальная запчасть) Топливный насос Yamaha SM-07214

под заказ6 890 руб.
24SM-03287

     (не оригинальная запчасть) Ремкомплект ведомого вариатора Arctic Cat SM-03287

под заказ3 130 руб.
24ATV-YA-804

     (не оригинальная запчасть) Привод для квадроцикла Yamaha ATV-YA-804

под заказ14 400 руб.
24ATV-YA-809

     (не оригинальная запчасть) Привод для квадроцикла Yamaha ATV-YA-809

под заказ14 400 руб.
24SC-GS090

     (не оригинальная запчасть) Прокладка под головку Yamaha SC-GS090

под заказ1 740 руб.
24ATV-YA-808

     (не оригинальная запчасть) Привод для Yamaha ATV-YA-808

под заказ14 400 руб.
24ATV-YA-803

     (не оригинальная запчасть) Привод для Yamaha ATV-YA-803

под заказ14 400 руб.
24SM-10108

     (не оригинальная запчасть) Ремкомплект помпы охлаждения Polaris SM-10108

под заказ10 800 руб.
24SM-10107

     (не оригинальная запчасть) Ремкомплект помпы охлаждения Polaris SM-10107

под заказ15 300 руб.
25414415200

Струбцина (Clamp)

под заказ140 руб.
25

(последний код)

под заказпо запросу
2639046

Топливный шланг 11 / 8 (Fuel hose 11/8)

под заказ1500 руб.
263999046

(последний код) HOSE 11/8 (USE 39046)

под заказ710 руб.
2728015

Spiral Трубка (Spiral tube)

под заказ1260 руб.
28513032923

Струбцина Трубка (Clamp tube)

под заказ220 руб.
lynx

 
 

данный сайт носит информационный характер и не является публичной офертой

склад запчастей для водомоторной техники