вконтакте

Контактный телефон: +7 (981) 121-46-93, +7 (800) 200-90-76 , Email: parts-katalog@yandex.ru, где купить

 
 

  Логин:

Пароль:

Регистрация

www.partskatalog.ru Все каталоги Запчасти Mercury Запчасти Suzuki Запчасти Tohatsu Запчасти Honda Контакты


Выбрать другую модель

назад Раздел:   вперёд

вернуться к списку узлов и деталей

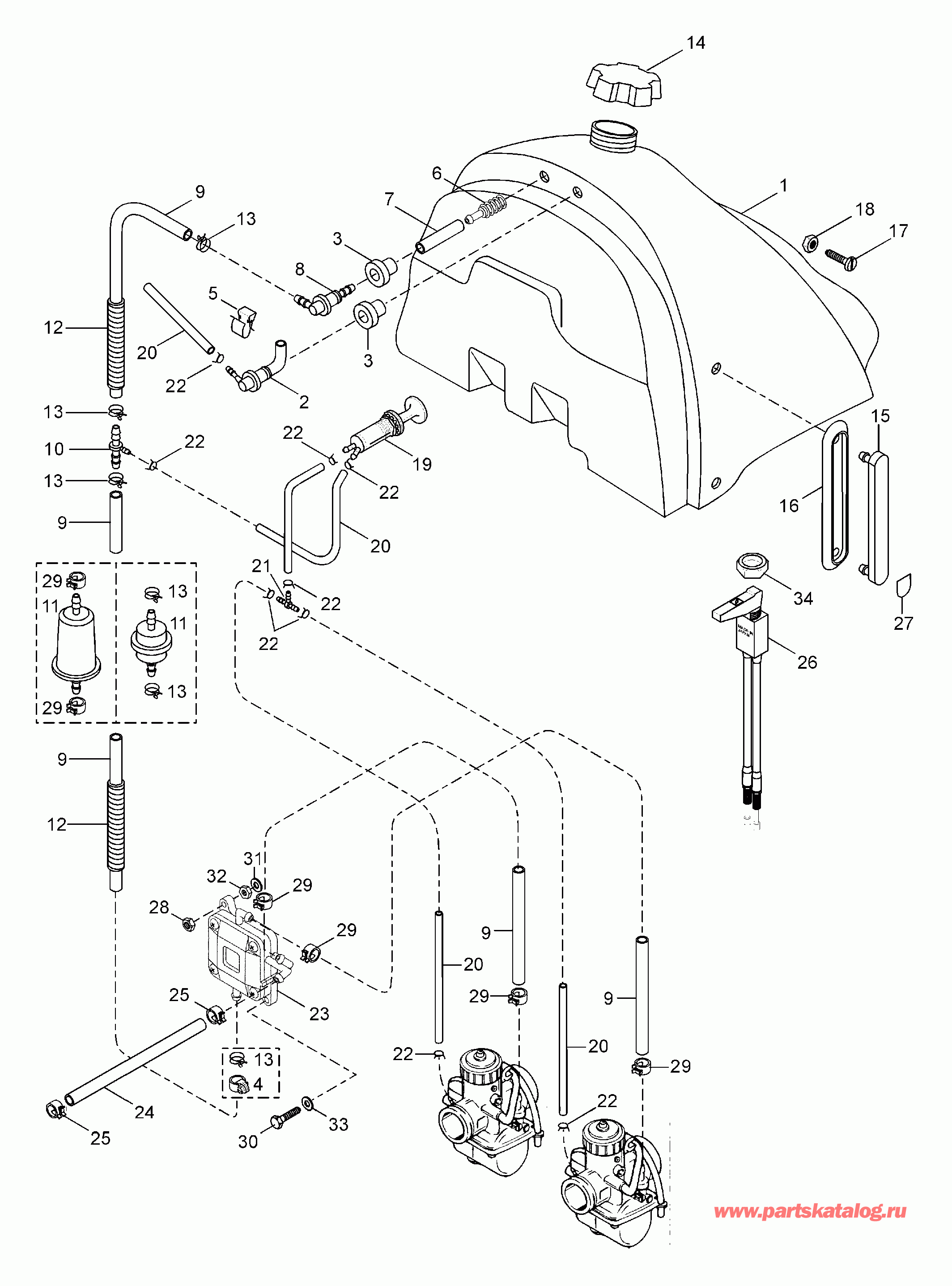
ДЕТАЛИРОВКА ДЛЯ МОДЕЛИ: LYNX Sport Touring 600, 2003


Снегоходы Lynx  - Fuel Tank - Топливный бак

Номер на
рисунке
АртикулНаименованиеКол-во
на складе
Цена
15146246

Топливный бак (Fuel tank)

под заказ16650 руб.
240002

Винт M6x40 (Screw M6x40)

под заказ60 руб.
333200

Elastig Фланецd Гайка M6 (Elastig flanged nut M6)

под заказпо запросу
333072

(последний код) NUT-FLANGE HEX. M6 DIN 6927 8.8 YIC

под заказпо запросу
4414872100

Топливный фильтр (Fuel filter)

под заказ1150 руб.
407-241-02

     (не оригинальная запчасть) Фильтр топливный в бак BRP/Polaris 07-241-02

под заказ720 руб.
539048

Fuel line 12.5 / 7.5 (Fuel line 12.5/7.5)

под заказ950 руб.
5513033332

(последний код) BOYAU *HOSE

под заказ1380 руб.
628037

Rubber (Rubber)

под заказ340 руб.
6

(последний код)

под заказпо запросу
75341709

Angle adapter (Angle adapter)

под заказ980 руб.
7

(последний код)

под заказпо запросу
8414415200

Струбцина (Clamp)

под заказ140 руб.
8

(последний код)

под заказпо запросу
9414536500

Топливный фильтр (Fuel filter)

под заказ310 руб.
907-246-05

     (не оригинальная запчасть) Фильтр масляный универсальный 07-246-05

под заказ370 руб.
907-246-06

     (не оригинальная запчасть) Фильтр масляный BRP 07-246-06

под заказ470 руб.
907-246-08

     (не оригинальная запчасть) Масляный фильтр 07-246-08

под заказ470 руб.
1039046

Шланг 11 / 8 (Hose 11/8)

под заказ1500 руб.
103999046

(последний код) HOSE 11/8 (USE 39046)

под заказ710 руб.
1128015

Трубопровод (Tubing)

под заказ1260 руб.
12415018200

Зажим (Clip)

под заказ140 руб.
1336036

Заклёпка (Rivet)

под заказ50 руб.
133699036

(последний код) RIVET NOIR *RIVET-BLACK

под заказ60 руб.
14403901806

Топливный насос (Fuel pump)

под заказ9570 руб.
14403901802

(последний код) POMPE A ESSENCE*PUMP-FUEL

под заказ7750 руб.
1539001

Fuel line 11 / 6 (Fuel line 11/6)

под заказ900 руб.
15415080200

(последний код) BOYAU POLYURE *POLYURETHANE HOSE

под заказ1150 руб.
1639038

Fuel line 6.5 / 9.5 (Fuel line 6.5/9.5)

под заказ580 руб.
17414420700

Пружина Зажим (Spring clip)

под заказ140 руб.
1727414420700

(последний код) SPRING CLIP 414420700

под заказ110 руб.
1819051

Fitting (Fitting)

под заказ550 руб.
18404127600

(последний код) RACCORD *NIPPLE

под заказ700 руб.
1939035

AirШланг 5 / 3 (Airhose 5/3)

под заказ190 руб.
20513032923

Трубка Струбцина (Tube clamp)

под заказ220 руб.
21414818200

Пружина (Spring)

под заказ220 руб.
2240331

Self tapp. Винт M6x16 (Self tapp. screw M6x16)

под заказ80 руб.
23580259400

Колпачок assembly (Cap assembly)

под заказпо запросу
23580258900

(последний код) BOUCHON RES.ESS*CAP-FUEL TANK

под заказпо запросу
23SM-07093

     (не оригинальная запчасть) Крышка топливного бака BRP SM-07093

под заказ1 730 руб.
23AT-07559

     (не оригинальная запчасть) Крышка топливного бака универсальная AT-07559

под заказ3 830 руб.
24572015900

Fuel gauge (Fuel gauge)

под заказ1130 руб.
2428572015900

(последний код) FUEL GAUGE

под заказ1040 руб.
25549200

Fuel Наклейки (Fuel label)

под заказпо запросу
26570018000

Корпус gauge (Housing gauge)

под заказ730 руб.
27512059110

Choke Кабели. Includes items 27 thru 28 (Choke cable. Includes items 27 thru 28)

под заказ6210 руб.
27SM-05011

     (не оригинальная запчасть) Курок подсоса Arctic Cat/BRP/Polaris/Yamaha SM-05011

под заказ330 руб.
28394103300

Шайба с блокировкой (Lock washer)

под заказ290 руб.
29512059094

пластиковый Гайка (Plastic nut)

под заказ440 руб.
lynx

 
 

данный сайт носит информационный характер и не является публичной офертой

склад запчастей для водомоторной техники