вконтакте

Контактный телефон: +7 (981) 121-46-93, +7 (800) 200-90-76 , Email: parts-katalog@yandex.ru, где купить

 
 

  Логин:

Пароль:

Регистрация

www.partskatalog.ru Все каталоги Запчасти Mercury Запчасти Suzuki Запчасти Tohatsu Запчасти Honda Контакты



УВАЖАЕМЫЕ КЛИЕНТЫ!
C 19 ДЕКАБРЯ 2025 ПО 02 МАРТА 2026 ГОДА ОТДЕЛ ЗАПЧАСТЕЙ И СЕРВИС РАБОТАТЬ НЕ БУДУТ
ПРОДАЖА ЛОДОЧНЫХ МОТОРОВ В ШТАТНОМ РЕЖИМЕ
ОБ ИЗМЕНЕНИЯХ В ГРАФИКЕ РАБОТЫ ЧИТАЙТЕ НА САЙТА




Выбрать другую модель

назад Раздел:   вперёд

вернуться к списку узлов и деталей

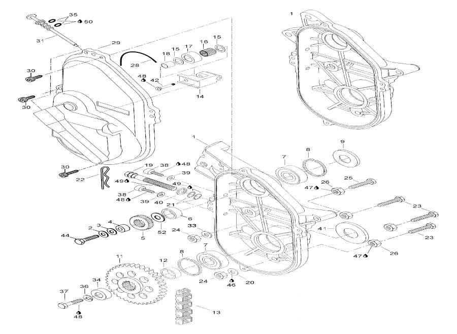
ДЕТАЛИРОВКА ДЛЯ МОДЕЛИ: LYNX Ranger FCE, 2003


Снегоход lynx  - Oil Pump / Масляный насос

Номер на
рисунке
АртикулНаименованиеКол-во
на складе
Цена
1420910160

Креплениеing Фланец (Mounting flange)

под заказ5710 руб.
1910160

(последний код) MOUNTING PLATE (USE 420910160)

под заказ3400 руб.
2420889070

Масляный насос, в сборе (Oil pump, assy)

под заказ23900 руб.
3420927945

Шайба (Washer)

под заказ290 руб.
3927945

(последний код) WASHER (USE 420927945)

под заказ230 руб.
4420935930

Шестерня, Z-27 (Gear, Z-27)

под заказ1050 руб.
4935930

(последний код) GEAR Z-27 (USE 420935930)

под заказ610 руб.
5232561414

Стопорная гайка, M6 (Lock nut, M6)

под заказ130 руб.
5420842040

(последний код) NUT-STOP ELASTIC DIN.985

под заказ110 руб.
6420841971

Винт (Screw)

под заказ430 руб.
6420841970

(последний код) SCREW-PLASTITE

под заказ340 руб.
7420832260

Штифт (Pin)

под заказ170 руб.
8420244073

Шайба (Washer)

под заказ140 руб.
8420244072

(последний код) WASHER-FLAT 4,3

под заказ110 руб.
9420935970

Шестерня Z-9 (Gear Z-9)

под заказ1120 руб.
9935970

(последний код) GEAR Z-9(USE420935970)

под заказ720 руб.
10420841976

Винт M5.5x20 (Screw M5.5x20)

под заказ380 руб.
10420841975

(последний код) SCREW-PLASTITE

под заказ300 руб.
11413707000

Molykote 111 (Molykote 111)

под заказ5600 руб.
11420897161

(последний код) MOLYKOTE 111 *MOLYKOTE-111

под заказпо запросу
12414413800

Oil line (Oil line)

под заказ290 руб.
12414124500

(последний код) TUYAU AERATION *TUBE-AIR VENT

под заказ230 руб.
12414413800

Oil line (Oil line)

под заказ290 руб.
12414124500

(последний код) TUYAU AERATION *TUBE-AIR VENT

под заказ230 руб.
13293800060

Loctite 243, 10ml (Loctite 243, 10ml)

под заказ2150 руб.
13420897651

(последний код) LOCTITE-243

под заказпо запросу
14420960728

Isolation Шланг, 120 мм (Isolation hose, 120mm)

под заказ310 руб.
lynx

 
 

данный сайт носит информационный характер и не является публичной офертой

склад запчастей для водомоторной техники