вконтакте

Контактный телефон: +7 (981) 121-46-93, +7 (800) 200-90-76 , Email: parts-katalog@yandex.ru, где купить

 
 

  Логин:

Пароль:

Регистрация

www.partskatalog.ru Все каталоги Запчасти Mercury Запчасти Suzuki Запчасти Tohatsu Запчасти Honda Контакты



УВАЖАЕМЫЕ КЛИЕНТЫ!
C 19 ДЕКАБРЯ 2025 ПО 02 МАРТА 2026 ГОДА ОТДЕЛ ЗАПЧАСТЕЙ И СЕРВИС РАБОТАТЬ НЕ БУДУТ
ПРОДАЖА ЛОДОЧНЫХ МОТОРОВ В ШТАТНОМ РЕЖИМЕ
ОБ ИЗМЕНЕНИЯХ В ГРАФИКЕ РАБОТЫ ЧИТАЙТЕ НА САЙТА




Выбрать другую модель

назад Раздел:   вперёд

вернуться к списку узлов и деталей

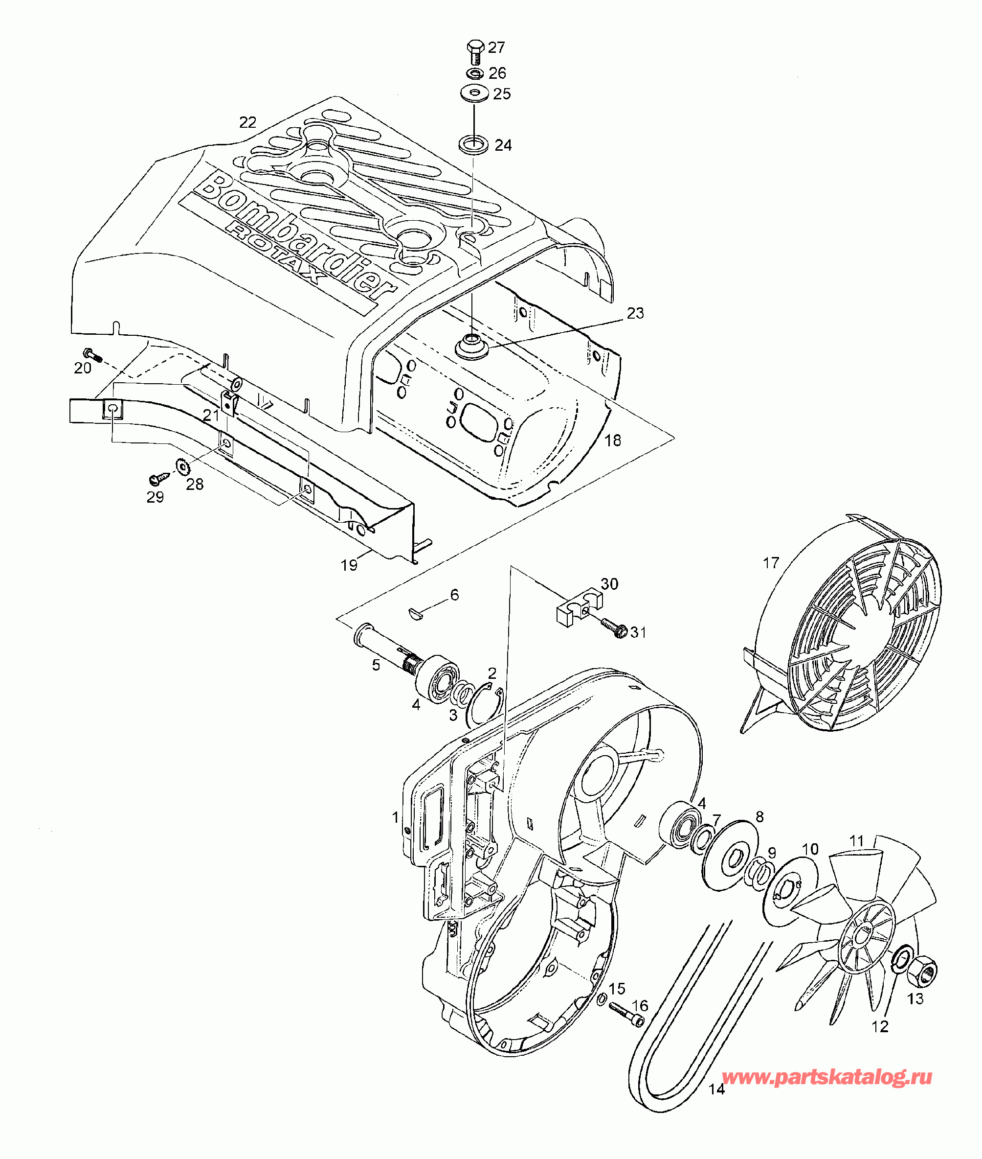
ДЕТАЛИРОВКА ДЛЯ МОДЕЛИ: LYNX Enduro 500 Special, 2003


Snow mobile lynx  - Rewind Starter - Rewind Стартер

Номер на
рисунке
АртикулНаименованиеКол-во
на складе
Цена
1420810865

Connecting Фланецd (Connecting flanged)

под заказ3720 руб.
1420810868

(последний код) FLASQUE CON. *FLANGE-CON.

под заказ6280 руб.
2420241236

Винт M6x16 (Screw M6x16)

под заказ250 руб.
2290241236

(последний код) SCREW-SOCKET M6 X 16

под заказ230 руб.
3420889762

Rewind Стартер в сборе. Includes items 3 thru 13 (Rewind starter assy. Includes items 3 thru 13)

под заказпо запросу
3420892615

(последний код) DEMAR.RAPPEL *STARTER-REWIND

под заказ13640 руб.
3420811401

Корпус стартера (Starter housing)

под заказ5690 руб.
3420910253

(последний код) BOITIER DEMAR. *HOUSING-STARTER

под заказ6200 руб.
4420939115

Rewind Пружина в сборе (Rewind spring assy)

под заказ2300 руб.
4939115

(последний код) JOUSIPAKETTI 467Z

под заказ1800 руб.
411-158

     (не оригинальная запчасть) Пружина ручного стартера BRP 11-158

под заказ1 000 руб.
5420852286

Шнур sheave (Rope sheave)

под заказ7610 руб.
5420852285

(последний код) POULIE DEMARRAG*SHEAVE-ROPE

под заказ5950 руб.
5SM-11006

     (не оригинальная запчасть) Барабан стартера BRP SM-11006

под заказ2 560 руб.
6420852492

Шнур стартера 2, 2m (Starter rope 2,2m)

под заказ440 руб.
6412500200

(последний код) ROPE-STARTER 30 метров в 1 упаковке

под заказ560 руб.
6412500100

Starting Шнур 30m (Starting rope 30m)

под заказпо запросу
6420997363

(последний код) CORDE DEMARREUR*ROPE-STARTER

под заказпо запросу
6SM-12576

     (не оригинальная запчасть) Трос ручного стартера BRP SM-12576

под заказ760 руб.
7420852070

Ключ Струбцина (Key clamp)

под заказ430 руб.
7852070

(последний код) LUKKOKIILA (USE 420852070)

под заказ340 руб.
8420852297

Pawl (Pawl)

под заказпо запросу
8420852292

(последний код) CLIQUET *PAWL

под заказпо запросу
9420852305

Pawl lock (Pawl lock)

под заказ1150 руб.
9420852303

(последний код) BARRURE CLIQUET*LOCK-PAWL

под заказ900 руб.
10420847925

Step Воротник (Step collar)

под заказ710 руб.
10420847926

(последний код) DOUILLE *SLEEVE-STAGE

под заказ1050 руб.
11420250400

Уплотнительное кольцо (O-ring)

под заказ430 руб.
12420852520

Lock Рычаг (Lock lever)

под заказ610 руб.
13420845560

Locking element (Locking element)

под заказ150 руб.
14420941256

Taptite-Винт M6x20 (Taptite-screw M6x20)

под заказ130 руб.
15420297433

Molykote G-N (Molykote G-N)

под заказ3300 руб.
15711297433

(последний код) MOLYKOTE G-N *MOLYKOTE-G-N

под заказ2580 руб.
16572084400

Стартер Рукоятка (Starter grip)

под заказ1050 руб.
16512059503

(последний код) POIGNEE DEMAR.R*GRIP-STARTER SCARL

под заказпо запросу
16SM-12167

     (не оригинальная запчасть) Ручка стартера SM-12167

под заказ740 руб.
17AT-08541

     (не оригинальная запчасть) Пыльник шрус AT-08541

под заказ1 460 руб.
17201-409F-01B.001

     (не оригинальная запчасть) Привод для Yamaha 201-409F-01B.001

под заказ17 260 руб.
17201-410R-01L.001

     (не оригинальная запчасть) Привод для Yamaha 201-410R-01L.001

под заказ17 260 руб.
17201-423R-01B.001

     (не оригинальная запчасть) Привод для Yamaha 201-423R-01B.001

под заказ17 260 руб.
17201-410R-01R.001

     (не оригинальная запчасть) Привод для Yamaha 201-410R-01R.001

под заказ17 260 руб.
17AT-08540

     (не оригинальная запчасть) Пыльник шрус AT-08540

под заказ1 390 руб.
17010-824PK

     (не оригинальная запчасть) Поршневой к-т Yamaha 1300R (номинал) 010-824PK

под заказ12 950 руб.
176A0-24421-01

     (не оригинальная запчасть) Клапаны в топливный насос Yamaha 6A0-24421-01

под заказнет данных
17AT-01100

     (не оригинальная запчасть) Реле стартера Yamaha AT-01100

под заказ2 810 руб.
17SM-01109

     (не оригинальная запчасть) Задний фонарь Yamaha SM-01109

под заказ3 300 руб.
176H3-11181-A0

     (не оригинальная запчасть) Прокладка под головку Yamaha 6H3-11181-A0

под заказнет данных
17010-495-01K

     (не оригинальная запчасть) Ремкомплект RAVE клапана BRP 787RFI 010-495-01K

под заказ19 400 руб.
17SM-01364

     (не оригинальная запчасть) Статор BRP SM-01364

под заказ23 730 руб.
1718-3551

     (не оригинальная запчасть) Термостат Mercruiser 18-3551

под заказ1 990 руб.
17NW-40006

     (не оригинальная запчасть) Поршневой к-т Yamaha 1300R (номинал) NW-40006

под заказ10 870 руб.
17SM-07213

     (не оригинальная запчасть) Топливный насос BRP SM-07213

под заказ9 930 руб.
17SM-07214

     (не оригинальная запчасть) Топливный насос Yamaha SM-07214

под заказ6 890 руб.
17SM-03287

     (не оригинальная запчасть) Ремкомплект ведомого вариатора Arctic Cat SM-03287

под заказ3 130 руб.
17ATV-YA-804

     (не оригинальная запчасть) Привод для квадроцикла Yamaha ATV-YA-804

под заказ14 400 руб.
17ATV-YA-809

     (не оригинальная запчасть) Привод для квадроцикла Yamaha ATV-YA-809

под заказ14 400 руб.
17SC-GS090

     (не оригинальная запчасть) Прокладка под головку Yamaha SC-GS090

под заказ1 740 руб.
17ATV-YA-808

     (не оригинальная запчасть) Привод для Yamaha ATV-YA-808

под заказ14 400 руб.
17ATV-YA-803

     (не оригинальная запчасть) Привод для Yamaha ATV-YA-803

под заказ14 400 руб.
17SM-10108

     (не оригинальная запчасть) Ремкомплект помпы охлаждения Polaris SM-10108

под заказ10 800 руб.
17SM-10107

     (не оригинальная запчасть) Ремкомплект помпы охлаждения Polaris SM-10107

под заказ15 300 руб.
lynx

 
 

данный сайт носит информационный характер и не является публичной офертой

склад запчастей для водомоторной техники