вконтакте

Контактный телефон: +7 (981) 121-46-93, +7 (800) 200-90-76 , Email: parts-katalog@yandex.ru, где купить

 
 

  Логин:

Пароль:

Регистрация

www.partskatalog.ru Все каталоги Запчасти Mercury Запчасти Suzuki Запчасти Tohatsu Запчасти Honda Контакты



УВАЖАЕМЫЕ КЛИЕНТЫ!
C 19 ДЕКАБРЯ 2025 ПО 02 МАРТА 2026 ГОДА ОТДЕЛ ЗАПЧАСТЕЙ И СЕРВИС РАБОТАТЬ НЕ БУДУТ
ПРОДАЖА ЛОДОЧНЫХ МОТОРОВ В ШТАТНОМ РЕЖИМЕ
ОБ ИЗМЕНЕНИЯХ В ГРАФИКЕ РАБОТЫ ЧИТАЙТЕ НА САЙТА




Выбрать другую модель

назад Раздел:   вперёд

вернуться к списку узлов и деталей

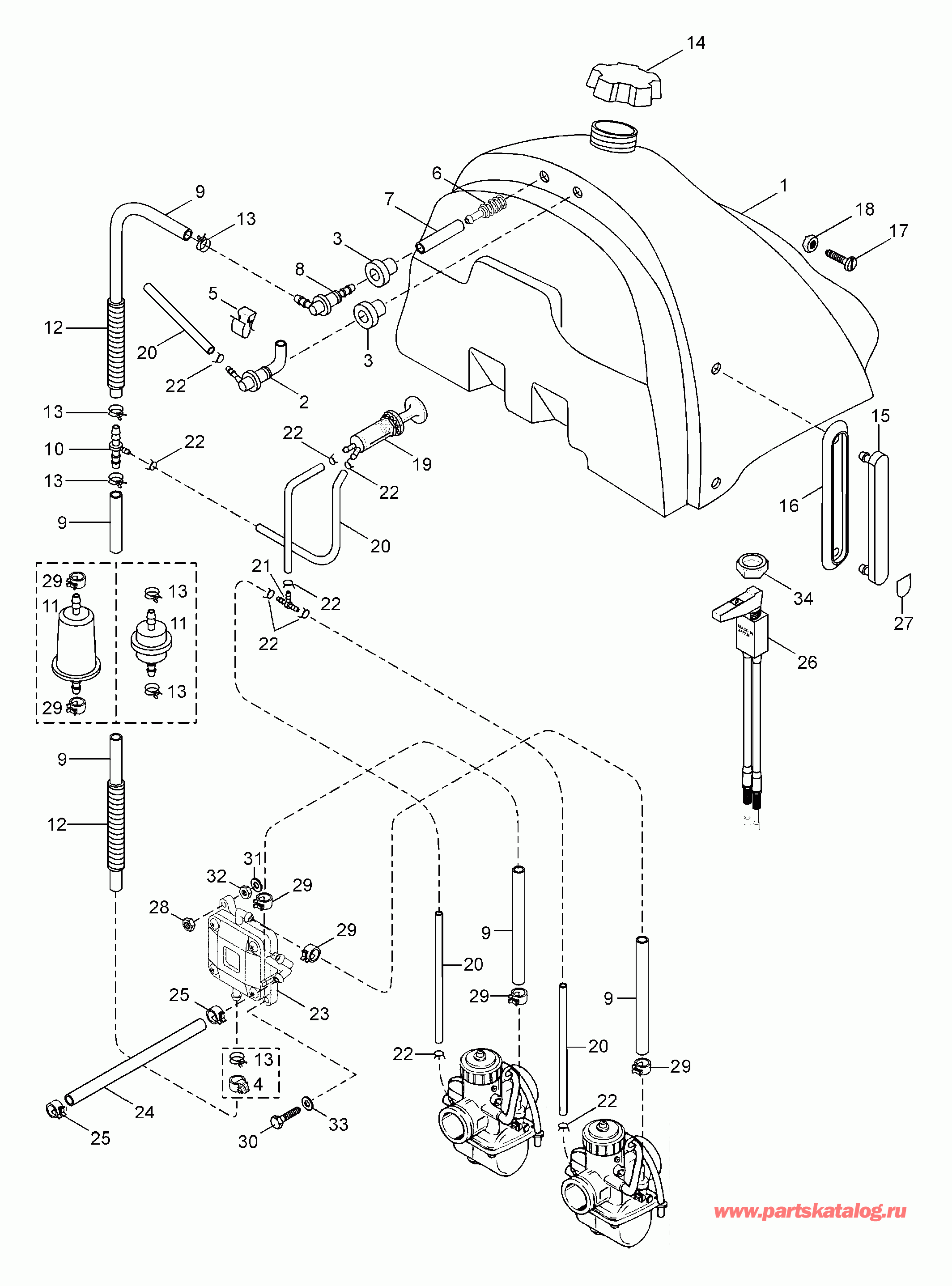
ДЕТАЛИРОВКА ДЛЯ МОДЕЛИ: LYNX 6900 FCE, 2003


Снегоход Лункс  - Карбюратор / Carburetor

Номер на
рисунке
АртикулНаименованиеКол-во
на складе
Цена
1404103700

Крышка (Cover)

под заказ2360 руб.
2404154800

Пружина клапана дросселя (Throttle valve spring)

под заказ1850 руб.
3404122100

Крышка (Cover)

под заказ1400 руб.
4404160800

Коннектор (Connector)

под заказ1210 руб.
4404128000

(последний код) RACCORD *FITTING

под заказ950 руб.
5404121300

Винт with Шайба (Screw with washer)

под заказ430 руб.
5404128200

(последний код) SCREW-WITH LOCK WASHER

под заказ340 руб.
6404110400

Игла жиклёра 6DH2-3 (Jet needle 6DH2-3)

под заказ1400 руб.
61471002

(последний код) NEEDLE 6DH2 (USE 404110400)

под заказ1110 руб.
7404152400

Уплотнительное кольцо (E-ring)

под заказ580 руб.
8404117000

Уплотнительное кольцо (O-ring)

под заказ290 руб.
9404128400

Slide 2.5 (Slide 2.5)

под заказ9300 руб.
10404157100

Игла распылителя 159 P-1 (Needle jet 159 P-1)

под заказ1240 руб.
11404104200

Прокладка pan (Gasket pan)

под заказ490 руб.
11420831895

(последний код) GASKET

под заказпо запросу
12404109100

Pilot jet PJ 40 (Pilot jet PJ 40)

под заказ400 руб.
12963825

(последний код) TYHJAKAYNTISUUTIN 40

под заказ240 руб.
13404103300

Стопор рычага поплавка (Float arm pin)

под заказ430 руб.
14404107600

Поплавок Рычаг (Float arm)

под заказ1780 руб.
15404107100

Поплавок (Float)

под заказ2140 руб.
15SM-07243

     (не оригинальная запчасть) Поплавок карбюратора BRP SM-07243

под заказ830 руб.
16404107300

Уплотнительное кольцо (O-ring)

под заказ590 руб.
17404107400

Заглушка винта (Plug screw)

под заказ1780 руб.
18404149000

Air Винт (Air screw)

под заказ2320 руб.
19404139800

Пружина (Spring)

под заказ590 руб.
20404101700

Пружина (Spring)

под заказ300 руб.
20420938940

(последний код) SPRING

под заказ240 руб.
21404125200

Дроссель Стопорный винт (Throttle stop screw)

под заказ1060 руб.
2219057

Колпачок (Cap)

под заказ770 руб.
23404101600

Шайба-Седло (Washer-seat)

под заказ240 руб.
24404103200

Игольчатый клапан 1.5 (Needle valve 1.5)

под заказ4140 руб.
24963848

(последний код) NEULAVENTTIILI 1,5 VM34

под заказ2760 руб.
25AT-08541

     (не оригинальная запчасть) Пыльник шрус AT-08541

под заказ1 460 руб.
25201-409F-01B.001

     (не оригинальная запчасть) Привод для Yamaha 201-409F-01B.001

под заказ17 260 руб.
25201-410R-01L.001

     (не оригинальная запчасть) Привод для Yamaha 201-410R-01L.001

под заказ17 260 руб.
25201-423R-01B.001

     (не оригинальная запчасть) Привод для Yamaha 201-423R-01B.001

под заказ17 260 руб.
25201-410R-01R.001

     (не оригинальная запчасть) Привод для Yamaha 201-410R-01R.001

под заказ17 260 руб.
25AT-08540

     (не оригинальная запчасть) Пыльник шрус AT-08540

под заказ1 390 руб.
25010-824PK

     (не оригинальная запчасть) Поршневой к-т Yamaha 1300R (номинал) 010-824PK

под заказ12 950 руб.
256A0-24421-01

     (не оригинальная запчасть) Клапаны в топливный насос Yamaha 6A0-24421-01

под заказнет данных
25AT-01100

     (не оригинальная запчасть) Реле стартера Yamaha AT-01100

под заказ2 810 руб.
25SM-01109

     (не оригинальная запчасть) Задний фонарь Yamaha SM-01109

под заказ3 300 руб.
256H3-11181-A0

     (не оригинальная запчасть) Прокладка под головку Yamaha 6H3-11181-A0

под заказнет данных
25010-495-01K

     (не оригинальная запчасть) Ремкомплект RAVE клапана BRP 787RFI 010-495-01K

под заказ19 400 руб.
25SM-01364

     (не оригинальная запчасть) Статор BRP SM-01364

под заказ23 730 руб.
2518-3551

     (не оригинальная запчасть) Термостат Mercruiser 18-3551

под заказ1 990 руб.
25NW-40006

     (не оригинальная запчасть) Поршневой к-т Yamaha 1300R (номинал) NW-40006

под заказ10 870 руб.
25SM-07213

     (не оригинальная запчасть) Топливный насос BRP SM-07213

под заказ9 930 руб.
25SM-07214

     (не оригинальная запчасть) Топливный насос Yamaha SM-07214

под заказ6 890 руб.
25SM-03287

     (не оригинальная запчасть) Ремкомплект ведомого вариатора Arctic Cat SM-03287

под заказ3 130 руб.
25ATV-YA-804

     (не оригинальная запчасть) Привод для квадроцикла Yamaha ATV-YA-804

под заказ14 400 руб.
25ATV-YA-809

     (не оригинальная запчасть) Привод для квадроцикла Yamaha ATV-YA-809

под заказ14 400 руб.
25SC-GS090

     (не оригинальная запчасть) Прокладка под головку Yamaha SC-GS090

под заказ1 740 руб.
25ATV-YA-808

     (не оригинальная запчасть) Привод для Yamaha ATV-YA-808

под заказ14 400 руб.
25ATV-YA-803

     (не оригинальная запчасть) Привод для Yamaha ATV-YA-803

под заказ14 400 руб.
25SM-10108

     (не оригинальная запчасть) Ремкомплект помпы охлаждения Polaris SM-10108

под заказ10 800 руб.
25SM-10107

     (не оригинальная запчасть) Ремкомплект помпы охлаждения Polaris SM-10107

под заказ15 300 руб.
26404119500

Главный жиклёр 185 (Main jet 185)

под заказ400 руб.
27404103000

Трубка Фиксатор Пластина (Tube retainer plate)

под заказ800 руб.
28404102000

Винт + Шайба с блокировкой (Screw + lock washer)

под заказ240 руб.
29404161880

Air vent Трубка (Air vent tube)

под заказ4340 руб.
29404161814

(последний код) DURITE *HOSE

под заказ3390 руб.
30404153400

Ниппель (Nipple)

под заказ860 руб.
30404159100

(последний код) RACCORD *NIPPLE

под заказ680 руб.
31404127400

Пружина (Spring)

под заказ800 руб.
32404161000

Плунжер в сборе (Plunger assy)

под заказ1850 руб.
33404161100

Держатель Направляющая (Holder guide)

под заказ2620 руб.
34404112000

Набор инструмента (Tool kit)

под заказ7330 руб.
34876960

(последний код) SPECIAL TOOL KIT

под заказ5730 руб.
lynx

 
 

данный сайт носит информационный характер и не является публичной офертой

склад запчастей для водомоторной техники