вконтакте

Контактный телефон: +7 (981) 121-46-93, +7 (800) 200-90-76 , Email: parts-katalog@yandex.ru, где купить

 
 

  Логин:

Пароль:

Регистрация

www.partskatalog.ru Все каталоги Запчасти Mercury Запчасти Suzuki Запчасти Tohatsu Запчасти Honda Контакты



УВАЖАЕМЫЕ КЛИЕНТЫ!
C 19 ДЕКАБРЯ 2025 ПО 02 МАРТА 2026 ГОДА ОТДЕЛ ЗАПЧАСТЕЙ И СЕРВИС РАБОТАТЬ НЕ БУДУТ
ПРОДАЖА ЛОДОЧНЫХ МОТОРОВ В ШТАТНОМ РЕЖИМЕ
ОБ ИЗМЕНЕНИЯХ В ГРАФИКЕ РАБОТЫ ЧИТАЙТЕ НА САЙТА




Выбрать другую модель

назад Раздел:   вперёд

вернуться к списку узлов и деталей

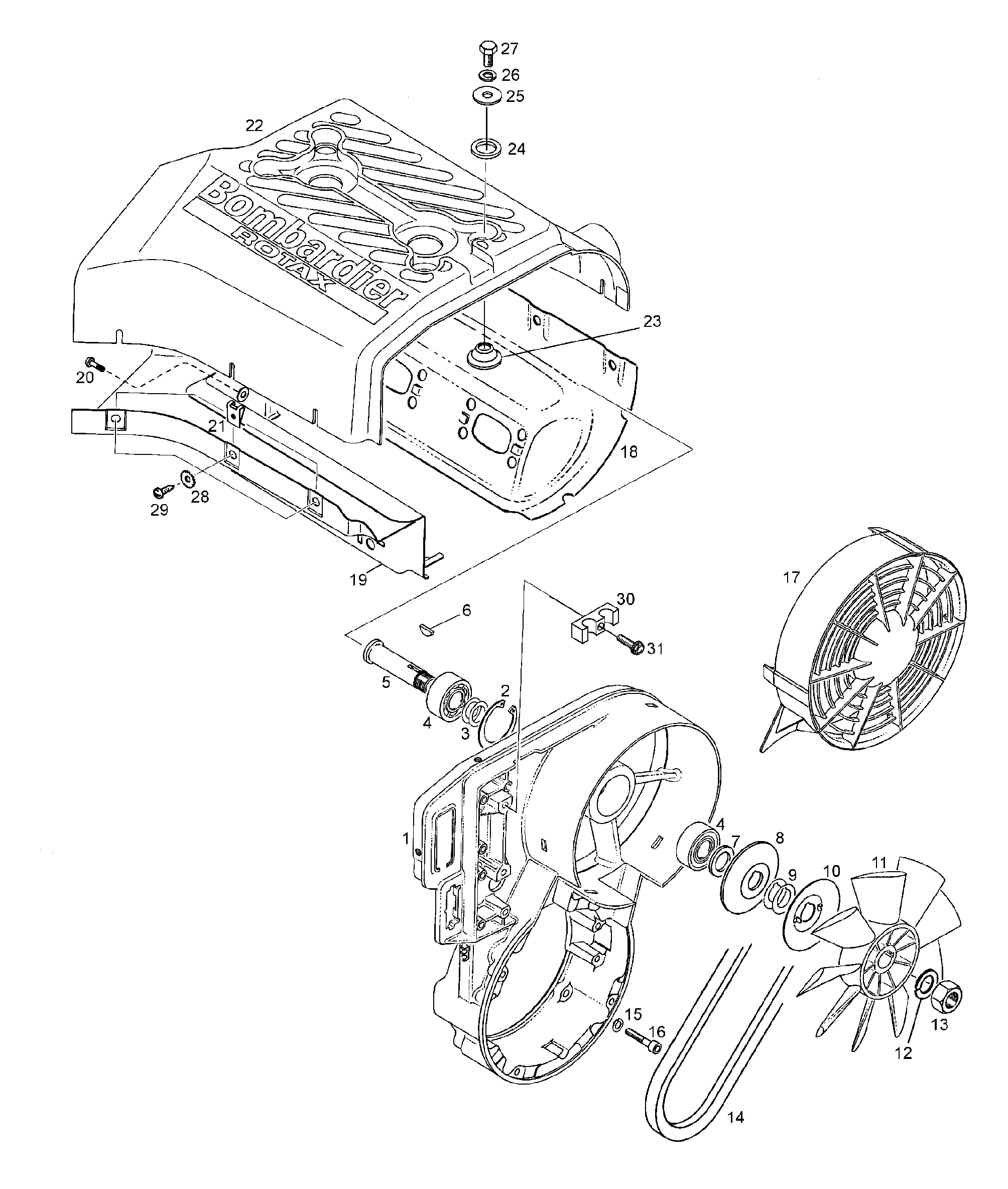
ДЕТАЛИРОВКА ДЛЯ МОДЕЛИ: LYNX Ranger 600, 2004


Snowmobiles Лункс  - Rewind Стартер - Rewind Starter

Номер на
рисунке
АртикулНаименованиеКол-во
на складе
Цена
1420810865

Connecting Фланец (Connecting flange)

под заказ3720 руб.
1420810868

(последний код) FLASQUE CON. *FLANGE-CON.

под заказ6280 руб.
2420241236

Allen Винт M6x16 (Allen screw M6x16)

под заказ250 руб.
2290241236

(последний код) SCREW-SOCKET M6 X 16

под заказ230 руб.
3420889762

Rewind Стартер в сборе. Includes items 3 thru 13 (Rewind starter assy. Includes items 3 thru 13)

под заказпо запросу
3420892615

(последний код) DEMAR.RAPPEL *STARTER-REWIND

под заказ13640 руб.
3420811401

Корпус стартера в сборе (Starter housing assy)

под заказ5690 руб.
3420910253

(последний код) BOITIER DEMAR. *HOUSING-STARTER

под заказ6200 руб.
4420939115

Пружина в сборе (Spring assy)

под заказ2300 руб.
4939115

(последний код) JOUSIPAKETTI 467Z

под заказ1800 руб.
411-158

     (не оригинальная запчасть) Пружина ручного стартера BRP 11-158

под заказ1 000 руб.
5420852286

Шнур sheave (Rope sheave)

под заказ7610 руб.
5420852285

(последний код) POULIE DEMARRAG*SHEAVE-ROPE

под заказ5950 руб.
5SM-11006

     (не оригинальная запчасть) Барабан стартера BRP SM-11006

под заказ2 560 руб.
6420852492

Шнур стартера (2.2 m) (Starter rope (2.2 m))

под заказ440 руб.
6412500200

(последний код) ROPE-STARTER 30 метров в 1 упаковке

под заказ560 руб.
6412500100

Шнур стартера (30 m) (Starter rope (30 m))

под заказпо запросу
6420997363

(последний код) CORDE DEMARREUR*ROPE-STARTER

под заказпо запросу
6SM-12576

     (не оригинальная запчасть) Трос ручного стартера BRP SM-12576

под заказ760 руб.
8420852297

Pawl (Pawl)

под заказпо запросу
8420852292

(последний код) CLIQUET *PAWL

под заказпо запросу
9420852305

Pawl lock (Pawl lock)

под заказ1150 руб.
9420852303

(последний код) BARRURE CLIQUET*LOCK-PAWL

под заказ900 руб.
10420847925

Гильза (Sleeve)

под заказ710 руб.
10420847926

(последний код) DOUILLE *SLEEVE-STAGE

под заказ1050 руб.
11420250400

Уплотнительное кольцо (O-ring)

под заказ430 руб.
12420852520

Lock Рычаг (Lock lever)

под заказ610 руб.
13420845560

Locking element (Locking element)

под заказ150 руб.
14420941256

Винт M6 x 20 (Screw M6 x 20)

под заказ130 руб.
15420897061

Silicon compound (Silicon compound)

под заказпо запросу
15897061

(последний код) SILICON-GREACE(USE 420897061)

под заказпо запросу
16572084400

Handle (Handle)

под заказ1050 руб.
16512059503

(последний код) POIGNEE DEMAR.R*GRIP-STARTER SCARL

под заказпо запросу
16SM-12167

     (не оригинальная запчасть) Ручка стартера SM-12167

под заказ740 руб.
lynx

 
 

данный сайт носит информационный характер и не является публичной офертой

склад запчастей для водомоторной техники