вконтакте

Контактный телефон: +7 (981) 121-46-93, +7 (800) 200-90-76 , Email: parts-katalog@yandex.ru, где купить

 
 

  Логин:

Пароль:

Регистрация

www.partskatalog.ru Все каталоги Запчасти Mercury Запчасти Suzuki Запчасти Tohatsu Запчасти Honda Контакты



УВАЖАЕМЫЕ КЛИЕНТЫ!
C 19 ДЕКАБРЯ 2025 ПО 02 МАРТА 2026 ГОДА ОТДЕЛ ЗАПЧАСТЕЙ И СЕРВИС РАБОТАТЬ НЕ БУДУТ
ПРОДАЖА ЛОДОЧНЫХ МОТОРОВ В ШТАТНОМ РЕЖИМЕ
ОБ ИЗМЕНЕНИЯХ В ГРАФИКЕ РАБОТЫ ЧИТАЙТЕ НА САЙТА




Выбрать другую модель

назад Раздел:   вперёд

вернуться к списку узлов и деталей

ДЕТАЛИРОВКА ДЛЯ МОДЕЛИ: LYNX Explorer 550, 2004


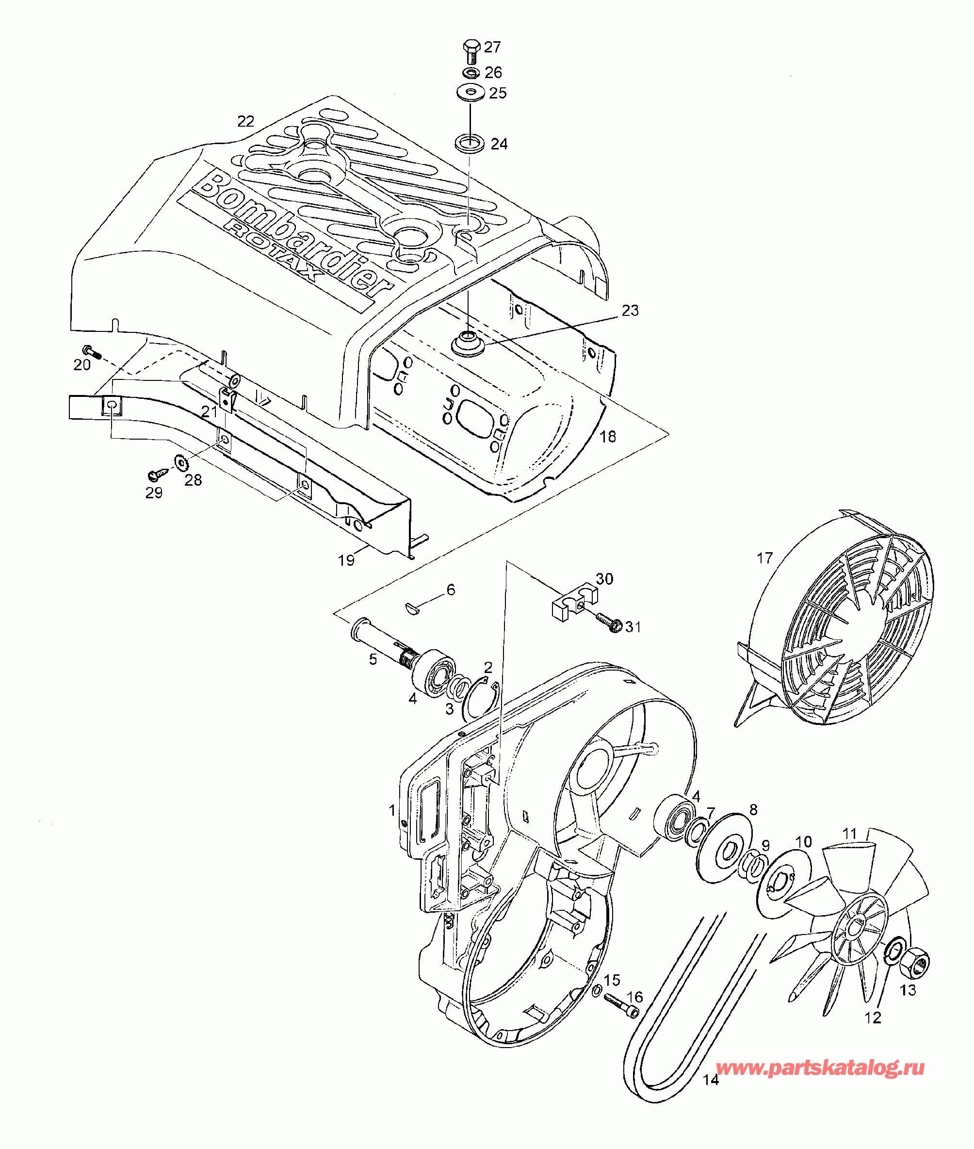
Snow mobile Лункс  - Электростартер / Electric Starter

Номер на
рисунке
АртикулНаименованиеКол-во
на складе
Цена
1515175141

Электростартер в сборе. Includes items 1 thru 20 (Electric starter assy. Includes items 1 thru 20)

под заказ34500 руб.
1515175795

(последний код) STARTER

под заказ44100 руб.
1410213106

Hausing Стартер (Hausing starter)

под заказ9750 руб.
2410213107

Щётка (Brush)

под заказ1710 руб.
3410209700

Держатель втулки (Brush holder)

под заказ950 руб.
3420866192

(последний код) BRUSH HOLDER

под заказпо запросу
4410209800

Пружина (Spring)

под заказ220 руб.
4420838200

(последний код) SPRING

под заказпо запросу
5410209900

Isolating Пластина (Isolating plate)

под заказ1060 руб.
6410213108

End Рама (End frame)

под заказ2020 руб.
7410210100

Втулка (Bushing)

под заказ650 руб.
7420933247

(последний код) BUSHING

под заказпо запросу
8410210200

Ротор в сборе (Rotor assy)

под заказ20900 руб.
9410210300

Магнитный переключатель в сборе (Magnetic switch assy)

под заказ16880 руб.
10410210400

Сцепление drive в сборе (Clutch drive assy)

под заказ29600 руб.
10SM-01321

     (не оригинальная запчасть) Бендикс стартера BRP SM-01321

под заказ4 580 руб.
11410212500

Lock Кольцо (Lock ring)

под заказ3030 руб.
11410210500

(последний код) ECROU *NUT

под заказ2370 руб.
12410212600

Стопорное кольцо (Circlip)

под заказ250 руб.
12410210600

(последний код) CIRCLIP *CIRCLIP

под заказ200 руб.
13410213109

Контрольный рычаг (Control lever)

под заказпо запросу
14410213113

Подшипник Корпус (Bearing housing)

под заказ9620 руб.
15410210900

Втулка (Bushing)

под заказ700 руб.
15420933245

(последний код) BUSHING

под заказпо запросу
16410212000

Винт M5 (Screw M5)

под заказ930 руб.
16410211000

(последний код) BOULON *BOLT

под заказ620 руб.
17410211100

Hexagon Гайка M8 (Hexagon nut M8)

под заказ250 руб.
18410211200

Гайка (Nut)

под заказ250 руб.
19234081410

плоский Шайба (Flat washer)

под заказ130 руб.
19

(последний код)

под заказпо запросу
20420945752

Шайба с блокировкой (Lock washer)

под заказ120 руб.
20402001600

(последний код) RONDELLE-FREIN *WASHER-LOCK#8

под заказ110 руб.
21232081414

Гайка (Nut)

под заказ130 руб.
21702000780

(последний код) ECROU *NUT

под заказ110 руб.
lynx

 
 

данный сайт носит информационный характер и не является публичной офертой

склад запчастей для водомоторной техники