вконтакте

Контактный телефон: +7 (981) 121-46-93, +7 (800) 200-90-76 , Email: parts-katalog@yandex.ru, где купить

 
 

  Логин:

Пароль:

Регистрация

www.partskatalog.ru Все каталоги Запчасти Mercury Запчасти Suzuki Запчасти Tohatsu Запчасти Honda Контакты



УВАЖАЕМЫЕ КЛИЕНТЫ!
C 19 ДЕКАБРЯ 2025 ПО 02 МАРТА 2026 ГОДА ОТДЕЛ ЗАПЧАСТЕЙ И СЕРВИС РАБОТАТЬ НЕ БУДУТ
ПРОДАЖА ЛОДОЧНЫХ МОТОРОВ В ШТАТНОМ РЕЖИМЕ
ОБ ИЗМЕНЕНИЯХ В ГРАФИКЕ РАБОТЫ ЧИТАЙТЕ НА САЙТА




Выбрать другую модель

назад Раздел:   вперёд

вернуться к списку узлов и деталей

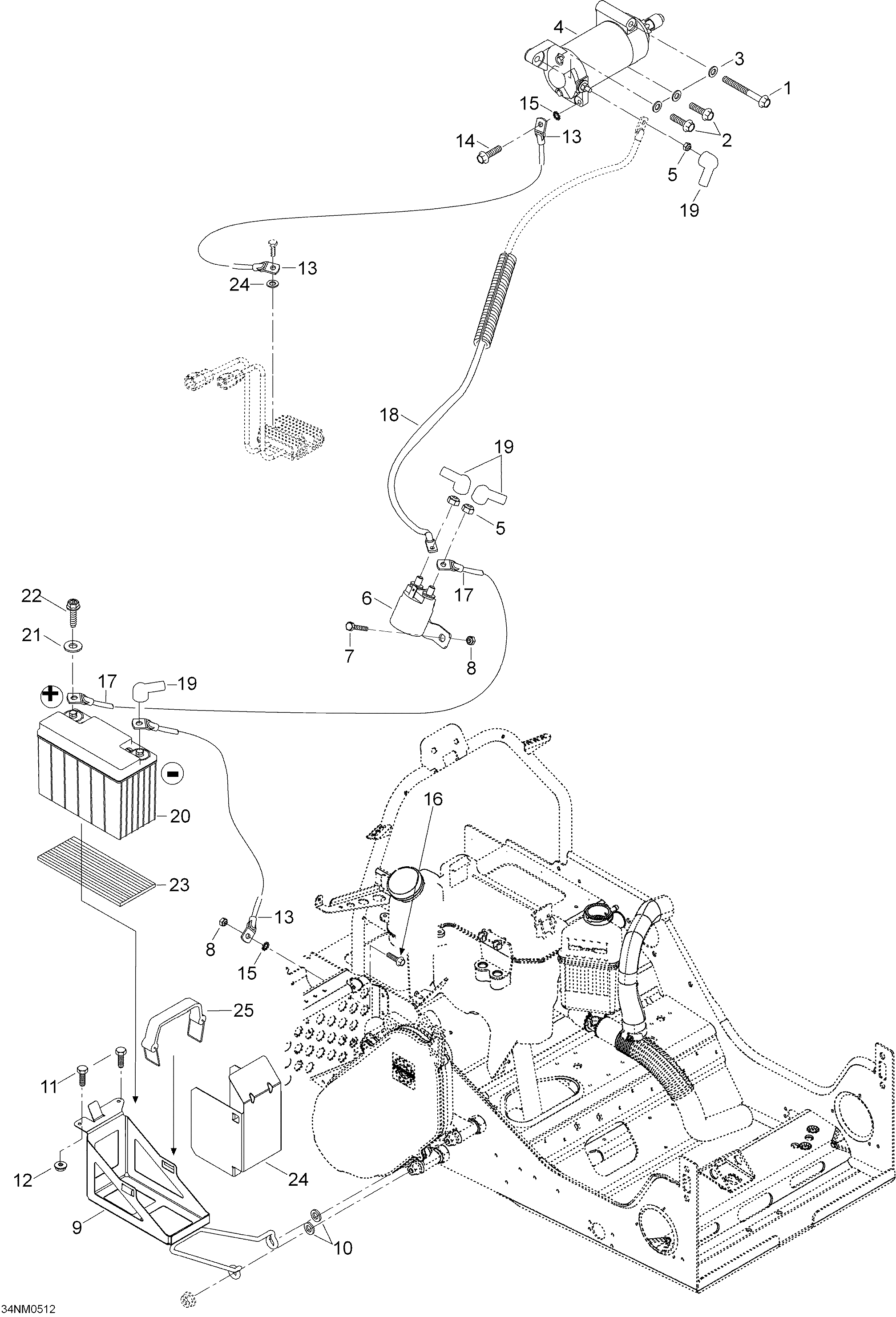
ДЕТАЛИРОВКА ДЛЯ МОДЕЛИ: LYNX Sport Touring 600HO SDI, 2005


Snowmobile Лункс  - Электрика System / Electrical System

Номер на
рисунке
АртикулНаименованиеКол-во
на складе
Цена
1207587544

Шестигранный винт M8 x 75 (Hex. screw M8 x 75)

под заказ610 руб.
2207583044

Шестигранный винт M8 x 30 (Hex. screw M8 x 30)

под заказ290 руб.
3250200008

Шайба (Washer)

под заказ580 руб.
4515176003

Электростартер в сборе (Electric starter assy)

под заказ36300 руб.
4515176133

(последний код) DEMARREUR *STARTER

под заказ40400 руб.
4SM-01214

     (не оригинальная запчасть) Стартер электрический BRP SM-01214

под заказ16 010 руб.
4SM-01214-2

     (не оригинальная запчасть) Щетки электрического стартера BRP SM-01214-2

под заказ530 руб.
4SM-MZ1116

     (не оригинальная запчасть) Стартер электрический двигателя снегохода SM-MZ1116

под заказ15 500 руб.
533010

Эластичная гайка со стопором M6 (Elastic stop nut M6)

под заказ20 руб.
5842042

(последний код) LOCKING NUT (USE 33010)

под заказ20 руб.
6515176011

Реле-Стартер (Relay-starter)

под заказ6030 руб.
6710000252

(последний код) SOLENOIDE DEM. *RELAY-STARTER

под заказ4720 руб.
740029

Шестигранный винт M6 x 16 (Hex. screw M6 x 16)

под заказ30 руб.
833200

Elastic Фланецd Гайка M6 (Elastic flanged nut M6)

под заказпо запросу
833072

(последний код) NUT-FLANGE HEX. M6 DIN 6927 8.8 YIC

под заказпо запросу
9515175848

Battery sвышеport (Battery support)

под заказ5390 руб.
9515175625

(последний код) SUP.BATTERY BLACK

под заказ4940 руб.
1020005

Шайба A10, 5 (Washer A10,5)

под заказ140 руб.
10

(последний код)

под заказпо запросу
1140308

Socket head Винт M5 x 16 (Socket head screw M5 x 16)

под заказ40 руб.
1233062

Elastic Фланецd Гайка M5 (Elastic flanged nut M5)

под заказ230 руб.
12233251434

(последний код) NUT-FLANGE ELASTIC DIN.6926

под заказ290 руб.
13515175483

Провод заземления (Ground wire)

под заказ1560 руб.
14207361644

Шестигранный винт M6 x 16 (Hex. screw M6 x 16)

под заказ580 руб.
1440379

(последний код) SCREW M6X16(SCOTCH GRIP)DIN 933 8.8 YIC#

под заказ450 руб.
1520017

Шайба с блокировкой serrated M6 (Lock washer serrated M6)

под заказ20 руб.
1640029

Винт M6 x 16 (Screw M6 x 16)

под заказ30 руб.
17515175555

Battery Провод (Battery wire)

под заказпо запросу
185448151

Battery Провод (Battery wire)

под заказпо запросу
19570151000

Защита Колпачок (Protector cap)

под заказ1350 руб.
19673580

(последний код) CAPUCHON PROT. *CAP-PROTECTION

под заказ810 руб.
20515175642

Battery. Includes 20 to 22 (Battery. Includes 20 to 22)

под заказ8080 руб.
20410301203

(последний код) BATTERY 18AMPS(WET) YTX20LBS(619660002)

под заказ12230 руб.
20FTX20L-BS

     (не оригинальная запчасть) Аккумулятор FTX20L-BS (YTX20L-BS)

под заказ8 580 руб.
20FHD20HL-BS-GEL

     (не оригинальная запчасть) Аккумулятор гелевый FHD20HL-BS-GEL (YTX20HL-BS, YTX20L-BS)

под заказ11 110 руб.
21391302100

Шайба (Washer)

под заказ130 руб.
21399901500

(последний код) WASHER-FLAT

под заказ110 руб.
22207161644

Винт M6x16 (Screw M6x16)

под заказ290 руб.
22420241186

(последний код) SCREW-HEX.M6 X 16

под заказ230 руб.
235347314

Rubber (Rubber)

под заказ540 руб.
24515175643

Защита (Protector)

под заказ1440 руб.
25515175475

Battery Хомут (Battery strap)

под заказ1230 руб.
25515176044

(последний код) SANGLE BATTERIE*STRAP-BATTERY

под заказ1580 руб.
2550-17-005

     (не оригинальная запчасть) Ремень крепления аккумулятора BRP 50-17-005

под заказ580 руб.
lynx

 
 

данный сайт носит информационный характер и не является публичной офертой

склад запчастей для водомоторной техники