вконтакте

Контактный телефон: +7 (981) 121-46-93, +7 (800) 200-90-76 , Email: parts-katalog@yandex.ru, где купить

 
 

  Логин:

Пароль:

Регистрация

www.partskatalog.ru Все каталоги Запчасти Mercury Запчасти Suzuki Запчасти Tohatsu Запчасти Honda Контакты



УВАЖАЕМЫЕ КЛИЕНТЫ!
C 19 ДЕКАБРЯ 2025 ПО 02 МАРТА 2026 ГОДА ОТДЕЛ ЗАПЧАСТЕЙ И СЕРВИС РАБОТАТЬ НЕ БУДУТ
ПРОДАЖА ЛОДОЧНЫХ МОТОРОВ В ШТАТНОМ РЕЖИМЕ
ОБ ИЗМЕНЕНИЯХ В ГРАФИКЕ РАБОТЫ ЧИТАЙТЕ НА САЙТА




Выбрать другую модель

назад Раздел:   вперёд

вернуться к списку узлов и деталей

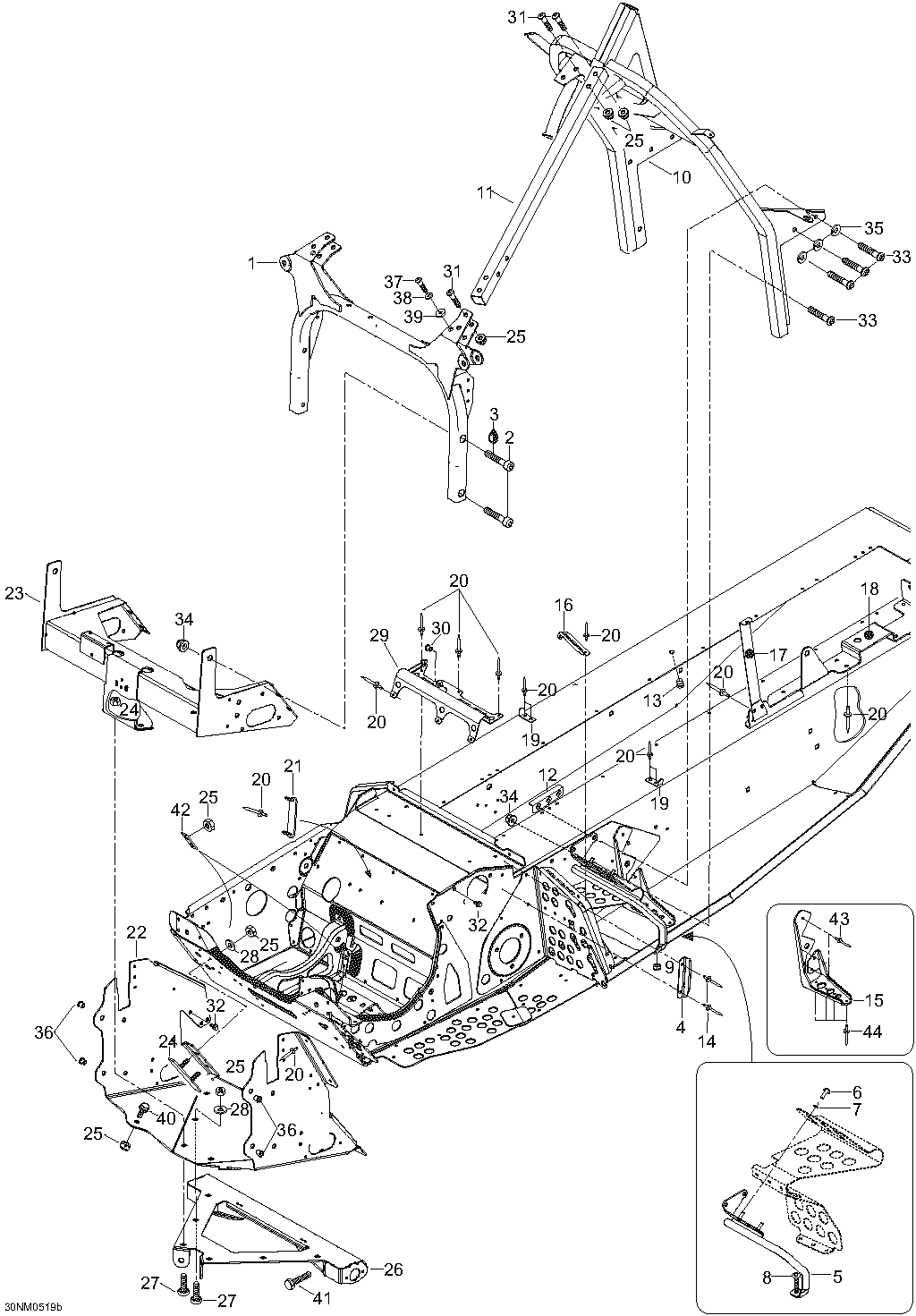
ДЕТАЛИРОВКА ДЛЯ МОДЕЛИ: LYNX Rave 800, 2005


Snowmobiles Лункс  - Рама и Components

Номер на
рисунке
АртикулНаименованиеКол-во
на складе
Цена
1605249856

Sвышеport (Support)

под заказпо запросу
240810

Socket head Винт M8 x 20 (Socket head screw M8 x 20)

под заказ530 руб.
2

(последний код)

под заказпо запросу
3293800060

Liima Loctite 243 50ml (Liima Loctite 243 50ml)

под заказ2150 руб.
3420897651

(последний код) LOCTITE-243

под заказпо запросу
4518317504

Кабели Защита (Cable protector)

под заказ180 руб.
5605351595

R.H. Toe hold sвышеport (R.H. Toe hold support)

под заказ3170 руб.
5605351594

L.H. Toe hold sвышеport (L.H. Toe hold support)

под заказ3170 руб.
640381

Socket head Винт M6 x 20 (Socket head screw M6 x 20)

под заказ60 руб.
720117

Шайба (Washer)

под заказ60 руб.
7

(последний код)

под заказпо запросу
840399

Socket head Винт M8 x 16 (Socket head screw M8 x 16)

под заказпо запросу
933011

Эластичная гайка со стопором M8 (Elastic stop nut M8)

под заказ30 руб.
9232581414

(последний код) NUT-STOP ELASTIC DIN.985

под заказ140 руб.
10605250887

Handle sвышеport (Handle support)

под заказ14630 руб.
11605349876

Side bar (Side bar)

под заказ1470 руб.
12605350830

Пластина (Plate)

под заказ430 руб.
1328135

Заглушка (Plug)

под заказпо запросу
1436083

Заклёпка (Rivet)

под заказ30 руб.
1436108

(последний код) RIVET STEEL 4.8X8 ZN BRIGHT PASSIVETED

под заказ40 руб.
15605351603

R.H. Side Кронштейн (R.H. Side bracket)

под заказ2170 руб.
15605351602

L.H. Side Кронштейн (L.H. Side bracket)

под заказ2170 руб.
16518322726

Пластина (Plate)

под заказ1060 руб.
17605352379

R.H. Steel strip (R.H. Steel strip)

под заказ320 руб.
17605352380

L.H. Steel strip (L.H. Steel strip)

под заказ320 руб.
18605351792

R.H. Седло Кронштейн (R.H. seat bracket)

под заказ1180 руб.
18605351793

L.H. Седло Кронштейн (L.H. seat bracket)

под заказ1180 руб.
19605452615

Кронштейн, Седло (Bracket, seat)

под заказ150 руб.
2036108

Заклёпка (Rivet)

под заказ40 руб.
20

(последний код)

под заказпо запросу
21605451470

Кронштейн топливного насоса (Bracket, fuel pump)

под заказ670 руб.
22605250550

Front cross member (Front cross member)

под заказ17840 руб.
23605350136

Front sвышеport (Front support)

под заказ10460 руб.
24605452644

Пластина (Plate)

под заказпо запросу
2533011

Эластичная гайка со стопором M8 (Elastic stop nut M8)

под заказ30 руб.
25232581414

(последний код) NUT-STOP ELASTIC DIN.985

под заказ140 руб.
26605252309

SubРама (Subframe)

под заказ7490 руб.
2740058

Locking Винт M8 x 20 (Locking screw M8 x 20)

под заказ70 руб.
2820010

Шайба A8, 4 (Washer A8,4)

под заказ210 руб.
28234082410

(последний код) WASHER-FLAT DIN.9021B

под заказ270 руб.
29518323532

Air Система впуска sвышеport (Air intake support)

под заказ4640 руб.
3036086

Заклёпка Гайка M6 (Rivet nut M6)

под заказ60 руб.
3140137

Socket head Винт M8 x 40 (Socket head screw M8 x 40)

под заказ110 руб.
3240327

Шестигранный винт M6 x 12 (Hex. screw M6 x 12)

под заказ60 руб.
3240329

(последний код) HEX SCREW M6 X12 DIN 7500DZNE

под заказ40 руб.
3340351

Socket head Винт M8 x 20 (Socket head screw M8 x 20)

под заказ160 руб.
3433201

Elastic Фланецd Гайка M8 (Elastic flanged nut M8)

под заказ230 руб.
34233281414

(последний код) NUT-FLANGE ELASTIC DIN.6926

под заказ290 руб.
3520014

Шайба с блокировкой A8 (Lock washer A8)

под заказ20 руб.
3633043

Гайка M6 (Nut M6)

под заказ40 руб.
3740332

Socket head Винт M6 x 16 (Socket head screw M6 x 16)

под заказ50 руб.
3820052

Lock waher A6 (Lock waher A6)

под заказ120 руб.
38234161471

(последний код) WASHER-LOCK BLACK DIN.127B

под заказ130 руб.
3920009

Шайба A6.4 (Washer A6.4)

под заказпо запросу
39542376

(последний код) WASHER

под заказпо запросу
4040386

Винт M8 x 30 (Screw M8 x 30)

под заказ130 руб.
4140037

Винт M8 x 25 (Screw M8 x 25)

под заказ60 руб.
41

(последний код)

под заказпо запросу
42605452373

Шайба (Washer)

под заказ560 руб.
4336489

Заклёпка (Rivet)

под заказ80 руб.
43

(последний код)

под заказпо запросу
4436007

Заклёпка (Rivet)

под заказ50 руб.
lynx

 
 

данный сайт носит информационный характер и не является публичной офертой

склад запчастей для водомоторной техники