вконтакте

Контактный телефон: +7 (981) 121-46-93, +7 (800) 200-90-76 , Email: parts-katalog@yandex.ru, где купить

 
 

  Логин:

Пароль:

Регистрация

www.partskatalog.ru Все каталоги Запчасти Mercury Запчасти Suzuki Запчасти Tohatsu Запчасти Honda Контакты



УВАЖАЕМЫЕ КЛИЕНТЫ!
C 19 ДЕКАБРЯ 2025 ПО 02 МАРТА 2026 ГОДА ОТДЕЛ ЗАПЧАСТЕЙ И СЕРВИС РАБОТАТЬ НЕ БУДУТ
ПРОДАЖА ЛОДОЧНЫХ МОТОРОВ В ШТАТНОМ РЕЖИМЕ
ОБ ИЗМЕНЕНИЯХ В ГРАФИКЕ РАБОТЫ ЧИТАЙТЕ НА САЙТА




Выбрать другую модель

назад Раздел:   вперёд

вернуться к списку узлов и деталей

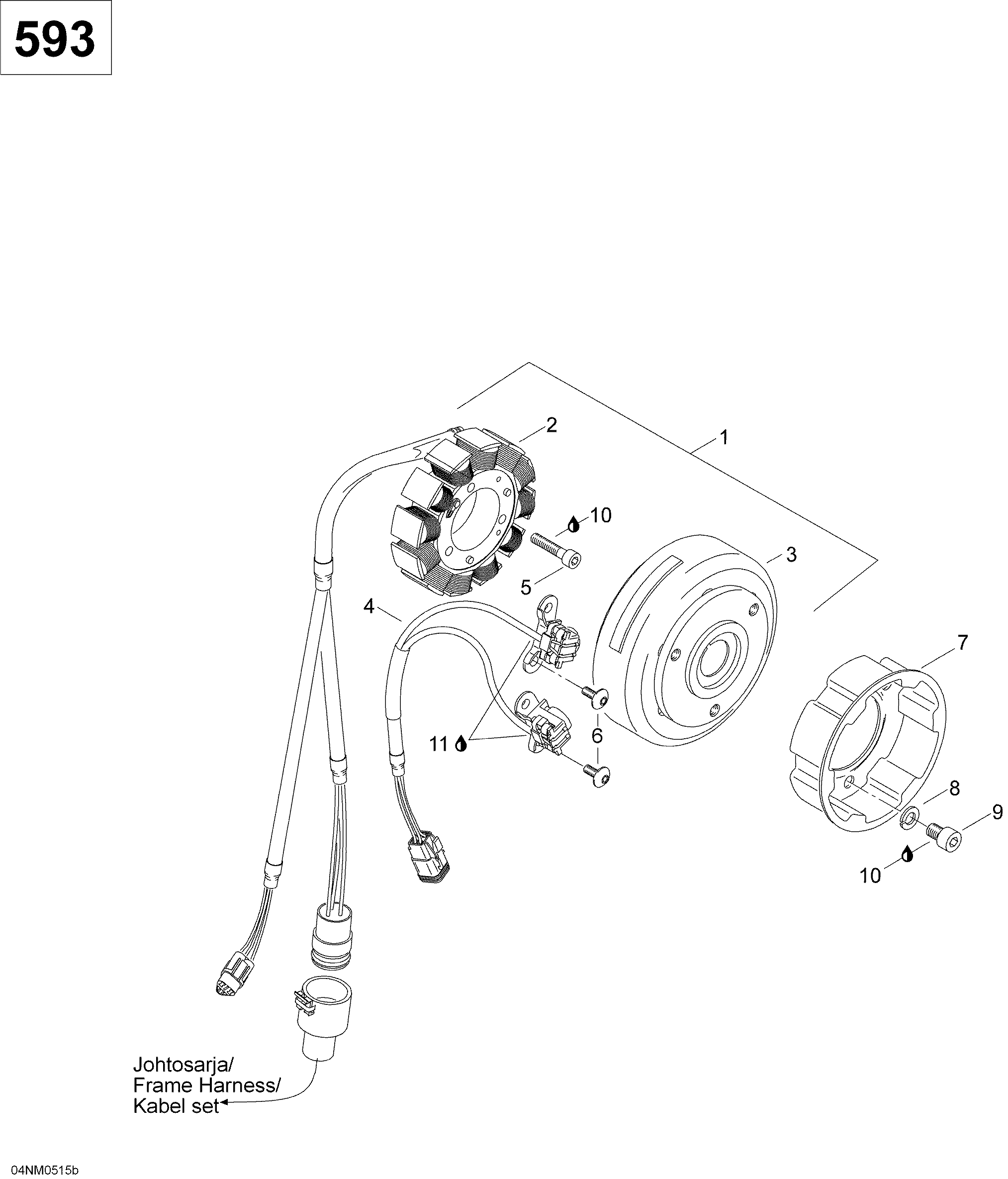
ДЕТАЛИРОВКА ДЛЯ МОДЕЛИ: LYNX Ranger 600, 2005


Снегоходы lynx  - Ignition, 593 - Ignition, 593

Номер на
рисунке
АртикулНаименованиеКол-во
на складе
Цена
1420888450

Magnetto в сборе 12V7290W. Includes 1 to 4 (Magnetto assy 12V7290W. Includes 1 to 4)

под заказпо запросу
2420888615

Статор в сборе (Stator assy)

под заказ29600 руб.
2410922936

(последний код) PLATE-STATOR

под заказ44000 руб.
3420888626

Маховик (Flywheel)

под заказпо запросу
4420966802

Pick выше в сборе (Pick up assy)

под заказпо запросу
5420840880

Socket head Винт M6 x 30 (Socket head screw M6 x 30)

под заказ230 руб.
5205063044

(последний код) SCREW-SOCKET HD.DIN.912

под заказ290 руб.
6420640321

Taptite Винт M6 x 16 (Taptite screw M6 x 16)

под заказпо запросу
7420852590

Starting Шкив (Starting pulley)

под заказ2140 руб.
7420852419

(последний код) POULIE DEMARRAG*PULL-STARTING

под заказ1420 руб.
8420827405

Шайба с блокировкой 8 mm (Lock washer 8 mm)

под заказ720 руб.
9420841520

Socket head Винт M8 x 12 (Socket head screw M8 x 12)

под заказ130 руб.
10293800060

Loctite 243, 10 ml (Loctite 243, 10 ml)

под заказ2150 руб.
10420897651

(последний код) LOCTITE-243

под заказпо запросу
11-XXX-

Sikaflex 255, 310 ml (Sikaflex 255, 310 ml)

lynx

 
 

данный сайт носит информационный характер и не является публичной офертой

склад запчастей для водомоторной техники