вконтакте

Контактный телефон: +7 (981) 121-46-93, +7 (800) 200-90-76 , Email: parts-katalog@yandex.ru, где купить

 
 

  Логин:

Пароль:

Регистрация

www.partskatalog.ru Все каталоги Запчасти Mercury Запчасти Suzuki Запчасти Tohatsu Запчасти Honda Контакты



УВАЖАЕМЫЕ КЛИЕНТЫ!
C 19 ДЕКАБРЯ 2025 ПО 02 МАРТА 2026 ГОДА ОТДЕЛ ЗАПЧАСТЕЙ И СЕРВИС РАБОТАТЬ НЕ БУДУТ
ПРОДАЖА ЛОДОЧНЫХ МОТОРОВ В ШТАТНОМ РЕЖИМЕ
ОБ ИЗМЕНЕНИЯХ В ГРАФИКЕ РАБОТЫ ЧИТАЙТЕ НА САЙТА




Выбрать другую модель

назад Раздел:   вперёд

вернуться к списку узлов и деталей

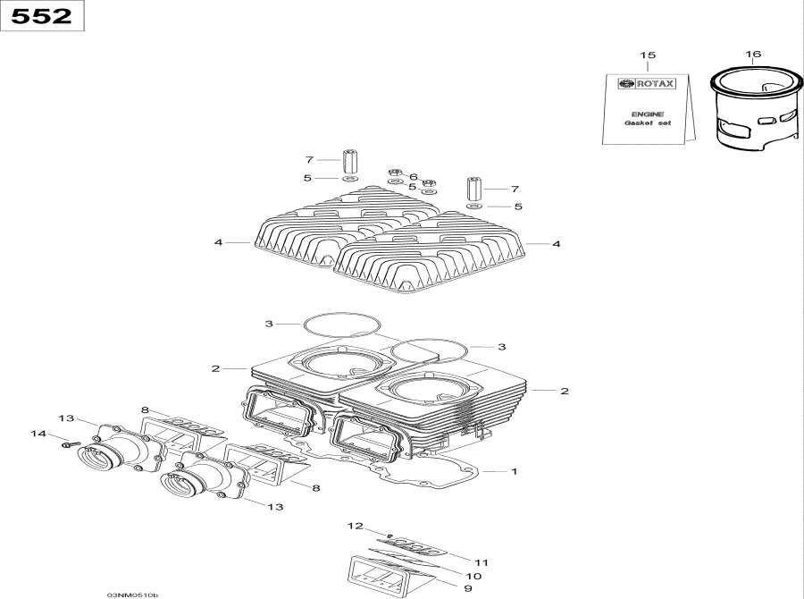
ДЕТАЛИРОВКА ДЛЯ МОДЕЛИ: LYNX Enduro 550RC, 2005


Snow mobile lynx  - Цилиндр и Головка блока цилиндра 552 - Cylinder And Cylinder Head 552

Номер на
рисунке
АртикулНаименованиеКол-во
на складе
Цена
1420950910

Прокладка, cyl.bottom 0.3 (Gasket, cyl.bottom 0.3)

под заказ1120 руб.
1420950911

Прокладка, cyl.bottom 0.4 (Gasket, cyl.bottom 0.4)

под заказ1310 руб.
1420950912

Прокладка, cyl.bottom 0.6 (Gasket, cyl.bottom 0.6)

под заказ1310 руб.
2420923979

Цилиндр (Cylinder)

под заказ71400 руб.
2420923977

(последний код) CYLINDER WITH SLEEVE

под заказ63500 руб.
3293300026

Прокладка головки блока цилиндра (Gasket, cylinder head)

под заказ1150 руб.
760 руб.
3420850540

(последний код) JOINT TORIQUE *O RING

под заказпо запросу
309-710195

     (не оригинальная запчасть) Верхний комплект прокладок BRP 300F 09-710195

под заказ1 080 руб.
4420923595

Головка блока цилиндра (Cylinder head)

под заказ20200 руб.
520004

Шайба (Washer)

под заказ110 руб.
5234081410

(последний код) WASHER-FLAT DIN.125A

под заказ130 руб.
6420242206

Гайка M8 (Nut M8)

под заказпо запросу
6242206

(последний код) NUT 22NM

под заказпо запросу
7420842203

Гайка M8 x 47 (Nut M8 x 47)

под заказ610 руб.
8420924519

Язычковый клапан, в сборе (Reed valve assy)

под заказ13690 руб.
10290 руб.
8420924514

(последний код) SOUPAPE CLAPETS*VALVE-REED ASS

под заказпо запросу
9-XXX-

Язычковый клапан Корпус (Reed valve housing)

10420924532

Reed pedal (Reed pedal)

под заказ3210 руб.
10SM-07160C

     (не оригинальная запчасть) Ремкомплект лепесткового клапана BRP SM-07160C

под заказ2 060 руб.
11420924539

Pedal stop (Pedal stop)

под заказ840 руб.
410 руб.
12420941215

Винт M3 x 5 (Screw M3 x 5)

под заказ290 руб.
12290941215

(последний код) VIS TETE RONDE *SCREW-OVAL HEAD

под заказ230 руб.
13420867100

Карбюратор socket (Carburetor socket)

под заказ6640 руб.
14420941925

Винт M5 x 16 (Screw M5 x 16)

под заказ290 руб.
14941925

(последний код) SCREW M5 X 16(USE 420941925)

под заказ230 руб.
15420889911

Комплект прокладок (Gasket set)

под заказ9300 руб.
15420889910

(последний код) GASKET SET

под заказ7530 руб.
1509-711277

     (не оригинальная запчасть) Полный комплект прокладок BRP 552F 09-711277

под заказ4 540 руб.
15SM-MZ1113

     (не оригинальная запчасть) Полный комплект прокладок BRP 552F SM-MZ1113

под заказ3 930 руб.
16-XXX-

Spare Цилиндр Гильза (Spare cylinder sleeve)

lynx

 
 

данный сайт носит информационный характер и не является публичной офертой

склад запчастей для водомоторной техники