вконтакте

Контактный телефон: +7 (981) 121-46-93, +7 (800) 200-90-76 , Email: parts-katalog@yandex.ru, где купить

 
 

  Логин:

Пароль:

Регистрация

www.partskatalog.ru Все каталоги Запчасти Mercury Запчасти Suzuki Запчасти Tohatsu Запчасти Honda Контакты



УВАЖАЕМЫЕ КЛИЕНТЫ!
C 19 ДЕКАБРЯ 2025 ПО 02 МАРТА 2026 ГОДА ОТДЕЛ ЗАПЧАСТЕЙ И СЕРВИС РАБОТАТЬ НЕ БУДУТ
ПРОДАЖА ЛОДОЧНЫХ МОТОРОВ В ШТАТНОМ РЕЖИМЕ
ОБ ИЗМЕНЕНИЯХ В ГРАФИКЕ РАБОТЫ ЧИТАЙТЕ НА САЙТА




Выбрать другую модель

назад Раздел:   вперёд

вернуться к списку узлов и деталей

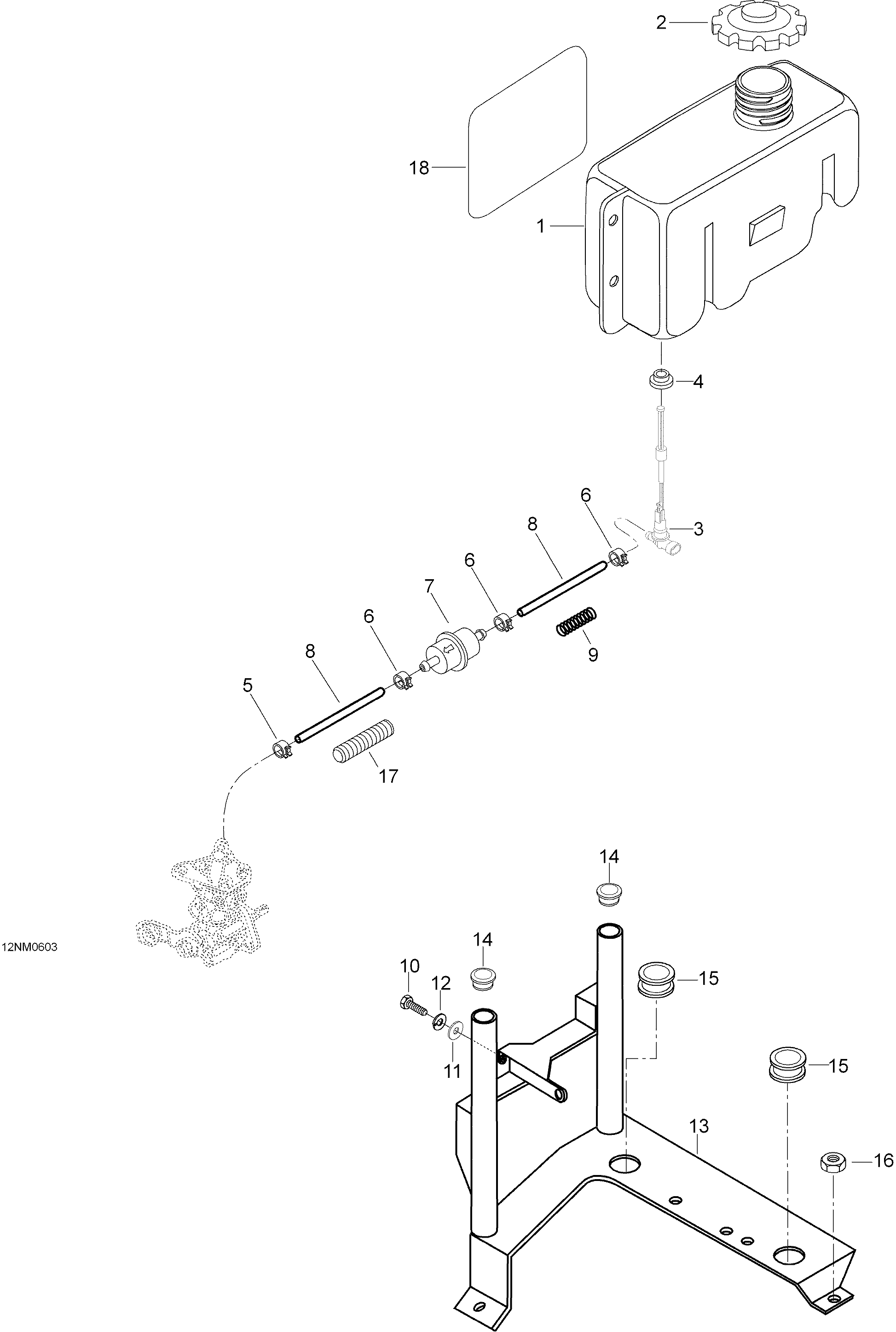
ДЕТАЛИРОВКА ДЛЯ МОДЕЛИ: LYNX GLX 6900, 2006


Snowmobiles Lynx  - Oil Tank And Support - Масляный бак и Sвышеport

Номер на
рисунке
АртикулНаименованиеКол-во
на складе
Цена
15142700

Масляный бак (Oil tank)

под заказ2360 руб.
1

(последний код)

под заказпо запросу
2519000044

Колпачок (Cap)

под заказ3350 руб.
2572071000

(последний код) BOUCHON *CAP

под заказ1930 руб.
207-288-01

     (не оригинальная запчасть) Крышка топливного/масляного бака BRP 07-288-01

под заказ660 руб.
3605452095

Oil level Датчик (Oil level sensor)

под заказ2330 руб.
4570023000

Пыльник (Grommet)

под заказ580 руб.
42890230

(последний код) GROMMET (USE 570023000)

под заказ450 руб.
4SM-07403

     (не оригинальная запчасть) Уплотнительная втулка масляного бачка BRP SM-07403

под заказ140 руб.
5414420700

Пружина Зажим (Spring clip)

под заказ140 руб.
527414420700

(последний код) SPRING CLIP 414420700

под заказ110 руб.
6414415200

Пружина Зажим (Spring clip)

под заказ140 руб.
6

(последний код)

под заказпо запросу
7414536500

Масляный фильтр (Oil filter)

под заказ310 руб.
707-246-05

     (не оригинальная запчасть) Фильтр масляный универсальный 07-246-05

под заказ370 руб.
707-246-06

     (не оригинальная запчасть) Фильтр масляный BRP 07-246-06

под заказ470 руб.
707-246-08

     (не оригинальная запчасть) Масляный фильтр 07-246-08

под заказ470 руб.
839046

Oil line (Oil line)

под заказ1500 руб.
83999046

(последний код) HOSE 11/8 (USE 39046)

под заказ710 руб.
925005

Пружина (Spring)

под заказ8770 руб.
945005

(последний код) SPRING TR84X0.75X5.75X2500

под заказпо запросу
1040322

Self Саморез M6 x 16 (Self tapping screw M6 x 16)

под заказ60 руб.
10

(последний код)

под заказпо запросу
1120009

Шайба A6.4 (Washer A6.4)

под заказпо запросу
11542376

(последний код) WASHER

под заказпо запросу
1220052

Шайба с блокировкой A6 (Lock washer A6)

под заказ120 руб.
12234161471

(последний код) WASHER-LOCK BLACK DIN.127B

под заказ130 руб.
13605350521

Sвышеport (Support)

под заказ5620 руб.
1428136

Заглушка (Plug)

под заказ440 руб.
1528022

Пыльник (Grommet)

под заказ1000 руб.
15

(последний код)

под заказпо запросу
1633200

Elastic Фланецd Гайка M6 (Elastic flanged nut M6)

под заказпо запросу
1633072

(последний код) NUT-FLANGE HEX. M6 DIN 6927 8.8 YIC

под заказпо запросу
1728015

Трубопровод (Tubing)

под заказ1260 руб.
185443578

Al-Защита (Al-protector)

под заказ220 руб.
18

(последний код)

под заказпо запросу
lynx

 
 

данный сайт носит информационный характер и не является публичной офертой

склад запчастей для водомоторной техники