вконтакте

Контактный телефон: +7 (981) 121-46-93, +7 (800) 200-90-76 , Email: parts-katalog@yandex.ru, где купить

 
 

  Логин:

Пароль:

Регистрация

www.partskatalog.ru Все каталоги Запчасти Mercury Запчасти Suzuki Запчасти Tohatsu Запчасти Honda Контакты



УВАЖАЕМЫЕ КЛИЕНТЫ!
C 19 ДЕКАБРЯ 2025 ПО 02 МАРТА 2026 ГОДА ОТДЕЛ ЗАПЧАСТЕЙ И СЕРВИС РАБОТАТЬ НЕ БУДУТ
ПРОДАЖА ЛОДОЧНЫХ МОТОРОВ В ШТАТНОМ РЕЖИМЕ
ОБ ИЗМЕНЕНИЯХ В ГРАФИКЕ РАБОТЫ ЧИТАЙТЕ НА САЙТА




Выбрать другую модель

назад Раздел:   вперёд

вернуться к списку узлов и деталей

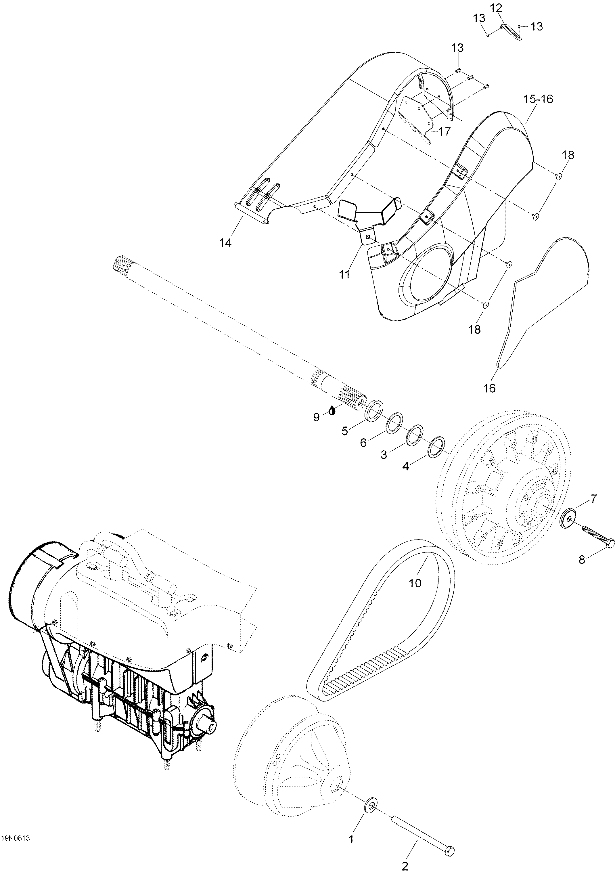
ДЕТАЛИРОВКА ДЛЯ МОДЕЛИ: LYNX Adventure LX 550 F, 2006


Snow mobile Лункс  - Шкив System / Pulley System

Номер на
рисунке
АртикулНаименованиеКол-во
на складе
Цена
120090

Шайба (Washer)

под заказ120 руб.
1

(последний код)

под заказпо запросу
2417113800

Болт (Bolt)

под заказ1210 руб.
2

(последний код)

под заказпо запросу
3417300252

Проставка (Spacer)

под заказ390 руб.
3417300231

(последний код) SPACER

под заказ310 руб.
4417300265

Проставка (Spacer)

под заказ80 руб.
4417300054

(последний код) ENTRETOISE *SPACER

под заказ60 руб.
5504149100

Гильза (Sleeve)

под заказ840 руб.
6504112000

Регулировочная шайба (Shim)

под заказ460 руб.
6572041400

(последний код) ENTRETOISE *SPACER

под заказ170 руб.
7517302322

Шайба (Washer)

под заказ840 руб.
7517293300

(последний код) RONDELLE *WASHER

под заказ950 руб.
840089

Шестигранный винт M8 x 75 (Hex. screw M8 x 75)

под заказ90 руб.
8

(последний код)

под заказпо запросу
9293800070

Loctite 767, 8oz (Loctite 767, 8oz)

под заказ2440 руб.
9711297430

(последний код) COPA SLIP *COPA-SLIP

под заказ1910 руб.
10415060600

Приводной ремень (Drive belt)

под заказ3970 руб.
10417300064

(последний код) COURROIE ENTR. *BELT-DRIVE

под заказ4080 руб.
10138-4332U4

     (не оригинальная запчасть) Ремень вариатора Arctic Cat/BRP 138-4332U4

под заказ9 440 руб.
1039G4266

     (не оригинальная запчасть) Ремень вариатора для снегохода BRP 39G4266

под заказ9 430 руб.
11605353789

Sвышеport, air Впуск глушителя (Support, air intake silencer)

под заказ1660 руб.
12518323105

Пластина (Plate)

под заказ580 руб.
1336108

Заклёпка (Rivet)

под заказ40 руб.
13

(последний код)

под заказпо запросу
14417300269

Belt quard (Belt quard)

под заказ5920 руб.
15417300301

Side Защита в сборе. Includes 15 to 16 (Side protector assy. Includes 15 to 16)

под заказ4230 руб.
15417300248

(последний код) PROT.LATERAL *SIDE PROTECTOR ASSY

под заказ3310 руб.
16417300246

Foam (Foam)

под заказ430 руб.
17605453799

Кронштейн (Bracket)

под заказ1150 руб.
1836036

Заклёпка (Rivet)

под заказ50 руб.
183699036

(последний код) RIVET NOIR *RIVET-BLACK

под заказ60 руб.
lynx

 
 

данный сайт носит информационный характер и не является публичной офертой

склад запчастей для водомоторной техники