вконтакте

Контактный телефон: +7 (981) 121-46-93, +7 (800) 200-90-76 , Email: parts-katalog@yandex.ru, где купить

 
 

  Логин:

Пароль:

Регистрация

www.partskatalog.ru Все каталоги Запчасти Mercury Запчасти Suzuki Запчасти Tohatsu Запчасти Honda Контакты



УВАЖАЕМЫЕ КЛИЕНТЫ!
C 19 ДЕКАБРЯ 2025 ПО 02 МАРТА 2026 ГОДА ОТДЕЛ ЗАПЧАСТЕЙ И СЕРВИС РАБОТАТЬ НЕ БУДУТ
ПРОДАЖА ЛОДОЧНЫХ МОТОРОВ В ШТАТНОМ РЕЖИМЕ
ОБ ИЗМЕНЕНИЯХ В ГРАФИКЕ РАБОТЫ ЧИТАЙТЕ НА САЙТА




Выбрать другую модель

назад Раздел:   вперёд

вернуться к списку узлов и деталей

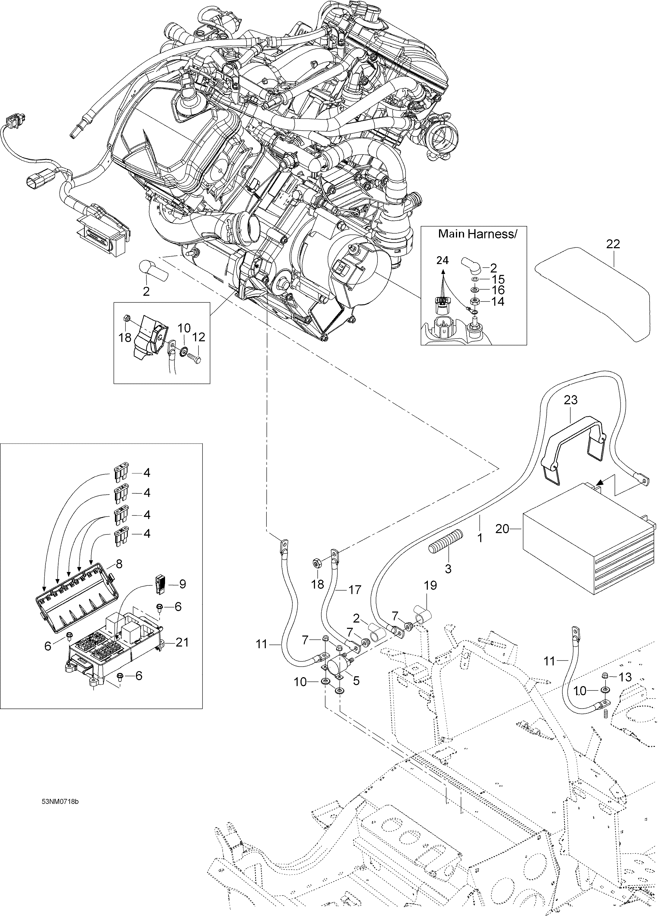
ДЕТАЛИРОВКА ДЛЯ МОДЕЛИ: LYNX YETI TUV V-1300, 2007


Снегоходы Lynx  - Электростартер

Номер на
рисунке
АртикулНаименованиеКол-во
на складе
Цена
1605151524

Battery Провод (Battery wire)

под заказ2180 руб.
2570151000

Колпачок (Cap)

под заказ1350 руб.
2673580

(последний код) CAPUCHON PROT. *CAP-PROTECTION

под заказ810 руб.
24605355338

Main Жгут проводов (Main harness)

под заказ21400 руб.
328012

Трубопровод (Tubing)

под заказ440 руб.
3605356081

(последний код) Cover Tube (1pac=1M)

под заказ340 руб.
442040

Предохранитель 5 A (Fuse 5 A)

под заказ140 руб.
4278000344

(последний код) FUSIBLE 5 AMP. *FUSE-5 AMP.

под заказ290 руб.
442041

Предохранитель 7.5 A (Fuse 7.5 A)

под заказ230 руб.
4278000704

(последний код) FUSIBLE 7.5AMP.*FUSE-7.5 AMP.

под заказ290 руб.
442042

Предохранитель 20 A (Fuse 20 A)

под заказ110 руб.
4409003900

(последний код) FUSIBLE 20A *FUSE 20A

под заказ290 руб.
442043

Предохранитель 30 A (Fuse 30 A)

под заказ140 руб.
4410917200

(последний код) FUSIBLE 30 AMP *FUSE 30 AMP

под заказ290 руб.
442044

Предохранитель 1 A (Fuse 1 A)

под заказ170 руб.
4

(последний код)

под заказпо запросу
442045

Предохранитель 15 A (Fuse 15 A)

под заказ110 руб.
5515176011

Стартер Реле (Starter relay)

под заказ6030 руб.
5710000252

(последний код) SOLENOIDE DEM. *RELAY-STARTER

под заказ4720 руб.
6210251680

Винт M5 x 16 (Screw M5 x 16)

под заказ290 руб.
6732600008

(последний код) SCREW-FORMING HEX.HD.FL.GM6174

под заказ230 руб.
733200

Elastic Фланецd Гайка M6 (Elastic flanged nut M6)

под заказпо запросу
733072

(последний код) NUT-FLANGE HEX. M6 DIN 6927 8.8 YIC

под заказпо запросу
8515176066

Крышка (Cover)

под заказ1280 руб.
8515175740

(последний код) COVER-BOX FUSE

под заказ3810 руб.
9515175811

Инструмент (Tool)

под заказ180 руб.
1020017

Serrated Шайба с блокировкой M6 (Serrated lock washer M6)

под заказ20 руб.
11515175483

Провод заземления (Ground wire)

под заказ1560 руб.
1240030

Шестигранный винт M6 x 20 (Hex. screw M6 x 20)

под заказ60 руб.
1240075

(последний код) VIS *SCREW

под заказ50 руб.
1333010

Эластичная гайка со стопором M6 (Elastic stop nut M6)

под заказ20 руб.
13842042

(последний код) LOCKING NUT (USE 33010)

под заказ20 руб.
1433005

Гайка M6 (Nut M6)

под заказ20 руб.
1520052

Шайба с блокировкой A6 (Lock washer A6)

под заказ120 руб.
15234161471

(последний код) WASHER-LOCK BLACK DIN.127B

под заказ130 руб.
1620003

Шайба A6, 4 (Washer A6,4)

под заказ20 руб.
16

(последний код)

под заказпо запросу
17515175793

Battery Провод (Battery wire)

под заказ1090 руб.
1833010

Эластичная гайка со стопором M6 (Elastic stop nut M6)

под заказ20 руб.
18842042

(последний код) LOCKING NUT (USE 33010)

под заказ20 руб.
19278000020

Колпачок (Cap)

под заказ550 руб.
20515176448

Battery (Battery)

под заказпо запросу
20FTX24HL-BS

     (не оригинальная запчасть) Аккумулятор FTX24HL-BS (YTX24HL-BS)

под заказ10 260 руб.
21515176065

Блок предохранителей (Fuse box)

под заказ1200 руб.
22605352572

Крышка (Cover)

под заказ960 руб.
23605352573

Steel strip (Steel strip)

под заказ960 руб.
lynx

 
 

данный сайт носит информационный характер и не является публичной офертой

склад запчастей для водомоторной техники