вконтакте

Контактный телефон: +7 (981) 121-46-93, +7 (800) 200-90-76 , Email: parts-katalog@yandex.ru, где купить

 
 

  Логин:

Пароль:

Регистрация

www.partskatalog.ru Все каталоги Запчасти Mercury Запчасти Suzuki Запчасти Tohatsu Запчасти Honda Контакты



УВАЖАЕМЫЕ КЛИЕНТЫ!
C 19 ДЕКАБРЯ 2025 ПО 02 МАРТА 2026 ГОДА ОТДЕЛ ЗАПЧАСТЕЙ И СЕРВИС РАБОТАТЬ НЕ БУДУТ
ПРОДАЖА ЛОДОЧНЫХ МОТОРОВ В ШТАТНОМ РЕЖИМЕ
ОБ ИЗМЕНЕНИЯХ В ГРАФИКЕ РАБОТЫ ЧИТАЙТЕ НА САЙТА




Выбрать другую модель

назад Раздел:   вперёд

вернуться к списку узлов и деталей

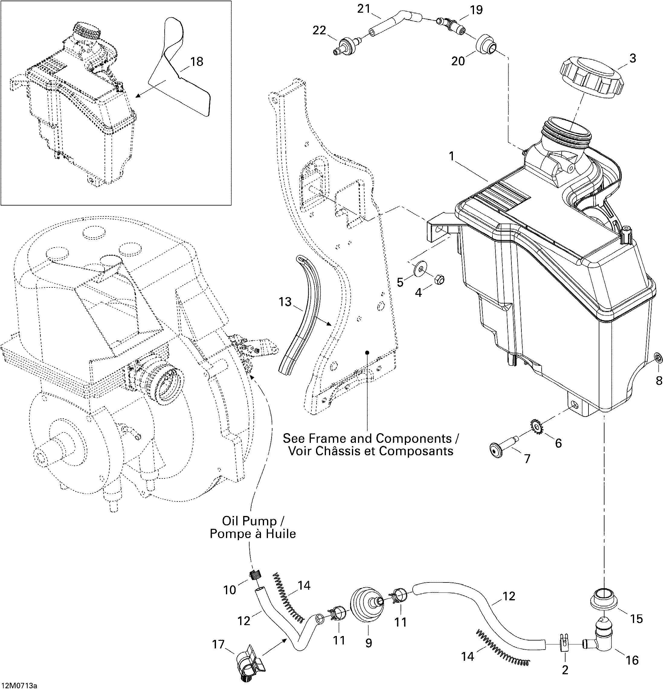
ДЕТАЛИРОВКА ДЛЯ МОДЕЛИ: LYNX Adventure 300F, 2007


Snow mobile Lynx  - Oil System 300f / Oil System 300f

Номер на
рисунке
АртикулНаименованиеКол-во
на складе
Цена
1 519000073

Injection Масляный бак (Injection Oil Tank)

под заказ7130 руб.
2 293650042

Oetiker Струбцина (Oetiker Clamp)

под заказ290 руб.
3 519000033

Колпачок (Cap)

под заказ2280 руб.
4 232561414

Эластичная гайка со стопором M6 (Elastic Stop Nut M6)

под заказ130 руб.
4 420842040

(последний код) NUT-STOP ELASTIC DIN.985

под заказ110 руб.
5 391302000

плоский Шайба (Flat Washer)

под заказ210 руб.
5 250200082

(последний код) RONDELLE PLATE *FLAT WASHER

под заказ270 руб.
6 250200041

Шайба с блокировкой Serrated M6 (Lock Washer Serrated M6)

под заказ290 руб.
6 250200000

(последний код) WASHER-LOCK SERRATED INT.& EXT.M6

под заказ230 руб.
7 250000081

Torx Button Head Винт M6 X 25 (Torx Button Head Screw M6 X 25)

под заказ250 руб.
7 250000728

(последний код) SCREW-TORX BUTTON HEAD M6 X 25

под заказ360 руб.
8 732610072

Push Гайка (Push Nut)

под заказ270 руб.
8 732610068

(последний код) NUT-PUSH

под заказ210 руб.
9 414536500

Топливный фильтр (Fuel Filter)

под заказ310 руб.
9 07-246-05

     (не оригинальная запчасть) Фильтр масляный универсальный 07-246-05

под заказ370 руб.
9 07-246-06

     (не оригинальная запчасть) Фильтр масляный BRP 07-246-06

под заказ470 руб.
9 07-246-08

     (не оригинальная запчасть) Масляный фильтр 07-246-08

под заказ470 руб.
10 414420700

Пружина Зажим (Spring Clip)

под заказ140 руб.
10 27414420700

(последний код) SPRING CLIP 414420700

под заказ110 руб.
11 414415200

Universal Пружина Струбцина (Universal Spring Clamp)

под заказ140 руб.
11

(последний код)

под заказпо запросу
12 415080700

Line (Line)

под заказ1150 руб.
12 519000230

(последний код) BOYAU *HOSE

под заказ900 руб.
13 271000110

Protection Trim (Protection Trim)

под заказ1440 руб.
14 519000125

Пружина (Spring)

под заказ220 руб.
15 570023000

Insulating Кольцо (Insulating Ring)

под заказ580 руб.
15 2890230

(последний код) GROMMET (USE 570023000)

под заказ450 руб.
15 SM-07403

     (не оригинальная запчасть) Уплотнительная втулка масляного бачка BRP SM-07403

под заказ140 руб.
16 519000124

Elbow Fitting 90° (Elbow Fitting 90°)

под заказ660 руб.
17 275500528

Шланг Фиксатор (Hose Retainer)

под заказ400 руб.
18 519000054

Reflective Sheet (Reflective Sheet)

под заказ460 руб.
19 414580700

Male Коннектор (Male Connector)

под заказ430 руб.
19 414388900

(последний код) RACCORD MALE *CONNECTOR-MALE

под заказ340 руб.
20 513032908

Пыльник (Grommet)

под заказ630 руб.
21 415080200

Polyurethane Шланг (Polyurethane Hose)

под заказ1150 руб.
21 709000183

(последний код) BOYAU POLYURE *POLYURETHANE H

под заказпо запросу
22 275500398

Обратный клапан (Check Valve)

под заказ860 руб.
22 414824700

(последний код) SOUPAPE RETENUE*VALVE-CHECK

под заказ680 руб.
lynx

 
 

данный сайт носит информационный характер и не является публичной офертой

склад запчастей для водомоторной техники