вконтакте

Контактный телефон: +7 (981) 121-46-93, +7 (800) 200-90-76 , Email: parts-katalog@yandex.ru, где купить

 
 

  Логин:

Пароль:

Регистрация

www.partskatalog.ru Все каталоги Запчасти Mercury Запчасти Suzuki Запчасти Tohatsu Запчасти Honda Контакты



УВАЖАЕМЫЕ КЛИЕНТЫ!
C 19 ДЕКАБРЯ 2025 ПО 02 МАРТА 2026 ГОДА ОТДЕЛ ЗАПЧАСТЕЙ И СЕРВИС РАБОТАТЬ НЕ БУДУТ
ПРОДАЖА ЛОДОЧНЫХ МОТОРОВ В ШТАТНОМ РЕЖИМЕ
ОБ ИЗМЕНЕНИЯХ В ГРАФИКЕ РАБОТЫ ЧИТАЙТЕ НА САЙТА




Выбрать другую модель

назад Раздел:   вперёд

вернуться к списку узлов и деталей

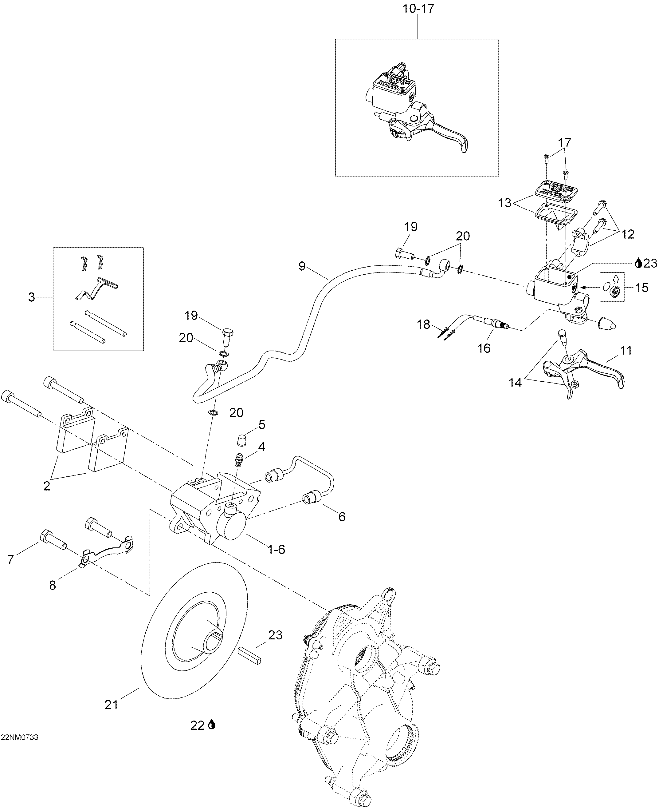
ДЕТАЛИРОВКА ДЛЯ МОДЕЛИ: LYNX Adventure GT 600HO SDI, 2007


Снегоходы Lynx  - Brake

Номер на
рисунке
АртикулНаименованиеКол-во
на складе
Цена
1 507032409

Caliber в сборе. Includes 1 to 6 (Caliber assy. Includes 1 to 6)

под заказ44600 руб.
1 507032351

(последний код) CALIPER

под заказ41000 руб.
2 415053600

тормоз lining kit (Brake lining kit)

под заказ5280 руб.
2 415129172

(последний код) ENS.GARNITURES *KIT-PADS BRAKE

17 шт5140 руб.
1500 руб.
2 SM-05059

     (не оригинальная запчасть) Тормозные колодки BRP SM-05059

под заказ2 440 руб.
2 SM-05059F

     (не оригинальная запчасть) Тормозные колодки BRP SM-05059F

под заказ3 850 руб.
3 415128865

Kit (Штифтs, Фиксаторs, Пружина) (Kit (pins,retainers,spring))

под заказ2920 руб.
4 414989800

Винт-bleeder (Screw-bleeder)

под заказ1610 руб.
5 414989700

Boot (Boot)

под заказ2340 руб.
6 414989900

Трубка (Tube)

под заказ2380 руб.
7 40049

Шестигранный винт M10 x 35 (Hex. screw M10 x 35)

под заказ60 руб.
8 507032316

Locking tab (Locking tab)

под заказ170 руб.
8 507029900

(последний код) FREIN DE VIS *LOCK-TAB

под заказ140 руб.
9 507032384

Шланг (Hose)

под заказ4290 руб.
10 507032408

Master Цилиндр в сборе. Includes 10 to 17 (Master cylinder assy. Includes 10 to 17)

под заказ20200 руб.
11 507032423

Short тормоз Рычаг (Short brake lever)

под заказ4440 руб.
11 415129216

(последний код) LEVIER *LEVER

под заказ4780 руб.
12 415029800

Струбцина в сборе (Clamp assy)

под заказ1570 руб.
12 507032477

(последний код) BRIDE *CLAMP

под заказ2010 руб.
13 415029900

Крышка (Cover)

под заказ3000 руб.
14 415030000

Штифт в сборе (Pin assy)

под заказ1290 руб.
14 507032280

(последний код) AXE *PIN

под заказ970 руб.
15 414990600

Window (Window)

под заказ1120 руб.
16 507032366

MicroПереключатель в сборе (Microswitch assy)

под заказ5210 руб.
16 507032334

(последний код) MICRO CONTACT *MICROSWITCH

под заказ3700 руб.
16 01-280-01

     (не оригинальная запчасть) Выключатель стоп-сигнала BRP 01-280-01

под заказ1 060 руб.
17 415029800

Винт (Screw)

под заказ1570 руб.
17 507032477

(последний код) BRIDE *CLAMP

под заказ2010 руб.
18 605642628

Male Клемма (Male terminal)

под заказ60 руб.
18

(последний код)

под заказпо запросу
19 414920500

Banjo Болт (Banjo bolt)

под заказ740 руб.
20 414920600

Шайба (Washer)

под заказ290 руб.
21 507032403

тормоз disk (Brake disk)

под заказ11020 руб.
21 507032456

(последний код) DISQUE USINE *DISK-MACH.

под заказ11430 руб.
22 293800070

Loctite 767, 8oz (Loctite 767, 8oz)

под заказ2440 руб.
22 711297430

(последний код) COPA SLIP *COPA-SLIP

под заказ1910 руб.
23 507021300

Ключ (Key)

под заказ1000 руб.
lynx

 
 

данный сайт носит информационный характер и не является публичной офертой

склад запчастей для водомоторной техники