вконтакте

Контактный телефон: +7 (981) 121-46-93, +7 (800) 200-90-76 , Email: parts-katalog@yandex.ru, где купить

 
 

  Логин:

Пароль:

Регистрация

www.partskatalog.ru Все каталоги Запчасти Mercury Запчасти Suzuki Запчасти Tohatsu Запчасти Honda Контакты



УВАЖАЕМЫЕ КЛИЕНТЫ!
C 19 ДЕКАБРЯ 2025 ПО 02 МАРТА 2026 ГОДА ОТДЕЛ ЗАПЧАСТЕЙ И СЕРВИС РАБОТАТЬ НЕ БУДУТ
ПРОДАЖА ЛОДОЧНЫХ МОТОРОВ В ШТАТНОМ РЕЖИМЕ
ОБ ИЗМЕНЕНИЯХ В ГРАФИКЕ РАБОТЫ ЧИТАЙТЕ НА САЙТА




Выбрать другую модель

назад Раздел:   вперёд

вернуться к списку узлов и деталей

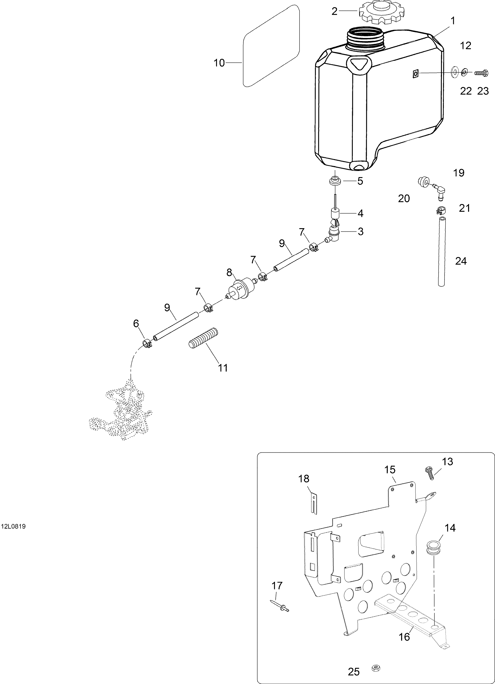
ДЕТАЛИРОВКА ДЛЯ МОДЕЛИ: LYNX YETI 600, 2008


Snow mobile Лункс  - Oil System

Номер на
рисунке
АртикулНаименованиеКол-во
на складе
Цена
1 605155569

Масляный бак (Oil tank)

под заказ8730 руб.
2 519000044

Колпачок (Cap)

под заказ3350 руб.
2 572071000

(последний код) BOUCHON *CAP

под заказ1930 руб.
2 07-288-01

     (не оригинальная запчасть) Крышка топливного/масляного бака BRP 07-288-01

под заказ660 руб.
3 605452095

Oil level Датчик (Oil level sensor)

под заказ2330 руб.
4 414681900

Поплавок для Датчик (Float for sensor)

под заказпо запросу
4 2196819

(последний код) KOHO SENSORILLE(USE 414681900)

под заказпо запросу
5 570023000

Пыльник (Grommet)

под заказ580 руб.
5 2890230

(последний код) GROMMET (USE 570023000)

под заказ450 руб.
5 SM-07403

     (не оригинальная запчасть) Уплотнительная втулка масляного бачка BRP SM-07403

под заказ140 руб.
6 414420700

Струбцина (Clamp)

под заказ140 руб.
6 27414420700

(последний код) SPRING CLIP 414420700

под заказ110 руб.
7 414415200

Струбцина (Clamp)

под заказ140 руб.
7

(последний код)

под заказпо запросу
8 414536500

Масляный фильтр (Oil filter)

под заказ310 руб.
8 07-246-05

     (не оригинальная запчасть) Фильтр масляный универсальный 07-246-05

под заказ370 руб.
8 07-246-06

     (не оригинальная запчасть) Фильтр масляный BRP 07-246-06

под заказ470 руб.
8 07-246-08

     (не оригинальная запчасть) Масляный фильтр 07-246-08

под заказ470 руб.
9 39046

Шланг (Hose)

под заказ1500 руб.
9 3999046

(последний код) HOSE 11/8 (USE 39046)

под заказ710 руб.
10 5443578

Heat Защита (Heat protector)

под заказ220 руб.
10

(последний код)

под заказпо запросу
11 28015

Трубопровод (Tubing)

под заказ1260 руб.
12 20009

Шайба 6 мм (Washer 6mm)

под заказпо запросу
12 542376

(последний код) WASHER

под заказпо запросу
13 40327

Винт (Screw)

под заказ60 руб.
13 40329

(последний код) HEX SCREW M6 X12 DIN 7500DZNE

под заказ40 руб.
14 5446766

Пыльник (Grommet)

под заказ910 руб.
14

(последний код)

под заказпо запросу
15 605255412

Oiltank sвышеport (Oiltank support)

под заказ7490 руб.
16 605355414

Air Система впуска sвышеport (Air intake support)

под заказ2200 руб.
17 36108

Заклёпка (Rivet)

под заказ40 руб.
17

(последний код)

под заказпо запросу
18 5447032

дляkПластина (Forkplate)

под заказ190 руб.
19 414580700

Коннектор-male (Connector-male)

под заказ430 руб.
19 414388900

(последний код) RACCORD MALE *CONNECTOR-MALE

под заказ340 руб.
20 570135100

Прокладка (Gasket)

под заказ560 руб.
20 709200285

(последний код) PASSE-FILS *GROMMET

под заказ720 руб.
21 414554800

Струбцина (Clamp)

под заказ140 руб.
21 414278600

(последний код) BRIDE A RESSORT*CLAMP-SPRING

под заказ110 руб.
22 20052

Пружинная шайба (Spring washer)

под заказ120 руб.
22 234161471

(последний код) WASHER-LOCK BLACK DIN.127B

под заказ130 руб.
23 40114

Винт (Screw)

под заказ30 руб.
24 39038

Шланг (Hose)

под заказ580 руб.
25 33200

Гайка (Nut)

под заказпо запросу
25 33072

(последний код) NUT-FLANGE HEX. M6 DIN 6927 8.8 YIC

под заказпо запросу
lynx

 
 

данный сайт носит информационный характер и не является публичной офертой

склад запчастей для водомоторной техники