вконтакте

Контактный телефон: +7 (981) 121-46-93, +7 (800) 200-90-76 , Email: parts-katalog@yandex.ru, где купить

 
 

  Логин:

Пароль:

Регистрация

www.partskatalog.ru Все каталоги Запчасти Mercury Запчасти Suzuki Запчасти Tohatsu Запчасти Honda Контакты



УВАЖАЕМЫЕ КЛИЕНТЫ!
C 19 ДЕКАБРЯ 2025 ПО 02 МАРТА 2026 ГОДА ОТДЕЛ ЗАПЧАСТЕЙ И СЕРВИС РАБОТАТЬ НЕ БУДУТ
ПРОДАЖА ЛОДОЧНЫХ МОТОРОВ В ШТАТНОМ РЕЖИМЕ
ОБ ИЗМЕНЕНИЯХ В ГРАФИКЕ РАБОТЫ ЧИТАЙТЕ НА САЙТА




Выбрать другую модель

назад Раздел:   вперёд

вернуться к списку узлов и деталей

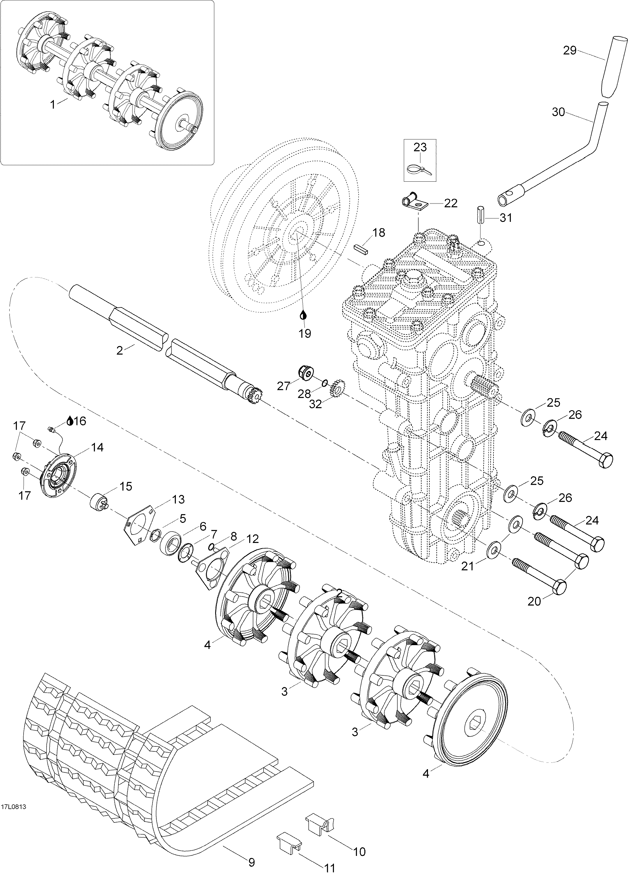
ДЕТАЛИРОВКА ДЛЯ МОДЕЛИ: LYNX YETI V-800, 2008


Snow mobile Лункс  - Drive System

Номер на
рисунке
АртикулНаименованиеКол-во
на складе
Цена
1 605253105

Drive axle в сборе. Includes 1 to 4 (Drive axle assy. Includes 1 to 4)

под заказ32800 руб.
2 605253104

Drive axle (Drive axle)

под заказ34600 руб.
3 414931800

Цепное колесо ЗВЕЗДОЧКА 8-teeth (Sprocket 8-teeth)

под заказ5140 руб.
4 415067400

Цепное колесо ЗВЕЗДОЧКА 8-teeth (Sprocket 8-teeth)

под заказ3850 руб.
5 371910200

Стопорное кольцо (Circlip)

под заказ160 руб.
6 504152009

Шариковый подшипник (Ball bearing)

под заказ2570 руб.
6 293350060

(последний код) ROULEMENT BILLE*BALL BEARING

под заказ3000 руб.
6 SM-03163

     (не оригинальная запчасть) Комплект подшипников КПП BRP SM-03163

под заказ2 330 руб.
7 501017400

Шариковый подшипник Защита (Ball bearing protector)

под заказ670 руб.
8 414484400

Уплотнительное кольцо (O-ring)

под заказ530 руб.
8 414274400

(последний код) JOINT TORIQUE *RING-O

под заказ230 руб.
9 13070

Track (31.8) (Track (31.8))

под заказ91700 руб.
9

(последний код)

под заказпо запросу
10 5318323

Cleat Направляющая (Cleat guide)

под заказ520 руб.
10 M5318323

(последний код) AGRAFE DE GUIDE*CLEAT-GUIDE

под заказ660 руб.
11 5318322

Slide Направляющая (Slide guide)

под заказпо запросу
12 504151860

Подшипник Корпус. Includes 10 to 12 (Bearing housing. Includes 10 to 12)

под заказ910 руб.
12 501026800

(последний код) LOGEMENT ROUL. *HOUSING-BEAR.W

под заказ830 руб.
13 501025000

Фланец (Flange)

под заказ390 руб.
14 504152173

Фланец (Flange)

под заказ5350 руб.
15 504152040

Magnetic Адаптер (Magnetic adaptor)

под заказ3500 руб.
16 293550033

Synthetic Смазка, 400g (Synthetic grease, 400g)

под заказ10050 руб.
16 498028100

(последний код) GRAISSE TUBE *GREASE-TUBE

под заказпо запросу
17 33201

Elastic Фланецd Гайка M8 (Elastic flanged nut M8)

под заказ230 руб.
17 233281414

(последний код) NUT-FLANGE ELASTIC DIN.6926

под заказ290 руб.
18 418763

Ключ (Key)

под заказ170 руб.
18

(последний код)

под заказпо запросу
19 293800070

Loctite 767, 8oz (Loctite 767, 8oz)

под заказ2440 руб.
19 711297430

(последний код) COPA SLIP *COPA-SLIP

под заказ1910 руб.
20 40012

Шестигранный винт M8 x 80 (Hex. screw M8 x 80)

под заказ310 руб.
20

(последний код)

под заказпо запросу
21 20004

Шайба A8.4 (Washer A8.4)

под заказ110 руб.
21 234081410

(последний код) WASHER-FLAT DIN.125A

под заказ130 руб.
22 605453927

Струбцина (Clamp)

под заказ1040 руб.
23 27026

Tie-rap (Tie-rap)

под заказ110 руб.
23 414115200

(последний код) Гарантийный комплект TIE-RAP 180 MM

под заказ130 руб.
24 40089

Винт M8 x 75 (Screw M8 x 75)

под заказ90 руб.
24

(последний код)

под заказпо запросу
25 20010

Шайба A8.4 (Washer A8.4)

под заказ210 руб.
25 234082410

(последний код) WASHER-FLAT DIN.9021B

под заказ270 руб.
26 20014

Шайба с блокировкой M8 (Lock washer M8)

под заказ20 руб.
27 33201

Elastic Фланецd Гайка M8 (Elastic flanged nut M8)

под заказ230 руб.
27 233281414

(последний код) NUT-FLANGE ELASTIC DIN.6926

под заказ290 руб.
28 506151140

Уплотнительное кольцо (O-ring)

под заказ220 руб.
29 28247

Button (Button)

под заказ2210 руб.
29

(последний код)

под заказпо запросу
30 605350153

Переключатель handle (Shift handle)

под заказ3700 руб.
31 41008

Пружина Ключ (Spring key)

под заказ150 руб.
31

(последний код)

под заказпо запросу
32 605454017

Rachel wheel (Rachel wheel)

под заказ450 руб.
lynx

 
 

данный сайт носит информационный характер и не является публичной офертой

склад запчастей для водомоторной техники