вконтакте

Контактный телефон: +7 (981) 121-46-93, +7 (800) 200-90-76 , Email: parts-katalog@yandex.ru, где купить

 
 

  Логин:

Пароль:

Регистрация

www.partskatalog.ru Все каталоги Запчасти Mercury Запчасти Suzuki Запчасти Tohatsu Запчасти Honda Контакты



УВАЖАЕМЫЕ КЛИЕНТЫ!
C 19 ДЕКАБРЯ 2025 ПО 02 МАРТА 2026 ГОДА ОТДЕЛ ЗАПЧАСТЕЙ И СЕРВИС РАБОТАТЬ НЕ БУДУТ
ПРОДАЖА ЛОДОЧНЫХ МОТОРОВ В ШТАТНОМ РЕЖИМЕ
ОБ ИЗМЕНЕНИЯХ В ГРАФИКЕ РАБОТЫ ЧИТАЙТЕ НА САЙТА




Выбрать другую модель

назад Раздел:   вперёд

вернуться к списку узлов и деталей

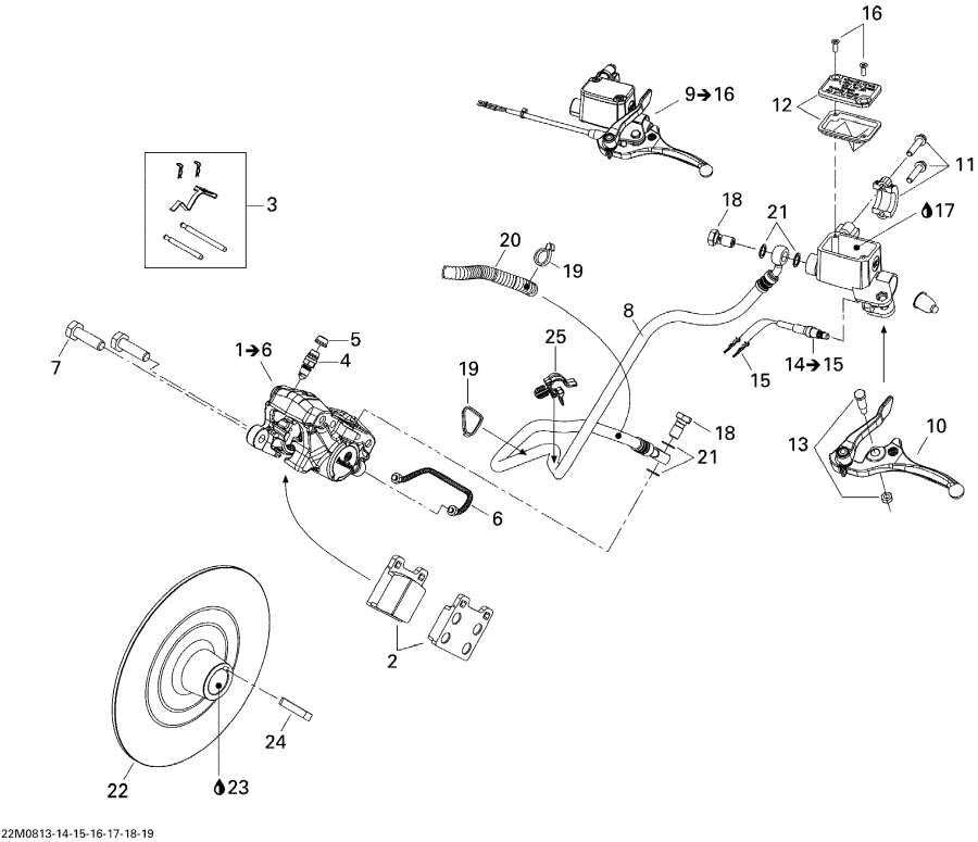
ДЕТАЛИРОВКА ДЛЯ МОДЕЛИ: LYNX Adventure LU Ranger 550, 2008


Снегоходы lynx  - Гидравлический тормоз - Hydraulic Brakes

Номер на
рисунке
АртикулНаименованиеКол-во
на складе
Цена
1 507032448

тормоз Caliper в сборе. Includes 1 to 6 (Brake Caliper Assy. Includes 1 to 6)

под заказ18280 руб.
1 507032416

(последний код) ETRIER *CALIPER

под заказ14300 руб.
2 415129172

тормоз Pad Kit (Brake Pad Kit)

под заказ5140 руб.
1500 руб.
2 415053600

(последний код) ENS.GARNITURES *KIT-PADS BRAKE

под заказ5280 руб.
2 SM-05059

     (не оригинальная запчасть) Тормозные колодки BRP SM-05059

под заказ2 440 руб.
2 SM-05059F

     (не оригинальная запчасть) Тормозные колодки BRP SM-05059F

под заказ3 850 руб.
3 415128865

Kit, Штифтs, Фиксаторs, Пружина (Kit, Pins, Retainers, Spring)

под заказ2920 руб.
4 414989800

Bleeder Винт (Bleeder Screw)

под заказ1610 руб.
5 414989700

Boot (Boot)

под заказ2340 руб.
6 414989900

Rigid Трубопровод (Rigid Tubing)

под заказ2380 руб.
7 205503544

Socket Head Винт M10 X 35, Scotch Рукоятка (Socket Head Screw M10 X 35, Scotch Grip)

под заказ290 руб.
8 507032450

Шланг (Hose)

под заказ4290 руб.
9 507032463

Master Цилиндр. Includes 9 to 16 (Master Cylinder. Includes 9 to 16)

под заказ20100 руб.
10 415129216

Рычаг (Lever)

под заказ4780 руб.
10 507032423

(последний код) LEVIER *LEVER

под заказ4440 руб.
11 415029800

Струбцина в сборе (Clamp Assy)

под заказ1570 руб.
11 507032477

(последний код) BRIDE *CLAMP

под заказ2010 руб.
12 415029900

Колпачок (Cap)

под заказ3000 руб.
13 415030000

Штифт в сборе (Pin Assy)

под заказ1290 руб.
13 507032280

(последний код) AXE *PIN

под заказ970 руб.
14 507032366

MicroПереключатель. Includes 14 to 15 (Microswitch. Includes 14 to 15)

под заказ5210 руб.
14 507032334

(последний код) MICRO CONTACT *MICROSWITCH

под заказ3700 руб.
14 01-280-01

     (не оригинальная запчасть) Выключатель стоп-сигнала BRP 01-280-01

под заказ1 060 руб.
15 515175232

Male Клемма (Male Terminal)

под заказ580 руб.
16 216141260

Винт M4 X 12 (Screw M4 X 12)

под заказ290 руб.
16 415078900

(последний код) VIS *SCREW

под заказ230 руб.
17 293600062

тормоз Fluid, GTLMA, DOT 4 12 X 354 ml (Brake Fluid, GTLMA, DOT 4 12 X 354 ml)

под заказ500 руб.
17 293600131

(последний код) BRAKE FLUID 12*0,5

под заказ640 руб.
18 414920500

Banjo Болт (Banjo Bolt)

под заказ740 руб.
19 293750002

Tie-Rap 130 mm (Tie-Rap 130 mm)

под заказ130 руб.
20 415079900

Трубопровод 10 mm (Tubing 10 mm)

под заказ290 руб.
20 710001437

(последний код) GAINE *PROTECTOR TUBE

под заказ230 руб.
21 414920600

Шайба (Washer)

под заказ290 руб.
22 507032458

тормоз Disk (Brake Disk)

под заказ14100 руб.
22 507032402

(последний код) DISQUE USINE *DISK-BRAKE MACH.

под заказ11020 руб.
23 293800070

Loctite 767, Antiseize Lubricant, 8 Oz (Loctite 767, Antiseize Lubricant, 8 Oz)

под заказ2440 руб.
23 711297430

(последний код) COPA SLIP *COPA-SLIP

под заказ1910 руб.
24 507021300

Ключ (Key)

под заказ1000 руб.
25 275500528

Шланг Фиксатор (Hose Retainer)

под заказ400 руб.
lynx

 
 

данный сайт носит информационный характер и не является публичной офертой

склад запчастей для водомоторной техники