вконтакте

Контактный телефон: +7 (981) 121-46-93, +7 (800) 200-90-76 , Email: parts-katalog@yandex.ru, где купить

 
 

  Логин:

Пароль:

Регистрация

www.partskatalog.ru Все каталоги Запчасти Mercury Запчасти Suzuki Запчасти Tohatsu Запчасти Honda Контакты



УВАЖАЕМЫЕ КЛИЕНТЫ!
C 19 ДЕКАБРЯ 2025 ПО 02 МАРТА 2026 ГОДА ОТДЕЛ ЗАПЧАСТЕЙ И СЕРВИС РАБОТАТЬ НЕ БУДУТ
ПРОДАЖА ЛОДОЧНЫХ МОТОРОВ В ШТАТНОМ РЕЖИМЕ
ОБ ИЗМЕНЕНИЯХ В ГРАФИКЕ РАБОТЫ ЧИТАЙТЕ НА САЙТА




Выбрать другую модель

назад Раздел:   вперёд

вернуться к списку узлов и деталей

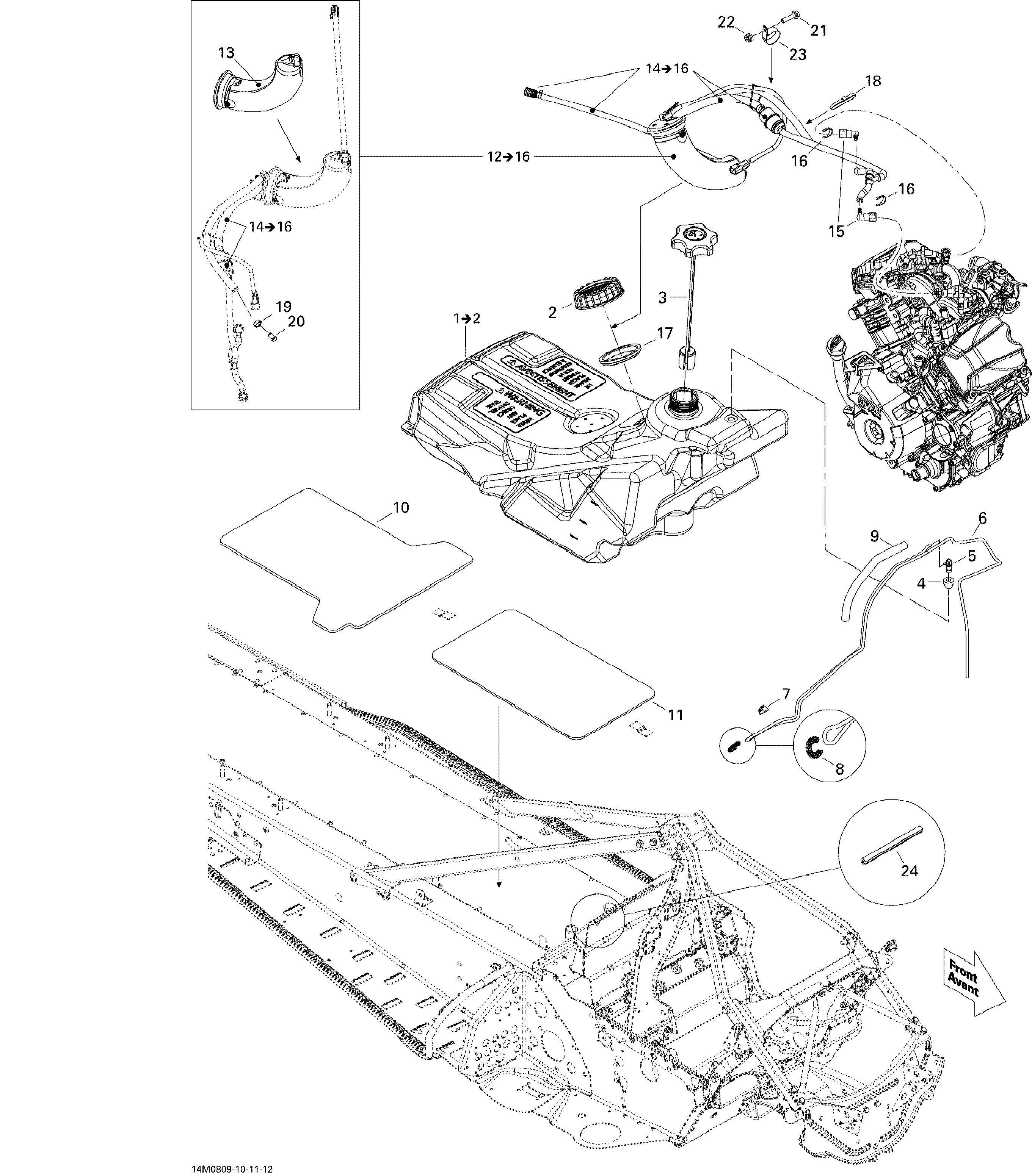
ДЕТАЛИРОВКА ДЛЯ МОДЕЛИ: LYNX Adventure V-800, 2008


Snowmobiles lynx  - Топливная система - Fuel System

Номер на
рисунке
АртикулНаименованиеКол-во
на складе
Цена
1 513033181

Топливный бак. Includes 1 to 2 (Fuel Tank. Includes 1 to 2)

под заказ21500 руб.
2 513033040

Гайка, Топливный насос Module (Nut, Fuel Pump Module)

под заказ2150 руб.
3 513033361

Топливный бак Колпачок (Fuel Tank Cap)

под заказ4290 руб.
3 513033105

(последний код) BOUCHON RES.ESS*CAP-FUEL TANK

под заказ3970 руб.
4 513032908

Пыльник (Grommet)

под заказ630 руб.
5 414814100

Male Коннектор (Male Connector)

под заказ300 руб.
6 415080100

Line (Line)

под заказ190 руб.
6 420256032

(последний код) CONDUIT D-HUILE*LINE-OIL 560MM

под заказ150 руб.
7 414227300

Зажим (Clip)

под заказ290 руб.
7 414943400

(последний код) PINCE *CLIP

под заказ230 руб.
8 414818200

Пружина (Spring)

под заказ220 руб.
9 415079900

Трубопровод 10 mm (Tubing 10 mm)

под заказ290 руб.
9 710001437

(последний код) GAINE *PROTECTOR TUBE

под заказ230 руб.
10 511000499

Carpet (Carpet)

под заказ2770 руб.
11 511000500

Radiator Крышка Регулировочная шайба (Radiator Cover Shim)

под заказ440 руб.
12 513033393

Топливный насос Module. Includes 12 to 16 (Fuel Pump Module. Includes 12 to 16)

под заказ39100 руб.
12 513033495

(последний код) POMPE ESSENCE *FUEL PUMP

под заказ45200 руб.
12 SM-07218

     (не оригинальная запчасть) Топливный насос BRP SM-07218

под заказ7 340 руб.
13 861805503

Помпа Kit в сборе (Pump Kit Assy)

под заказ36000 руб.
14 861805504

Топливный фильтр. Includes 14 to 16 (Fuel Filter. Includes 14 to 16)

под заказ7450 руб.
14 861805505

(последний код) FUEL FILTER

под заказ9750 руб.
15 415128965

Quick Fitting 90° (Quick Fitting 90°)

под заказ1150 руб.
16 513033135

Зажим (Clip)

под заказ430 руб.
16 UP-12740

     (не оригинальная запчасть) Фиксатор топливного шланга BRP UP-12740

под заказ140 руб.
17 513033039

Сальник (Seal)

под заказ560 руб.
17 19186

(последний код) GASKET

под заказ440 руб.
17 SM-07265

     (не оригинальная запчасть) Уплотнительное кольцо Arctic Cat/Polaris/BRP SM-07265

под заказ1 040 руб.
18 414115200

Tie-Rap 180 mm (Tie-Rap 180 mm)

под заказ130 руб.
18 414587300

(последний код) TIE RAP *TIE-RAP

под заказ110 руб.
19 293650047

Oetiker Струбцина (Oetiker Clamp)

под заказ290 руб.
20 513033187

Заглушка (Plug)

под заказпо запросу
21 207683044

Hex. Фланецd Винт M8 X 30 (Hex. Flanged Screw M8 X 30)

под заказ290 руб.
22 233281414

Hex. Фланецd Elastic Гайка M8 (Hex. Flanged Elastic Nut M8)

под заказ290 руб.
22

(последний код)

под заказпо запросу
23 513033047

Open Струбцина (Open Clamp)

под заказ430 руб.
24 509000263

Trim (Trim)

под заказ170 руб.
lynx

 
 

данный сайт носит информационный характер и не является публичной офертой

склад запчастей для водомоторной техники