вконтакте

Контактный телефон: +7 (981) 121-46-93, +7 (800) 200-90-76 , Email: parts-katalog@yandex.ru, где купить

 
 

  Логин:

Пароль:

Регистрация

www.partskatalog.ru Все каталоги Запчасти Mercury Запчасти Suzuki Запчасти Tohatsu Запчасти Honda Контакты



УВАЖАЕМЫЕ КЛИЕНТЫ!
C 19 ДЕКАБРЯ 2025 ПО 02 МАРТА 2026 ГОДА ОТДЕЛ ЗАПЧАСТЕЙ И СЕРВИС РАБОТАТЬ НЕ БУДУТ
ПРОДАЖА ЛОДОЧНЫХ МОТОРОВ В ШТАТНОМ РЕЖИМЕ
ОБ ИЗМЕНЕНИЯХ В ГРАФИКЕ РАБОТЫ ЧИТАЙТЕ НА САЙТА




Выбрать другую модель

назад Раздел:   вперёд

вернуться к списку узлов и деталей

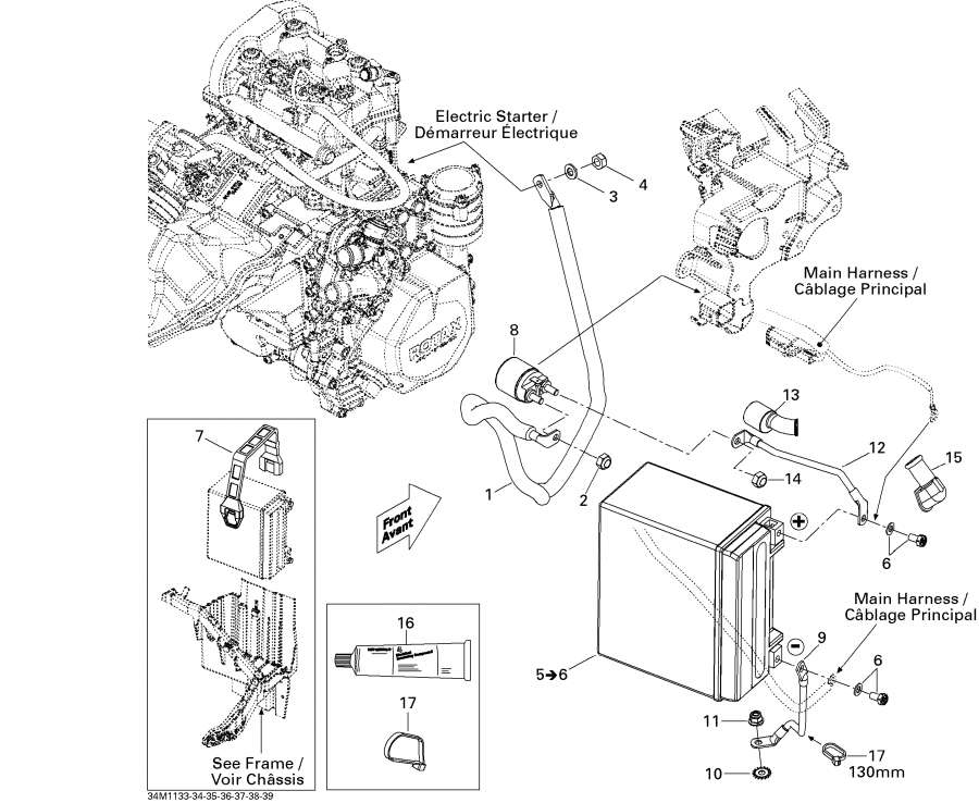
ДЕТАЛИРОВКА ДЛЯ МОДЕЛИ: LYNX Adventure LX 600 ACE, 2011


Snow mobile Lynx  - Battery And Starter / Battery и Стартер

Номер на
рисунке
АртикулНаименованиеКол-во
на складе
Цена
1 515176966

Battery Провод (Battery Wire)

под заказ2280 руб.
2 232561414

Эластичная гайка со стопором M6 (Elastic Stop Nut M6)

под заказ130 руб.
2 420842040

(последний код) NUT-STOP ELASTIC DIN.985

под заказ110 руб.
3 234061410

плоский Шайба 6 mm (Flat Washer 6 mm)

под заказ270 руб.
3 711244213

(последний код) RONDELLE *WASHER

под заказ210 руб.
4 232561414

Эластичная гайка со стопором M6 (Elastic Stop Nut M6)

под заказ130 руб.
4 420842040

(последний код) NUT-STOP ELASTIC DIN.985

под заказ110 руб.
5 296000295

Battery 18 Amp. Includes 5 to 6 (Battery 18 Amp. Includes 5 to 6)

под заказ12230 руб.
6750 руб.
5 415129898

(последний код) BATTERIE 18 AMP*BATTERY 18 AMP

под заказ11300 руб.
6 295500849

Battery Защелка Kit (Battery Fastener Kit)

под заказ680 руб.
6 250000282

(последний код) BOULON BATTERIE*BOLT KIT

под заказ860 руб.
7 515176944

Хомут (Strap)

под заказ700 руб.
8 515176942

Стартер Реле (Starter Relay)

под заказ3570 руб.
9 515176943

Провод заземления (Ground Wire)

под заказ1080 руб.
10 250200041

Шайба с блокировкой Serrated M6 (Lock Washer Serrated M6)

под заказ290 руб.
10 250200000

(последний код) WASHER-LOCK SERRATED INT.& EXT.M6

под заказ230 руб.
11 233261414

Hex. Фланецd Elastic Гайка M6 (Hex. Flanged Elastic Nut M6)

под заказ290 руб.
11

(последний код)

под заказпо запросу
12 515177007

Battery Провод (Battery Wire)

под заказ1080 руб.
13 515175919

Защита Колпачок (Protector Cap)

под заказ1290 руб.
14 232561414

Эластичная гайка со стопором M6 (Elastic Stop Nut M6)

под заказ130 руб.
14 420842040

(последний код) NUT-STOP ELASTIC DIN.985

под заказ110 руб.
15 710000495

Защита Колпачок (Protector Cap)

под заказ1000 руб.
16 293550004

Dielectric Смазка, 150 g (Dielectric Grease, 150 g)

под заказ4740 руб.
16 747018002

(последний код) GRAISSE *GREASE

под заказ3710 руб.
17 293750001

Tie-Rap 94 mm (Tie-Rap 94 mm)

под заказ90 руб.
17 420866718

(последний код) TIE RAP *TIE-RAP

под заказ110 руб.
17 293750002

Tie-Rap 130 mm (Tie-Rap 130 mm)

под заказ130 руб.
17 293750009

Tie-Rap 173 mm (Tie-Rap 173 mm)

под заказ140 руб.
17 414115200

Tie-Rap 180 mm (Tie-Rap 180 mm)

под заказ130 руб.
17 414587300

(последний код) TIE RAP *TIE-RAP

под заказ110 руб.
17 293750008

Tie-Rap 350 mm (Tie-Rap 350 mm)

под заказ140 руб.
17 748001001

(последний код) TIE RAP 350MM *TIE RAP 350MM

под заказ110 руб.
lynx

 
 

данный сайт носит информационный характер и не является публичной офертой

склад запчастей для водомоторной техники