вконтакте

Контактный телефон: +7 (981) 121-46-93, +7 (800) 200-90-76 , Email: parts-katalog@yandex.ru, где купить

 
 

  Логин:

Пароль:

Регистрация

www.partskatalog.ru Все каталоги Запчасти Mercury Запчасти Suzuki Запчасти Tohatsu Запчасти Honda Контакты



УВАЖАЕМЫЕ КЛИЕНТЫ!
C 19 ДЕКАБРЯ 2025 ПО 02 МАРТА 2026 ГОДА ОТДЕЛ ЗАПЧАСТЕЙ И СЕРВИС РАБОТАТЬ НЕ БУДУТ
ПРОДАЖА ЛОДОЧНЫХ МОТОРОВ В ШТАТНОМ РЕЖИМЕ
ОБ ИЗМЕНЕНИЯХ В ГРАФИКЕ РАБОТЫ ЧИТАЙТЕ НА САЙТА




Выбрать другую модель

назад Раздел:   вперёд

вернуться к списку узлов и деталей

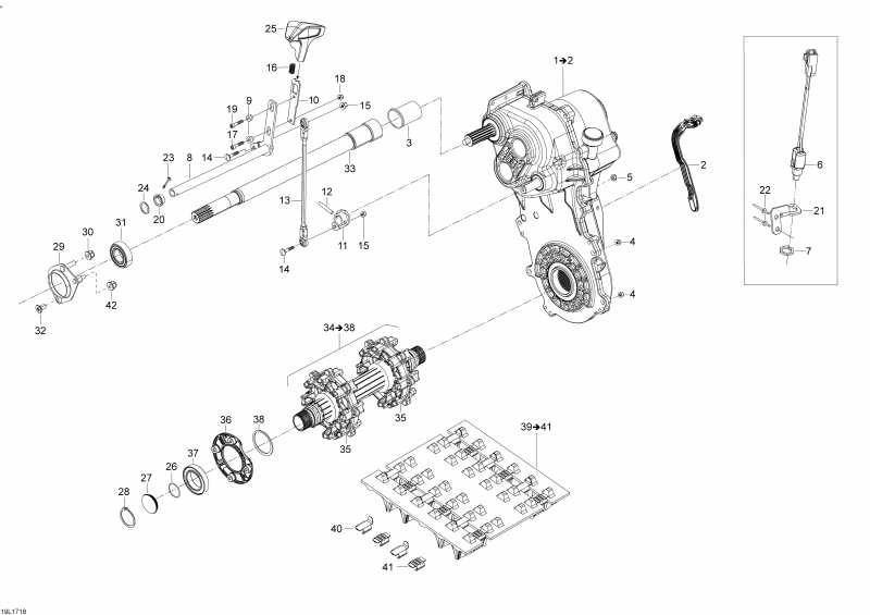
ДЕТАЛИРОВКА ДЛЯ МОДЕЛИ: LYNX Commander Grand Tourer, 2017


Snowmobiles Лункс  - Drive System - Drive System

Номер на
рисунке
АртикулНаименованиеКол-во
на складе
Цена
1 504153513

Трансмиссия в сборе (Fast Ratio) Includes 1 To 2 (Transmission Assy (Fast Ratio). Includes 1 To 2)

под заказ190000 руб.
2 504152896

Датчик (Sensor)

под заказ2570 руб.
2 504152732

(последний код) SENSOR ASS

под заказ1650 руб.
2 SM-01253

     (не оригинальная запчасть) Датчик скорости BRP SM-01253

под заказ3 120 руб.
3 504153054

Protective Rubber (Protective Rubber)

под заказ1240 руб.
3 504152989

(последний код) PROTECTIVE RUBBER

под заказпо запросу
4 233281414

Elastic Фланец Гайка M8 (Elastic Flange Nut M8)

под заказ290 руб.
4

(последний код)

под заказпо запросу
5 232581414

Эластичная гайка со стопором M8 (Elastic Stop Nut M8)

под заказ140 руб.
5 420942030

(последний код) NUT-LOCK M8

под заказ110 руб.
6 515176472

Переключатель (Switch)

под заказ5140 руб.
6 515175967

(последний код) SWITCH-ASSY

под заказ5590 руб.
7 250000373

Гайка (Nut)

под заказ530 руб.
8 504153288

Переключательer (Shifter)

под заказ9970 руб.
9 504152787

Гильза (Sleeve)

под заказ2070 руб.
10504153287

Переключательer Рычаг (Shifter Arm)

под заказ3640 руб.
11504153280

Рычаг (Lever)

под заказ5640 руб.
1241012

Стопор пружины 6 x 30 (Spring Pin 6 x 30)

под заказ380 руб.
12063030

(последний код) GOUP.RETENUE *PIN-RETAINER

под заказ20 руб.
13504153258

Переключательer Тяга (Shifter Rod)

под заказ3280 руб.
14250000677

Болт Carriage M6 x 20 (Bolt Carriage M6 x 20)

под заказ190 руб.
15232561434

Эластичная гайка со стопором M6 (Elastic Stop Nut M6)

под заказ270 руб.
16504152882

Пружина (Spring)

под заказ2500 руб.
17205052544

Socket Head Винт M5 x 25 (Socket Head Screw M5 x 25)

под заказ290 руб.
18233251434

Гайка M5 (Nut M5)

под заказ290 руб.
1833062

(последний код) NUT M5

под заказ230 руб.
19250000676

дляming Винт M5 x 16 (Forming Screw M5 x 16)

под заказ100 руб.
19732600030

(последний код) SCREW-FORMING

под заказпо запросу
20504152890

Втулка (Bushing)

под заказ3280 руб.
21504152902

Датчик Кронштейн (Sensor Bracket)

под заказ1060 руб.
22293150163

Заклёпка (Rivet)

под заказ230 руб.
23250400035

Шплинт (Cotter Pin)

под заказ270 руб.
24503189273

Шайба (Washer)

под заказ430 руб.
25504152837

Переключательer Handle (Shifter Handle)

под заказ5210 руб.
26293300122

Уплотнительное кольцо (O-Ring)

под заказ150 руб.
26SM-03178

     (не оригинальная запчасть) Комплект подшипников BRP SM-03178

под заказ2 620 руб.
27504152619

Magnetic Колпачок (Magnetic Cap)

под заказ1930 руб.
27504152620

(последний код) CAPUCHON *CAP

под заказ1260 руб.
28504152572

Стопорное кольцо (Circlip)

под заказ460 руб.
29504153187

Подшипник Корпус (Bearing Housing)

под заказ1640 руб.
30233281414

Elastic Фланец Гайка M8 (Elastic Flange Nut M8)

под заказ290 руб.
30

(последний код)

под заказпо запросу
31293350074

Шариковый подшипник (Ball Bearing)

под заказ3000 руб.
31CS205LLU X AS3S5

     (не оригинальная запчасть) Подшипник CS205LLU (CS205LLU X AS3S5)

под заказ1 150 руб.
32235381646

Torx Винт M8 x 16 (Torx Screw M8 x 16)

под заказ290 руб.
32250000025

(последний код) SCREW-TORX CTSK.FL.HD.S.GRIP M8 X 16

под заказ230 руб.
33504152963

Counter Вал. Model-900 ACE (Counter Shaft. Model-900 ACE)

под заказ17550 руб.
33504153292

Counter Вал. Model-1200 4-TEC (Counter Shaft. Model-1200 4-TEC)

под заказ18870 руб.
34504153210

Drive Axle в сборе. Includes 34 To 38 (Drive Axle Assy. Includes 34 To 38)

под заказ42400 руб.
34504153104

(последний код) AXLE-DRIVE ASSY

под заказ46100 руб.
35XXX

RH Цепное колесо ЗВЕЗДОЧКА (8 T) (RH Sprocket (8 T))

35XXX

LH Цепное колесо ЗВЕЗДОЧКА (8 T) (LH Sprocket (8 T))

36504153426

Стопорное кольцо (Retaining Ring)

под заказ1390 руб.
37293350059

Шариковый подшипник (Ball Bearing)

под заказ3950 руб.
37504152573

(последний код) ROULEMENT BILLE*BALL BEARING

под заказпо запросу
376010DUCM D 5

     (не оригинальная запчасть) Подшипник 6010DUCM (6010DUCM D 5)

под заказ1 270 руб.
37SM-03178

     (не оригинальная запчасть) Комплект подшипников BRP SM-03178

под заказ2 620 руб.
38504153207

Регулировочная шайба (Shim)

под заказ690 руб.
39504153036

Track в сборе (500 x 3923 x 32, Шпилькаded) Includes 39 To 41, Model-Comдляt (Track Assy (500 x 3923 x 32, Studded). Includes 39 To 41, Model-Comfort)

под заказ86600 руб.
39605613004

Track в сборе (500 x 3923 x 38) Includes 39 To 41, Model-STD (Track Assy (500 x 3923 x 38). Includes 39 To 41, Model-STD)

под заказ101100 руб.
40XXX

Направляющая (Guide)

41XXX

Cleat (Cleat)

42233261414

Elastic Фланец Гайка M6 (Elastic Flange Nut M6)

под заказ290 руб.
42

(последний код)

под заказпо запросу
lynx

 
 

данный сайт носит информационный характер и не является публичной офертой

склад запчастей для водомоторной техники