вконтакте

Контактный телефон: +7 (981) 121-46-93, +7 (800) 200-90-76 , Email: parts-katalog@yandex.ru, где купить

 
 

  Логин:

Пароль:

Регистрация

www.partskatalog.ru Все каталоги Запчасти Mercury Запчасти Suzuki Запчасти Tohatsu Запчасти Honda Контакты



УВАЖАЕМЫЕ КЛИЕНТЫ!
C 19 ДЕКАБРЯ 2025 ПО 02 МАРТА 2026 ГОДА ОТДЕЛ ЗАПЧАСТЕЙ И СЕРВИС РАБОТАТЬ НЕ БУДУТ
ПРОДАЖА ЛОДОЧНЫХ МОТОРОВ В ШТАТНОМ РЕЖИМЕ
ОБ ИЗМЕНЕНИЯХ В ГРАФИКЕ РАБОТЫ ЧИТАЙТЕ НА САЙТА




Выбрать другую модель

назад Раздел:   вперёд

вернуться к списку узлов и деталей

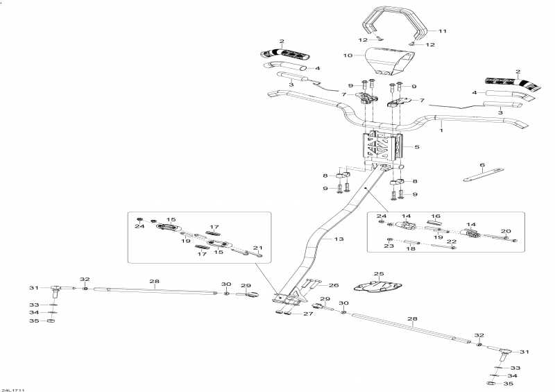
ДЕТАЛИРОВКА ДЛЯ МОДЕЛИ: LYNX BoonDocker RE, 2017


Снегоходы Лункс  - Рулевая система System

Номер на
рисунке
АртикулНаименованиеКол-во
на складе
Цена
1 506152723

чёрный Handle Bar (Black Handle Bar)

под заказ7750 руб.
2 506152486

Рукоятка (Grip)

под заказ740 руб.
2 506152226

(последний код) Grip Summit X 800R E-TEC, 2012

под заказ560 руб.
3 506152665

Heated Film (32W) (Heated Film (32W))

под заказ2570 руб.
4 506152548

Insulant (Insulant)

под заказ370 руб.
5 506152530

чёрный Удлинитель (130 мм) (Black Extension (130mm))

под заказ10230 руб.
6 293850117

Rubber Хомут (Rubber Strap)

под заказ530 руб.
7 506152555

Левая верхняя опора (LH Support)

под заказ2570 руб.
7 506152556

Правая верхняя опора (RH Support)

под заказ2570 руб.
8 506152751

Рулевая опора (Steering Support)

под заказ990 руб.
8 SM-08753

     (не оригинальная запчасть) Крепление руля BRP SM-08753

под заказ4 530 руб.
9 250000352

Шестигранный флавцевый винт M8 x 40 (Hex. Flange Screw M8 x 40)

под заказ290 руб.
10506152649

Рулевая колодка (Steering Pad)

под заказ5260 руб.
11506152460

Хомут в сборе (Strap Assy)

под заказ3430 руб.
12250000779

Torx Truss Винт M6 x 18 (Torx Truss Screw M6 x 18)

под заказ190 руб.
13506152962

Main Трубка (Main Tube)

под заказ17940 руб.
14506152508

верхний Half-Корпус (Upper Half-Housing)

под заказ550 руб.
14SM-08757

     (не оригинальная запчасть) Вкладыш рулевой колонки (верхний) BRP SM-08757

под заказ5 410 руб.
14SM-08760

     (не оригинальная запчасть) Вкладыш рулевой колонки (верхний) SM-08760

под заказ6 260 руб.
15506152217

нижний Half-Корпус (Lower Half-Housing)

под заказ410 руб.
15SM-08758

     (не оригинальная запчасть) Вкладыш рулевой колонки (нижний) BRP SM-08758

под заказ3 620 руб.
16506152509

верхний Vibrat. Прокладка (Upper Vibrat. Gasket)

под заказ330 руб.
16506152292

(последний код) JOINT VIB. *VIBRAT. GASKET

под заказ60 руб.
16SM-08757

     (не оригинальная запчасть) Вкладыш рулевой колонки (верхний) BRP SM-08757

под заказ5 410 руб.
16SM-08760

     (не оригинальная запчасть) Вкладыш рулевой колонки (верхний) SM-08760

под заказ6 260 руб.
17506152518

нижний Vibrat. Прокладка (Lower Vibrat. Gasket)

под заказ330 руб.
17506152218

(последний код) JOINT VIB. *VIBRAT. GASKET

под заказ160 руб.
17SM-08758

     (не оригинальная запчасть) Вкладыш рулевой колонки (нижний) BRP SM-08758

под заказ3 620 руб.
18506152297

Корпус Втулка (Housing Bushing)

под заказ740 руб.
19506152297

Корпус Втулка (Housing Bushing)

под заказ740 руб.
20207667086

Шестигранный флавцевый винт M6 x 70 (Hex. Flange Screw M6 x 70)

под заказ290 руб.
21207667086

Шестигранный флавцевый винт M6 x 70 (Hex. Flange Screw M6 x 70)

под заказ290 руб.
22207667086

Шестигранный флавцевый винт M6 x 70 (Hex. Flange Screw M6 x 70)

под заказ290 руб.
23233261416

Elastic Фланец Гайка M6 (Elastic Flange Nut M6)

под заказ290 руб.
24233261416

Elastic Фланец Гайка M6 (Elastic Flange Nut M6)

под заказ290 руб.
25506152163

Пластина (Plate)

под заказ740 руб.
26207004044

Hex. Колпачок Винт M10 x 40 (Hex. Cap Screw M10 x 40)

под заказ290 руб.
26222004065

(последний код) SCREW-HEX.CAP ISO.4014

под заказ230 руб.
27232500416

Эластичная гайка со стопором M10 (Elastic Stop Nut M10)

под заказ290 руб.
27732610018

(последний код) NUT-STOP ELASTIC DIN.985

под заказ230 руб.
28506152498

Tie Тяга (Tie Rod)

под заказ3850 руб.
28506152229

(последний код) Tie Rod

под заказ2730 руб.
29506152081

Шаровое соединение (Ball Joint)

под заказ2920 руб.
29506151828

(последний код) JOINT ROTULE *BALL JOINT

под заказпо запросу
29SM-08401

     (не оригинальная запчасть) Рулевой наконечник BRP (левая резьба) SM-08401

под заказ1 920 руб.
30250100016

LH Hex Jam Гайка M10 (LH Hex Jam Nut M10)

под заказ130 руб.
30732610011

(последний код) NUT-JAM HEXAGONAL LH.

под заказ110 руб.
31506152684

Шаровое соединение (Ball Joint)

под заказ3930 руб.
31SM-08406

     (не оригинальная запчасть) Рулевой наконечник BRP (правая резьба) SM-08406

под заказ2 700 руб.
32732610010

RH Hex Jam Гайка M10 (RH Hex Jam Nut M10)

под заказ290 руб.
33503192496

Шайба (Washer)

под заказ140 руб.
33SM-08351

     (не оригинальная запчасть) Комплект крепежа лыжи BRP SM-08351

под заказ4 140 руб.
34506152582

Шайба (Washer)

под заказ1580 руб.
35233201464

Эластичная гайка со стопором M10 (Elastic Stop Nut M10)

под заказ720 руб.
35SM-08351

     (не оригинальная запчасть) Комплект крепежа лыжи BRP SM-08351

под заказ4 140 руб.
lynx

 
 

данный сайт носит информационный характер и не является публичной офертой

склад запчастей для водомоторной техники