Контактный телефон: +7 (981) 121-46-93, +7 (800) 200-90-76 , Email: parts-katalog@yandex.ru, где купить |
Модификация Вашего двигателя: Honda BFP60A XRTU; Power Thrust Вернуться к выбору узлов мотора Удлинение корпуса |
|||||||||||||||||||||||||||||||||||||||||||||||||||||||||||||||||||||||||||||||||||||||||||||||||||||||||||||||||||||||||||||||||||||||||||||||||||||||||||||||||||||||||||||||||||||||||||||||||
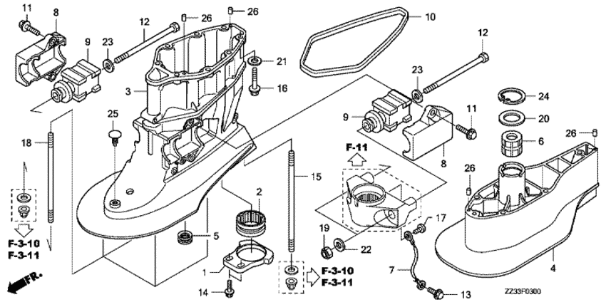
| Номер на рисунке | Артикул | Наименование | Кол-во на складе | Цена | |
| 1 | 18334-ZZ3-000 | Держатель втулки выхлопной трубы (Holder, ex. pipe grommet) | под заказ | 0 руб. | |
| 2 | 18337-ZZ3-000 | Пыльник выхлопной трубы (Grommet, ex. pipe) | под заказ | 0 руб. | |
| 3 | 40201-ZZ3-000ZB | Удлинитель копуса (l) *nh282mu* (Case, extension (l) *nh282mu*) | под заказ | 196230 руб. | |
| 4 | 40202-ZY9-610ZA | Удлинение корпуса (xl) *nh282mu * (Separator, extension (xl) *nh282mu *) | под заказ | 251960 руб. | |
| 4 | 40202-ZY9-H50ZC | (последний код) SEPARATOR, EXTENSION (XL) | под заказ | 251960 руб. | |
| 5 | 40204-ZV5-000 | Пыльник удлинения корпуса (Grommet, extension case) | 4 шт | 640 руб. | |
| 6 | 40210-ZZ3-650 | Втулка вертикального вала (Bush comp., vertical shaft) | под заказ | по запросу | |
| 7 | 40219-ZY3-013 | Подводящий провод (1.5x116 мм) (Wire, lead (1.5x116mm)) | под заказ | 1860 руб. | |
| 7 | 40219-ZY3-023 | (последний код) WIRE, LEAD (1.5X116MM) | 1 шт | 1860 руб. | |
| 8 | 50111-ZZ3-000 | Кожух, установленный снизу (Housing, lower mounting) | под заказ | 13400 руб. | |
| 9 | 50155-ZZ3-000 | Крепление нижней резинки (Mount comp., lower rubber) | под заказ | 23500 руб. | |
| 10 | 63719-ZZ3-000 | Сальник B под крышкой (Seal b, cover under) | под заказ | 1700 руб. | |
| 11 | 90101-HW1-671 | Фланцевый болт, 8x25 (Bolt, flange, 8x25) | под заказ | 460 руб. | |
| 12 | 90102-ZY9-000 | Болт под шестигранник., 12x186 (Bolt, hex., 12x186) | под заказ | 4040 руб. | |
| 13 | 90103-ZW9-000 | Фланцевый болт, 6x12 (Bolt, flange, 6x12) | под заказ | 430 руб. | |
| 13 | 90103-ZW9-010 | (последний код) BOLT, FLANGE, 6X12 | 5 шт | 430 руб. | |
| 14 | 90105-ZW9-000 | Фланцевый болт, 6x20 (Bolt, flange, 6x20) | 2 шт | 640 руб. | |
| 15 | 90124-ZW1-910 | Болт под шпильку (10x202) (Bolt, stud (10x202)) | под заказ | 4040 руб. | |
| 16 | 90114-HW1-671 | Фланцевый болт, 8x35 (Bolt, flange, 8x35) | под заказ | 500 руб. | |
| 17 | 90119-ZV5-000 | Винт с чашечкой, 6x8 (Screw, pan, 6x8) | под заказ | 200 руб. | |
| 18 | 90125-ZW1-910 | Болт под шпильку (10x164) (Bolt, stud (10x164)) | под заказ | 3640 руб. | |
| 19 | 90308-ZV5-003 | Гайка с замком, 12 мм (Nut, self-lock, 12mm) | под заказ | 1180 руб. | |
| 20 | 90501-ZW1-710 | Шайба, 26 мм (Washer, 26mm) | под заказ | 3750 руб. | |
| 21 | 90507-ZV4-000 | Плоская шайба, 8 мм (Washer, plain, 8mm) | под заказ | 360 руб. | |
| 24 | 90651-ZW1-710 | Внутреннее стопорное кольцо, 40 (Circlip, internal, 40) | под заказ | 510 руб. | |
| 25 | 90651-ZZ3-003 | Зажим, 7 мм (Clip, 7mm) | под заказ | 450 руб. | |
| 26 | 90756-ZV5-000 | Шпонка, 6x10 (Dowel pin, 6x10) | 1 шт | 220 руб. | |
| 22 | 90559-ZW1-000 | Плоская шайба, 12 мм (Washer, plain, 12mm) | под заказ | 1070 руб. | |
| 23 | 90552-ZV5-000 | Плоская шайба, 12 мм (Washer, plain, 12mm) | под заказ | 1480 руб. | |
Время выполнения запроса 1.0496408939362 сек.
склад запчастей для водомоторной техники