вконтакте

Контактный телефон: +7 (981) 121-46-93, +7 (800) 200-90-76 , Email: parts-katalog@yandex.ru, где купить

 
 

  Логин:

Пароль:

Регистрация

www.partskatalog.ru Все каталоги Запчасти Mercury Запчасти Suzuki Запчасти Tohatsu Запчасти Honda Контакты



УВАЖАЕМЫЕ КЛИЕНТЫ!
C 19 ДЕКАБРЯ 2025 ПО 02 МАРТА 2026 ГОДА ОТДЕЛ ЗАПЧАСТЕЙ И СЕРВИС РАБОТАТЬ НЕ БУДУТ
ПРОДАЖА ЛОДОЧНЫХ МОТОРОВ В ШТАТНОМ РЕЖИМЕ
ОБ ИЗМЕНЕНИЯХ В ГРАФИКЕ РАБОТЫ ЧИТАЙТЕ НА САЙТА



назад Раздел:   вперёд

Модификация Вашего двигателя:   Honda BF5A3 LC
Модели с серийным номером двигателя от BADE-1300001 до BADE-1999999
Модели с серийным номером рамы от BADS-1800001 до BADS-1999999

Вернуться к выбору узлов мотора

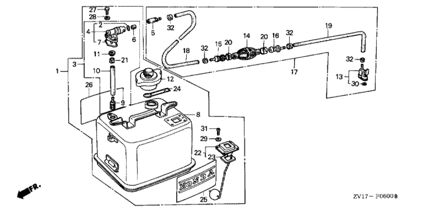
   Топливный бак (стандартный)
Fuel Tank (standard)      


ДЕТАЛИРОВКА ДЛЯ МОДЕЛИ: HONDA BF5A3

Двигатель BF5A3 - Fuel Tank (standard)

Время выполнения запроса 0.19038796424866 сек.

 
 

данный сайт носит информационный характер и не является публичной офертой

склад запчастей для водомоторной техники