вконтакте

Контактный телефон: +7 (981) 121-46-93, +7 (800) 200-90-76 , Email: parts-katalog@yandex.ru, где купить

 
 

  Логин:

Пароль:

Регистрация

www.partskatalog.ru Все каталоги Запчасти Mercury Запчасти Suzuki Запчасти Tohatsu Запчасти Honda Контакты



УВАЖАЕМЫЕ КЛИЕНТЫ!
C 19 ДЕКАБРЯ 2025 ПО 02 МАРТА 2026 ГОДА ОТДЕЛ ЗАПЧАСТЕЙ И СЕРВИС РАБОТАТЬ НЕ БУДУТ
ПРОДАЖА ЛОДОЧНЫХ МОТОРОВ В ШТАТНОМ РЕЖИМЕ
ОБ ИЗМЕНЕНИЯХ В ГРАФИКЕ РАБОТЫ ЧИТАЙТЕ НА САЙТА




Вернуться к началу выбора


Тип двигателя: четырёхтактный

Модель двигателя: Honda BF40A2

Модификация Вашего двигателя:   Honda BF40A2 LRB
Модели с серийным номером двигателя от BAYE-1000001 до BAYE-1999999
Модели с серийным номером рамы от BAYL-3100001 до BAYL-3299999

РЕЖИМЫ ПРОСМОТРА

Все узлы и детали

Двигатель

Внешние части


   Выберите раздел

найти расходники на лодочные моторы Suzuki

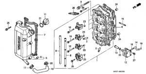
Головка блока цилиндра (Cylinder Head)

Головка блока цилиндра (Cylinder Head)

Блок цилиндра (Cylinder Block)

Блок цилиндра (Cylinder Block)

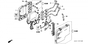
Масляный насос / Выхлопная труба (Oil Pump / Exhaust Pipe)

Масляный насос / Выхлопная труба (Oil Pump / Exhaust Pipe)

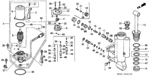
Первичная коробка передач / Масляный поддон (Primary Gear Case / Oil Pan)

Первичная коробка передач / Масляный поддон (Primary Gear Case / Oil Pan)

Коленвал / Поршень (Crankshaft / Piston)

Коленвал / Поршень (Crankshaft / Piston)

Распределительный вал / Клапан (Camshaft / Valve)

Распределительный вал / Клапан (Camshaft / Valve)

Ремень распредвала / Крышка маховика (Timing Belt / Flywheel Cover)

Ремень распредвала / Крышка маховика (Timing Belt / Flywheel Cover)

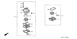
Карбюратор (Carburetor)

Карбюратор (Carburetor)

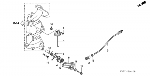
Тяга дросселя (Throttle Rod)

Тяга дросселя (Throttle Rod)

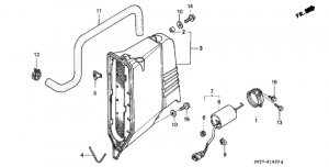
Корпус глушителя (Silencer Cover)

Корпус глушителя (Silencer Cover)

Маховик (Flywheel)

Маховик (Flywheel)

Катушка зажигания / Блок управления C.D.I. (Ignition Coil / C.d.i. Unit)

Катушка зажигания / Блок управления C.D.I. (Ignition Coil / C.d.i. Unit)

Двигатель стартера (Starter Motor)

Двигатель стартера (Starter Motor)

Румпель (Steering Handle)

Румпель (Steering Handle)

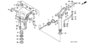
Удлинение корпуса (Extension Case)

Удлинение корпуса (Extension Case)

Картер коробки передач в сборе. (Gear Case Assy.)

Картер коробки передач в сборе. (Gear Case Assy.)

Первичная коробка передач (Primary Gear Case)

Первичная коробка передач (Primary Gear Case)

Водяной насос / Вертикальный вал (Water Pump / Vertical Shaft)

Водяной насос / Вертикальный вал (Water Pump / Vertical Shaft)

Вал гребного винта / Гребной винт (Propeller Shaft / Propeller)

Вал гребного винта / Гребной винт (Propeller Shaft / Propeller)

Топливный бак (Fuel Tank)

Топливный бак (Fuel Tank)

Регулятор / Кабель стартера (Regulator / Starter Cable)

Регулятор / Кабель стартера (Regulator / Starter Cable)

Катушка зажигания / Блок управления C.D.I. (Ignition Coil / C.d.i. Unit)

Катушка зажигания / Блок управления C.D.I. (Ignition Coil / C.d.i. Unit)

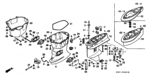
Крышка двигателя (капот) / Под корпусом (Engine Cover / Under Case)

Крышка двигателя (капот) / Под корпусом (Engine Cover / Under Case)

Кронштейн транца (Stern Bracket)

Кронштейн транца (Stern Bracket)

Поворотный корпус / Монтажная рама (Swivel Case / Mount Frame)

Поворотный корпус / Монтажная рама (Swivel Case / Mount Frame)

Механизированный дифферент наклона / Демпфер (Power Trim-tilt / Damper)

Механизированный дифферент наклона / Демпфер (Power Trim-tilt / Damper)

Компоненты механизированного дифферента наклона (Power Trim-tilt Components)

Компоненты механизированного дифферента наклона (Power Trim-tilt Components)

Дистанционное управление (Remote Control)

Дистанционное управление (Remote Control)

Маркировка (Mark)

Маркировка (Mark)

Инструмент (Tool)

Инструмент (Tool)

Компоненты для установи спидометра (Speedometer Kit)

Компоненты для установи спидометра (Speedometer Kit)

Наборы для ремонта водяного насоса (Pump Impeller Kit)

Наборы для ремонта водяного насоса (Pump Impeller Kit)

Дистанционное управление (одинарное, правое, монтаж сверху) (Remote Control (top Mount Single Type) (right))

Дистанционное управление (одинарное, правое, монтаж сверху) (Remote Control (top Mount Single Type) (right))

Дистанционное управление (одинарное, левое, монтаж сверху) (Remote Control (top Mount Single Type) (left))

Дистанционное управление (одинарное, левое, монтаж сверху) (Remote Control (top Mount Single Type) (left))

Дистанционное управление (двойное, правое, монтаж сверху) (Remote Control (top Mount Dual Type) (right))

Дистанционное управление (двойное, правое, монтаж сверху) (Remote Control (top Mount Dual Type) (right))

Дистанционное управление (сдвойное, монтаж сверху) (левый) (Remote Control (top Mount Dual Type) (left))

Дистанционное управление (сдвойное, монтаж сверху) (левый) (Remote Control (top Mount Dual Type) (left))

Дистанционное управление (правое, монтаж заподлицо) (Remote Control (flush Mount Type) (right))

Дистанционное управление (правое, монтаж заподлицо) (Remote Control (flush Mount Type) (right))

Дистанционное управление (левое, монтаж заподлицо) (Remote Control (flush Mount Type) (left))

Дистанционное управление (левое, монтаж заподлицо) (Remote Control (flush Mount Type) (left))

Кабели под одинарное ДУ (Cable (single))

Кабели под одинарное ДУ (Cable (single))

Кабели под сдвоенное ДУ (Cable (dual))

Кабели под сдвоенное ДУ (Cable (dual))

Панель управления / Выключатели освещения (Control Panel / Light Switch Kit)

Панель управления / Выключатели освещения (Control Panel / Light Switch Kit)

Комплекты приборов (Meter Kit)

Комплекты приборов (Meter Kit)

Крышка или колпачок kit (Cover Kit)

Крышка или колпачок kit (Cover Kit)

Комплект болтов (Bolt Kit)

Комплект болтов (Bolt Kit)

tohatsu

 
 

данный сайт носит информационный характер и не является публичной офертой

склад запчастей для водомоторной техники