вконтакте

Контактный телефон: +7 (981) 121-46-93, +7 (800) 200-90-76 , Email: parts-katalog@yandex.ru, где купить

 
 

  Логин:

Пароль:

Регистрация

www.partskatalog.ru Все каталоги Запчасти Mercury Запчасти Suzuki Запчасти Tohatsu Запчасти Honda Контакты



УВАЖАЕМЫЕ КЛИЕНТЫ!
C 19 ДЕКАБРЯ 2025 ПО 02 МАРТА 2026 ГОДА ОТДЕЛ ЗАПЧАСТЕЙ И СЕРВИС РАБОТАТЬ НЕ БУДУТ
ПРОДАЖА ЛОДОЧНЫХ МОТОРОВ В ШТАТНОМ РЕЖИМЕ
ОБ ИЗМЕНЕНИЯХ В ГРАФИКЕ РАБОТЫ ЧИТАЙТЕ НА САЙТА




Вернуться к началу выбора


Тип двигателя: четырёхтактный

Модель двигателя: Honda BF40A4

Модификация Вашего двигателя:   Honda BF40A4 LRU
Модели с серийным номером двигателя от BAYE-3000001 до BAYE-
Модели с серийным номером рамы от BAYS-3400001 до BAYS-3499999

РЕЖИМЫ ПРОСМОТРА

Все узлы и детали

Двигатель

Внешние части


   Выберите раздел

найти расходники на лодочные моторы Suzuki

Головка блока цилиндра (Cylinder Head)

Головка блока цилиндра (Cylinder Head)

Блок цилиндра (Cylinder Block)

Блок цилиндра (Cylinder Block)

Масляный насос (Oil Pump)

Масляный насос (Oil Pump)

Масляный поддон (Oil Pan)

Масляный поддон (Oil Pan)

Коленвал / Поршень (Crankshaft / Piston)

Коленвал / Поршень (Crankshaft / Piston)

Распределительный вал (Camshaft)

Распределительный вал (Camshaft)

Ремень распредвала (Timing Belt)

Ремень распредвала (Timing Belt)

Карбюратор в сборе. (Carburetor Assy.)

Карбюратор в сборе. (Carburetor Assy.)

Карбюратор components (Carburetor Components)

Карбюратор components (Carburetor Components)

Тяга дросселя (Throttle Rod)

Тяга дросселя (Throttle Rod)

Корпус глушителя (Silencer Cover)

Корпус глушителя (Silencer Cover)

Маховик (Flywheel)

Маховик (Flywheel)

Блок управления C.D.I. (C.d.i. Unit)

Блок управления C.D.I. (C.d.i. Unit)

Двигатель стартера (Starter Motor)

Двигатель стартера (Starter Motor)

Румпель (1) (Steering Handle (1))

Румпель (1) (Steering Handle (1))

Румпель (2) (Steering Handle (2))

Румпель (2) (Steering Handle (2))

Удлинение корпуса (Extension Case)

Удлинение корпуса (Extension Case)

Картер коробки передач в сборе. (Gear Case Assy.)

Картер коробки передач в сборе. (Gear Case Assy.)

Первичная коробка передач (Primary Gear Case)

Первичная коробка передач (Primary Gear Case)

Водяной насос (Water Pump)

Водяной насос (Water Pump)

Вал гребного винта (Propeller Shaft)

Вал гребного винта (Propeller Shaft)

Топливный бак (Fuel Tank)

Топливный бак (Fuel Tank)

Регулятор (Regulator)

Регулятор (Regulator)

Катушка зажигания (Ignition Coil)

Катушка зажигания (Ignition Coil)

Крышка маховика (Flywheel Cover)

Крышка маховика (Flywheel Cover)

Magnet Переключатель cord (Magnet Switch Cord)

Magnet Переключатель cord (Magnet Switch Cord)

Крышка двигателя (капот) / Под корпусом (Engine Cover / Under Case)

Крышка двигателя (капот) / Под корпусом (Engine Cover / Under Case)

Кронштейн транца (Stern Bracket)

Кронштейн транца (Stern Bracket)

Поворотный корпус (Swivel Case)

Поворотный корпус (Swivel Case)

Демпфер (Damper)

Демпфер (Damper)

Механизированный дифферент наклона (Power Trim Tilt)

Механизированный дифферент наклона (Power Trim Tilt)

Наклейки (Label)

Наклейки (Label)

Инструмент (Tool)

Инструмент (Tool)

Дистанционное управление (1) (Remote Control (1))

Дистанционное управление (1) (Remote Control (1))

Дистанционное управление (2) (Remote Control (2))

Дистанционное управление (2) (Remote Control (2))

Наборы для ремонта водяного насоса / Соединение выхлопного шланга (1) (Impeller Pump Kit / Water Hose Joint (1))

Наборы для ремонта водяного насоса / Соединение выхлопного шланга (1) (Impeller Pump Kit / Water Hose Joint (1))

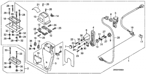
Прибор (Meter)

Прибор (Meter)

Комплекты приборов (Meter Kit)

Комплекты приборов (Meter Kit)

Панель управления / Выключатели освещения (Control Panel / Light Switch Kit)

Панель управления / Выключатели освещения (Control Panel / Light Switch Kit)

Дистанционное управление (одинарное, левое, монтаж сверху) (Remote Control (top Mount Single Type) (left))

Дистанционное управление (одинарное, левое, монтаж сверху) (Remote Control (top Mount Single Type) (left))

Дистанционное управление (двойное, правое, монтаж сверху) (Remote Control (top Mount Dual Type) (right))

Дистанционное управление (двойное, правое, монтаж сверху) (Remote Control (top Mount Dual Type) (right))

Дистанционное управление (сдвойное, монтаж сверху) (левый) (Remote Control (top Mount Dual Type) (left))

Дистанционное управление (сдвойное, монтаж сверху) (левый) (Remote Control (top Mount Dual Type) (left))

Дистанционное управление (правое, монтаж заподлицо) (Remote Control (flush Mount Type) (right))

Дистанционное управление (правое, монтаж заподлицо) (Remote Control (flush Mount Type) (right))

Дистанционное управление (левое, монтаж заподлицо) (Remote Control (flush Mount Type) (left))

Дистанционное управление (левое, монтаж заподлицо) (Remote Control (flush Mount Type) (left))

Кабели под одинарное ДУ (Cable (single))

Кабели под одинарное ДУ (Cable (single))

Кабели под сдвоенное ДУ (Cable (dual))

Кабели под сдвоенное ДУ (Cable (dual))

Гребной винт (Propeller)

Гребной винт (Propeller)

Комплект болтов (Bolt Kit)

Комплект болтов (Bolt Kit)

Румпель, установочный комплект (Steering Handle Kit)

Румпель, установочный комплект (Steering Handle Kit)

tohatsu

 
 

данный сайт носит информационный характер и не является публичной офертой

склад запчастей для водомоторной техники