вконтакте

Контактный телефон: +7 (981) 121-46-93, +7 (800) 200-90-76 , Email: parts-katalog@yandex.ru, где купить

 
 

  Логин:

Пароль:

Регистрация

www.partskatalog.ru Все каталоги Запчасти Mercury Запчасти Suzuki Запчасти Tohatsu Запчасти Honda Контакты



УВАЖАЕМЫЕ КЛИЕНТЫ!
C 19 ДЕКАБРЯ 2025 ПО 02 МАРТА 2026 ГОДА ОТДЕЛ ЗАПЧАСТЕЙ И СЕРВИС РАБОТАТЬ НЕ БУДУТ
ПРОДАЖА ЛОДОЧНЫХ МОТОРОВ В ШТАТНОМ РЕЖИМЕ
ОБ ИЗМЕНЕНИЯХ В ГРАФИКЕ РАБОТЫ ЧИТАЙТЕ НА САЙТА




Вернуться к началу выбора


Тип двигателя: четырёхтактный

Модель двигателя: Honda BF15AM

Модификация Вашего двигателя:   Honda BF15AM SB
Модели с серийным номером двигателя от BAAE-1200001 до BAAE-1299999
Модели с серийным номером рамы от BAAS-1200001 до BAAS-1299999

РЕЖИМЫ ПРОСМОТРА

Все узлы и детали

Двигатель

Внешние части


   Выберите раздел

найти расходники на лодочные моторы Suzuki

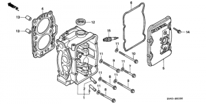
Головка блока цилиндра (Cylinder Head)

Головка блока цилиндра (Cylinder Head)

Гильза цилиндра (Cylinder Barrel)

Гильза цилиндра (Cylinder Barrel)

Впускной трубопровод (Inlet Manifold)

Впускной трубопровод (Inlet Manifold)

Масляный насос / Выхлопная труба (Oil Pump / Exhaust Pipe)

Масляный насос / Выхлопная труба (Oil Pump / Exhaust Pipe)

Поршень / Коленвал (Piston / Crankshaft)

Поршень / Коленвал (Piston / Crankshaft)

Распределительный вал / Клапан (Camshaft / Valve)

Распределительный вал / Клапан (Camshaft / Valve)

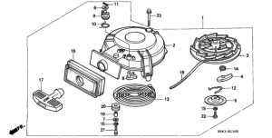
Барабанный стартер (Recoil Starter)

Барабанный стартер (Recoil Starter)

Ремень распредвала (Timing Belt)

Ремень распредвала (Timing Belt)

Карбюратор (Carburetor)

Карбюратор (Carburetor)

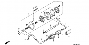
Топливный насос (Fuel Pump)

Топливный насос (Fuel Pump)

Маховик (Flywheel)

Маховик (Flywheel)

Катушка зажигания (Ignition Coil)

Катушка зажигания (Ignition Coil)

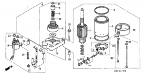
Двигатель стартера (Starter Motor)

Двигатель стартера (Starter Motor)

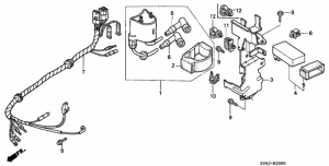
Комплект зарядной катушки (Charge Coil Kit)

Комплект зарядной катушки (Charge Coil Kit)

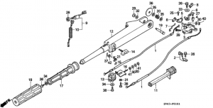
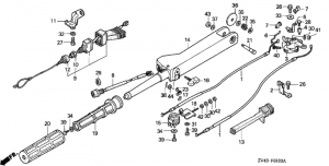
Румпель (bf9.9ah / k / bf15ah / k) (Steering Handle (bf9.9ah / K / Bf15ah / K))

Румпель (bf9.9ah / k / bf15ah / k) (Steering Handle (bf9.9ah / K / Bf15ah / K))

Румпель (bf9.9am / b / bf15am / b) (Steering Handle (bf9.9am / B / Bf15am / B))

Румпель (bf9.9am / b / bf15am / b) (Steering Handle (bf9.9am / B / Bf15am / B))

Картер коробки передач / Удлинение корпуса (Gear Case /  Extension Case)

Картер коробки передач / Удлинение корпуса (Gear Case / Extension Case)

Картер коробки передач в сборе. (bf9.9am / b / bf15am / b) (Gear Case Assy. (bf9.9am / B / Bf15am / B))

Картер коробки передач в сборе. (bf9.9am / b / bf15am / b) (Gear Case Assy. (bf9.9am / B / Bf15am / B))

Водяной насос / Вертикальный вал (Water Pump / Vertical Shaft)

Водяной насос / Вертикальный вал (Water Pump / Vertical Shaft)

Вал гребного винта / Гребной винт (Propeller Shaft / Propeller)

Вал гребного винта / Гребной винт (Propeller Shaft / Propeller)

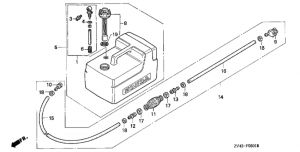
Топливный бак (стандартный) (Fuel Tank (standard))

Топливный бак (стандартный) (Fuel Tank (standard))

Топливный бак (пластиковый) (Fuel Tank (plastics))

Топливный бак (пластиковый) (Fuel Tank (plastics))

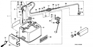
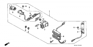
Регулятор / Кабель стартера (Regulator / Starter Cable)

Регулятор / Кабель стартера (Regulator / Starter Cable)

Масляный картер / Крышка двигателя (капот) (Oil Case / Engine Cover)

Масляный картер / Крышка двигателя (капот) (Oil Case / Engine Cover)

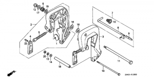
Кронштейн транца (Stern Bracket)

Кронштейн транца (Stern Bracket)

Поворотный корпус / Монтажная рама (Swivel Case / Mount Frame)

Поворотный корпус / Монтажная рама (Swivel Case / Mount Frame)

Маркировка (Mark)

Маркировка (Mark)

Инструмент (Tool)

Инструмент (Tool)

Комплект для установки зарядной розетки (bf9.9ah / bf15ah) (6a) (Lamp Consent Kit (bf9.9ah / Bf15ah) (6a))

Комплект для установки зарядной розетки (bf9.9ah / bf15ah) (6a) (Lamp Consent Kit (bf9.9ah / Bf15ah) (6a))

Комплект для установки зарядной розетки (bf9.9ak / m / bf15ak / m) (6a) (Lamp Consent Kit (bf9.9ak / M / Bf15ak / M) (6a))

Комплект для установки зарядной розетки (bf9.9ak / m / bf15ak / m) (6a) (Lamp Consent Kit (bf9.9ak / M / Bf15ak / M) (6a))

Комплект для установки зарядной розетки (bf9.9ak / m / bf15ak / m) (10a) (Lamp Consent Kit (bf9.9ak / M / Bf15ak / M) (10a))

Комплект для установки зарядной розетки (bf9.9ak / m / bf15ak / m) (10a) (Lamp Consent Kit (bf9.9ak / M / Bf15ak / M) (10a))

Выпрямитель (Rectifier)

Выпрямитель (Rectifier)

Дистанционное управление (Remote Control)

Дистанционное управление (Remote Control)

Комплект кронштейнов дистанционного управления (Remote Control Bracket Kit)

Комплект кронштейнов дистанционного управления (Remote Control Bracket Kit)

Наборы для ремонта водяного насоса (Water Pump Impeller Kit)

Наборы для ремонта водяного насоса (Water Pump Impeller Kit)

tohatsu

 
 

данный сайт носит информационный характер и не является публичной офертой

склад запчастей для водомоторной техники