вконтакте

Контактный телефон: +7 (981) 121-46-93, +7 (800) 200-90-76 , Email: parts-katalog@yandex.ru, где купить

 
 

  Логин:

Пароль:

Регистрация

www.partskatalog.ru Все каталоги Запчасти Mercury Запчасти Suzuki Запчасти Tohatsu Запчасти Honda Контакты


Все разделы каталога запчастей на этот двигатель

назад Раздел:   вперёд

вернуться к списку узлов и деталей

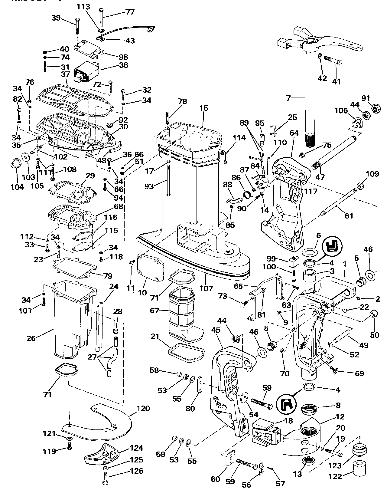
ДЕТАЛИРОВКА ДЛЯ МОДЕЛИ: EVINRUDE E25ELESE 1990

ТОПЛИВНЫЙ БАК | FUEL TANK;


Подвесной мотор Эвинруд E25ELESE 1990  - el Tank - el Tank

Номер на
рисунке
АртикулНаименованиеКол-во
на складе
Цена
1 0398458

Топливный бак в сборе., With gauge (FUEL TANK ASSY.,With gauge)

нет в наличии, поставок нет
1 0763900

   (последний код) TANK AY, 6 GALLON

нет в наличии, поставок нет
2 0327888

Винт (SCREW)

нет в наличии, поставок нет
3 0305863

Шайба (WASHER)

нет в наличии, поставок нет
4 0305821

Штифт, Индикатор (PIN, Indicator)

нет в наличии, поставок нет
5 0398459

Поплавок & Индикатор в сборе. (FLOAT & INDICATOR ASSY.)

нет в наличии, поставок нет
5 0310845

   (последний код) INDICATOR

нет в наличии, поставок нет
6 0332370

Поплавок, Индикатор (FLOAT, Indicator)

нет в наличии, поставок нет
7 0125530

Прокладка, Корпус to tank (GASKET, Housing to tank)

нет в наличии, поставок нет
7 0332403

   (последний код) GASKET

нет в наличии, поставок нет
8 0332505

Сальник, Lens to Клапан hsg. (SEAL, Lens to valve hsg.)

нет в наличии, поставок нет
8 0312192

   (последний код) SEAL-GAS TANK

нет в наличии, поставок нет
9 0312190

LENS, Gauge (LENS, Gauge)

нет в наличии, поставок нет
10 0312193

Прокладка, Индикатор sвышеport (GASKET, Indicator support)

нет в наличии, поставок нет
11 0312191

SвышеPORT, Lens to Клапан hsg. (SUPPORT, Lens to valve hsg.)

нет в наличии, поставок нет
12 0310849

Винт, Индикатор sвышеport (SCREW, Indicator support)

нет в наличии, поставок нет
13 0398409

Корпус в сборе., Клапан (HOUSING ASSY., Valve)

нет в наличии, поставок нет
13 0392935

   (последний код) UPPER HSG FUEL LIN

нет в наличии, поставок нет
14 0305243

Заглушка, Core (PLUG, Core)

нет в наличии, поставок нет
15 0307862

Клапан, Диск (VALVE, Disc)

нет в наличии, поставок нет
16 0307860

Пружина, DКлапан холостого хода (SPRING, Disc valve)

нет в наличии, поставок нет
17 0307861

Фиксатор, DКлапан холостого хода (RETAINER, Disc valve)

нет в наличии, поставок нет
18 0308081

Штифт, Направляющая (PIN, Guide)

нет в наличии, поставок нет
19 0332488

Кольцо, Quad (RING, Quad)

нет в наличии, поставок нет
19 0331478

   (последний код) O-RING

нет в наличии, поставок нет
20 0307857

Шайба, Фиксатор, quad Кольцо (WASHER, Retainer, quad ring)

нет в наличии, поставок нет
21 0303405

Заглушка, Core (PLUG, Core)

нет в наличии, поставок нет
22 0307856

Пружина клапана (SPRING, Valve)

нет в наличии, поставок нет
23 0305859

Клапан, Release (VALVE, Release)

нет в наличии, поставок нет
24 0332437

Уплотнительное кольцо, Седло клапана (O-RING, Valve seat)

нет в наличии, поставок нет
25 0388938

Колпачок в сборе, Fuel (CAP ASSY., Fuel)

нет в наличии, поставок нет
25 0763525

   (последний код) CAP AY NO/VENT

нет в наличии, поставок нет
26 0323369

Соединитель (LINK)

нет в наличии, поставок нет
26 0305994

   (последний код) ANCHOR LINK

нет в наличии, поставок нет
27 0552331

ANCHOR (ANCHOR)

нет в наличии, поставок нет
27 0120430

   (последний код) HOOK-GAS CAP

нет в наличии, поставок нет
0398549 0398549

FUEL CONN., Шланг, & Топливная груша AY. Not Shown (FUEL CONN., HOSE, & PRIMER BULB AY. Not Shown)

нет в наличии, поставок нет
0398549 0775635

   (последний код) KIT-HOSE & BULB AY

нет в наличии, поставок нет
28 0174508

Топливный шланг CONN. KIT (FUEL HOSE CONN. KIT)

нет в наличии, поставок нет
28 0775640

   (последний код) FUEL CONN KIT 5/16

нет в наличии, поставок нет
29 0322652

Струбцина, Защелка (CLAMP, Snap)

нет в наличии, поставок нет
29 3852170

   (последний код) CLAMP,SNAP

нет в наличии, поставок нет
30 0334913

Уплотнительное кольцо (O-RING)

нет в наличии, поставок нет
30 0331380

   (последний код) O-RING-10PK

нет в наличии, поставок нет
31 0

Шланг, Short, 19 1 / 2 дюйм (495 мм) сокращёная длина From 333341 - 5 / 16 дюйм I.D., 25 фут (7, 6m) Roll (HOSE, Short, 19 1/2 in. (495mm). Cut To Length From 333341 - 5/16 in. I.D., 25 ft. (7,6m) Roll)

нет в наличии, поставок нет
0174511 0174511

Топливная груша KIT. Not Shown (PRIMER BULB KIT. Not Shown)

нет в наличии, поставок нет
0174511 0775638

   (последний код) PRIM BULB KIT 5/16

нет в наличии, поставок нет
32 0322652

Струбцина, Защелка (CLAMP, Snap)

нет в наличии, поставок нет
32 3852170

   (последний код) CLAMP,SNAP

нет в наличии, поставок нет
33 0397525

Ниппель & Клапан в сборе. (NIPPLE & VALVE ASSY.)

нет в наличии, поставок нет
33 0393511

   (последний код) NIPPLE&VALVE AY

нет в наличии, поставок нет
34 0553166

Струбцина, Ремешок, large (CLAMP, Band, large)

нет в наличии, поставок нет
35 0396462

Ниппель & Клапан в сборе. (NIPPLE & VALVE ASSY.)

нет в наличии, поставок нет
35 0383720

   (последний код) NIPPLE & VLVE

нет в наличии, поставок нет
36 0

Шланг, Long, 99 дюйм (2515 мм) сокращёная длина From 333341 - 5 / 16 дюйм I.D., 25 фут (7, 6m) Roll (HOSE, Long, 99 in. (2515mm). Cut To Length From 333341 - 5/16 in. I.D., 25 ft. (7,6m) Roll)

нет в наличии, поставок нет
37 0336269

Гильза, Топливный шланг (SLEEVE, Fuel hose)

нет в наличии, поставок нет
0332815 0332815

SPRAY Краска, Dark красный. Not Shown (SPRAY PAINT, Dark red. Not Shown)

нет в наличии, поставок нет
evinrude

Время выполнения запроса 3.4121110439301 сек.


 
 

данный сайт носит информационный характер и не является публичной офертой

склад запчастей для водомоторной техники