вконтакте

Контактный телефон: +7 (981) 121-46-93, +7 (800) 200-90-76 , Email: parts-katalog@yandex.ru, где купить

 
 

  Логин:

Пароль:

Регистрация

www.partskatalog.ru Все каталоги Запчасти Mercury Запчасти Suzuki Запчасти Tohatsu Запчасти Honda Контакты



УВАЖАЕМЫЕ КЛИЕНТЫ!
C 19 ДЕКАБРЯ 2025 ПО 02 МАРТА 2026 ГОДА ОТДЕЛ ЗАПЧАСТЕЙ И СЕРВИС РАБОТАТЬ НЕ БУДУТ
ПРОДАЖА ЛОДОЧНЫХ МОТОРОВ В ШТАТНОМ РЕЖИМЕ
ОБ ИЗМЕНЕНИЯХ В ГРАФИКЕ РАБОТЫ ЧИТАЙТЕ НА САЙТА




Все разделы каталога запчастей на этот двигатель

назад Раздел:   вперёд

вернуться к списку узлов и деталей

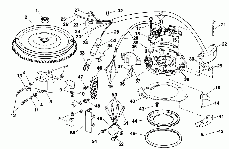
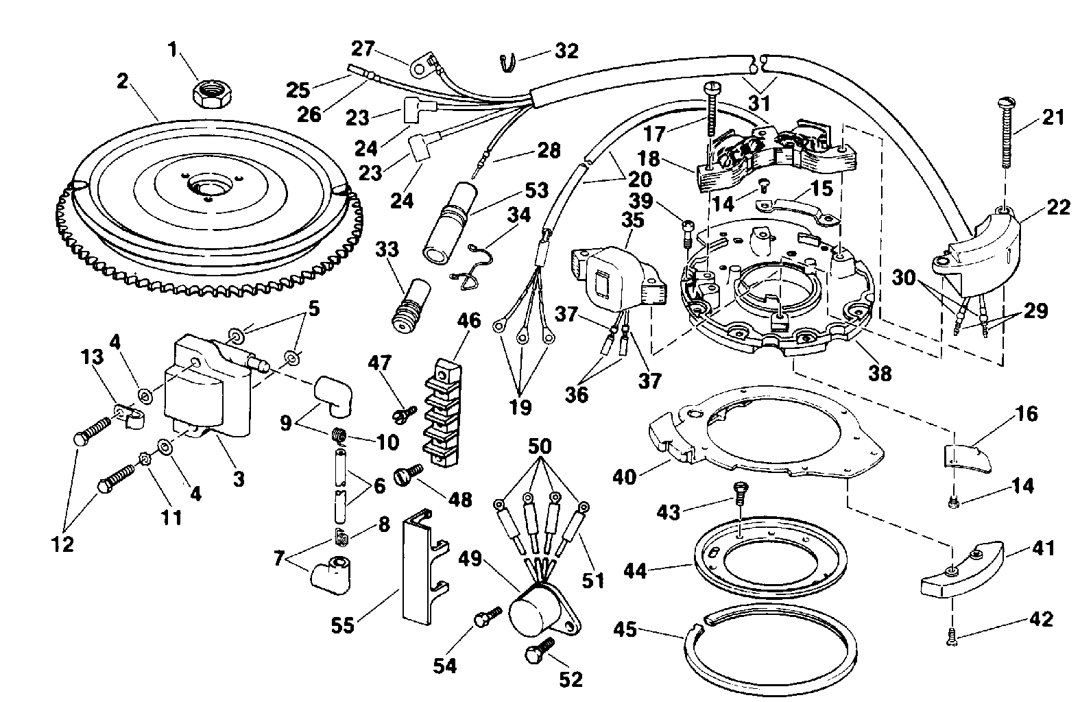
ДЕТАЛИРОВКА ДЛЯ МОДЕЛИ: EVINRUDE VE28ESLESM 1990

IGNITION | IGNITION;


Двигатель Эвинруд VE28ESLESM 1990  - nition

Номер на
рисунке
АртикулНаименованиеКол-во
на складе
Цена
1 0321341

Гайка, Маховик (NUT, Flywheel)

нет в наличии, поставок нет
2 0583474

Маховик в сборе (FLYWHEEL ASSEMBLY)

нет в наличии, поставок нет
3 0582508

Катушка зажигания в сборе (IGNITION COIL ASSEMBLY)

нет в наличии, поставок нет
4 0328703

Шайба, Ign. coil mtg. Винт (WASHER, Ign. coil mtg. screw)

нет в наличии, поставок нет
4 3852184

   (последний код) WASHER

нет в наличии, поставок нет
5 0329176

Шайба, Fiber, coil mtg. Винт (WASHER, Fiber, coil mtg. screw)

нет в наличии, поставок нет
6 0582365

LEAD в сборе., Свеча зажигания (LEAD ASSY., Spark plug)

нет в наличии, поставок нет
6 0582135

   (последний код) LEAD

нет в наличии, поставок нет
7 0581027

Крышка & Клемма в сборе. (COVER & TERMINAL ASSY.)

нет в наличии, поставок нет
8 0510231

Клемма, Пружина (TERMINAL, Spring)

нет в наличии, поставок нет
9 0580339

Крышка & Клемма в сборе. (COVER & TERMINAL ASSY.)

нет в наличии, поставок нет
9 0510232

   (последний код) COVER

нет в наличии, поставок нет
10 0510231

Клемма, Пружина (TERMINAL, Spring)

нет в наличии, поставок нет
11 0328701

LOCKШайба, Coil to Заземление (LOCKWASHER, Coil to ground)

нет в наличии, поставок нет
11 3852182

   (последний код) WASHER,LOCK

нет в наличии, поставок нет
12 0331025

Винт, Coil assemblies (SCREW, Coil assemblies)

нет в наличии, поставок нет
12 0308751

   (последний код) SCREW

нет в наличии, поставок нет
13 0330151

Струбцина, Leads to coil (CLAMP, Leads to coil)

нет в наличии, поставок нет
13 3852199

   (последний код) CLAMP,"J"

нет в наличии, поставок нет
14 0303212

Винт зажима & Крышка (SCREW, Clamp & cover)

нет в наличии, поставок нет
15 0511458

Струбцина, Leads to ign. Пластина в сборе. (CLAMP, Leads to ign. plate assy.)

нет в наличии, поставок нет
16 0511459

Крышка, Leads to ign. Пластина в сборе. (COVER, Leads to ign. plate assy.)

нет в наличии, поставок нет
17 0309545

Винт, Статор & зарядная катушка mtg. (SCREW, Stator & charge coil mtg.)

нет в наличии, поставок нет
18 0583650

Статор ASSEMBLY (STATOR ASSEMBLY)

нет в наличии, поставок нет
18 0584341

   (последний код) STATOR AY

нет в наличии, поставок нет
19 0511733

Клемма, Кольцо (TERMINAL, Ring)

нет в наличии, поставок нет
19 0510780

   (последний код) TERMINAL

нет в наличии, поставок нет
20 0511601

Трубопровод, Статор leads (TUBING, Stator leads)

нет в наличии, поставок нет
21 0513057

Винт, Power pack to ign. Пластина (SCREW, Power pack to ign. plate)

нет в наличии, поставок нет
22 0583896

POWER PACK ASSEMBLY (POWER PACK ASSEMBLY)

нет в наличии, поставок нет
22 0584489

   (последний код) KIT AY,PP CD2USL61

1 шт17010 руб.
23 0512478

Колпачок свечи зажигания (COVER, Terminal)

нет в наличии, поставок нет
24 0512256

Клемма, Внешняя розетка (TERMINAL, Receptacle)

нет в наличии, поставок нет
25 0512876

Клемма, Socket (TERMINAL, Socket)

нет в наличии, поставок нет
25 3852244

   (последний код) TERMINAL,SOC

нет в наличии, поставок нет
26 0513186

Гильза, Внешняя розетка (SLEEVE, Receptacle)

нет в наличии, поставок нет
26 3852248

   (последний код) SLEEVE,SKT-B

нет в наличии, поставок нет
27 0512131

Клемма, Кольцо (TERMINAL, Ring)

нет в наличии, поставок нет
28 0511469

Клемма, Штифт (TERMINAL, Pin)

нет в наличии, поставок нет
28 3852229

   (последний код) TERMINAL,PIN

нет в наличии, поставок нет
29 0512947

Клемма, Bullet (TERMINAL, Bullet)

нет в наличии, поставок нет
29 0910462

   (последний код) TERM.-60766-

нет в наличии, поставок нет
30 0513185

Гильза, Bullet Клемма (SLEEVE, Bullet terminal)

нет в наличии, поставок нет
30 0512948

   (последний код) SLEEVE

нет в наличии, поставок нет
31 0513354

Трубопровод, Power pack leads (TUBING, Power pack leads)

нет в наличии, поставок нет
32 0317893

Крепёжный хомут (TIE STRAP)

нет в наличии, поставок нет
32 3852149

   (последний код) TIE-STRAP

нет в наличии, поставок нет
33 0513356

Коннектор, 1-socket Заглушка (CONNECTOR, 1-socket plug)

нет в наличии, поставок нет
34 0512741

Фиксатор, Коннекторs (RETAINER, Connectors)

нет в наличии, поставок нет
35 0583485

зарядная катушка & LAM. в сборе. (CHARGE COIL & LAM. ASSY.)

нет в наличии, поставок нет
35 0584333

   (последний код) COIL&LAM AY,CHARGE

нет в наличии, поставок нет
36 0512876

Клемма, Socket (TERMINAL, Socket)

нет в наличии, поставок нет
36 3852244

   (последний код) TERMINAL,SOC

нет в наличии, поставок нет
37 0513186

Гильза, Внешняя розетка (SLEEVE, Receptacle)

нет в наличии, поставок нет
37 3852248

   (последний код) SLEEVE,SKT-B

нет в наличии, поставок нет
38 0583285

Пластина & Гильза в сборе. (PLATE & SLEEVE ASSY.)

нет в наличии, поставок нет
39 0511460

Винт, Ign. Пластина to ret. в сборе. (SCREW, Ign. plate to ret. assy.)

нет в наличии, поставок нет
40 0396031

Фиксатор & Соединитель в сборе. (RETAINER & LINK ASSY.)

нет в наличии, поставок нет
40 0390256

   (последний код) RETAINER&LIN

нет в наличии, поставок нет
41 0326876

Кулачок дросселя Управление (CAM, Throttle control)

нет в наличии, поставок нет
41 0324882

   (последний код) CAM

нет в наличии, поставок нет
42 0331036

Винт дросселя cam (SCREW, Throttle cam)

нет в наличии, поставок нет
42 0320468

   (последний код) SCREW

нет в наличии, поставок нет
43 0331036

Винт, Sвышеport Пластина to ccase (SCREW, Support plate to ccase)

нет в наличии, поставок нет
43 0320468

   (последний код) SCREW

нет в наличии, поставок нет
44 0322102

Пластина, Sвышеport (PLATE, Support)

нет в наличии, поставок нет
44 0320580

   (последний код) SUP.ARM-PLATE

нет в наличии, поставок нет
45 0322435

Подшипник, Ign. Пластина to sвышеport (BEARING, Ign. plate to support)

нет в наличии, поставок нет
45 0321085

   (последний код) BEARING

нет в наличии, поставок нет
46 0511949

Клемма BLOCK (TERMINAL BLOCK)

нет в наличии, поставок нет
47 0329182

Винт, Клемма (SCREW, Terminal)

нет в наличии, поставок нет
47 0327785

   (последний код) SCREW

нет в наличии, поставок нет
48 0306644

Винт, Клемма block mtg. (SCREW, Terminal block mtg.)

нет в наличии, поставок нет
48 0328730

   (последний код) SCREW

нет в наличии, поставок нет
49 0581778

Выпрямитель ASSEMBLY (RECTIFIER ASSEMBLY)

нет в наличии, поставок нет
49 0582304

   (последний код) RECTIFIER

нет в наличии, поставок нет
50 0511733

Клемма, Кольцо (TERMINAL, Ring)

нет в наличии, поставок нет
50 0510780

   (последний код) TERMINAL

нет в наличии, поставок нет
51 0510781

Гильза (SLEEVE)

нет в наличии, поставок нет
52 0312241

Винт, Выпрямитель to Кронштейн (SCREW, Rectifier to bracket)

нет в наличии, поставок нет
52 0328697

   (последний код) SCREW

нет в наличии, поставок нет
53 0513357

Коннектор, 1-Штифт Внешняя розетка (CONNECTOR, 1-pin receptacle)

нет в наличии, поставок нет
53 3854845

   (последний код) CONNECTOR 513357

нет в наличии, поставок нет
54 0314576

Винт, Выпрямитель mtg. (SCREW, Rectifier mtg.)

нет в наличии, поставок нет
54 0328720

   (последний код) SCREW

нет в наличии, поставок нет
55 0335813

Колпачок свечи зажигания block (COVER, Terminal block)

нет в наличии, поставок нет
evinrude

Время выполнения запроса 1.2219159603119 сек.


 
 

данный сайт носит информационный характер и не является публичной офертой

склад запчастей для водомоторной техники