вконтакте

Контактный телефон: +7 (981) 121-46-93, +7 (800) 200-90-76 , Email: parts-katalog@yandex.ru, где купить

 
 

  Логин:

Пароль:

Регистрация

www.partskatalog.ru Все каталоги Запчасти Mercury Запчасти Suzuki Запчасти Tohatsu Запчасти Honda Контакты


Все разделы каталога запчастей на этот двигатель

назад Раздел:   вперёд

вернуться к списку узлов и деталей

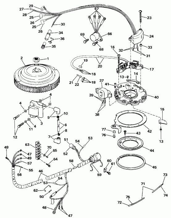
ДЕТАЛИРОВКА ДЛЯ МОДЕЛИ: EVINRUDE E45WMLESR 1990

IGNITION | IGNITION;


Подвесной двигатель Evinrude E45WMLESR 1990  - nition

Номер на
рисунке
АртикулНаименованиеКол-во
на складе
Цена
1 0326111

Гайка, Маховик (NUT, Flywheel)

нет в наличии, поставок нет
1 0308457

   (последний код) NUT CRKSHFT

нет в наличии, поставок нет
2 0583696

Маховик в сборе (FLYWHEEL ASSEMBLY)

нет в наличии, поставок нет
2 0583911

   (последний код) FLYWHEEL AY

нет в наличии, поставок нет
3 0582508

Катушка зажигания в сборе (IGNITION COIL ASSEMBLY)

нет в наличии, поставок нет
4 0328703

Шайба, Ign. coil mtg. Винт (WASHER, Ign. coil mtg. screw)

нет в наличии, поставок нет
4 3852184

   (последний код) WASHER

нет в наличии, поставок нет
6 0582365

LEAD в сборе., Свеча зажигания (LEAD ASSY., Spark plug)

нет в наличии, поставок нет
6 0582135

   (последний код) LEAD

нет в наличии, поставок нет
7 0581027

Крышка & Клемма в сборе. (COVER & TERMINAL ASSY.)

нет в наличии, поставок нет
8 0510231

Клемма, Пружина (TERMINAL, Spring)

нет в наличии, поставок нет
9 0580339

Крышка & Клемма в сборе. (COVER & TERMINAL ASSY.)

нет в наличии, поставок нет
9 0510232

   (последний код) COVER

нет в наличии, поставок нет
10 0510231

Клемма, Пружина (TERMINAL, Spring)

нет в наличии, поставок нет
11 0328701

LOCKШайба, Заземление (LOCKWASHER, Ground)

нет в наличии, поставок нет
11 3852182

   (последний код) WASHER,LOCK

нет в наличии, поставок нет
12 0328726

Винт, Coil assemblies (SCREW, Coil assemblies)

нет в наличии, поставок нет
12 0323796

   (последний код) SCREW

нет в наличии, поставок нет
13 0303212

Винт зажима & Крышка (SCREW, Clamp & cover)

нет в наличии, поставок нет
14 0511458

Струбцина, Leads to ign. Пластина в сборе (CLAMP, Leads to ign. plate assy)

нет в наличии, поставок нет
15 0511459

Крышка, Leads to ign. Пластина в сборе. (COVER, Leads to ign. plate assy.)

нет в наличии, поставок нет
16 0309545

Винт, Статор & зарядная катушка Креплениеing. 45RC - 45RCL - 55RW Models Only (SCREW, Stator & charge coil mounting. 45RC - 45RCL - 55RW Models Only)

нет в наличии, поставок нет
16 0309545

Винт, зарядная катушка mtg.. 45RC - 45RCL - 55RW Models Only (SCREW, Charge coil mtg.. 45RC - 45RCL - 55RW Models Only)

нет в наличии, поставок нет
17 0583650

Статор ASSEMBLY. Electric Start Models Only (STATOR ASSEMBLY. Electric Start Models Only)

нет в наличии, поставок нет
17 0584341

   (последний код) STATOR AY

нет в наличии, поставок нет
18 0511733

Клемма, Кольцо. Electric Start Models Only (TERMINAL, Ring. Electric Start Models Only)

нет в наличии, поставок нет
18 0510780

   (последний код) TERMINAL

нет в наличии, поставок нет
20 0511601

Трубопровод, Статор leads. Electric Start Models Only (TUBING, Stator leads. Electric Start Models Only)

нет в наличии, поставок нет
23 0513057

Винт, Power pack to ign. Пластина (SCREW, Power pack to ign. plate)

нет в наличии, поставок нет
24 0583984

POWER PACK ASSEMBLY (POWER PACK ASSEMBLY)

нет в наличии, поставок нет
24 0584489

   (последний код) KIT AY,PP CD2USL61

1 шт17010 руб.
25 0512478

Колпачок свечи зажигания (COVER, Terminal)

нет в наличии, поставок нет
26 0512256

Клемма, Внешняя розетка (TERMINAL, Receptacle)

нет в наличии, поставок нет
27 0512876

Клемма, Socket (TERMINAL, Socket)

нет в наличии, поставок нет
27 3852244

   (последний код) TERMINAL,SOC

нет в наличии, поставок нет
28 0513186

Гильза, Внешняя розетка (SLEEVE, Receptacle)

нет в наличии, поставок нет
28 3852248

   (последний код) SLEEVE,SKT-B

нет в наличии, поставок нет
29 0511829

Клемма, Кольцо (TERMINAL, Ring)

нет в наличии, поставок нет
29 3852233

   (последний код) TERMINAL,RIN

нет в наличии, поставок нет
30 0511469

Клемма, Штифт (TERMINAL, Pin)

нет в наличии, поставок нет
30 3852229

   (последний код) TERMINAL,PIN

нет в наличии, поставок нет
31 0512947

Клемма, Bullet (TERMINAL, Bullet)

нет в наличии, поставок нет
31 0910462

   (последний код) TERM.-60766-

нет в наличии, поставок нет
32 0513185

Гильза, Bullet Клемма (SLEEVE, Bullet terminal)

нет в наличии, поставок нет
32 0512948

   (последний код) SLEEVE

нет в наличии, поставок нет
33 0513029

Проставка. 45RC - 45RCL - 55RW Models Only (SPACER. 45RC - 45RCL - 55RW Models Only)

нет в наличии, поставок нет
34 0513357

Коннектор, 1-Штифт Внешняя розетка (CONNECTOR, 1-pin receptacle)

нет в наличии, поставок нет
34 3854845

   (последний код) CONNECTOR 513357

нет в наличии, поставок нет
35 0513356

Коннектор, 1-socket Заглушка. Electric Start Models Only (CONNECTOR, 1-socket plug. Electric Start Models Only)

нет в наличии, поставок нет
36 0512741

Фиксатор, Коннекторs. (RETAINER, Connectors.)

нет в наличии, поставок нет
37 0583485

зарядная катушка & LAM. в сборе. (CHARGE COIL & LAM. ASSY.)

нет в наличии, поставок нет
37 0584333

   (последний код) COIL&LAM AY,CHARGE

нет в наличии, поставок нет
38 0512876

Клемма, Socket (TERMINAL, Socket)

нет в наличии, поставок нет
38 3852244

   (последний код) TERMINAL,SOC

нет в наличии, поставок нет
39 0513186

Гильза, Внешняя розетка (SLEEVE, Receptacle)

нет в наличии, поставок нет
39 3852248

   (последний код) SLEEVE,SKT-B

нет в наличии, поставок нет
40 0583285

Пластина & Гильза в сборе. (PLATE & SLEEVE ASSY.)

нет в наличии, поставок нет
41 0511460

Винт, Ign. Пластина to ret. в сборе. (SCREW, Ign. plate to ret. assy.)

нет в наличии, поставок нет
42 0334193

Фиксатор, Ign. Пластина в сборе. (RETAINER, Ign. plate assy.)

нет в наличии, поставок нет
42 0330824

   (последний код) RETAINER, SUPPORT

нет в наличии, поставок нет
43 0326875

Винт, Sвышеport Пластина to ccase (SCREW, Support plate to ccase)

нет в наличии, поставок нет
43 0332070

   (последний код) SCREW

нет в наличии, поставок нет
44 0332063

Пластина, Sвышеport (PLATE, Support)

нет в наличии, поставок нет
44 0323398

   (последний код) SUPPORT-ARM

нет в наличии, поставок нет
45 0322435

Подшипник, Ing. Пластина to sвышеport (BEARING, Ing. plate to support)

нет в наличии, поставок нет
45 0321085

   (последний код) BEARING

нет в наличии, поставок нет
46 0583948

MOTOR Кабели в сборе.. Electric Start Models Only (MOTOR CABLE ASSY.. Electric Start Models Only)

нет в наличии, поставок нет
47 0204036

Клемма Кольцо. Electric Start Models Only (TERMINAL Ring. Electric Start Models Only)

нет в наличии, поставок нет
47 3852035

   (последний код) TERMINAL,RIN

нет в наличии, поставок нет
48 0204053

Клемма Кольцо. Electric Start Models Only (TERMINAL Ring. Electric Start Models Only)

нет в наличии, поставок нет
48 3852037

   (последний код) TERMINAL,RIN

нет в наличии, поставок нет
49 0510780

Клемма, Кольцо. Electric Start Models Only (TERMINAL, Ring. Electric Start Models Only)

нет в наличии, поставок нет
49 3852226

   (последний код) TERMINAL,RIN

нет в наличии, поставок нет
50 0510884

Предохранитель, 20 amp.. Electric Start Models Only (FUSE, 20 amp.. Electric Start Models Only)

нет в наличии, поставок нет
50 0510384

   (последний код) FUSE

нет в наличии, поставок нет
51 0511469

Клемма, Штифт. Electric Start Models Only (TERMINAL, Pin. Electric Start Models Only)

нет в наличии, поставок нет
51 3852229

   (последний код) TERMINAL,PIN

нет в наличии, поставок нет
52 0512748

Коннектор, 3- Штифт rcpt. Electric Start Models Only (CONNECTOR, 3- pin rcpt. Electric Start Models Only)

нет в наличии, поставок нет
52 3852240

   (последний код) CONN,3-PIN-R

нет в наличии, поставок нет
53 0512876

Клемма, Socket. Electric Start Models Only (TERMINAL, Socket. Electric Start Models Only)

нет в наличии, поставок нет
53 3852244

   (последний код) TERMINAL,SOC

нет в наличии, поставок нет
54 0513186

Гильза, Внешняя розетка. Electric Start Models Only (SLEEVE, Receptacle. Electric Start Models Only)

нет в наличии, поставок нет
54 3852248

   (последний код) SLEEVE,SKT-B

нет в наличии, поставок нет
55 0512947

Клемма Bullet. Electric Start Models Only (TERMINAL Bullet. Electric Start Models Only)

нет в наличии, поставок нет
55 0910462

   (последний код) TERM.-60766-

нет в наличии, поставок нет
56 0513185

Гильза, Bullet Клемма. Electric Start Models Only (SLEEVE, Bullet terminal. Electric Start Models Only)

нет в наличии, поставок нет
56 0512948

   (последний код) SLEEVE

нет в наличии, поставок нет
57 0581656

Клемма, Socket. Electric Start Models Only (TERMINAL, Socket. Electric Start Models Only)

нет в наличии, поставок нет
57 3852257

   (последний код) TERMINAL AY,SCKT

нет в наличии, поставок нет
58 0583898

DIODE REPLACEMENT KIT. Electric Start Models Only (DIODE REPLACEMENT KIT. Electric Start Models Only)

нет в наличии, поставок нет
58 3852258

   (последний код) KIT-AY,DIODE

нет в наличии, поставок нет
59 0315182

Фиксатор, Коннектор. Electric Start Models Only (RETAINER, Connector. Electric Start Models Only)

нет в наличии, поставок нет
59 0315181

   (последний код) CLAMP

нет в наличии, поставок нет
60 0326365

Зажим, Пружина, ret. to exh. Крышка. Electric Start Models Only (CLIP, Spring, ret. to exh. cover. Electric Start Models Only)

нет в наличии, поставок нет
60 0315197

   (последний код) SPRING

нет в наличии, поставок нет
61 0313117

Винт, Пружина Зажим. Electric Start Models Only (SCREW, Spring clip. Electric Start Models Only)

нет в наличии, поставок нет
61 0330199

   (последний код) SCREW

нет в наличии, поставок нет
62 0321077

Фиксатор, Предохранитель Держатель. Electric Start Models Only (RETAINER, Fuse holder. Electric Start Models Only)

нет в наличии, поставок нет
63 0511563

Клемма BLOCK. Electric Start Models Only (TERMINAL BLOCK. Electric Start Models Only)

нет в наличии, поставок нет
64 0510195

Винт, Клемма block mtg.. Electric Start Models Only (SCREW, Terminal block mtg.. Electric Start Models Only)

нет в наличии, поставок нет
64 0341474

   (последний код) SCREW

нет в наличии, поставок нет
65 0329182

Винт, Leads to Клемма block. Electric Start Models Only (SCREW, Leads to terminal block. Electric Start Models Only)

нет в наличии, поставок нет
65 0327785

   (последний код) SCREW

нет в наличии, поставок нет
66 0581778

Выпрямитель в сборе., Comp.. Electric Start Models Only (RECTIFIER ASSY., Comp.. Electric Start Models Only)

нет в наличии, поставок нет
66 0582304

   (последний код) RECTIFIER

нет в наличии, поставок нет
67 0510780

Клемма, Кольцо. Electric Start Models Only (TERMINAL, Ring. Electric Start Models Only)

нет в наличии, поставок нет
67 3852226

   (последний код) TERMINAL,RIN

нет в наличии, поставок нет
68 0328731

Винт, Выпрямитель mtg.. Electric Start Models Only (SCREW, Rectifier mtg.. Electric Start Models Only)

нет в наличии, поставок нет
68 0329265

   (последний код) SCREW

нет в наличии, поставок нет
69 0328720

Винт, Выпрямитель mtg.. Electric Start Models Only (SCREW, Rectifier mtg.. Electric Start Models Only)

нет в наличии, поставок нет
69 0314576

   (последний код) SCREW

нет в наличии, поставок нет
70 0303701

LOCKШайба, Заземление lead to term. block. Electric Start Models Only (LOCKWASHER, Ground lead to term. block. Electric Start Models Only)

нет в наличии, поставок нет
71 0583675

LEAD в сборе., Power pack to temp. Переключатель. Шнур Start Models Only (LEAD ASSY., Power pack to temp. switch. Rope Start Models Only)

нет в наличии, поставок нет
72 0512876

Клемма, Socket. Шнур Start Models Only (TERMINAL, Socket. Rope Start Models Only)

нет в наличии, поставок нет
72 3852244

   (последний код) TERMINAL,SOC

нет в наличии, поставок нет
73 0512947

Клемма, Socket. Шнур Start Models Only (TERMINAL, Socket. Rope Start Models Only)

нет в наличии, поставок нет
73 0910462

   (последний код) TERM.-60766-

нет в наличии, поставок нет
74 0513185

Гильза, Bullet Клемма. Шнур Start Models Only (SLEEVE, Bullet terminal. Rope Start Models Only)

нет в наличии, поставок нет
74 0512948

   (последний код) SLEEVE

нет в наличии, поставок нет
75 0513186

Гильза, Внешняя розетка. Шнур Start Models Only (SLEEVE, Receptacle. Rope Start Models Only)

нет в наличии, поставок нет
75 3852248

   (последний код) SLEEVE,SKT-B

нет в наличии, поставок нет
76 0330368

Стержень втулки (PIVOT BUSHING)

нет в наличии, поставок нет
77 0329168

SOCKET, Фиксатор (SOCKET, Retainer)

нет в наличии, поставок нет
evinrude

Время выполнения запроса 2.0001409053802 сек.


 
 

данный сайт носит информационный характер и не является публичной офертой

склад запчастей для водомоторной техники