вконтакте

Контактный телефон: +7 (981) 121-46-93, +7 (800) 200-90-76 , Email: parts-katalog@yandex.ru, где купить

 
 

  Логин:

Пароль:

Регистрация

www.partskatalog.ru Все каталоги Запчасти Mercury Запчасти Suzuki Запчасти Tohatsu Запчасти Honda Контакты


Все разделы каталога запчастей на этот двигатель

назад Раздел:   вперёд

вернуться к списку узлов и деталей

ДЕТАЛИРОВКА ДЛЯ МОДЕЛИ: EVINRUDE VE140TXESE 1990

IGNITION SYSTEM & ДВИГАТЕЛЬ СТАРТЕРА | IGNITION SYSTEM & STARTER MOTOR;


Мотор EVINRUDE VE140TXESE 1990  - nition System & Двигатель стартера / nition System & Starter Motor

Номер на
рисунке
АртикулНаименованиеКол-во
на складе
Цена
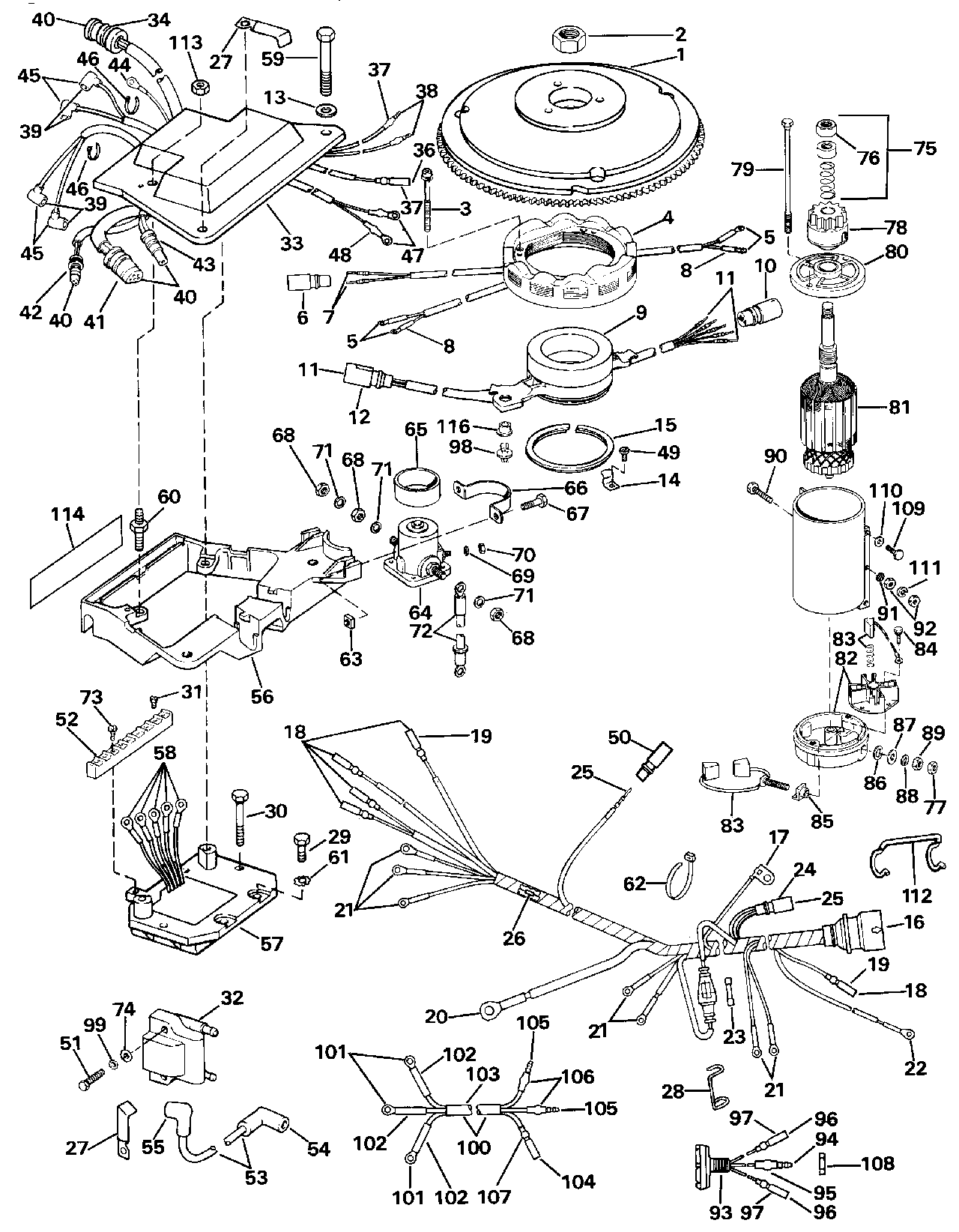
1 0583428

Маховик в сборе. (FLYWHEEL ASSY.)

нет в наличии, поставок нет
1 0583371

   (последний код) FLYWHL&RING

нет в наличии, поставок нет
2 0333263

Гайка, Маховик (NUT, Flywheel)

нет в наличии, поставок нет
3 0325042

Винт, Статор Креплениеing (SCREW, Stator mounting)

нет в наличии, поставок нет
3 0317599

   (последний код) SCREW

нет в наличии, поставок нет
4 0583410

Статор в сборе., 3 / 9 amp (STATOR ASSY., 3/9 amp)

нет в наличии, поставок нет
5 0511829

Кольцо Клемма (RING TERMINAL)

нет в наличии, поставок нет
5 3852233

   (последний код) TERMINAL,RIN

нет в наличии, поставок нет
6 0512746

Коннектор (CONNECTOR)

нет в наличии, поставок нет
7 0511469

Штифт (PIN)

нет в наличии, поставок нет
7 3852229

   (последний код) TERMINAL,PIN

нет в наличии, поставок нет
8 0510781

Гильза (SLEEVE)

нет в наличии, поставок нет
9 0583508

TIMER Основание & Датчик в сборе. (TIMER BASE & SENSOR ASSY.)

нет в наличии, поставок нет
9 0763782

   (последний код) TIMER BASE AY

нет в наличии, поставок нет
10 0512754

Коннектор (CONNECTOR)

нет в наличии, поставок нет
11 0511469

Штифт (PIN)

нет в наличии, поставок нет
11 3852229

   (последний код) TERMINAL,PIN

нет в наличии, поставок нет
12 0512750

Коннектор (CONNECTOR)

нет в наличии, поставок нет
12 3852242

   (последний код) CONN,4-PIN-R

нет в наличии, поставок нет
13 0328703

Шайба, Power pack (WASHER, Power pack)

нет в наличии, поставок нет
13 3852184

   (последний код) WASHER

нет в наличии, поставок нет
14 0326439

Струбцина, Timer Основание (CLAMP, Timer base)

нет в наличии, поставок нет
14 0316014

   (последний код) CLAMP-RETAIN

нет в наличии, поставок нет
15 0313666

Фиксатор, Timer Основание (RETAINER, Timer base)

нет в наличии, поставок нет
16 0583284

Двигатель Кабели в сборе. (ENGINE CABLE ASSY.)

нет в наличии, поставок нет
17 0512131

Клемма (TERMINAL)

нет в наличии, поставок нет
18 0512876

Клемма, Внешняя розетка (TERMINAL, Receptacle)

нет в наличии, поставок нет
18 3852244

   (последний код) TERMINAL,SOC

нет в наличии, поставок нет
19 0513186

Гильза (SLEEVE)

нет в наличии, поставок нет
19 3852248

   (последний код) SLEEVE,SKT-B

нет в наличии, поставок нет
20 0204053

Кольцо Клемма (RING TERMINAL)

нет в наличии, поставок нет
20 3852037

   (последний код) TERMINAL,RIN

нет в наличии, поставок нет
21 0511829

Кольцо Клемма (RING TERMINAL)

нет в наличии, поставок нет
21 3852233

   (последний код) TERMINAL,RIN

нет в наличии, поставок нет
22 0510780

Кольцо Клемма (RING TERMINAL)

нет в наличии, поставок нет
22 3852226

   (последний код) TERMINAL,RIN

нет в наличии, поставок нет
23 0510884

Предохранитель, 20 amp (FUSE, 20 amp)

нет в наличии, поставок нет
23 0510384

   (последний код) FUSE

нет в наличии, поставок нет
24 0512748

Коннектор (CONNECTOR)

нет в наличии, поставок нет
24 3852240

   (последний код) CONN,3-PIN-R

нет в наличии, поставок нет
25 0511469

Штифт (PIN)

нет в наличии, поставок нет
25 3852229

   (последний код) TERMINAL,PIN

нет в наличии, поставок нет
26 0583898

DIODE KIT (DIODE KIT)

нет в наличии, поставок нет
26 3852258

   (последний код) KIT-AY,DIODE

нет в наличии, поставок нет
27 0316487

Фиксатор, Свеча зажигания leads (RETAINER, Spark plug leads)

нет в наличии, поставок нет
28 0321077

Фиксатор, Предохранитель Держатель (RETAINER, Fuse holder)

нет в наличии, поставок нет
29 0304027

Винт, Регулятор, short (SCREW, Regulator, short)

нет в наличии, поставок нет
29 0330154

   (последний код) SCREW

нет в наличии, поставок нет
30 0124341

Винт, Регулятор, long (SCREW, Regulator, long)

нет в наличии, поставок нет
30 0338305

   (последний код) SCREW

нет в наличии, поставок нет
31 0329275

Винт, Клемма block (SCREW, Terminal block)

нет в наличии, поставок нет
31 3946004

   (последний код) VALVE STD

нет в наличии, поставок нет
32 0582508

Катушка в сборе. (COIL ASSY.)

нет в наличии, поставок нет
33 0584041

POWER PACK (POWER PACK)

нет в наличии, поставок нет
33 0583489

   (последний код) POWERPACK AY

нет в наличии, поставок нет
34 0512749

Коннектор (CONNECTOR)

нет в наличии, поставок нет
34 3852241

   (последний код) CONN,4-SKT-P

нет в наличии, поставок нет
35 0513186

Гильза (SLEEVE)

нет в наличии, поставок нет
35 3852248

   (последний код) SLEEVE,SKT-B

нет в наличии, поставок нет
36 0512876

SOCKET, Клемма (SOCKET, Terminal)

нет в наличии, поставок нет
36 3852244

   (последний код) TERMINAL,SOC

нет в наличии, поставок нет
37 0513185

Гильза (SLEEVE)

нет в наличии, поставок нет
37 0512948

   (последний код) SLEEVE

нет в наличии, поставок нет
38 0512947

Клемма, Bullet (TERMINAL, Bullet)

нет в наличии, поставок нет
38 0910462

   (последний код) TERM.-60766-

нет в наличии, поставок нет
39 0512256

Штифт Внешняя розетка (PIN RECEPTACLE)

нет в наличии, поставок нет
40 0581656

SOCKET (SOCKET)

нет в наличии, поставок нет
40 3852257

   (последний код) TERMINAL AY,SCKT

нет в наличии, поставок нет
41 0512753

Коннектор, Timer Основание (CONNECTOR, Timer base)

нет в наличии, поставок нет
41 3852243

   (последний код) CONN,5-SKT-P

нет в наличии, поставок нет
42 0512745

Коннектор, зарядная катушка (CONNECTOR, Charge coil)

нет в наличии, поставок нет
43 0513356

Заглушка, Ignition Переключатель (PLUG, Ignition switch)

нет в наличии, поставок нет
44 0510818

Клемма, Заземление (TERMINAL, Ground)

нет в наличии, поставок нет
44 3854243

   (последний код) TERMINAL,RIN

нет в наличии, поставок нет
45 0512478

Крышка (COVER)

нет в наличии, поставок нет
46 0317893

Крепёжный хомут (TIE STRAP)

нет в наличии, поставок нет
46 3852149

   (последний код) TIE-STRAP

нет в наличии, поставок нет
47 0511829

Клемма (TERMINAL)

нет в наличии, поставок нет
47 3852233

   (последний код) TERMINAL,RIN

нет в наличии, поставок нет
48 0510781

Гильза (SLEEVE)

нет в наличии, поставок нет
49 0328714

Винт, Фиксатор Струбцина (SCREW, Retainer clamp)

нет в наличии, поставок нет
49 0204027

   (последний код) SCREW

нет в наличии, поставок нет
50 0513357

Внешняя розетка (RECEPTACLE)

нет в наличии, поставок нет
50 3854845

   (последний код) CONNECTOR 513357

нет в наличии, поставок нет
51 0331025

Винт, Coil Креплениеing (SCREW, Coil mounting)

нет в наличии, поставок нет
51 0308751

   (последний код) SCREW

нет в наличии, поставок нет
52 0512656

Клемма BLOCK (TERMINAL BLOCK)

нет в наличии, поставок нет
53 0582365

LEAD в сборе., Катушка зажигания (LEAD ASSY., Ignition coil)

нет в наличии, поставок нет
53 0582135

   (последний код) LEAD

нет в наличии, поставок нет
54 0581027

Клемма & Крышка (TERMINAL & COVER)

нет в наличии, поставок нет
55 0580339

Клемма & Крышка (TERMINAL & COVER)

нет в наличии, поставок нет
55 0510232

   (последний код) COVER

нет в наличии, поставок нет
56 0583997

Электрика Кронштейн в сборе. (ELECTRICAL BRACKET ASSY.)

нет в наличии, поставок нет
56 0583418

   (последний код) ELECT.BRACKE

нет в наличии, поставок нет
57 0584205

Выпрямитель & Регулятор в сборе. (RECTIFIER & REGULATOR ASSY.)

нет в наличии, поставок нет
57 0585192

   (последний код) RECT/RGLTR AY,3/10

нет в наличии, поставок нет
58 0511829

Кольцо Клемма (RING TERMINAL)

нет в наличии, поставок нет
58 3852233

   (последний код) TERMINAL,RIN

нет в наличии, поставок нет
59 0124341

Винт, Кронштейн, stbd. (SCREW, Bracket, stbd.)

нет в наличии, поставок нет
59 0338305

   (последний код) SCREW

нет в наличии, поставок нет
59 0331980

Винт, Кронштейн, port (SCREW, Bracket, port)

нет в наличии, поставок нет
60 0334109

Шпилька, Крышка Креплениеing (STUD, Cover mounting)

нет в наличии, поставок нет
61 0328701

LOCKШайба, Заземление (LOCKWASHER, Ground)

нет в наличии, поставок нет
61 3852182

   (последний код) WASHER,LOCK

нет в наличии, поставок нет
62 0320107

TIE, Хомут (TIE, Strap)

нет в наличии, поставок нет
62 5035626

   (последний код) BAND,REM CON

нет в наличии, поставок нет
63 0203688

Гайка, Solenoid (NUT, Solenoid)

нет в наличии, поставок нет
63 0328710

   (последний код) NUT-SCREW-ID

нет в наличии, поставок нет
64 0395419

Соленоид стартера в сборе. (STARTER SOLENOID ASSY.)

нет в наличии, поставок нет
64 0586180

   (последний код) SOLENOID AY,START

нет в наличии, поставок нет
65 0311217

Гильза, Solenoid (SLEEVE, Solenoid)

нет в наличии, поставок нет
66 0330112

Струбцина, Solenoid Креплениеing (CLAMP, Solenoid mounting)

нет в наличии, поставок нет
66 0311218

   (последний код) CLAMP

нет в наличии, поставок нет
67 0302325

Винт, Solenoid Креплениеing (SCREW, Solenoid mounting)

нет в наличии, поставок нет
68 0311349

Гайка, Клемма (NUT, Terminal)

нет в наличии, поставок нет
69 0304454

LOCKШайба, Клемма (LOCKWASHER, Terminal)

нет в наличии, поставок нет
70 0306556

Гайка, Клемма (NUT, Terminal)

нет в наличии, поставок нет
70 3852064

   (последний код) NUT

нет в наличии, поставок нет
71 0306470

LOCKШайба, Клемма (LOCKWASHER, Terminal)

нет в наличии, поставок нет
71 3852061

   (последний код) LOCKWASHER

нет в наличии, поставок нет
71 0331259

LOCKШайба (LOCKWASHER)

нет в наличии, поставок нет
72 0394925

LEAD, Стартер to solenoid (LEAD, Starter to solenoid)

нет в наличии, поставок нет
72 0383591

   (последний код) LEAD-AY

нет в наличии, поставок нет
73 0306644

Винт, Block to Кронштейн (SCREW, Block to bracket)

нет в наличии, поставок нет
73 0328730

   (последний код) SCREW

нет в наличии, поставок нет
74 0328703

Шайба, Катушка зажигания Креплениеing (WASHER, Ignition coil mounting)

нет в наличии, поставок нет
74 3852184

   (последний код) WASHER

нет в наличии, поставок нет
0393570 0393570

Двигатель стартера в сборе.. Not Shown (STARTER MOTOR ASSY.. Not Shown)

нет в наличии, поставок нет
0393570 0778994

   (последний код) MOTOR AY, ST

нет в наличии, поставок нет
75 0393354

Гайка пружины & Проставка KIT (NUT, SPRING & SPACER KIT)

нет в наличии, поставок нет
75 0316742

   (последний код) SPRING

нет в наличии, поставок нет
76 0316740

Гайка, Drive в сборе. (NUT, Drive assy.)

нет в наличии, поставок нет
76 0393354

   (последний код) NUT,SPRING,SPACER

нет в наличии, поставок нет
77 0313022

LOCKГайка, Input Шпилька. (LOCKNUT, Input stud.)

нет в наличии, поставок нет
77 3852118

   (последний код) NUT,LOCK

нет в наличии, поставок нет
78 0385949

DRIVE в сборе. (DRIVE ASSY.)

нет в наличии, поставок нет
79 0393440

THRU BLOT PKG. (THRU BLOT PKG.)

нет в наличии, поставок нет
79 0393439

   (последний код) THRU-BOLT-&

нет в наличии, поставок нет
80 0386639

Колпачок в сборе (CAP ASSY.)

нет в наличии, поставок нет
80 0384780

   (последний код) CAP ASSY DRIVE

нет в наличии, поставок нет
81 0318584

Якорь (ARMATURE)

нет в наличии, поставок нет
82 0328381

END Колпачок в сборе (END CAP ASSY.)

нет в наличии, поставок нет
82 0385844

   (последний код) CAP ASSY

нет в наличии, поставок нет
83 0385952

Щётка и Пружина SET (BRUSH AND SPRING SET)

нет в наличии, поставок нет
83 0387681

   (последний код) BRUSH & SCREW

нет в наличии, поставок нет
84 0316746

Болт и LOCKШайба (BOLT AND LOCKWASHER)

нет в наличии, поставок нет
85 0316743

Втулка, Insulation (BUSHING, Insulation)

нет в наличии, поставок нет
86 0316748

Шайба, Insulation (WASHER, Insulation)

нет в наличии, поставок нет
87 0316749

Плоская шайба (WASHER, Plain)

нет в наличии, поставок нет
88 0316744

LOCKШайба (LOCKWASHER)

нет в наличии, поставок нет
88 0306396

   (последний код) LOCKWASHER

нет в наличии, поставок нет
89 0304753

Гайка, Input Шпилька. (NUT, Input stud.)

нет в наличии, поставок нет
89 0328741

   (последний код) NUT

нет в наличии, поставок нет
90 0329240

Винт, Заземление (SCREW, Ground)

нет в наличии, поставок нет
90 0314451

   (последний код) SCREW

нет в наличии, поставок нет
91 0328701

LOCKШайба (LOCKWASHER)

нет в наличии, поставок нет
91 3852182

   (последний код) WASHER,LOCK

нет в наличии, поставок нет
92 0328740

Гайка (NUT)

нет в наличии, поставок нет
92 0306375

   (последний код) NUT

нет в наличии, поставок нет
93 0583803

Переключатель в сборе., Tilt (SWITCH ASSY., Tilt)

нет в наличии, поставок нет
93 0585146

   (последний код) SWITCH AY,T&T

нет в наличии, поставок нет
94 0512947

BULLET Клемма (BULLET TERMINAL)

нет в наличии, поставок нет
94 0910462

   (последний код) TERM.-60766-

нет в наличии, поставок нет
95 0513185

Гильза (SLEEVE)

нет в наличии, поставок нет
95 0512948

   (последний код) SLEEVE

нет в наличии, поставок нет
96 0512876

SOCKET Клемма (SOCKET TERMINAL)

нет в наличии, поставок нет
96 3852244

   (последний код) TERMINAL,SOC

нет в наличии, поставок нет
97 0513186

Гильза, Socket (SLEEVE, Socket)

нет в наличии, поставок нет
97 3852248

   (последний код) SLEEVE,SKT-B

нет в наличии, поставок нет
98 0330368

Стержень втулки (PIVOT BUSHING)

нет в наличии, поставок нет
99 0328701

LOCKШайба, Заземление (LOCKWASHER, Ground)

нет в наличии, поставок нет
99 3852182

   (последний код) WASHER,LOCK

нет в наличии, поставок нет
100 0583909

Кабели, Junction box to Переключатель (CABLE, Junction box to switch)

нет в наличии, поставок нет
101 0510780

Кольцо Клемма (RING TERMINAL)

нет в наличии, поставок нет
101 3852226

   (последний код) TERMINAL,RIN

нет в наличии, поставок нет
102 0510781

Гильза (SLEEVE)

нет в наличии, поставок нет
103 0511144

Трубопровод (TUBING)

нет в наличии, поставок нет
104 0512876

SOCKET (SOCKET)

нет в наличии, поставок нет
104 3852244

   (последний код) TERMINAL,SOC

нет в наличии, поставок нет
105 0512947

BULLET Клемма (BULLET TERMINAL)

нет в наличии, поставок нет
105 0910462

   (последний код) TERM.-60766-

нет в наличии, поставок нет
106 0513185

Гильза, Bullet (SLEEVE, Bullet)

нет в наличии, поставок нет
106 0512948

   (последний код) SLEEVE

нет в наличии, поставок нет
107 0513186

Гильза, Socket (SLEEVE, Socket)

нет в наличии, поставок нет
107 3852248

   (последний код) SLEEVE,SKT-B

нет в наличии, поставок нет
108 0334656

Гайка, Tilt Переключатель (NUT, Tilt switch)

нет в наличии, поставок нет
109 0302860

Винт, Str. mtg. (SCREW, Str. mtg.)

нет в наличии, поставок нет
110 0306470

LOCKШайба (LOCKWASHER)

нет в наличии, поставок нет
110 3852061

   (последний код) LOCKWASHER

нет в наличии, поставок нет
111 0302290

LOCKШайба (LOCKWASHER)

нет в наличии, поставок нет
111 0338307

   (последний код) WASHER,LOCK

нет в наличии, поставок нет
112 0315182

Струбцина (CLAMP)

нет в наличии, поставок нет
112 0315181

   (последний код) CLAMP

нет в наличии, поставок нет
113 0328740

Гайка, Power pack (NUT, Power pack)

нет в наличии, поставок нет
113 0306375

   (последний код) NUT

нет в наличии, поставок нет
114 0333845

Наклейка, Клемма block wiКольцо (DECAL, Terminal block wiring)

нет в наличии, поставок нет
116 0329168

SOCKET, Стержень втулки (SOCKET, Pivot bushing)

нет в наличии, поставок нет
evinrude

Время выполнения запроса 4.0241689682007 сек.


 
 

данный сайт носит информационный характер и не является публичной офертой

склад запчастей для водомоторной техники