вконтакте

Контактный телефон: +7 (981) 121-46-93, +7 (800) 200-90-76 , Email: parts-katalog@yandex.ru, где купить

 
 

  Логин:

Пароль:

Регистрация

www.partskatalog.ru Все каталоги Запчасти Mercury Запчасти Suzuki Запчасти Tohatsu Запчасти Honda Контакты



УВАЖАЕМЫЕ КЛИЕНТЫ!
C 19 ДЕКАБРЯ 2025 ПО 02 МАРТА 2026 ГОДА ОТДЕЛ ЗАПЧАСТЕЙ И СЕРВИС РАБОТАТЬ НЕ БУДУТ
ПРОДАЖА ЛОДОЧНЫХ МОТОРОВ В ШТАТНОМ РЕЖИМЕ
ОБ ИЗМЕНЕНИЯХ В ГРАФИКЕ РАБОТЫ ЧИТАЙТЕ НА САЙТА




Все разделы каталога запчастей на этот двигатель

назад Раздел:   вперёд

вернуться к списку узлов и деталей

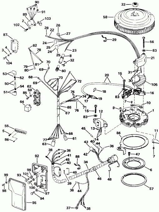
ДЕТАЛИРОВКА ДЛЯ МОДЕЛИ: EVINRUDE E50BEEIA 1991

IGNITION SYSTEM - ELECTRIC START TL MODELS | IGNITION SYSTEM - ELECTRIC START TL MODELS;


Лодочный мотор Evinrude E50BEEIA 1991  - Electric Start Tl Models - Electric Start Tl Models

Номер на
рисунке
АртикулНаименованиеКол-во
на складе
Цена
1 0583285

Пластина & Гильза в сборе. (PLATE & SLEEVE ASSY.)

нет в наличии, поставок нет
2 0303701

Шайба, Выпрямитель (WASHER, Rectifier)

нет в наличии, поставок нет
3 0328701

LOCKШайба, Coil (LOCKWASHER, Coil)

нет в наличии, поставок нет
3 3852182

   (последний код) WASHER,LOCK

нет в наличии, поставок нет
4 0328703

Шайба, Coil (WASHER, Coil)

нет в наличии, поставок нет
4 3852184

   (последний код) WASHER

нет в наличии, поставок нет
5 0309483

Винт, Клемма block (SCREW, Terminal block)

нет в наличии, поставок нет
6 0332063

SвышеPORT, Якорь Пластина (SUPPORT, Armature plate)

нет в наличии, поставок нет
6 0323398

   (последний код) SUPPORT-ARM

нет в наличии, поставок нет
7 0303212

Винт зажима & Крышка (SCREW, Clamp & cover)

нет в наличии, поставок нет
8 0513357

Коннектор (CONNECTOR)

нет в наличии, поставок нет
8 3854845

   (последний код) CONNECTOR 513357

нет в наличии, поставок нет
9 0511460

Винт, Фиксатор (SCREW, Retainer)

нет в наличии, поставок нет
10 0511458

Струбцина, Leads (CLAMP, Leads)

нет в наличии, поставок нет
11 0511459

Крышка, Leads (COVER, Leads)

нет в наличии, поставок нет
12 0584333

COIL & LAMINATION в сборе. (COIL & LAMINATION ASSY.)

нет в наличии, поставок нет
12 0583485

   (последний код) CHARGECOIL&LEAD

нет в наличии, поставок нет
13 0513654

Гильза (SLEEVE)

нет в наличии, поставок нет
14 0512876

SOCKET (SOCKET)

нет в наличии, поставок нет
14 3852244

   (последний код) TERMINAL,SOC

нет в наличии, поставок нет
15 0320504

Винт, Статор Креплениеing (SCREW, Stator mounting)

нет в наличии, поставок нет
16 0584341

Статор в сборе. (STATOR ASSY.)

нет в наличии, поставок нет
16 0583650

   (последний код) STATOR

нет в наличии, поставок нет
17 0512136

Трубопровод (TUBING)

нет в наличии, поставок нет
18 0318322

Крепёжный хомут (TIE STRAP)

нет в наличии, поставок нет
19 0511733

Клемма (TERMINAL)

нет в наличии, поставок нет
19 0510780

   (последний код) TERMINAL

нет в наличии, поставок нет
20 0511601

Трубопровод (TUBING)

нет в наличии, поставок нет
21 0584329

IGNITION MODULE (IGNITION MODULE)

нет в наличии, поставок нет
21 0584489

   (последний код) KIT AY,PP CD2USL61

1 шт17010 руб.
22 0513186

Гильза (SLEEVE)

нет в наличии, поставок нет
22 3852248

   (последний код) SLEEVE,SKT-B

нет в наличии, поставок нет
23 0511469

Штифт (PIN)

нет в наличии, поставок нет
23 3852229

   (последний код) TERMINAL,PIN

нет в наличии, поставок нет
24 0512478

Крышка (COVER)

нет в наличии, поставок нет
25 0512256

Штифт Внешняя розетка (PIN RECEPTACLE)

нет в наличии, поставок нет
26 0511829

Клемма, Кольцо (TERMINAL, Ring)

нет в наличии, поставок нет
26 3852233

   (последний код) TERMINAL,RIN

нет в наличии, поставок нет
27 0510781

Гильза (SLEEVE)

нет в наличии, поставок нет
28 0512876

Клемма, Socket (TERMINAL, Socket)

нет в наличии, поставок нет
28 3852244

   (последний код) TERMINAL,SOC

нет в наличии, поставок нет
29 0317893

Крепёжный хомут (TIE STRAP)

нет в наличии, поставок нет
29 3852149

   (последний код) TIE-STRAP

нет в наличии, поставок нет
30 0512947

Клемма, Bullet (TERMINAL, Bullet)

нет в наличии, поставок нет
30 0910462

   (последний код) TERM.-60766-

нет в наличии, поставок нет
31 0513185

Гильза (SLEEVE)

нет в наличии, поставок нет
31 0512948

   (последний код) SLEEVE

нет в наличии, поставок нет
32 0512741

Фиксатор (RETAINER)

нет в наличии, поставок нет
33 0326111

Гайка, Маховик (NUT, Flywheel)

нет в наличии, поставок нет
33 0308457

   (последний код) NUT CRKSHFT

нет в наличии, поставок нет
34 0584218

MOTOR Кабели в сборе. (MOTOR CABLE ASSY.)

нет в наличии, поставок нет
35 0204036

Кольцо Клемма (RING TERMINAL)

нет в наличии, поставок нет
35 3852035

   (последний код) TERMINAL,RIN

нет в наличии, поставок нет
36 0512876

SOCKET Клемма (SOCKET TERMINAL)

нет в наличии, поставок нет
36 3852244

   (последний код) TERMINAL,SOC

нет в наличии, поставок нет
37 0204053

Кольцо Клемма (RING TERMINAL)

нет в наличии, поставок нет
37 3852037

   (последний код) TERMINAL,RIN

нет в наличии, поставок нет
38 0510780

Кольцо Клемма (RING TERMINAL)

нет в наличии, поставок нет
38 3852226

   (последний код) TERMINAL,RIN

нет в наличии, поставок нет
39 0510884

Предохранитель, 20 amp (FUSE, 20 amp)

нет в наличии, поставок нет
39 0510384

   (последний код) FUSE

нет в наличии, поставок нет
40 0512947

Клемма, Bullet (TERMINAL, Bullet)

нет в наличии, поставок нет
40 0910462

   (последний код) TERM.-60766-

нет в наличии, поставок нет
41 0581656

SOCKET (SOCKET)

нет в наличии, поставок нет
41 3852257

   (последний код) TERMINAL AY,SCKT

нет в наличии, поставок нет
42 0512750

Коннектор (CONNECTOR)

нет в наличии, поставок нет
42 3852242

   (последний код) CONN,4-PIN-R

нет в наличии, поставок нет
43 0511469

Штифт (PIN)

нет в наличии, поставок нет
43 3852229

   (последний код) TERMINAL,PIN

нет в наличии, поставок нет
44 0513186

INSULATING Гильза (INSULATING SLEEVE)

нет в наличии, поставок нет
44 3852248

   (последний код) SLEEVE,SKT-B

нет в наличии, поставок нет
45 0513185

Гильза (SLEEVE)

нет в наличии, поставок нет
45 0512948

   (последний код) SLEEVE

нет в наличии, поставок нет
46 0583898

DIODE (DIODE)

нет в наличии, поставок нет
46 3852258

   (последний код) KIT-AY,DIODE

нет в наличии, поставок нет
47 0326875

Винт, Sвышеport (SCREW, Support)

нет в наличии, поставок нет
47 0332070

   (последний код) SCREW

нет в наличии, поставок нет
48 0315182

Зажим кабеля (CLAMP, Cable)

нет в наличии, поставок нет
48 0315181

   (последний код) CLAMP

нет в наличии, поставок нет
49 0321077

Фиксатор (RETAINER)

нет в наличии, поставок нет
50 0582365

LEAD в сборе., Свеча зажигания (LEAD ASSY., Spark plug)

нет в наличии, поставок нет
50 0582135

   (последний код) LEAD

нет в наличии, поставок нет
51 0581027

Свеча зажигания Клемма (SPARK PLUG TERMINAL)

нет в наличии, поставок нет
52 0510231

Клемма, Пружина (TERMINAL, Spring)

нет в наличии, поставок нет
53 0580339

Свеча зажигания Клемма (SPARK PLUG TERMINAL)

нет в наличии, поставок нет
53 0510232

   (последний код) COVER

нет в наличии, поставок нет
54 0510231

Клемма, Пружина (TERMINAL, Spring)

нет в наличии, поставок нет
55 0512762

Клемма BLOCK (TERMINAL BLOCK)

нет в наличии, поставок нет
56 0306259

Винт, Module (SCREW, Module)

нет в наличии, поставок нет
57 0322435

Подшипник, Sвышеport (BEARING, Support)

нет в наличии, поставок нет
57 0321085

   (последний код) BEARING

нет в наличии, поставок нет
58 0583696

Маховик в сборе. (FLYWHEEL ASSY.)

нет в наличии, поставок нет
58 0583911

   (последний код) FLYWHEEL AY

нет в наличии, поставок нет
59 0328739

Шайба. Trim Tilt Equipped Models Only (WASHER. Trim Tilt Equipped Models Only)

нет в наличии, поставок нет
59 3852190

   (последний код) WASHER

нет в наличии, поставок нет
60 0513356

Коннектор (CONNECTOR)

нет в наличии, поставок нет
0583694 0583694

Реле & Кабели AY.. Trim Tilt Equipped Models Only Not Shown (RELAY & CABLE AY.. Trim Tilt Equipped Models Only Not Shown)

нет в наличии, поставок нет
61 0325699

Коннектор, 2 Term (CONNECTOR, 2 Term)

нет в наличии, поставок нет
62 0334191

Кронштейн (BRACKET)

нет в наличии, поставок нет
62 3852210

   (последний код) BRACKET

нет в наличии, поставок нет
63 0512753

Коннектор, 5 Socket (CONNECTOR, 5 Socket)

нет в наличии, поставок нет
63 3852243

   (последний код) CONN,5-SKT-P

нет в наличии, поставок нет
64 0582472

Реле AY. (RELAY AY.)

нет в наличии, поставок нет
64 0586224

   (последний код) RELAY AY

1 шт2730 руб.
65 0583705

Кабели AY. (CABLE AY.)

нет в наличии, поставок нет
66 0511656

Клемма (TERMINAL)

нет в наличии, поставок нет
66 0309435

   (последний код) TERMINAL

нет в наличии, поставок нет
67 0320107

Крепёжный хомут (TIE STRAP)

нет в наличии, поставок нет
67 5035626

   (последний код) BAND,REM CON

нет в наличии, поставок нет
68 0510780

Клемма, Кольцо (TERMINAL, Ring)

нет в наличии, поставок нет
68 3852226

   (последний код) TERMINAL,RIN

нет в наличии, поставок нет
69 0510781

Гильза (SLEEVE)

нет в наличии, поставок нет
70 0512550

Клемма, Кольцо (TERMINAL, Ring)

нет в наличии, поставок нет
70 3852235

   (последний код) TERMINAL,RIN

нет в наличии, поставок нет
71 0512876

Клемма, Socket (TERMINAL, Socket)

нет в наличии, поставок нет
71 3852244

   (последний код) TERMINAL,SOC

нет в наличии, поставок нет
72 0513166

Клемма, Recp. (TERMINAL, Recp.)

нет в наличии, поставок нет
72 3852246

   (последний код) TERMINAL,RCP

нет в наличии, поставок нет
73 0513167

Клемма, Recp. (TERMINAL, Recp.)

нет в наличии, поставок нет
73 3852247

   (последний код) TERMINAL,RCP

нет в наличии, поставок нет
74 0512947

Клемма, Bullet (TERMINAL, Bullet)

нет в наличии, поставок нет
74 0910462

   (последний код) TERM.-60766-

нет в наличии, поставок нет
75 0513185

Гильза (SLEEVE)

нет в наличии, поставок нет
75 0512948

   (последний код) SLEEVE

нет в наличии, поставок нет
76 0513186

Гильза (SLEEVE)

нет в наличии, поставок нет
76 3852248

   (последний код) SLEEVE,SKT-B

нет в наличии, поставок нет
77 0581656

Клемма, Socket (TERMINAL, Socket)

нет в наличии, поставок нет
77 3852257

   (последний код) TERMINAL AY,SCKT

нет в наличии, поставок нет
78 0583706

LEAD AY. (LEAD AY.)

нет в наличии, поставок нет
79 0510781

Гильза (SLEEVE)

нет в наличии, поставок нет
80 0512062

Клемма, Кольцо (TERMINAL, Ring)

нет в наличии, поставок нет
81 0513166

Клемма, Recp (TERMINAL, Recp)

нет в наличии, поставок нет
81 3852246

   (последний код) TERMINAL,RCP

нет в наличии, поставок нет
82 0513167

Клемма, Recp. (TERMINAL, Recp.)

нет в наличии, поставок нет
82 3852247

   (последний код) TERMINAL,RCP

нет в наличии, поставок нет
83 0303952

Шайба, Coil & module (WASHER, Coil & module)

нет в наличии, поставок нет
84 0332790

Фиксатор, Sвышеport (RETAINER, Support)

нет в наличии, поставок нет
85 0324064

Винт, Кронштейн. Trim Tilt Equipped Models Only (SCREW, Bracket. Trim Tilt Equipped Models Only)

нет в наличии, поставок нет
86 0329182

Винт, Клемма block (SCREW, Terminal block)

нет в наличии, поставок нет
86 0327785

   (последний код) SCREW

нет в наличии, поставок нет
87 0583740

Катушка в сборе., Dual (COIL ASSY., Dual)

нет в наличии, поставок нет
87 0583298

   (последний код) IGNITION COIL

нет в наличии, поставок нет
88 0320107

Крепёжный хомут (TIE STRAP)

нет в наличии, поставок нет
88 5035626

   (последний код) BAND,REM CON

нет в наличии, поставок нет
89 0581778

Выпрямитель & LEAD (RECTIFIER & LEAD)

нет в наличии, поставок нет
89 0582304

   (последний код) RECTIFIER

нет в наличии, поставок нет
90 0510780

Кольцо Клемма (RING TERMINAL)

нет в наличии, поставок нет
90 3852226

   (последний код) TERMINAL,RIN

нет в наличии, поставок нет
91 0510781

Гильза (SLEEVE)

нет в наличии, поставок нет
92 0334189

Кронштейн, Электрика (BRACKET, Electrical)

нет в наличии, поставок нет
93 0335021

Винт, Кронштейн to block (SCREW, Bracket to block)

нет в наличии, поставок нет
93 0330930

   (последний код) SCREW

нет в наличии, поставок нет
94 0335020

Винт, Кронштейн to block (SCREW, Bracket to block)

нет в наличии, поставок нет
94 0318139

   (последний код) SCREW

нет в наличии, поставок нет
95 0333757

Крышка, Кронштейн (COVER, Bracket)

нет в наличии, поставок нет
96 0307161

Шайба (WASHER)

нет в наличии, поставок нет
97 0328701

Шайба (WASHER)

нет в наличии, поставок нет
97 3852182

   (последний код) WASHER,LOCK

нет в наличии, поставок нет
98 0306643

Винт, Крышка to brkt. (SCREW, Cover to brkt.)

нет в наличии, поставок нет
98 3852066

   (последний код) SCREW

нет в наличии, поставок нет
99 0328735

Шайба, Винт, Крышка (WASHER, Screw, cover)

нет в наличии, поставок нет
99 3852188

   (последний код) WASHER

нет в наличии, поставок нет
100 0309483

Винт, Module lead. Trim Tilt Equipped Models Only (SCREW, Module lead. Trim Tilt Equipped Models Only)

нет в наличии, поставок нет
100 0309483

Винт, Заземление lead. Trim Tilt Equipped Models Only (SCREW, Ground lead. Trim Tilt Equipped Models Only)

нет в наличии, поставок нет
101 0303701

Шайба (WASHER)

нет в наличии, поставок нет
102 0306644

Винт, Выпрямитель Креплениеing (SCREW, Rectifier mounting)

нет в наличии, поставок нет
102 0328730

   (последний код) SCREW

нет в наличии, поставок нет
103 0310442

Струбцина, Leads (CLAMP, Leads)

нет в наличии, поставок нет
104 0302325

Винт, Coil Креплениеing (SCREW, Coil mounting)

нет в наличии, поставок нет
105 0513870

PAD, Ignition module (PAD, Ignition module)

нет в наличии, поставок нет
evinrude

Время выполнения запроса 4.1342389583588 сек.


 
 

данный сайт носит информационный характер и не является публичной офертой

склад запчастей для водомоторной техники