вконтакте

Контактный телефон: +7 (981) 121-46-93, +7 (800) 200-90-76 , Email: parts-katalog@yandex.ru, где купить

 
 

  Логин:

Пароль:

Регистрация

www.partskatalog.ru Все каталоги Запчасти Mercury Запчасти Suzuki Запчасти Tohatsu Запчасти Honda Контакты


Все разделы каталога запчастей на этот двигатель

назад Раздел:   вперёд

вернуться к списку узлов и деталей

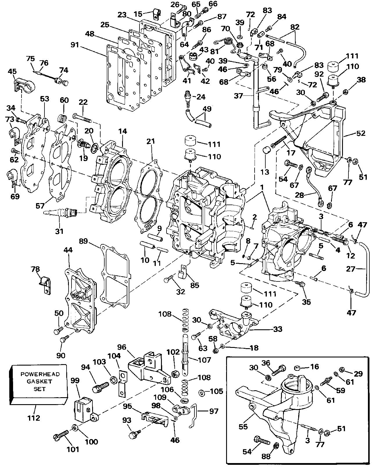
ДЕТАЛИРОВКА ДЛЯ МОДЕЛИ: EVINRUDE TE115TLEIE 1991

МЕХАНИЗИРОВАННЫЙ ДИФФЕРЕНТ НАКЛОНА ЭЛЕКТРИКА | POWER TRIM/TILT ELECTRICAL;


Мотор EVINRUDE TE115TLEIE 1991  - wer Trim/tilt Electrical

Номер на
рисунке
АртикулНаименованиеКол-во
на складе
Цена
1 0310981

Винт зажима (SCREW, Clamp)

нет в наличии, поставок нет
2 0583653

TRIM GAUGE в сборе.. Use 174679 для domestic Сервис or 174490 для International Сервис. (TRIM GAUGE ASSY.. Use 174679 for domestic service or 174490 for International service.)

нет в наличии, поставок нет
2 0583206

   (последний код) TILT&TRIM GAUGE

нет в наличии, поставок нет
3 0125432

Лампочка (BULB)

нет в наличии, поставок нет
4 0122553

SOCKET (SOCKET)

нет в наличии, поставок нет
5 0583255

LEAD в сборе. (LEAD ASSY.)

нет в наличии, поставок нет
6 0310523

Клемма (TERMINAL)

нет в наличии, поставок нет
6 0310680

   (последний код) TERMINAL

нет в наличии, поставок нет
7 0310572

Корпус (HOUSING)

нет в наличии, поставок нет
8 0510780

Кольцо Клемма (RING TERMINAL)

нет в наличии, поставок нет
8 3852226

   (последний код) TERMINAL,RIN

нет в наличии, поставок нет
9 0125409

Кронштейн (BRACKET)

нет в наличии, поставок нет
10 0125410

Гайка (NUT)

нет в наличии, поставок нет
11 0125411

Шайба (WASHER)

нет в наличии, поставок нет
13 0583205

Кабели в сборе., Переключатель & gauge (CABLE ASSY., Switch & gauge)

нет в наличии, поставок нет
14 0512904

Клемма (TERMINAL)

нет в наличии, поставок нет
15 0309474

Коннектор (CONNECTOR)

нет в наличии, поставок нет
16 0309433

Клемма (TERMINAL)

нет в наличии, поставок нет
17 0512754

Коннектор, 5 Штифт (CONNECTOR, 5 pin)

нет в наличии, поставок нет
18 0310572

Коннектор (CONNECTOR)

нет в наличии, поставок нет
19 0511469

Штифт (PIN)

нет в наличии, поставок нет
19 3852229

   (последний код) TERMINAL,PIN

нет в наличии, поставок нет
20 0511829

Кольцо Клемма (RING TERMINAL)

нет в наличии, поставок нет
20 3852233

   (последний код) TERMINAL,RIN

нет в наличии, поставок нет
21 0317000

Зажим кабеля в сборе. (CLAMP, Cable assy.)

нет в наличии, поставок нет
21 0318190

   (последний код) CLAMP

нет в наличии, поставок нет
22 0582093

LEAD в сборе. (LEAD ASSY.)

нет в наличии, поставок нет
22 0582092

   (последний код) LEAD

нет в наличии, поставок нет
23 0511465

Коннектор (CONNECTOR)

нет в наличии, поставок нет
24 0511496

Заглушка Коннектор (PLUG CONNECTOR)

нет в наличии, поставок нет
24 3852230

   (последний код) PLUG,CONN SEAL

нет в наличии, поставок нет
25 0510151

Клемма (TERMINAL)

нет в наличии, поставок нет
26 0511469

Штифт (PIN)

нет в наличии, поставок нет
26 3852229

   (последний код) TERMINAL,PIN

нет в наличии, поставок нет
27 0510781

Гильза (SLEEVE)

нет в наличии, поставок нет
0584181 0584181

JUNCTION BOX & Крышка в сборе. Not Shown (JUNCTION BOX & COVER ASSY.. Not Shown)

нет в наличии, поставок нет
28 0512776

Основание, Junction box (BASE, Junction box)

нет в наличии, поставок нет
28 0512400

   (последний код) BASE-JUNCTIO

нет в наличии, поставок нет
29 0583010

Кабели в сборе., Motor & Релеs (CABLE ASSY., Motor & relays)

нет в наличии, поставок нет
30 0510780

Клемма (TERMINAL)

нет в наличии, поставок нет
30 3852226

   (последний код) TERMINAL,RIN

нет в наличии, поставок нет
31 0512062

Клемма (TERMINAL)

нет в наличии, поставок нет
32 0510781

Гильза (SLEEVE)

нет в наличии, поставок нет
33 0513666

Клемма (TERMINAL)

нет в наличии, поставок нет
33 3852252

   (последний код) TERMINAL,BLA

нет в наличии, поставок нет
34 0584361

Коннектор в сборе., голубой leads (CONNECTOR ASSY., Blue leads)

нет в наличии, поставок нет
34 0584362

Коннектор в сборе., зелёный leads (CONNECTOR ASSY., Green leads)

нет в наличии, поставок нет
35 0510780

Клемма (TERMINAL)

нет в наличии, поставок нет
35 3852226

   (последний код) TERMINAL,RIN

нет в наличии, поставок нет
36 0513166

Клемма (TERMINAL)

нет в наличии, поставок нет
36 3852246

   (последний код) TERMINAL,RCP

нет в наличии, поставок нет
37 0511866

Коннектор (CONNECTOR)

нет в наличии, поставок нет
38 0512062

Кольцо Клемма (RING TERMINAL)

нет в наличии, поставок нет
39 0582671

LEAD в сборе., Junction box Заземление (LEAD ASSY., Junction box ground)

нет в наличии, поставок нет
40 0512062

Кольцо Клемма (RING TERMINAL)

нет в наличии, поставок нет
41 0510818

Клемма (TERMINAL)

нет в наличии, поставок нет
41 3854243

   (последний код) TERMINAL,RIN

нет в наличии, поставок нет
42 0583158

Коннектор & LEAD в сборе. (CONNECTOR & LEAD ASSY.)

нет в наличии, поставок нет
43 0512753

Коннектор (CONNECTOR)

нет в наличии, поставок нет
43 3852243

   (последний код) CONN,5-SKT-P

нет в наличии, поставок нет
44 0510780

Кольцо Клемма (RING TERMINAL)

нет в наличии, поставок нет
44 3852226

   (последний код) TERMINAL,RIN

нет в наличии, поставок нет
45 0581656

SOCKET (SOCKET)

нет в наличии, поставок нет
45 3852257

   (последний код) TERMINAL AY,SCKT

нет в наличии, поставок нет
46 0510781

Гильза (SLEEVE)

нет в наличии, поставок нет
47 0583707

Крышка в сборе (COVER ASSY.)

нет в наличии, поставок нет
47 0583090

   (последний код) COVER&DECAL AY

нет в наличии, поставок нет
48 0315004

JUMPER, Клемма block (JUMPER, Terminal block)

нет в наличии, поставок нет
49 0315057

Крепление, Junction box (MOUNT, Junction box)

нет в наличии, поставок нет
51 0513663

Коннектор, Motor leads (CONNECTOR, Motor leads)

нет в наличии, поставок нет
51 3852249

   (последний код) CONN,2-CONT

нет в наличии, поставок нет
52 0329182

Винт, Клемма block (SCREW, Terminal block)

нет в наличии, поставок нет
52 0327785

   (последний код) SCREW

нет в наличии, поставок нет
53 0583105

Кабели в сборе., Sending unit (CABLE ASSY., Sending unit)

нет в наличии, поставок нет
53 0582948

   (последний код) CABLE ASSY

нет в наличии, поставок нет
54 0581656

SOCKET (SOCKET)

нет в наличии, поставок нет
54 3852257

   (последний код) TERMINAL AY,SCKT

нет в наличии, поставок нет
55 0510780

Клемма (TERMINAL)

нет в наличии, поставок нет
55 3852226

   (последний код) TERMINAL,RIN

нет в наличии, поставок нет
56 0512745

Коннектор, 2 Штифт (CONNECTOR, 2 pin)

нет в наличии, поставок нет
57 0583909

Кабели, Junction box to Переключатель (CABLE, Junction box to switch)

нет в наличии, поставок нет
58 0510780

Кольцо Клемма (RING TERMINAL)

нет в наличии, поставок нет
58 3852226

   (последний код) TERMINAL,RIN

нет в наличии, поставок нет
59 0510781

Гильза (SLEEVE)

нет в наличии, поставок нет
60 0511144

Трубопровод (TUBING)

нет в наличии, поставок нет
61 0512876

SOCKET (SOCKET)

нет в наличии, поставок нет
61 3852244

   (последний код) TERMINAL,SOC

нет в наличии, поставок нет
62 0512947

BULLET Клемма (BULLET TERMINAL)

нет в наличии, поставок нет
62 0910462

   (последний код) TERM.-60766-

нет в наличии, поставок нет
63 0513185

Гильза, Bullet (SLEEVE, Bullet)

нет в наличии, поставок нет
63 0512948

   (последний код) SLEEVE

нет в наличии, поставок нет
64 0513186

Гильза, Socket (SLEEVE, Socket)

нет в наличии, поставок нет
64 3852248

   (последний код) SLEEVE,SKT-B

нет в наличии, поставок нет
65 0582472

Реле (RELAY)

нет в наличии, поставок нет
65 0586224

   (последний код) RELAY AY

1 шт2730 руб.
66 0584303

Кабели AY., Переключатель ограничителя налона (CABLE AY., Tilt limit switch)

нет в наличии, поставок нет
67 0510780

Клемма (TERMINAL)

нет в наличии, поставок нет
67 3852226

   (последний код) TERMINAL,RIN

нет в наличии, поставок нет
68 0510781

Гильза (SLEEVE)

нет в наличии, поставок нет
69 0512876

Клемма, Socket (TERMINAL, Socket)

нет в наличии, поставок нет
69 3852244

   (последний код) TERMINAL,SOC

нет в наличии, поставок нет
70 0512947

Клемма, Bullet (TERMINAL, Bullet)

нет в наличии, поставок нет
70 0910462

   (последний код) TERM.-60766-

нет в наличии, поставок нет
71 0513166

Клемма (TERMINAL)

нет в наличии, поставок нет
71 3852246

   (последний код) TERMINAL,RCP

нет в наличии, поставок нет
72 0513185

Гильза, Bullet (SLEEVE, Bullet)

нет в наличии, поставок нет
72 0512948

   (последний код) SLEEVE

нет в наличии, поставок нет
73 0513186

Гильза, Socket (SLEEVE, Socket)

нет в наличии, поставок нет
73 3852248

   (последний код) SLEEVE,SKT-B

нет в наличии, поставок нет
74 0513665

Сальник, Коннектор (SEAL, Connector)

нет в наличии, поставок нет
74 3852251

   (последний код) PLUG,CONN SEAL

нет в наличии, поставок нет
75 0512259

Гильза, Motor & sending leads (SLEEVE, Motor & sending leads)

нет в наличии, поставок нет
76 0328726

Винт, Junction box Крепление. (SCREW, Junction box mount.)

нет в наличии, поставок нет
76 0323796

   (последний код) SCREW

нет в наличии, поставок нет
77 0512741

Фиксатор, Датчик трима (RETAINER, Trim sender)

нет в наличии, поставок нет
78 0331984

Гильза, Монтажная резинка (SLEEVE, Rubber mount)

нет в наличии, поставок нет
78 0330111

   (последний код) SPACER

нет в наличии, поставок нет
79 0329182

Винт, Крышка (SCREW, Cover)

нет в наличии, поставок нет
79 0327785

   (последний код) SCREW

нет в наличии, поставок нет
80 0328703

Шайба (WASHER)

нет в наличии, поставок нет
80 3852184

   (последний код) WASHER

нет в наличии, поставок нет
81 0512743

Фиксатор, Коннектор (RETAINER, Connector)

нет в наличии, поставок нет
81 3852238

   (последний код) RETAINER,CON

нет в наличии, поставок нет
82 0320107

Струбцина Хомут, Кабели (CLAMP STRAP, Cable)

нет в наличии, поставок нет
82 5035626

   (последний код) BAND,REM CON

нет в наличии, поставок нет
83 0328701

Шайба, Заземление (WASHER, Ground)

нет в наличии, поставок нет
83 3852182

   (последний код) WASHER,LOCK

нет в наличии, поставок нет
84 0583803

TILT Переключатель, Крышка двигателя (капот) (TILT SWITCH, Engine cover)

нет в наличии, поставок нет
84 0585146

   (последний код) SWITCH AY,T&T

нет в наличии, поставок нет
85 0512947

BULLET Клемма (BULLET TERMINAL)

нет в наличии, поставок нет
85 0910462

   (последний код) TERM.-60766-

нет в наличии, поставок нет
86 0513185

Гильза (SLEEVE)

нет в наличии, поставок нет
86 0512948

   (последний код) SLEEVE

нет в наличии, поставок нет
87 0512876

SOCKET Клемма (SOCKET TERMINAL)

нет в наличии, поставок нет
87 3852244

   (последний код) TERMINAL,SOC

нет в наличии, поставок нет
88 0513186

Гильза, Socket (SLEEVE, Socket)

нет в наличии, поставок нет
88 3852248

   (последний код) SLEEVE,SKT-B

нет в наличии, поставок нет
89 0334656

Гайка, Tilt Переключатель (NUT, Tilt switch)

нет в наличии, поставок нет
evinrude

Время выполнения запроса 4.1402659416199 сек.


 
 

данный сайт носит информационный характер и не является публичной офертой

склад запчастей для водомоторной техники