вконтакте

Контактный телефон: +7 (981) 121-46-93, +7 (800) 200-90-76 , Email: parts-katalog@yandex.ru, где купить

 
 

  Логин:

Пароль:

Регистрация

www.partskatalog.ru Все каталоги Запчасти Mercury Запчасти Suzuki Запчасти Tohatsu Запчасти Honda Контакты


Все разделы каталога запчастей на этот двигатель

назад Раздел:   вперёд

вернуться к списку узлов и деталей

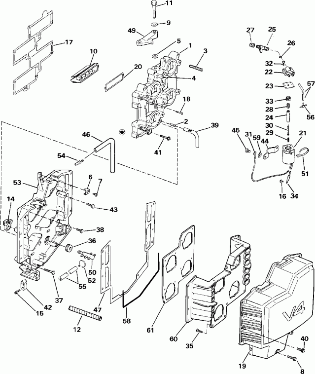
ДЕТАЛИРОВКА ДЛЯ МОДЕЛИ: EVINRUDE E120TXEIE 1991

ВПУСКНОЙ КОЛЛЕКТОР | INTAKE MANIFOLD;


Подвесной двигатель Эвинруд E120TXEIE 1991  - take Manifold

Номер на
рисунке
АртикулНаименованиеКол-во
на складе
Цена
1 0394322

Впускной коллектор в сборе.. 120 Model Only (INTAKE MANIFOLD ASSY.. 120 Model Only)

нет в наличии, поставок нет
1 0397497

Впускной коллектор в сборе.. 140 Models Only (INTAKE MANIFOLD ASSY.. 140 Models Only)

нет в наличии, поставок нет
1 0397706

   (последний код) INTAKE-MANIF

нет в наличии, поставок нет
2 0325659

FITTING, Drain (FITTING, Drain)

нет в наличии, поставок нет
3 0310872

Шпилька (STUD)

нет в наличии, поставок нет
4 0328789

FITTING, Primer (FITTING, Primer)

нет в наличии, поставок нет
5 0320744

Шайба, Шпилька. (WASHER, Stud.)

нет в наличии, поставок нет
5 0306124

   (последний код) WASHER

нет в наличии, поставок нет
6 0331153

TIMING POINTER, Коллектор (TIMING POINTER, Manifold)

нет в наличии, поставок нет
7 0328696

Винт, Timing pointer (SCREW, Timing pointer)

нет в наличии, поставок нет
8 0331102

Винт, Крышка to Основание, long (SCREW, Cover to base, long)

нет в наличии, поставок нет
8 0329625

   (последний код) WING-SCREW

нет в наличии, поставок нет
9 0303913

Шайба, Кулачок дросселя (WASHER, Throttle cam)

нет в наличии, поставок нет
10 0396201

REED BOX в сборе.. 120 Model Only (REED BOX ASSY.. 120 Model Only)

нет в наличии, поставок нет
10 0396072

   (последний код) REED BOX

нет в наличии, поставок нет
10 0397336

REED BOX в сборе.. 140 Models Only (REED BOX ASSY.. 140 Models Only)

нет в наличии, поставок нет
10 0439042

   (последний код) BOX AY,REED

нет в наличии, поставок нет
11 0332353

Винт дросселя cam (SCREW, Throttle cam)

нет в наличии, поставок нет
11 0347338

   (последний код) SCREW,SHOULDER

нет в наличии, поставок нет
12 0331058

SPIRAL Трубка. (SPIRAL TUBE.)

нет в наличии, поставок нет
14 0322654

Струбцина, Шланг Фиксатор (CLAMP, Hose retainer)

нет в наличии, поставок нет
14 3852172

   (последний код) CLAMP,SNAP

нет в наличии, поставок нет
15 0328725

Винт, Trunnion Крышка (SCREW, Trunnion cover)

нет в наличии, поставок нет
15 3852187

   (последний код) SCREW

нет в наличии, поставок нет
16 0329182

Винт, Клемма to solenoid (SCREW, Terminal to solenoid)

нет в наличии, поставок нет
16 0327785

   (последний код) SCREW

нет в наличии, поставок нет
17 0328622

Прокладка коллектора to Картер двигателя (GASKET, Manifold to crankcase)

нет в наличии, поставок нет
18 0321707

Винт, Reed box. 120 Model Only (SCREW, Reed box. 120 Model Only)

нет в наличии, поставок нет
18 0332265

Винт, Reed box. 140 Models Only (SCREW, Reed box. 140 Models Only)

нет в наличии, поставок нет
19 0333267

Крышка, Air Глушитель (COVER, Air silencer)

нет в наличии, поставок нет
19 0436279

   (последний код) COVER&PLUG AY

нет в наличии, поставок нет
20 0328626

Прокладка, Leaf Пластина. 120 Model Only (GASKET, Leaf plate. 120 Model Only)

нет в наличии, поставок нет
20 0332266

Прокладка, Leaf Пластина. 140 Models Only (GASKET, Leaf plate. 140 Models Only)

нет в наличии, поставок нет
21 0434326

Соленоид, в сборе., Primer (SOLENOID ASSY., Primer)

нет в наличии, поставок нет
21 5007356

   (последний код) KIT AY,PRMR SOL

нет в наличии, поставок нет
22 0511807

Крышка, Primer solenoid (COVER, Primer solenoid)

нет в наличии, поставок нет
22 0437228

   (последний код) COVER&GASKET AY

нет в наличии, поставок нет
23 0333448

Прокладка, Solenoid (GASKET, Solenoid)

нет в наличии, поставок нет
23 0511810

   (последний код) VALVE-SEAT

нет в наличии, поставок нет
24 0511809

Плунжер (PLUNGER)

нет в наличии, поставок нет
25 0175158

Ручной клапан (MANUAL VALVE)

нет в наличии, поставок нет
26 0331365

Уплотнительное кольцо (O-RING)

нет в наличии, поставок нет
26 0326721

   (последний код) O-RING

нет в наличии, поставок нет
27 0126341

Клапан Колпачок (VALVE CAP)

нет в наличии, поставок нет
28 0511986

Пружина клапана (SPRING, Valve)

нет в наличии, поставок нет
29 0511987

Пружина, Плунжер (SPRING, Plunger)

нет в наличии, поставок нет
30 0333447

Клапан, Плунжер (VALVE, Plunger)

нет в наличии, поставок нет
30 0511988

   (последний код) VALVE

нет в наличии, поставок нет
31 0510818

Клемма (TERMINAL)

нет в наличии, поставок нет
31 3854243

   (последний код) TERMINAL,RIN

нет в наличии, поставок нет
32 0330121

Винт, Крышка to Корпус (SCREW, Cover to housing)

нет в наличии, поставок нет
32 0326186

   (последний код) SCREW

нет в наличии, поставок нет
33 0332365

Фильтр, Клапан Корпус (FILTER, Valve housing)

нет в наличии, поставок нет
33 0511811

   (последний код) FILTER

нет в наличии, поставок нет
34 0510780

Клемма (TERMINAL)

нет в наличии, поставок нет
34 3852226

   (последний код) TERMINAL,RIN

нет в наличии, поставок нет
35 0330838

Винт, Baffle (SCREW, Baffle)

нет в наличии, поставок нет
35 0329268

   (последний код) SCREW

нет в наличии, поставок нет
36 0329518

Пыльник, Основание to Шланг (GROMMET, Base to hose)

нет в наличии, поставок нет
36 3852195

   (последний код) GROMMET

нет в наличии, поставок нет
37 0314610

Воздушный винт Глушитель Основание, long (SCREW, Air silencer base, long)

нет в наличии, поставок нет
38 0328694

Воздушный винт Глушитель Основание, верхний (SCREW, Air silencer base, upper)

нет в наличии, поставок нет
38 0911122

   (последний код) SCREW

нет в наличии, поставок нет
39 0329695

Шланг, Air Глушитель drain (HOSE, Air silencer drain)

нет в наличии, поставок нет
40 0909533

Винт, Крышка to Основание. (SCREW, Cover to base.)

нет в наличии, поставок нет
40 0324429

   (последний код) SCREW,IMP HSG

нет в наличии, поставок нет
41 0307471

Винт, Коллектор, 120 (SCREW, Manifold, 120)

нет в наличии, поставок нет
41 0307471

Винт, Коллектор, short, 140. (SCREW, Manifold, short, 140.)

нет в наличии, поставок нет
41 0322906

Винт, Коллектор, long, 140 (SCREW, Manifold, long, 140)

нет в наличии, поставок нет
42 0329271

Крышка, Trunnion (COVER, Trunnion)

нет в наличии, поставок нет
43 0322831

Воздушный винт Глушитель Основание (SCREW, Air silencer base)

нет в наличии, поставок нет
44 0330118

Струбцина, Primer solenoid (CLAMP, Primer solenoid)

нет в наличии, поставок нет
45 0328724

Винт зажима (SCREW, Clamp)

нет в наличии, поставок нет
45 3852186

   (последний код) SCREW

нет в наличии, поставок нет
46 0

Шланг, Vent, 21 дюйм. сокращёная длина from 25 фут (7, 6m) Roll, 327229 (HOSE, Vent, 21 in.. Cut to Length from 25 ft. (7,6m) Roll, 327229)

нет в наличии, поставок нет
47 0331101

Прокладка крышки to Основание (GASKET, Cover to base)

нет в наличии, поставок нет
49 0333094

Кулачок дросселя (THROTTLE CAM)

нет в наличии, поставок нет
50 0394385

FUEL Коллектор (FUEL MANIFOLD)

нет в наличии, поставок нет
51 0317893

Крепёжный хомут, Primer solenoid (TIE STRAP, Primer solenoid)

нет в наличии, поставок нет
51 3852149

   (последний код) TIE-STRAP

нет в наличии, поставок нет
52 0320107

Крепёжный хомут (TIE STRAP)

нет в наличии, поставок нет
52 5035626

   (последний код) BAND,REM CON

нет в наличии, поставок нет
53 0432950

Основание, Air Глушитель (BASE, Air silencer)

нет в наличии, поставок нет
53 0334703

   (последний код) BASE-AIR-SIL

нет в наличии, поставок нет
54 0317121

FITTING, Vent (FITTING, Vent)

нет в наличии, поставок нет
55 0

Шланг, Коллектор to #1 carb., 7 1 / 2 дюйм. сокращёная длина From 25 фут (7, 6m) Roll, 327228 (HOSE, Manifold to #1 carb., 7 1/2 in.. Cut to Length From 25 ft. (7,6m) Roll, 327228)

нет в наличии, поставок нет
55 0

Шланг, Коллектор to #2 carb., 5 1 / 2 дюйм. сокращёная длина From 25 фут (7, 6m) Roll, 327228 (HOSE, Manifold to #2 carb., 5 1/2 in.. Cut to Length From 25 ft. (7,6m) Roll, 327228)

нет в наличии, поставок нет
55 0

Шланг, Коллектор to #3 Carb., #13 дюйм. сокращёная длина From 25 фут (7, 6m) Roll, 327228 (HOSE, Manifold to #3 Carb., #13 in.. Cut to Length From 25 ft. (7,6m) Roll, 327228)

нет в наличии, поставок нет
55 0

Шланг, Коллектор to #4 Carb., 4 дюйм сокращёная длина From 25 фут (7, 6m) Roll, 327228 (HOSE, Manifold to #4 Carb., 4 in. Cut to Length From 25 ft. (7,6m) Roll, 327228)

нет в наличии, поставок нет
55 0

Шланг, Коллектор to primer, 3 1 / 2 дюйм. сокращёная длина From 25 фут (7, 6m) Roll, 327228 (HOSE, Manifold to primer, 3 1/2 in.. Cut to Length From 25 ft. (7,6m) Roll, 327228)

нет в наличии, поставок нет
56 0325569

TEE, Primer Шланг. (TEE, Primer hose.)

нет в наличии, поставок нет
57 0

Шланг, Primer to верхний tee, 14 дюйм. сокращёная длина from 25 фут (7, 6m) Roll, 327229 (HOSE, Primer to upper tee, 14 in.. Cut to Length from 25 ft. (7,6m) Roll, 327229)

нет в наличии, поставок нет
57 0

Шланг, верхний tee to #1, 2 1 / 4 дюйм. сокращёная длина from 25 фут (7, 6m) Roll, 327229 (HOSE, Upper tee to #1, 2 1/4 in.. Cut to Length from 25 ft. (7,6m) Roll, 327229)

нет в наличии, поставок нет
57 0

Шланг, верхний tee to #2, 9 1 / 2 дюйм. сокращёная длина from 25 фут (7, 6m) Roll, 327229 (HOSE, Upper tee to #2, 9 1/2 in.. Cut to Length from 25 ft. (7,6m) Roll, 327229)

нет в наличии, поставок нет
57 0

Шланг, Primer to нижний tee, 9 1 / 2 дюйм. сокращёная длина from 25 фут (7, 6m) Roll, 327229 (HOSE, Primer to lower tee, 9 1/2 in.. Cut to Length from 25 ft. (7,6m) Roll, 327229)

нет в наличии, поставок нет
57 0

Шланг, нижний to tee to #3, 2 1 / 4 дюйм. сокращёная длина from 25 фут (7, 6m) Roll, 327229 (HOSE, Lower to tee to #3, 2 1/4 in.. Cut to Length from 25 ft. (7,6m) Roll, 327229)

нет в наличии, поставок нет
57 0

Шланг, нижний tee to #4, 6 дюйм. сокращёная длина from 25 фут (7, 6m) Roll, 327229 (HOSE, Lower tee to #4, 6 in.. Cut to Length from 25 ft. (7,6m) Roll, 327229)

нет в наличии, поставок нет
58 0

Сальник, Крышка to Основание. сокращёная длина From 309044 (SEAL, Cover to base. Cut to Length From 309044)

нет в наличии, поставок нет
59 0328701

LOCKШайба, Заземление (LOCKWASHER, Ground)

нет в наличии, поставок нет
59 3852182

   (последний код) WASHER,LOCK

нет в наличии, поставок нет
60 0331097

BAFFLE, Air Корпус глушителя (BAFFLE, Air silencer cover)

нет в наличии, поставок нет
60 0339109

   (последний код) BAFFLE

нет в наличии, поставок нет
61 0331098

Сальник, Baffle to carb. (SEAL, Baffle to carb.)

нет в наличии, поставок нет
evinrude

Время выполнения запроса 1.494658946991 сек.


 
 

данный сайт носит информационный характер и не является публичной офертой

склад запчастей для водомоторной техники