вконтакте

Контактный телефон: +7 (981) 121-46-93, +7 (800) 200-90-76 , Email: parts-katalog@yandex.ru, где купить

 
 

  Логин:

Пароль:

Регистрация

www.partskatalog.ru Все каталоги Запчасти Mercury Запчасти Suzuki Запчасти Tohatsu Запчасти Honda Контакты



УВАЖАЕМЫЕ КЛИЕНТЫ!
C 19 ДЕКАБРЯ 2025 ПО 02 МАРТА 2026 ГОДА ОТДЕЛ ЗАПЧАСТЕЙ И СЕРВИС РАБОТАТЬ НЕ БУДУТ
ПРОДАЖА ЛОДОЧНЫХ МОТОРОВ В ШТАТНОМ РЕЖИМЕ
ОБ ИЗМЕНЕНИЯХ В ГРАФИКЕ РАБОТЫ ЧИТАЙТЕ НА САЙТА




Все разделы каталога запчастей на этот двигатель

назад Раздел:   вперёд

вернуться к списку узлов и деталей

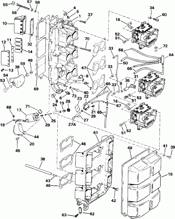
ДЕТАЛИРОВКА ДЛЯ МОДЕЛИ: EVINRUDE VE150TLEIE 1991

ВПУСКНОЙ КОЛЛЕКТОР | INTAKE MANIFOLD;


Лодочный мотор EVINRUDE VE150TLEIE 1991  - take Коллектор

Номер на
рисунке
АртикулНаименованиеКол-во
на складе
Цена
1 0396394

Впускной коллектор в сборе (INTAKE MANIFOLD ASSEMBLY)

нет в наличии, поставок нет
1 0394366

   (последний код) INTAKE-MANIF

нет в наличии, поставок нет
2 0325659

Ниппель (NIPPLE)

нет в наличии, поставок нет
4 0330115

TIMING POINTER, Коллектор (TIMING POINTER, Manifold)

нет в наличии, поставок нет
4 0318174

   (последний код) TIMING-PTR

нет в наличии, поставок нет
5 0329594

Винт, Timing pointer (SCREW, Timing pointer)

нет в наличии, поставок нет
6 0319253

LUBE FITTING (LUBE FITTING)

нет в наличии, поставок нет
6 0909517

   (последний код) LUBE-FITTING

нет в наличии, поставок нет
7 0392988

Обратный клапан & Фильтр (CHECK VALVE & FILTER)

нет в наличии, поставок нет
7 0390436

   (последний код) NIPPLE

нет в наличии, поставок нет
8 0331839

Втулка, Рычаг переключения (BUSHING, Shift lever)

нет в наличии, поставок нет
9 0324678

Стопорное кольцо (RETAINING RING)

нет в наличии, поставок нет
10 0389823

LEAF Пластина в сборе. (LEAF PLATE ASSY.)

нет в наличии, поставок нет
10 0394430

   (последний код) LEAF-PLATE-A

нет в наличии, поставок нет
11 0323412

Регулировочная шайба (SHIM)

нет в наличии, поставок нет
12 0323601

LEAF STOP (LEAF STOP)

нет в наличии, поставок нет
13 0327074

Винт (SCREW)

нет в наличии, поставок нет
13 0307129

   (последний код) SCREW

нет в наличии, поставок нет
14 0317739

LEAF Клапан (LEAF VALVE)

нет в наличии, поставок нет
14 0329777

   (последний код) LEAF-VALVE-&

нет в наличии, поставок нет
15 0320930

Крышка, Air Глушитель (COVER, Air silencer)

нет в наличии, поставок нет
15 0910827

   (последний код) COVER

нет в наличии, поставок нет
16 0320575

ADJ. Рычаг дросселя Соединитель (ADJ. LEVER, Throttle link)

нет в наличии, поставок нет
17 0434326

Соленоид, в сборе., Primer (SOLENOID ASSY., Primer)

нет в наличии, поставок нет
17 5007356

   (последний код) KIT AY,PRMR SOL

нет в наличии, поставок нет
18 0510780

Клемма (TERMINAL)

нет в наличии, поставок нет
18 3852226

   (последний код) TERMINAL,RIN

нет в наличии, поставок нет
19 0511986

Пружина клапана (SPRING, Valve)

нет в наличии, поставок нет
20 0510818

Клемма (TERMINAL)

нет в наличии, поставок нет
20 3854243

   (последний код) TERMINAL,RIN

нет в наличии, поставок нет
21 0330121

Винт, Крышка to Корпус (SCREW, Cover to housing)

нет в наличии, поставок нет
21 0326186

   (последний код) SCREW

нет в наличии, поставок нет
22 0511807

Крышка, Primer solenoid (COVER, Primer solenoid)

нет в наличии, поставок нет
22 0437228

   (последний код) COVER&GASKET AY

нет в наличии, поставок нет
23 0333448

Прокладка, Solenoid (GASKET, Solenoid)

нет в наличии, поставок нет
23 0511810

   (последний код) VALVE-SEAT

нет в наличии, поставок нет
24 0511809

Плунжер (PLUNGER)

нет в наличии, поставок нет
25 0333447

Клапан, Плунжер (VALVE, Plunger)

нет в наличии, поставок нет
25 0511988

   (последний код) VALVE

нет в наличии, поставок нет
26 0332365

Фильтр, Клапан Корпус (FILTER, Valve housing)

нет в наличии, поставок нет
26 0511811

   (последний код) FILTER

нет в наличии, поставок нет
27 0175158

Рычаг & Клапан AY. (LEVER & VALVE AY.)

нет в наличии, поставок нет
27A 0126341

Колпачок, Клапан (CAP, Valve)

нет в наличии, поставок нет
28 0331365

Уплотнительное кольцо, Ручной клапан (O-RING, Manual valve)

нет в наличии, поставок нет
28 0326721

   (последний код) O-RING

нет в наличии, поставок нет
29 0511987

Пружина, Плунжер (SPRING, Plunger)

нет в наличии, поставок нет
31 0432638

Рычаг & Штифт (LEVER & PIN)

нет в наличии, поставок нет
32 0321907

Прокладка, Leaf Пластина (GASKET, Leaf plate)

нет в наличии, поставок нет
32 0316653

   (последний код) GASKET

нет в наличии, поставок нет
33 0313329

Фиксатор, Карбюратор Соединитель (RETAINER, Carburetor link)

нет в наличии, поставок нет
34 0301551

LOCKШайба, Carb. to Коллектор (LOCKWASHER, Carb. to manifold)

нет в наличии, поставок нет
35 0432639

Ролик & Гильза, Cam folнижний (ROLLER & SLEEVE, Cam follower)

нет в наличии, поставок нет
36 0330665

Кулачок дросселя (THROTTLE CAM)

нет в наличии, поставок нет
36 0326170

   (последний код) CAM

нет в наличии, поставок нет
37 0133451

Винт, Leaf Пластина to Коллектор, short (SCREW, Leaf plate to manifold, short)

нет в наличии, поставок нет
38 0

Шланг, Air Глушитель, 6 1 / 2 дюйм (165 мм) Cut from P / N 203909 (HOSE, Air silencer, 6 1/2 in. (165mm). Cut from P/N 203909)

нет в наличии, поставок нет
39 0328744

Винт, Крышка to Основание (SCREW, Cover to base)

нет в наличии, поставок нет
39 0308741

   (последний код) SCREW

нет в наличии, поставок нет
40 0306418

Винт, Коллектор to Картер двигателя (SCREW, Manifold to crankcase)

нет в наличии, поставок нет
41 0328703

Шайба, Крышка to Основание (WASHER, Cover to base)

нет в наличии, поставок нет
41 3852184

   (последний код) WASHER

нет в наличии, поставок нет
42 0328695

Воздушный винт Глушитель Основание (SCREW, Air silencer base)

нет в наличии, поставок нет
42 0323480

   (последний код) SCREW

нет в наличии, поставок нет
43 0314513

Ниппель, Air Глушитель Основание (NIPPLE, Air silencer base)

нет в наличии, поставок нет
44 0330118

Струбцина, Primer solenoid (CLAMP, Primer solenoid)

нет в наличии, поставок нет
45 0329217

Винт зажима to primer solenoid (SCREW, Clamp to primer solenoid)

нет в наличии, поставок нет
45 0333707

   (последний код) SCREW

нет в наличии, поставок нет
46 0319771

Прокладка, Air Глушитель (GASKET, Air silencer)

нет в наличии, поставок нет
47 0327707

Прокладка, Carb. to Коллектор (GASKET, Carb. to manifold)

нет в наличии, поставок нет
47 0326118

   (последний код) GASKET

нет в наличии, поставок нет
48 0313079

Шайба, Cam to Коллектор (WASHER, Cam to manifold)

нет в наличии, поставок нет
49 0321183

Прокладка крышки (GASKET, Cover)

нет в наличии, поставок нет
50 0432272

Соединитель и Штифт, Рычаг дросселя (LINK AND PIN, Throttle arm)

нет в наличии, поставок нет
50 0394723

   (последний код) LINK&PIN AY

нет в наличии, поставок нет
51 0329594

Винт, Рычаг to carb (SCREW, Lever to carb)

нет в наличии, поставок нет
52 0328735

Шайба, Рычаг Винт (WASHER, Lever screw)

нет в наличии, поставок нет
52 3852188

   (последний код) WASHER

нет в наличии, поставок нет
53 0316037

Винт, Cam to Система впуска (SCREW, Cam to intake)

нет в наличии, поставок нет
53 0328721

   (последний код) SCREW

нет в наличии, поставок нет
54 0328733

Волнистая шайба, Cam to Система впуска (WAVE WASHER, Cam to intake)

нет в наличии, поставок нет
55 0314416

Бампер, Adj. Винт (BUMPER, Adj. screw)

нет в наличии, поставок нет
56 0328722

Винт, Spark adjustment (SCREW, Spark adjustment)

нет в наличии, поставок нет
57 0328741

Гайка, Винт, spark adjustment (NUT, Screw, spark adjustment)

нет в наличии, поставок нет
57 0304753

   (последний код) NUT

нет в наличии, поставок нет
58 0302290

LOCKШайба (LOCKWASHER)

нет в наличии, поставок нет
58 0338307

   (последний код) WASHER,LOCK

нет в наличии, поставок нет
59 0311015

Втулка, Кулачок дросселя (BUSHING, Throttle cam)

нет в наличии, поставок нет
59 3852094

   (последний код) BUSHING

нет в наличии, поставок нет
60 0203023

Винт, Carb to Коллектор (SCREW, Carb to manifold)

нет в наличии, поставок нет
61 0391254

Основание, Air Глушитель (BASE, Air silencer)

нет в наличии, поставок нет
61 0324406

   (последний код) BASE-AIR-SIL

нет в наличии, поставок нет
62 0325388

Фиксатор, Air Глушитель Основание (RETAINER, Air silencer base)

нет в наличии, поставок нет
63 0335200

Винт, Фиксатор to Глушитель (SCREW, Retainer to silencer)

нет в наличии, поставок нет
63 3852212

   (последний код) SCREW

нет в наличии, поставок нет
64 0336511

FITTING, Drain Шлангs (FITTING, Drain hoses)

нет в наличии, поставок нет
65 0

Шланг, Primer solenoid system. Use P / N 327229 сокращёная длина (HOSE, Primer solenoid system. Use P/N 327229 cut to length)

нет в наличии, поставок нет
66 0

Дренажный шланг system. Use P / N 327229 сокращёная длина (HOSE, Drain system. Use P/N 327229 cut to length)

нет в наличии, поставок нет
67 0325569

Коннектор, Primer Шланг (CONNECTOR, Primer hose)

нет в наличии, поставок нет
68 0329182

Винт, Клемма to primer solenoid (SCREW, Terminal to primer solenoid)

нет в наличии, поставок нет
68 0327785

   (последний код) SCREW

нет в наличии, поставок нет
69 0329718

Прокладка коллектора to Картер двигателя (GASKET, Manifold to crankcase)

нет в наличии, поставок нет
69 0321198

   (последний код) HH-GASKET

нет в наличии, поставок нет
70 0313217

Винт, Leaf Пластина to Коллектор, long (SCREW, Leaf plate to manifold, long)

нет в наличии, поставок нет
71 0317893

Струбцина Хомут, Primer solenoid (CLAMP STRAP, Primer solenoid)

нет в наличии, поставок нет
71 3852149

   (последний код) TIE-STRAP

нет в наличии, поставок нет
72 0336514

Зажим, Drain Шлангs (CLIP, Drain hoses)

нет в наличии, поставок нет
73 0328703

Шайба, Впускной коллектор, inner (WASHER, Intake manifold, inner)

нет в наличии, поставок нет
73 3852184

   (последний код) WASHER

нет в наличии, поставок нет
evinrude

Время выполнения запроса 3.9601380825043 сек.


 
 

данный сайт носит информационный характер и не является публичной офертой

склад запчастей для водомоторной техники