вконтакте

Контактный телефон: +7 (981) 121-46-93, +7 (800) 200-90-76 , Email: parts-katalog@yandex.ru, где купить

 
 

  Логин:

Пароль:

Регистрация

www.partskatalog.ru Все каталоги Запчасти Mercury Запчасти Suzuki Запчасти Tohatsu Запчасти Honda Контакты



УВАЖАЕМЫЕ КЛИЕНТЫ!
C 19 ДЕКАБРЯ 2025 ПО 02 МАРТА 2026 ГОДА ОТДЕЛ ЗАПЧАСТЕЙ И СЕРВИС РАБОТАТЬ НЕ БУДУТ
ПРОДАЖА ЛОДОЧНЫХ МОТОРОВ В ШТАТНОМ РЕЖИМЕ
ОБ ИЗМЕНЕНИЯХ В ГРАФИКЕ РАБОТЫ ЧИТАЙТЕ НА САЙТА




Все разделы каталога запчастей на этот двигатель

назад Раздел:  

вернуться к списку узлов и деталей

ДЕТАЛИРОВКА ДЛЯ МОДЕЛИ: EVINRUDE TE150GLEIS 1991

VRO МАСЛЯНЫЙ БАК KIT-1.8 ГАЛЛОН | VRO OIL TANK KIT-1.8 GALLON;


Подвесной мотор EVINRUDE TE150GLEIS 1991  - 8 галлон - .8 Gallon

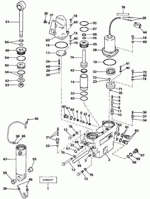
Номер на
рисунке
АртикулНаименованиеКол-во
на складе
Цена
0175000 0175000

Масляный бак KIT. Not Shown (OIL TANK KIT. Not Shown)

нет в наличии, поставок нет
0175000 0177284

   (последний код) KIT,1.8 GAL OIL TK

нет в наличии, поставок нет
1 0174164

Масляный бак ASSEMBLY (OIL TANK ASSEMBLY)

нет в наличии, поставок нет
1 0176712

   (последний код) 1,8 TANK ASSY

нет в наличии, поставок нет
2 0126110

Крышка, Масляный бак (COVER, Oil tank)

нет в наличии, поставок нет
2 0126822

   (последний код) COVER,1.8 GAL TANK

нет в наличии, поставок нет
3 0175002

Колпачок ASSEMBLY (CAP ASSEMBLY)

нет в наличии, поставок нет
3 0176217

   (последний код) CAP AY,OIL W/VALVE

нет в наличии, поставок нет
4 0123231

Прокладка крышки (GASKET, Cap)

нет в наличии, поставок нет
5 0175001

Тяга ASSEMBLY, Крышка to Кронштейн (ROD ASSEMBLY, Cover to bracket)

нет в наличии, поставок нет
6 0124292

КреплениеING Кронштейн (MOUNTING BRACKET)

нет в наличии, поставок нет
7 0124073

LAG Винт (LAG SCREW)

нет в наличии, поставок нет
8 0322654

Струбцина, Защелка (CLAMP, Snap)

нет в наличии, поставок нет
8 3852172

   (последний код) CLAMP,SNAP

нет в наличии, поставок нет
9 0124485

Винт, Pickвыше в сборе. to tank (SCREW, Pickup assy. to tank)

нет в наличии, поставок нет
9 0337362

   (последний код) SCREW,TAPTITE

нет в наличии, поставок нет
10 0175097

OIL PICKвыше ASSEMBLY (OIL PICKUP ASSEMBLY)

нет в наличии, поставок нет
10 0177285

   (последний код) KIT,PICK-UP 1.8GAL

нет в наличии, поставок нет
12 0174157

Топливная груша ASSEMBLY. Use 175985 when used with 1 / 4" braided Шланг Use 174511 when used with 1 / 4" vinyl Шланг (PRIMER BULB ASSEMBLY. Use 175985 when used with 1/4" braided hose Use 174511 when used with 1/4" vinyl hose)

нет в наличии, поставок нет
13 0303596

Струбцина, Ремешок, small (CLAMP, Band, small)

нет в наличии, поставок нет
14 0396461

Ниппель & Клапан в сборе., вход (NIPPLE & VALVE ASSY., Inlet)

нет в наличии, поставок нет
15 0553166

Струбцина, Ремешок, large (CLAMP, Band, large)

нет в наличии, поставок нет
16 0396462

Ниппель, & Клапан в сборе., выход (NIPPLE, & VALVE ASSY., Outlet)

нет в наличии, поставок нет
16 0383720

   (последний код) NIPPLE & VLVE

нет в наличии, поставок нет
17 0124471

Шланг, Long (HOSE, Long)

нет в наличии, поставок нет
17 0772564

   (последний код) 25 FUEL LINE 5/16

нет в наличии, поставок нет
18 0329661

Держатель, Заглушка (HOLDER, Plug)

нет в наличии, поставок нет
19 0513186

Гильза, Внешняя розетка (SLEEVE, Receptacle)

нет в наличии, поставок нет
19 3852248

   (последний код) SLEEVE,SKT-B

нет в наличии, поставок нет
20 0512876

Клемма, Socket (TERMINAL, Socket)

нет в наличии, поставок нет
20 3852244

   (последний код) TERMINAL,SOC

нет в наличии, поставок нет
21 0125294

Гильза, Bullet Клемма (SLEEVE, Bullet terminal)

нет в наличии, поставок нет
22 0125295

Клемма, Bullet (TERMINAL, Bullet)

нет в наличии, поставок нет
0512131 0512131

Клемма, Кольцо, large. Not Shown (TERMINAL, Ring, large. Not Shown)

нет в наличии, поставок нет
23 0322654

Струбцина, Защелка (CLAMP, Snap)

нет в наличии, поставок нет
23 3852172

   (последний код) CLAMP,SNAP

нет в наличии, поставок нет
24 0174377

Фильтр ASSEMBLY, Oil (FILTER ASSEMBLY, Oil)

нет в наличии, поставок нет
24 0124613

   (последний код) OIL-BAFFLE

нет в наличии, поставок нет
25 0123906

Прокладка, Pickвыше в сборе. to tank (GASKET, Pickup assy. to tank)

нет в наличии, поставок нет
evinrude

Время выполнения запроса 0.65880823135376 сек.


 
 

данный сайт носит информационный характер и не является публичной офертой

склад запчастей для водомоторной техники