вконтакте

Контактный телефон: +7 (981) 121-46-93, +7 (800) 200-90-76 , Email: parts-katalog@yandex.ru, где купить

 
 

  Логин:

Пароль:

Регистрация

www.partskatalog.ru Все каталоги Запчасти Mercury Запчасти Suzuki Запчасти Tohatsu Запчасти Honda Контакты



УВАЖАЕМЫЕ КЛИЕНТЫ!
C 19 ДЕКАБРЯ 2025 ПО 02 МАРТА 2026 ГОДА ОТДЕЛ ЗАПЧАСТЕЙ И СЕРВИС РАБОТАТЬ НЕ БУДУТ
ПРОДАЖА ЛОДОЧНЫХ МОТОРОВ В ШТАТНОМ РЕЖИМЕ
ОБ ИЗМЕНЕНИЯХ В ГРАФИКЕ РАБОТЫ ЧИТАЙТЕ НА САЙТА




Все разделы каталога запчастей на этот двигатель

назад Раздел:   вперёд

вернуться к списку узлов и деталей

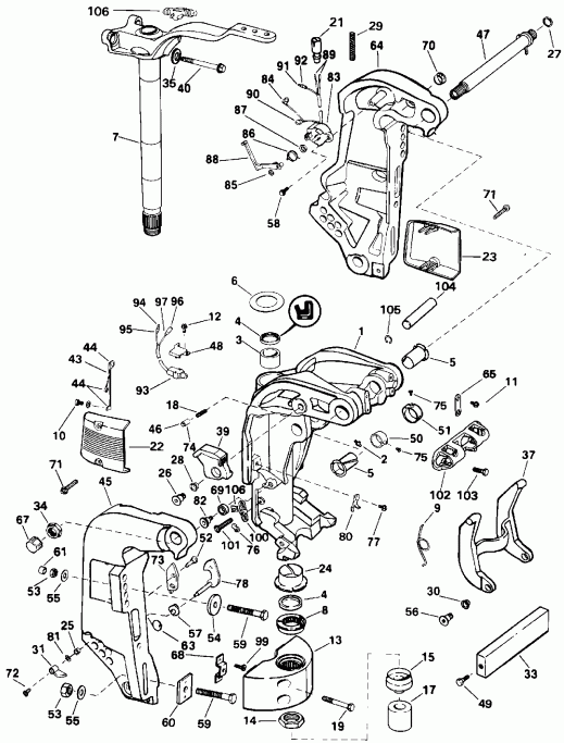
ДЕТАЛИРОВКА ДЛЯ МОДЕЛИ: EVINRUDE TE150GLEIS 1991

MIDSECTION | MIDSECTION;


Лодочный мотор EVINRUDE TE150GLEIS 1991  - dsection - dsection

Номер на
рисунке
АртикулНаименованиеКол-во
на складе
Цена
1 0434691

Поворотный кронштейн. 20 дюйм (508 мм) Transom Models (SWIVEL BRACKET. 20 in. (508mm) Transom Models)

нет в наличии, поставок нет
1 0435005

   (последний код) BRACKET AY,SWIVEL

нет в наличии, поставок нет
1 0434624

Поворотный кронштейн. 25 дюйм (635 мм) Transom Models (SWIVEL BRACKET. 25 in. (635mm) Transom Models)

нет в наличии, поставок нет
1 0434724

   (последний код) BRKT,SWIVEL 25"

нет в наличии, поставок нет
2 0313607

LUBRICATION FITTING (LUBRICATION FITTING)

нет в наличии, поставок нет
2 3852121

   (последний код) FITTING,LUB

нет в наличии, поставок нет
3 0320962

Втулка (BUSHING)

нет в наличии, поставок нет
4 0335686

Сальник (SEAL)

нет в наличии, поставок нет
5 0336755

Втулка, Поворотный кронштейн (BUSHING, Swivel bracket)

нет в наличии, поставок нет
5 0335464

   (последний код) BUSHING,TILT

нет в наличии, поставок нет
6 0320866

THRUST Опорная шайба Вал (THRUST WASHER, Pivot shaft)

нет в наличии, поставок нет
7 0433282

Рулевая система Рычаг в сборе.. 20 дюйм (508 мм) Transom Models (STEERING ARM ASSY.. 20 in. (508mm) Transom Models)

нет в наличии, поставок нет
7 0436982

   (последний код) ARM&SHAFT AY,STRG

нет в наличии, поставок нет
7 0433283

Рулевая система Рычаг в сборе.. 25 дюйм (635 мм) Transom Models (STEERING ARM ASSY.. 25 in. (635mm) Transom Models)

нет в наличии, поставок нет
7 0436983

   (последний код) ARM&SHAFT AY,STRG

нет в наличии, поставок нет
8 0327696

KEEPER, Стержень Вал (KEEPER, Pivot shaft)

нет в наличии, поставок нет
9 0336210

Пружина, Trail lock to brkt. (SPRING, Trail lock to brkt.)

нет в наличии, поставок нет
10 0328724

Винт, Заземление lead (SCREW, Ground lead)

нет в наличии, поставок нет
10 3852186

   (последний код) SCREW

нет в наличии, поставок нет
11 0328724

Винт, Фиксатор, tilt limit (SCREW, Retainer, tilt limit)

нет в наличии, поставок нет
11 3852186

   (последний код) SCREW

нет в наличии, поставок нет
12 0328724

Винт, Brkt. tilt limit (SCREW, Brkt. tilt limit)

нет в наличии, поставок нет
12 3852186

   (последний код) SCREW

нет в наличии, поставок нет
13 0336734

Монтажный кронштейн. 20 дюйм (508 мм) Transom Models (MOUNT BRACKET. 20 in. (508mm) Transom Models)

нет в наличии, поставок нет
13 0340006

   (последний код) BRACKET,MOUN

нет в наличии, поставок нет
13 0335506

Монтажный кронштейн. 25 дюйм (635 мм) Transom Models (MOUNT BRACKET. 25 in. (635mm) Transom Models)

нет в наличии, поставок нет
13 0338744

   (последний код) BRACKET,MOUNT

нет в наличии, поставок нет
14 0320746

Гайка, Монтажный кронштейн (NUT, Mount bracket)

нет в наличии, поставок нет
15 0912233

Фиксатор, Стержень Вал Сальник. 25 дюйм (635 мм) Transom Models (RETAINER, Pivot shaft seal. 25 in. (635mm) Transom Models)

нет в наличии, поставок нет
17 0911312

Сальник, Рулевая система Трубка. 25 дюйм (635 мм) Transom Models (SEAL, STEERING TUBE. 25 in. (635mm) Transom Models)

нет в наличии, поставок нет
18 0336230

Фиксатор пружины, tilt lock (SPRING, Detent, tilt lock)

нет в наличии, поставок нет
19 0334936

Винт, Крепление (SCREW, Mount)

нет в наличии, поставок нет
21 0512746

Коннектор, Sending unit (CONNECTOR, Sending unit)

нет в наличии, поставок нет
22 0335474

Крышка, Кронштейн транца, stbd. (COVER, Stern bracket, stbd.)

нет в наличии, поставок нет
23 0335475

Крышка, Кронштейн транца, port (COVER, Stern bracket, port)

нет в наличии, поставок нет
24 0336819

Втулка, нижний Стержень Вал (BUSHING, Lower pivot shaft)

нет в наличии, поставок нет
24 0335468

   (последний код) BUSHING,PIVO

нет в наличии, поставок нет
25 0319518

Втулка, Рычаг & Вал (BUSHING, Lever & shaft)

нет в наличии, поставок нет
25 0121507

   (последний код) BEARING

нет в наличии, поставок нет
26 0335481

Винт, Рычаг наклона to brkt. (SCREW, Tilt lever to brkt.)

нет в наличии, поставок нет
27 0335469

WIPER, Tilt Трубка (WIPER, Tilt tube)

нет в наличии, поставок нет
28 0335486

Втулка, Рычаг наклона (BUSHING, Tilt lever)

нет в наличии, поставок нет
29 0513817

Гильза, Lead (SLEEVE, Lead)

нет в наличии, поставок нет
30 0335701

Втулка, Trail Рычаг (BUSHING, Trail arm)

нет в наличии, поставок нет
31 0335645

HANDLE, Trail lock (HANDLE, Trail lock)

нет в наличии, поставок нет
32 0301551

Шайба, Заземление lead (WASHER, Ground lead)

нет в наличии, поставок нет
33 0433580

Анод, Кронштейн транца (ANODE, Stern bracket)

нет в наличии, поставок нет
33 5007089

   (последний код) ANODE AY

нет в наличии, поставок нет
34 0335554

Гайка, Tilt Трубка (NUT, Tilt tube)

нет в наличии, поставок нет
35 0336743

Шайба, Винт, верхний Крепление (WASHER, Screw, upper mount)

нет в наличии, поставок нет
35 0344277

   (последний код) SCREW

нет в наличии, поставок нет
36 0336853

Зажим, Винт, Фиксатор (CLIP, Screw, retainer)

нет в наличии, поставок нет
37 0335470

Рычаг, Trail lock (ARM, Trail lock)

нет в наличии, поставок нет
37 0341252

   (последний код) ARM,TRAIL LOCK

нет в наличии, поставок нет
39 0335485

Рычаг блокировки наклона (LEVER, Tilt lock)

нет в наличии, поставок нет
40 0327053

Винт, верхний Крепление (SCREW, Upper mount)

нет в наличии, поставок нет
43 0584136

LEAD в сборе., Заземление (LEAD ASSY., Ground)

нет в наличии, поставок нет
45 0335489

Кронштейн транца, Starboard (STERN BRACKET, Starboard)

нет в наличии, поставок нет
45 0351922

   (последний код) BRACKET,STERN-STBD

нет в наличии, поставок нет
46 0336209

Шарик, Detent, tilt lock (BALL, Detent, tilt lock)

нет в наличии, поставок нет
47 0433592

TILT Трубка AY. (TILT TUBE AY.)

нет в наличии, поставок нет
47 0435007

   (последний код) SST TUBE AY, TILT

нет в наличии, поставок нет
48 0336171

Кронштейн, Переключатель ограничителя налона (BRACKET, Tilt limit switch)

нет в наличии, поставок нет
49 0324816

Винт, Анод (SCREW, Anode)

нет в наличии, поставок нет
50 0336170

STOP, Cam, Переключатель ограничителя налона (STOP, Cam, tilt limit switch)

нет в наличии, поставок нет
51 0336169

CAM, Переключатель ограничителя налона (CAM, Tilt limit switch)

нет в наличии, поставок нет
52 0335408

Штифт, Latch detent (PIN, Latch detent)

нет в наличии, поставок нет
53 0313623

Гайка, Кронштейн транца Винт (NUT, Stern bracket screw)

нет в наличии, поставок нет
53 0321861

   (последний код) NUT

нет в наличии, поставок нет
54 0307238

Шайба (WASHER)

нет в наличии, поставок нет
55 0320248

Шайба, Гайка (WASHER, Nut)

нет в наличии, поставок нет
55 0312910

   (последний код) WASHER

нет в наличии, поставок нет
56 0335487

Винт, Trail Рычаг to brkt. (SCREW, Trail arm to brkt.)

нет в наличии, поставок нет
57 0336231

DETENT, Trail lock Рычаг (DETENT, Trail lock arm)

нет в наличии, поставок нет
58 0328744

Винт, Sending unit (SCREW, Sending unit)

нет в наличии, поставок нет
58 0308741

   (последний код) SCREW

нет в наличии, поставок нет
59 0327053

Винт, Brkt. to transom, 3" (76 мм) (SCREW, Brkt. to transom, 3" (76mm))

нет в наличии, поставок нет
59 0318573

Винт, Brkt. to transom, 3 1 / 2" (89 мм) (SCREW, Brkt. to transom, 3 1/2" (89mm))

нет в наличии, поставок нет
59 3852153

   (последний код) BOLT

нет в наличии, поставок нет
59 0313327

Винт, Brkt. to transom, 4" (102 мм) (SCREW, Brkt. to transom, 4" (102mm))

нет в наличии, поставок нет
59 0336676

   (последний код) 4 3/4" TRNSM BOLT

нет в наличии, поставок нет
59 0336676

Винт, Brkt. to transom, 4 1 / 2" (114 мм) (SCREW, Brkt. to transom, 4 1/2" (114mm))

нет в наличии, поставок нет
59 0336675

   (последний код) BOLT

нет в наличии, поставок нет
59 0331578

Винт, Brkt. to transom, 5" (127 мм) (SCREW, Brkt. to transom, 5" (127mm))

нет в наличии, поставок нет
59 0321577

Винт, Brkt. to transom, 6" (152 мм) (SCREW, Brkt. to transom, 6" (152mm))

нет в наличии, поставок нет
60 0318272

Пластина (PLATE)

нет в наличии, поставок нет
61 0318572

Колпачок (CAP)

нет в наличии, поставок нет
63 0335472

Пружина, Trail lock (SPRING, Trail lock)

нет в наличии, поставок нет
64 0335416

STERN BRKT., Port (STERN BRKT., Port)

нет в наличии, поставок нет
64 0351921

   (последний код) BRACKET,STERN-PORT

нет в наличии, поставок нет
65 0513787

Фиксатор, Limit Переключатель (RETAINER, Limit switch)

нет в наличии, поставок нет
67 0317894

Колпачок, Tilt Трубка (CAP, Tilt tube)

нет в наличии, поставок нет
67 3852150

   (последний код) CAP

нет в наличии, поставок нет
68 0318273

Фиксатор (RETAINER)

нет в наличии, поставок нет
69 0335949

THRUST Ролик (THRUST ROLLER)

нет в наличии, поставок нет
70 0336610

Втулка, Tilt & trim Кабели (BUSHING, Tilt & trim cable)

нет в наличии, поставок нет
70 0909988

   (последний код) GROMMET-FUSE

нет в наличии, поставок нет
71 0337580

Винт, Крышка to stern brkt. (SCREW, Cover to stern brkt.)

нет в наличии, поставок нет
71 0336390

   (последний код) SCREW

нет в наличии, поставок нет
72 0333750

Винт, Handle to Вал (SCREW, Handle to shaft)

нет в наличии, поставок нет
73 0336233

DETENT, Trail lock latch (DETENT, Trail lock latch)

нет в наличии, поставок нет
74 0334241

Направляющая, Шарик detent, tilt lock (GUIDE, Ball detent, tilt lock)

нет в наличии, поставок нет
75 0336507

Винт, Переключатель ограничителя налона (SCREW, Tilt limit switch)

нет в наличии, поставок нет
76 0335814

Фиксатор, Trail lock Пружина (RETAINER, Trail lock spring)

нет в наличии, поставок нет
76 0325525

   (последний код) RETAINER

нет в наличии, поставок нет
77 0336753

Винт, Фиксатор to brkt. (SCREW, Retainer to brkt.)

нет в наличии, поставок нет
77 0342191

   (последний код) SCREW,.25X20-.500

нет в наличии, поставок нет
78 0433461

Рычаг & Вал, Trail lock (LEVER & SHAFT, Trail lock)

нет в наличии, поставок нет
80 0336172

Фиксатор, Trail Рычаг (RETAINER, Trail arm)

нет в наличии, поставок нет
81 0310057

Шайба, Рычаг & Вал (WASHER, Lever & shaft)

нет в наличии, поставок нет
82 0335487

Винт, Thrust Ролик, swivel brkt. (SCREW, Thrust roller, swivel brkt.)

нет в наличии, поставок нет
83 0433462

SENDING UNIT в сборе. (SENDING UNIT ASSY.)

нет в наличии, поставок нет
84 0513871

Клемма, Кольцо (TERMINAL, Ring)

нет в наличии, поставок нет
84 0513711

   (последний код) TERMINAL,RIN

нет в наличии, поставок нет
85 0511527

Фиксатор (RETAINER)

нет в наличии, поставок нет
85 3852232

   (последний код) RETAINER

нет в наличии, поставок нет
86 0511528

Пружина (SPRING)

нет в наличии, поставок нет
87 0320689

Гайка (NUT)

нет в наличии, поставок нет
87 3852164

   (последний код) NUT

нет в наличии, поставок нет
88 0335708

Рычаг (ARM)

нет в наличии, поставок нет
88 0342386

   (последний код) ARM,T&T SENDER AY

нет в наличии, поставок нет
89 0511469

Штифт, Sending unit (PIN, Sending unit)

нет в наличии, поставок нет
89 3852229

   (последний код) TERMINAL,PIN

нет в наличии, поставок нет
90 0512131

Клемма, Кольцо (TERMINAL, RING)

нет в наличии, поставок нет
91 0512947

Клемма, Bullet (TERMINAL, Bullet)

нет в наличии, поставок нет
91 0910462

   (последний код) TERM.-60766-

нет в наличии, поставок нет
92 0513185

Гильза (SLEEVE)

нет в наличии, поставок нет
92 0512948

   (последний код) SLEEVE

нет в наличии, поставок нет
93 0584149

Переключатель AY., Tilt limit (SWITCH AY., Tilt limit)

нет в наличии, поставок нет
93 0585141

   (последний код) SWITCH AY,LIMIT

нет в наличии, поставок нет
94 0512947

Клемма, Bullet (TERMINAL, Bullet)

нет в наличии, поставок нет
94 0910462

   (последний код) TERM.-60766-

нет в наличии, поставок нет
95 0513185

Гильза (SLEEVE)

нет в наличии, поставок нет
95 0512948

   (последний код) SLEEVE

нет в наличии, поставок нет
96 0512876

Клемма, Bullet (TERMINAL, Bullet)

нет в наличии, поставок нет
96 3852244

   (последний код) TERMINAL,SOC

нет в наличии, поставок нет
97 0513186

Гильза (SLEEVE)

нет в наличии, поставок нет
97 3852248

   (последний код) SLEEVE,SKT-B

нет в наличии, поставок нет
99 0319886

Винт (SCREW)

нет в наличии, поставок нет
100 0336467

Фиксатор, Sвышеport (RETAINER, Support)

нет в наличии, поставок нет
101 0328724

Винт, Sвышеport (SCREW, Support)

нет в наличии, поставок нет
101 3852186

   (последний код) SCREW

нет в наличии, поставок нет
102 0126296

Кронштейн, Strng. Трубка (BRACKET, Strng. Tube)

нет в наличии, поставок нет
103 0328894

Винт, Кронштейн (SCREW, Bracket)

нет в наличии, поставок нет
104 0336525

TRIM Тяга (TRIM ROD)

нет в наличии, поставок нет
105 0336529

Стопорное кольцо, Trim Тяга (RETAINING RING, Trim rod)

нет в наличии, поставок нет
106 0123692

Коннектор, Speedo Шланг (CONNECTOR, Speedo hose)

нет в наличии, поставок нет
evinrude

Время выполнения запроса 1.4138698577881 сек.


 
 

данный сайт носит информационный характер и не является публичной офертой

склад запчастей для водомоторной техники