вконтакте

Контактный телефон: +7 (981) 121-46-93, +7 (800) 200-90-76 , Email: parts-katalog@yandex.ru, где купить

 
 

  Логин:

Пароль:

Регистрация

www.partskatalog.ru Все каталоги Запчасти Mercury Запчасти Suzuki Запчасти Tohatsu Запчасти Honda Контакты



УВАЖАЕМЫЕ КЛИЕНТЫ!
C 19 ДЕКАБРЯ 2025 ПО 02 МАРТА 2026 ГОДА ОТДЕЛ ЗАПЧАСТЕЙ И СЕРВИС РАБОТАТЬ НЕ БУДУТ
ПРОДАЖА ЛОДОЧНЫХ МОТОРОВ В ШТАТНОМ РЕЖИМЕ
ОБ ИЗМЕНЕНИЯХ В ГРАФИКЕ РАБОТЫ ЧИТАЙТЕ НА САЙТА




Все разделы каталога запчастей на этот двигатель

назад Раздел:   вперёд

вернуться к списку узлов и деталей

ДЕТАЛИРОВКА ДЛЯ МОДЕЛИ: EVINRUDE E150STLEIE 1991

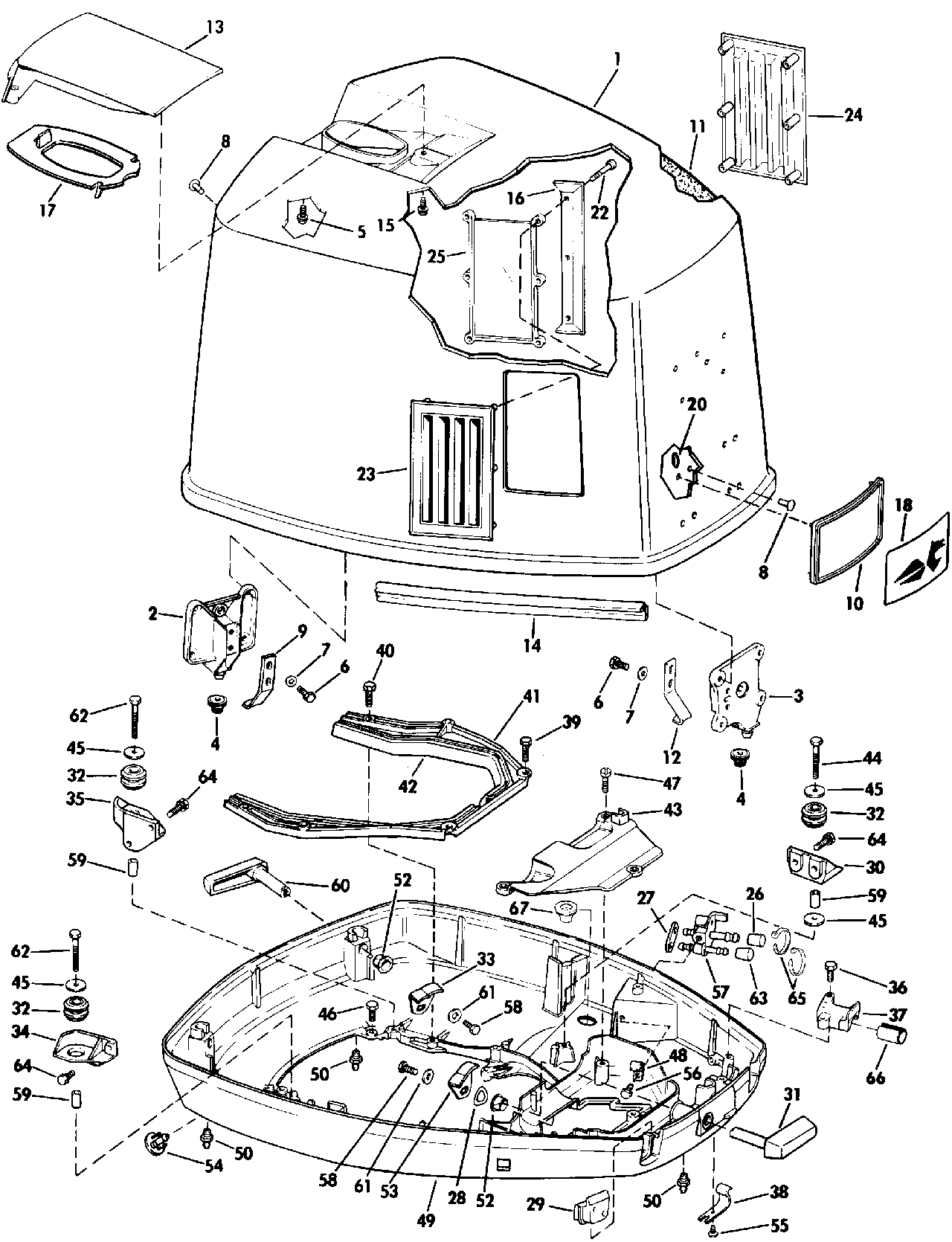
КРЫШКА ДВИГАТЕЛЯ (КАПОТ) - JOHNSON | ENGINE COVER - JOHNSON;


Подвесной двигатель Эвинруд E150STLEIE 1991  - Johnson / Johnson

Номер на
рисунке
АртикулНаименованиеКол-во
на складе
Цена
1 0433948

Крышка двигателя (капот) в сборе., J150STL, VJ150SL Models Only (ENGINE COVER ASSY.,. J150STL, VJ150SL Models Only)

нет в наличии, поставок нет
1 0433969

Крышка двигателя (капот) в сборе., TJ150SL Models Only (ENGINE COVER ASSY.,. TJ150SL Models Only)

нет в наличии, поставок нет
2 0394976

LOCATING Кронштейн, Rear (LOCATING BRACKET, Rear)

нет в наличии, поставок нет
2 0389972

   (последний код) BRKT & BUMPR AY

нет в наличии, поставок нет
3 0389971

LOCATING Кронштейн, Front (LOCATING BRACKET, Front)

нет в наличии, поставок нет
3 0207513

   (последний код) BRACKET

нет в наличии, поставок нет
4 0324898

Бампер, Locating Кронштейн (BUMPER, Locating bracket)

нет в наличии, поставок нет
5 0323228

Винт, Рукоятка наклона, rear (SCREW, Tilt handle, rear)

нет в наличии, поставок нет
6 0319137

Винт, Крючок (SCREW, Hook)

нет в наличии, поставок нет
7 0328703

Шайба, Крючок (WASHER, Hook)

нет в наличии, поставок нет
7 3852184

   (последний код) WASHER

нет в наличии, поставок нет
8 0326948

Заклёпка, Locating Кронштейн (RIVET, Locating bracket)

нет в наличии, поставок нет
8 0331881

   (последний код) RIVET

нет в наличии, поставок нет
9 0323176

Крючок, Rear Крышка (HOOK, Rear cover)

нет в наличии, поставок нет
9 0315191

   (последний код) HOOK

нет в наличии, поставок нет
10 0335036

APPLIQUE, Front. TJ150SL Models Only (APPLIQUE, Front. TJ150SL Models Only)

нет в наличии, поставок нет
11 0321256

SOUND BLANKET, Top (SOUND BLANKET, Top)

нет в наличии, поставок нет
12 0323175

Крючок капота двигателя, front (HOOK, Engine cover, front)

нет в наличии, поставок нет
12 0315199

   (последний код) HOOK

нет в наличии, поставок нет
13 0208208

Рукоятка наклона (TILT HANDLE)

нет в наличии, поставок нет
14 0328686

Резинка капота двигателя (SEAL, Engine cover)

нет в наличии, поставок нет
14 0326508

   (последний код) SEAL

нет в наличии, поставок нет
15 0323229

Винт, Рукоятка наклона, front (SCREW, Tilt handle, front)

нет в наличии, поставок нет
16 0329866

Кронштейн, Louver mtg (BRACKET, Louver mtg)

нет в наличии, поставок нет
17 0210296

BAFFLE (BAFFLE)

нет в наличии, поставок нет
18 0335060

Пластина, Front. TJ150SL Models Only (PLATE, Front. TJ150SL Models Only)

нет в наличии, поставок нет
20 0317223

Защелка, Applique (FASTENER, Applique)

нет в наличии, поставок нет
22 0330823

Винт, Louver (SCREW, Louver)

нет в наличии, поставок нет
22 0325838

   (последний код) SCREW

нет в наличии, поставок нет
23 0329736

LOUVER, Крышка двигателя (капот), stbd. J150STL, VJ150SL Models Only (LOUVER, Engine cover, stbd. J150STL, VJ150SL Models Only)

нет в наличии, поставок нет
23 0335046

LOUVER, Крышка двигателя (капот), stbd. TJ150SL Models Only (LOUVER, Engine cover, stbd. TJ150SL Models Only)

нет в наличии, поставок нет
24 0329735

LOUVER, Крышка двигателя (капот), port. J150STL, VJ150SL Models Only (LOUVER, Engine cover, port. J150STL, VJ150SL Models Only)

нет в наличии, поставок нет
24 0335045

LOUVER, Крышка двигателя (капот), port. TJ150SL Models Only (LOUVER, Engine cover, port. TJ150SL Models Only)

нет в наличии, поставок нет
25 0329737

BAFFLE, Louver (BAFFLE, Louver)

нет в наличии, поставок нет
26 0331649

Разъем топливного коннектора (PLUG, Fuel connector)

нет в наличии, поставок нет
27 0331533

Сальник, Топливный коннектор (SEAL, Fuel connector)

нет в наличии, поставок нет
28 0330234

Пружинная шайба (SPRING WASHER)

нет в наличии, поставок нет
29 0320834

Пыльник кабеляs (GROMMET, Cables)

нет в наличии, поставок нет
30 0315111

SвышеPORT, Front (SUPPORT, Front)

нет в наличии, поставок нет
31 0395757

LATCH HANDLE в сборе., Front (LATCH HANDLE ASSY., Front)

нет в наличии, поставок нет
32 0316354

Пыльник крышки двигателя (GROMMET, Engine cover)

нет в наличии, поставок нет
32 0302405

   (последний код) GROMMET

нет в наличии, поставок нет
33 0323169

Крючок, нижний rear, port (HOOK, Lower rear, port)

нет в наличии, поставок нет
33 0315177

   (последний код) HOOK

нет в наличии, поставок нет
34 0315113

SвышеPORT, Stbd., rear (SUPPORT, Stbd., rear)

нет в наличии, поставок нет
35 0315112

SвышеPORT, Port, rear (SUPPORT, Port, rear)

нет в наличии, поставок нет
36 0302325

Винт зажима (SCREW, Clamp)

нет в наличии, поставок нет
37 0318849

Струбцина, Instrument Кабели (CLAMP, Instrument cable)

нет в наличии, поставок нет
37 0206318

   (последний код) CLAMP

нет в наличии, поставок нет
38 0333739

Фиксатор, Fuel line (RETAINER, Fuel line)

нет в наличии, поставок нет
38 0329610

   (последний код) RETAINER-FUE

нет в наличии, поставок нет
39 0328695

Винт, Рама, front (SCREW, Frame, front)

нет в наличии, поставок нет
39 0323480

   (последний код) SCREW

нет в наличии, поставок нет
40 0302325

Винт, Рама (SCREW, Frame)

нет в наличии, поставок нет
41 0392494

Рама в сборе. (FRAME ASSY.)

нет в наличии, поставок нет
41 0387443

   (последний код) FRAME

нет в наличии, поставок нет
42 0318258

Резинка капота двигателя (SEAL, Engine cover)

нет в наличии, поставок нет
43 0328358

Крышка в сборе, Air entrance (COVER ASSY., Air entrance)

нет в наличии, поставок нет
43 0386254

   (последний код) COVER

нет в наличии, поставок нет
44 0303398

Винт, Front Крепление (SCREW, Front mount)

нет в наличии, поставок нет
44 0330119

   (последний код) SCREW

нет в наличии, поставок нет
45 0328700

Шайба, Крепление, large (WASHER, Mount, large)

нет в наличии, поставок нет
45 0331250

   (последний код) WASHER

нет в наличии, поставок нет
46 0328694

Винт, Нижняя часть корпуса (SCREW, Lower cover)

нет в наличии, поставок нет
46 0911122

   (последний код) SCREW

нет в наличии, поставок нет
47 0328695

Струбцина, Двигатель Кабели (CLAMP, Engine cable)

нет в наличии, поставок нет
47 0323480

   (последний код) SCREW

нет в наличии, поставок нет
48 0310439

Струбцина, Двигатель Кабели (CLAMP, Engine cable)

нет в наличии, поставок нет
48 3852088

   (последний код) CLAMP,"J"

нет в наличии, поставок нет
49 0434288

Крышка двигателя (капот), нижний (ENGINE COVER, Lower)

нет в наличии, поставок нет
49 0432658

   (последний код) COVER AY,MOTOR-LWR

нет в наличии, поставок нет
50 0313607

LUBRICATION FITTING (LUBRICATION FITTING)

нет в наличии, поставок нет
50 3852121

   (последний код) FITTING,LUB

нет в наличии, поставок нет
52 0308532

Втулка, Вал latch Рычаг (BUSHING, Shaft latch lever)

нет в наличии, поставок нет
52 0122475

   (последний код) BUSHING

нет в наличии, поставок нет
53 0323170

Крючок спереди и stbd. rear (HOOK, Front and stbd. rear)

нет в наличии, поставок нет
53 0315178

   (последний код) HOOK

нет в наличии, поставок нет
54 0321885

Ниппель, Нижняя крышка двигателя (NIPPLE, Lower engine cover)

нет в наличии, поставок нет
55 0328724

Винт, Фиксатор (SCREW, Retainer)

нет в наличии, поставок нет
55 3852186

   (последний код) SCREW

нет в наличии, поставок нет
56 0908159

Винт, Топливный коннектор (SCREW, Fuel connector)

нет в наличии, поставок нет
56 0328728

   (последний код) SCREW

нет в наличии, поставок нет
57 0394309

Топливный коннектор (FUEL CONNECTOR)

нет в наличии, поставок нет
58 0912127

Винт, Handle to latch (SCREW, Handle to latch)

нет в наличии, поставок нет
59 0302406

Гильза, Крепление (SLEEVE, Mount)

нет в наличии, поставок нет
60 0395758

LATCH HANDLE в сборе., Rear (LATCH HANDLE ASSY., Rear)

нет в наличии, поставок нет
60 0383685

   (последний код) LATCH & SHAFT

нет в наличии, поставок нет
61 0313219

Шайба, Винт Крючок (WASHER, Screw hook)

нет в наличии, поставок нет
62 0303398

Винт, Крепление, rear (SCREW, Mount, rear)

нет в наличии, поставок нет
62 0330119

   (последний код) SCREW

нет в наличии, поставок нет
63 0315391

Разъем топливного коннектора, oil (PLUG, Fuel connector, oil)

нет в наличии, поставок нет
64 0328695

Винт, Sвышеports (SCREW, Supports)

нет в наличии, поставок нет
64 0323480

   (последний код) SCREW

нет в наличии, поставок нет
65 0320107

Крепёжный хомут (TIE STRAP)

нет в наличии, поставок нет
65 5035626

   (последний код) BAND,REM CON

нет в наличии, поставок нет
66 0512423

Гильза, Кабель аккумулятора (SLEEVE, Battery cable)

нет в наличии, поставок нет
67 0331634

Пыльник, TNT leads (GROMMET, TNT leads)

нет в наличии, поставок нет
67 0325958

   (последний код) GROMMET

нет в наличии, поставок нет
0434347 0434347

OWNERS ручной. Not Shown (OWNERS MANUAL. Not Shown)

нет в наличии, поставок нет
0435214 0435214

Комплект наклеек. Not Shown J150STL, VJ150SL Models Only (DECAL SET. Not Shown J150STL, VJ150SL Models Only)

нет в наличии, поставок нет
0434049 0434049

Комплект наклеек. Not Shown TJ150SL Models Only (DECAL SET. Not Shown TJ150SL Models Only)

нет в наличии, поставок нет
evinrude

Время выполнения запроса 6.7575919628143 сек.


 
 

данный сайт носит информационный характер и не является публичной офертой

склад запчастей для водомоторной техники