вконтакте

Контактный телефон: +7 (981) 121-46-93, +7 (800) 200-90-76 , Email: parts-katalog@yandex.ru, где купить

 
 

  Логин:

Пароль:

Регистрация

www.partskatalog.ru Все каталоги Запчасти Mercury Запчасти Suzuki Запчасти Tohatsu Запчасти Honda Контакты



УВАЖАЕМЫЕ КЛИЕНТЫ!
C 19 ДЕКАБРЯ 2025 ПО 02 МАРТА 2026 ГОДА ОТДЕЛ ЗАПЧАСТЕЙ И СЕРВИС РАБОТАТЬ НЕ БУДУТ
ПРОДАЖА ЛОДОЧНЫХ МОТОРОВ В ШТАТНОМ РЕЖИМЕ
ОБ ИЗМЕНЕНИЯХ В ГРАФИКЕ РАБОТЫ ЧИТАЙТЕ НА САЙТА




Все разделы каталога запчастей на этот двигатель

назад Раздел:  

вернуться к списку узлов и деталей

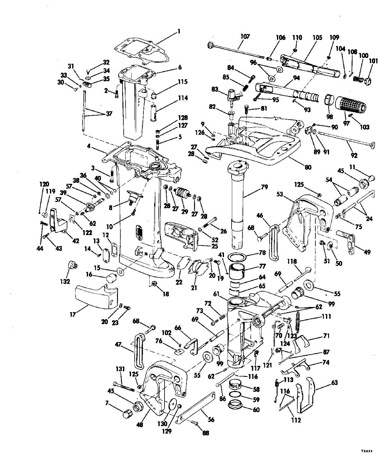
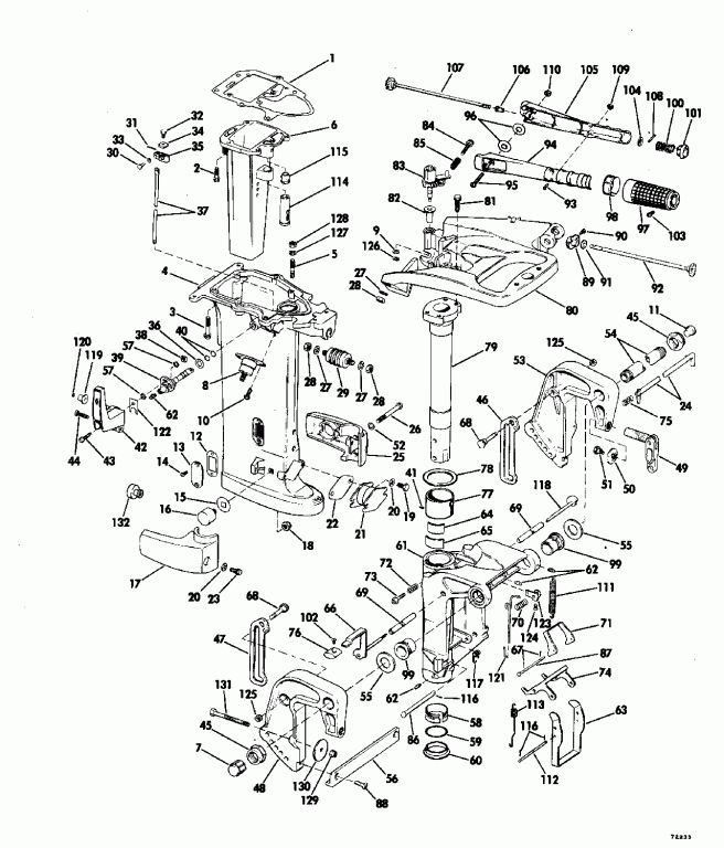
ДЕТАЛИРОВКА ДЛЯ МОДЕЛИ: EVINRUDE E225TLEIC 1991

VRO2 ПОМПА | VRO2 PUMP;


Подвесной лодочный мотор Эвинруд E225TLEIC 1991  - o2 Pump / o2 Помпа

Номер на
рисунке
АртикулНаименованиеКол-во
на складе
Цена
1 0911616

Струбцина, Шланг Топливный фильтр (CLAMP, Hose fuel filter)

нет в наличии, поставок нет
1 3852529

   (последний код) CLAMP,SNAP

нет в наличии, поставок нет
2 0320107

Крепёжный хомут (TIE STRAP)

нет в наличии, поставок нет
2 5035626

   (последний код) BAND,REM CON

нет в наличии, поставок нет
3 0332246

Пыльник (GROMMET)

нет в наличии, поставок нет
4 0

Масляный шланг conn. to sight Трубка, 26" (660 мм) сокращёная длина From 333485 - 1 / 4 дюйм I.D., 25 фут (7, 6m) Roll (HOSE, Oil conn. to sight tube, 26" (660mm). Cut to Length From 333485 - 1/4 in. I.D., 25 ft. (7, 6m) Roll)

нет в наличии, поставок нет
5 0331526

Шланг, Vacuum Переключатель to tee (HOSE, Vacuum switch to tee)

нет в наличии, поставок нет
5 0325881

   (последний код) HOSE

нет в наличии, поставок нет
6 0331623

SIGHT Трубка (SIGHT TUBE)

нет в наличии, поставок нет
7 0322652

Струбцина (CLAMP)

нет в наличии, поставок нет
7 3852170

   (последний код) CLAMP,SNAP

нет в наличии, поставок нет
8 0334132

Топливный шланг Фильтр to tee (HOSE, Fuel filter to tee)

нет в наличии, поставок нет
9 0322654

Струбцина масляного шланга (CLAMP, Oil hose)

нет в наличии, поставок нет
9 3852172

   (последний код) CLAMP,SNAP

нет в наличии, поставок нет
10 0

Шланг, Conn. to Топливный фильтр, 26" (660 мм) сокращёная длина From 125115 - 3 / 8 дюйм I.D., 50 фут (15, 2m) Roll (HOSE, Conn. to fuel filter, 26" (660mm). Cut to Length From 125115 - 3/8 in. I.D., 50 ft. (15, 2m) Roll)

нет в наличии, поставок нет
11 0398319

Топливный фильтр в сборе. (FUEL FILTER ASSY.)

нет в наличии, поставок нет
11 0175227

   (последний код) FUEL-FILTER

нет в наличии, поставок нет
13 0329653

Струбцина топливного шланга #14 (CLAMP, Fuel hose #14)

нет в наличии, поставок нет
13 0329654

Струбцина топливного шланга #12 (CLAMP, Fuel hose #12)

нет в наличии, поставок нет
13 3852196

   (последний код) CLAMP,SNAP

нет в наличии, поставок нет
14 0175109

Топливный насос в сборе. (FUEL PUMP ASSY.)

нет в наличии, поставок нет
14 5007420

   (последний код) KIT AY,F PUMP&LMTR

нет в наличии, поставок нет
15 0512749

Коннектор (CONNECTOR)

нет в наличии, поставок нет
15 3852241

   (последний код) CONN,4-SKT-P

нет в наличии, поставок нет
16 0581656

SOCKET (SOCKET)

нет в наличии, поставок нет
16 3852257

   (последний код) TERMINAL AY,SCKT

нет в наличии, поставок нет
17 0328735

Шайба, Помпа to Кронштейн (WASHER, Pump to bracket)

нет в наличии, поставок нет
17 3852188

   (последний код) WASHER

нет в наличии, поставок нет
18 0122147

Винт, Кронштейн to Картер двигателя (SCREW, Bracket to crankcase)

нет в наличии, поставок нет
18 3852006

   (последний код) SCREW

нет в наличии, поставок нет
19 0

Шланг, Pulse, 6 1 / 4" (159 мм) сокращёная длина From 333341 - 5 / 16 дюйм I.D., 25 фут (7, 6m) Roll (HOSE, Pulse, 6 1/4" (159mm). Cut to Length From 333341 - 5/16 in. I.D., 25 ft. (7, 6m) Roll)

нет в наличии, поставок нет
20 0329661

Заглушка Держатель, Oil Ниппель (PLUG HOLDER, Oil nipple)

нет в наличии, поставок нет
21 0334774

Шланг, Помпа to Коллектор (HOSE, Pump to manifold)

нет в наличии, поставок нет
22 0330522

Волнистая шайба, Vacuum Переключатель (WAVE WASHER, Vacuum switch)

нет в наличии, поставок нет
23 0330523

Стопорное кольцо, Vacuum Переключатель (RETAINING RING, Vacuum switch)

нет в наличии, поставок нет
24 0395208

VACUUM Переключатель (VACUUM SWITCH)

нет в наличии, поставок нет
24 0586544

   (последний код) KIT AY,VAC SWITCH

нет в наличии, поставок нет
25 0511829

Клемма (TERMINAL)

нет в наличии, поставок нет
25 3852233

   (последний код) TERMINAL,RIN

нет в наличии, поставок нет
26 0510818

Клемма (TERMINAL)

нет в наличии, поставок нет
26 3854243

   (последний код) TERMINAL,RIN

нет в наличии, поставок нет
27 0328600

Клемма POST (TERMINAL POST)

нет в наличии, поставок нет
28 0330838

Винт, Переключатель lead (SCREW, Switch lead)

нет в наличии, поставок нет
28 0329268

   (последний код) SCREW

нет в наличии, поставок нет
29 0331995

TEE, Топливный шланг to vacuum Переключатель (TEE, Fuel hose to vacuum switch)

нет в наличии, поставок нет
30 0332281

Шланг, Tee to Топливный насос (HOSE, Tee to fuel pump)

нет в наличии, поставок нет
30 0331755

   (последний код) HOSE

нет в наличии, поставок нет
31 0

Шланг, Sight Трубка to Помпа, 1 1 / 2" (38 мм) сокращёная длина From 333485 - 1 / 4 дюйм I.D., 25 фут (7, 6m) Roll (HOSE, Sight tube to pump, 1 1/2" (38mm). Cut to Length From 333485 - 1/4 in. I.D., 25 ft. (7, 6m) Roll)

нет в наличии, поставок нет
32 0332245

Топливный коннектор & oil Шланг (CONNECTOR, Fuel & oil hose)

нет в наличии, поставок нет
33 0329653

Струбцина, Пыльник топливного шланга (CLAMP, Grommet, fuel hose)

нет в наличии, поставок нет
34 0315391

Заглушка, Коннектор (PLUG, Connector)

нет в наличии, поставок нет
35 0331649

Заглушка, Коннектор (PLUG, Connector)

нет в наличии, поставок нет
36 0512743

Фиксатор, Коннектор (RETAINER, Connector)

нет в наличии, поставок нет
36 3852238

   (последний код) RETAINER,CON

нет в наличии, поставок нет
37 0398339

Топливный коннектор & Шланг. Опции (FUEL CONNECTOR & HOSE. Optional)

нет в наличии, поставок нет
37 0396305

   (последний код) FUEL-CONN&-H

нет в наличии, поставок нет
38 0322652

Струбцина (CLAMP)

нет в наличии, поставок нет
38 3852170

   (последний код) CLAMP,SNAP

нет в наличии, поставок нет
39 0332732

Шланг (HOSE)

нет в наличии, поставок нет
39 0330156

   (последний код) HOSE

нет в наличии, поставок нет
40 0393334

Топливный коннектор (FUEL CONNECTOR)

нет в наличии, поставок нет
40 0376154

   (последний код) BODY

нет в наличии, поставок нет
41 0336503

Струбцина. Опции (CLAMP. Optional)

нет в наличии, поставок нет
42 0317936

Шайба, Vacuum Переключатель (WASHER, Vacuum switch)

нет в наличии, поставок нет
43 0329754

Кронштейн топливного насоса (BRACKET, Fuel pump)

нет в наличии, поставок нет
43 0341083

   (последний код) BRACKET

нет в наличии, поставок нет
44 0308825

Винт, Помпа to Кронштейн (SCREW, Pump to bracket)

нет в наличии, поставок нет
44 3852081

   (последний код) SCREW

нет в наличии, поставок нет
evinrude

Время выполнения запроса 3.0771300792694 сек.


 
 

данный сайт носит информационный характер и не является публичной офертой

склад запчастей для водомоторной техники